| Autor |
|
Monoflop ohne Triggerimpuls? |
|
|
|
|
BID = 1015908
der mit den kurzen Armen Urgestein
     
Beiträge: 17437
|
|
Solange am PIN 2 eine Spannung kleiner 0,7V anliegt und am PIN6 eine Spannung kleiner 1/3 UB geht der Pin3 auf H ! Steigt die Spannung dann am PIN 2 an ändert sich da nichts. Erst wenn PIN6 eine Spannung erreicht die > 2/3 Ub ist schaltet PIN3 Um. Spendiere deinem 555 mal nen Elko von 100µ direkt am Pin 8 nach GND und sorge dafür das PIN 4 fest ohne Wackler auf UB liegt!
_________________
Tippfehler sind vom Umtausch ausgeschlossen.
Arbeiten an Verteilern gehören in fachkundige Hände!
Sei Dir immer bewusst, dass von Deiner Arbeit das Leben und die Gesundheit anderer abhängen! |
|
BID = 1015912
Corradodriver Schreibmaschine
    
Beiträge: 1131
|
|
Also die Schaltung ist Sch****!
Ich hab se jetzt mal fliegend zusammen gelötet um Wackler auszuschließen. Keinerlei Besserung! Die "Fehlerquote" liegt bei über 90%!
Auch der Elko übers IC brachte keinen Erfolg, außer das die LED beim trennen der Ub etwas ausdimmt bevor sie verlischt.
Lässt sich ggf. auf dieser Basis was machen?
Bild eingefügt
R1 => 180K
C1 => 2200uF/25V
D1 => 1N4001
D2 => 1N4148
T1 => BD135
K1 => 12V/1K
Zeit => 10 sec.
_________________
MFG Andy
[ Diese Nachricht wurde geändert von: Corradodriver am 18 Mär 2017 18:20 ] |
|
BID = 1015924
Otiffany Urgestein
     
Beiträge: 13779 Wohnort: 37081 Göttingen
|
Zitat :
| | Zwingend erforderlich ist es, das der Ausgang sofort und ausschließlich mit anlegen der Betriebspannung aktiviert, und nach 5-10 Sek. abgeschaltet wird. |
Habe ich da was mißverstanden?
Natürlich geht die LED sofort an, schaltet aber nach der eingestellten Zeit (R-C Kombination) wieder aus.
Mit deinen Werten bleibt die LED länger als 7 Min. an!
http://www.dieelektronikerseite.de/Tools/NE555.htm
Gruß
Peter
P.S.
Der zusätzliche Elko bringt nichts, da dann evtl. der Timer nicht mehr beim Anlegen der Spannung getriggert wird.
[ Diese Nachricht wurde geändert von: Otiffany am 18 Mär 2017 20:15 ]
[ Diese Nachricht wurde geändert von: Otiffany am 18 Mär 2017 20:17 ]
|
BID = 1015932
Corradodriver Schreibmaschine
    
Beiträge: 1131
|
Ne Peter, sorry, da haben wir aneinander vorbei geredet. Ich war noch bei dem anderen "ersten" Schaltplan vom "Kurzarmigen".
Das ist ja eigentlich ne Einschaltverzögerung, wo die LED in der Grundschaltung verspätet einschalten sollte. Meine "Beschwerde" bezog sich auf diese "Grundschaltung", weil da die LED in über 90% der Fälle direkt an ging, ohne die Verweilzeit abzuwarten.
Deine Schaltung habe ich jetzt noch NICHT getestet, weil ich auf ne Rünkantwort von dir gewartet hatte, obs ne Möglichkeit gibt, deinen Entwurf OHNE Relais aufzubauen.
_________________
MFG Andy
|
BID = 1015936
Otiffany Urgestein
     
Beiträge: 13779 Wohnort: 37081 Göttingen
|
Zitat :
| | obs ne Möglichkeit gibt, deinen Entwurf OHNE Relais aufzubauen. |
muß ich drüber nachdenken!
Gruß
Peter
|
BID = 1015937
Corradodriver Schreibmaschine
    
Beiträge: 1131
|
Danke dir!!
_________________
MFG Andy
|
BID = 1015938
Otiffany Urgestein
     
Beiträge: 13779 Wohnort: 37081 Göttingen
|
Ich habe mal gedacht und hoffe, daß meine Gedankengänge funktionieren. Versuch macht kluch.
Gruß
Peter
[ Diese Nachricht wurde geändert von: Otiffany am 18 Mär 2017 23:45 ]
|
BID = 1015951
der mit den kurzen Armen Urgestein
     
Beiträge: 17437
|
Wird nicht funktionieren, den der Reset ist dominant und da wird der Pin 3 nie umschalten er bleibt auf L! Über R4 T4 D1 und R8 bekommt der T4 Basisstrom und steuert auf, Pin 4 liegt auf L und bleibt dort weil Pin 3 auf L gesetzt wird. Egal was dann kommt der Pin3 bleibt auf L! Wenn dann musst du am Pin2 Steuern. Solange dessen Spannung unter 0,7V bleibt ist der Ausgang Pin3 H ! Erst wenn am Pin2 die Spannung ansteigt wird der Kondensator am Pin6 geladen , dessen Spannung steigt und der Pin 3 wird Umschalten! Die Beschaltung des Pin2 über Elko und Triggerkondensator dürfte schon reichen. Beim Einschalten ist der Elko am Pin2 entladen stellt also Qasi einen Kurzschluss nach GND dar am PIN2 liegt L an, erst wenn der Elko geladen wird steigt auch die Spannung am PIN2. Wenn du den Pin4 Steuern willst gehört da ein R nach GND hin. So könnte es Funktionieren. Der Elko ist entladen und liegt auf GND wird die Betriebsspannung eingeschaltet lädt sich der Elko auf , die Spannung am PIN2 und am PIN 4 Steigt . Mit dem R nach Pin4 musst du etwas experimentieren oder den R durch einen NPN Transistor erweitern. so das bei einer Spannung am Elko von Größer 0,7V der Transistor den Pin 4 auf + ub legt .
Noch etwas Die Zeit , die durch den R und den Elko am Pin2 bestimmt wird muss auch auf sinnige Werte angepasst werden ! Tau = R*C Rechner dafür gibt es im Netz so einige!
_________________
Tippfehler sind vom Umtausch ausgeschlossen.
Arbeiten an Verteilern gehören in fachkundige Hände!
Sei Dir immer bewusst, dass von Deiner Arbeit das Leben und die Gesundheit anderer abhängen!
|
BID = 1015953
der mit den kurzen Armen Urgestein
     
Beiträge: 17437
|
Zitat :
Corradodriver hat am 18 Mär 2017 18:04 geschrieben :
|
Also die Schaltung ist Sch****!
Ich hab se jetzt mal fliegend zusammen gelötet um Wackler auszuschließen. Keinerlei Besserung! Die "Fehlerquote" liegt bei über 90%!
Auch der Elko übers IC brachte keinen Erfolg, außer das die LED beim trennen der Ub etwas ausdimmt bevor sie verlischt.
Lässt sich ggf. auf dieser Basis was machen?
Bild eingefügt
R1 => 180K
C1 => 2200uF/25V
D1 => 1N4001
D2 => 1N4148
T1 => BD135
K1 => 12V/1K
Zeit => 10 sec.
[ Diese Nachricht wurde geändert von: Corradodriver am 18 Mär 2017 18:20 ]
|
Oder du hast deinen 555 schon über die Wupper geschickt. Nebenbei du wolltest doch kein Relais .  Aber diese Schaltung funktioniert auch. Kritisch hier ist da aber auch der Elko, erst wenn dieser auf eine Spannung > 0,7V aufgeladen ist steuert der Transistor durch!
Zum Testen des 555 beschalte den erst mal mit den grundsätzlichen Bauteilen und dann kannst du das Verhalten mit anliegender Betriebsspannung und den entsprechenden Spannungen am Pin 2 und Pin 6 testen Pin 7 bleibt Frei ! Da hinter steckt ein Transistor der gegen GND durch schaltet und invertierend zu Pin 3 ist!
_________________
Tippfehler sind vom Umtausch ausgeschlossen.
Arbeiten an Verteilern gehören in fachkundige Hände!
Sei Dir immer bewusst, dass von Deiner Arbeit das Leben und die Gesundheit anderer abhängen!
|
BID = 1015958
Corradodriver Schreibmaschine
    
Beiträge: 1131
|
Zitat :
| | Oder du hast deinen 555 schon über die Wupper geschickt. |
Ne, kann ich ausschließen. Hab noch ne Blinkschaltung mit dem 555 und hab mal quer getauscht.... funzt mit dem getauschten auch nicht. Die Blinkschaltung geht aber wiederum...
Zitat :
| | Nebenbei du wolltest doch kein Relais. |
Richtig, war auch nur nen "Netzfundstück der Woche". Ging mir da nur ums grundsätzliche Prinzip, weil die Schaltung ohne 555 auskommt.
Ich wer mich nachn Mittag mal hinsetzten, und die Schaltungen durchprobieren....
_________________
MFG Andy
|
BID = 1015965
rasender roland Schreibmaschine
    
Beiträge: 1790 Wohnort: Liessow b SN
|
Zwingend erforderlich ist es, das der Ausgang sofort und ausschließlich mit anlegen der Betriebspannung aktiviert, und nach 5-10 Sek. abgeschaltet wird. Ein neu starten des Ausgangs soll erst wieder nach ab-/wiedereinschalten der Betriebsspannung erfolgen. Es sollte KEINEN Set/Reset-Eingang geben....
...Ich sag mal so....die Einschaltverzögerung ist eigentlich schon genau das, was ich suche...
..Soooo, jetzt hab ich erstmal ein anderes Problem. Habe die oben verlinkte Schaltung eben mal aufgebaut.
Erst hat sie nicht funktioniert, da ging die LED sofort an....
Sorry aber aus Deinem Texten wird man nicht ganz schlau.
Was denn nun?
Hier mal meine Version. Ist vom Prinzip das gleiche was der kurzarmige zum Anfang gepostet hat.
Einfach, ohne Schnickschnack und funktioniert.
Ergibt bei mir 12 sec Einschaltdauer.
Und wenn es eine Einschaltverzögerung werden soll musst Du eben einen pnp Typ am Ausgang nehmen.
_________________
mfg
Rasender Roland
[ Diese Nachricht wurde geändert von: rasender roland am 19 Mär 2017 12:25 ]
[ Diese Nachricht wurde geändert von: rasender roland am 19 Mär 2017 12:27 ]
[ Diese Nachricht wurde geändert von: rasender roland am 19 Mär 2017 12:28 ]
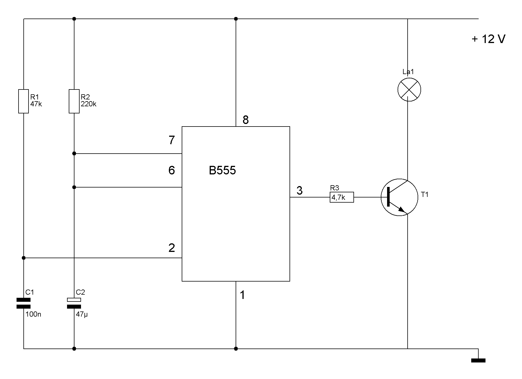
|
BID = 1015966
rasender roland Schreibmaschine
    
Beiträge: 1790 Wohnort: Liessow b SN
|
bild
_________________
mfg
Rasender Roland
|
BID = 1015967
der mit den kurzen Armen Urgestein
     
Beiträge: 17437
|
Pin4 gehört da an Ub und Pin5 sollte mit etwa10 nF immer nach GND abgeblockt werden!
_________________
Tippfehler sind vom Umtausch ausgeschlossen.
Arbeiten an Verteilern gehören in fachkundige Hände!
Sei Dir immer bewusst, dass von Deiner Arbeit das Leben und die Gesundheit anderer abhängen!
|
BID = 1015973
rasender roland Schreibmaschine
    
Beiträge: 1790 Wohnort: Liessow b SN
|
Kann man machen, funktioniert ohne auch.
Habe die Schaltung aus dem DDR Buch zum 555.
Da sind die Pins 4,5 bei nichtgebrauch auch ohne Beschaltung. Pin 5 hängt am internen Spannungsteiler. Warum soll man den beschalten, es sei denn man möchte die interne Schaltschwelle von 2/3 Ub beeinflussen.
_________________
mfg
Rasender Roland
|
BID = 1015975
Corradodriver Schreibmaschine
    
Beiträge: 1131
|
So, damit Ihr mich jetzt hier nicht für blöd erklärt, hab ich jetzt mal 2 Videos hochgeladen....
Schaltung entspricht der von Rolands letztem Plan.
https://forum.electronicwerkstatt.d.....oflop
Einzige Abweichungen.... Als Last wurde eine LED mit Vorwiderstand genutzt und in Ermangelung von 220K-Widerständen hab ich zwei 100K in Reihe geschaltet. Transistor ist ein BC337. Dieser schaltet auch nach anlegen eines Basisstroms durch, und die LED leuchtet.
Videos haben je knapp über 12 MB. Beide Versuche wurden mit unterschiedlichen ICs gemacht.
http://www.drg-ler.de/Files/Ausschaltverzoegerung/Versuch1.mp4
http://www.drg-ler.de/Files/Ausschaltverzoegerung/Versuch2.mp4
Hier nochmal ein Bild vom Schaltungsaufbau. Alle im Bild ersichtlichen Timer-ICs sind neu und wurden erfolglos in der Schaltung getestet. Ein Defekt an diesen konnte nach testen in einer anderen Schaltung ausgeschlossen werden!
Bild eingefügt
So.... mein Latein is am Ende...
_________________
MFG Andy
|