| Autor |
Wie gestalte 60 Triac Ausgänge für AC 100V, 2kHz @max 2-3mA pro Ausgang ? Suche nach: triac (3641) |
|
|
|
|
BID = 1015087
der mit den kurzen Armen Urgestein
     
Beiträge: 17437
|
|
Sorry das du bei dieser Lösung eh Probleme mit den Kreuzungen der Segmente bekommst ist dir aber auch klar !
Edit: ich würde da eine Acrylplatte nehmen die Segmente da auf der Rückseite rein fräsen und satinieren und mit einer Aluplatte die nicht leuchtenden Fläche abdecken. Die Segmente kannst du dann mit biegsamen Messingstreifen trennen und in die Mitte der Segmente eine LED montieren. Da wo Segmente geteilt werden eben 2 LED verwenden. Das Ganze mal weitergesponnen und RGB-Led verwenden ermöglicht auch eine Farbsteuerung !
_________________
Tippfehler sind vom Umtausch ausgeschlossen.
Arbeiten an Verteilern gehören in fachkundige Hände!
Sei Dir immer bewusst, dass von Deiner Arbeit das Leben und die Gesundheit anderer abhängen!
[ Diese Nachricht wurde geändert von: der mit den kurzen Armen am 7 Mär 2017 21:37 ]
[ Diese Nachricht wurde geändert von: der mit den kurzen Armen am 7 Mär 2017 21:42 ] |
|
BID = 1015122
Offroad GTI Urgestein
     
Beiträge: 12836 Wohnort: Cottbus
|
|
Habe noch etwas rumgesucht, und den HV2601 gefunden. Dies ist ein 16x Hochspannungs-Analogschalter mit Schieberegister am Eingang.
Ist mit 16€ (oder so) auf den ersten Blick zwar nicht sonderlich günstig. Aber wenn man bedenkt, dass man ein Hochspannungs-SSR kaum für <1€ bekommt, und noch zusätzliche Schieberegister und Widerstände (und damit auch mehr Platz) benötigt, ist es eigentlich kein schlechter Preis.
Gibt noch einige andere Varianten: http://www.microchip.com/wwwproducts/en/HV2662
_________________
Theoretisch gibt es zwischen Theorie und Praxis keinen Unterschied. Praktisch gibt es ihn aber.
[ Diese Nachricht wurde geändert von: Offroad GTI am 8 Mär 2017 15:16 ] |
|
BID = 1015149
I-need Stammposter
   
Beiträge: 415
|
Link sollte jetzt repariert sein.
_________________
|
BID = 1015162
I-need Stammposter
   
Beiträge: 415
|
sorry, ist eine leerer post.
Darf gerne gelöscht werden.
[ Diese Nachricht wurde geändert von: I-need am 8 Mär 2017 22:30 ]
|
BID = 1015165
I-need Stammposter
   
Beiträge: 415
|
@ der mit den kurzen Armen, dann könnte ich auch gleich ein LCD Display nehmen. Wäre mittlerweile wohl einfacher.
Nunja ich habe mir jetzt da so etwas ins Hirn gebrannt und so soll es nun werden.
Evt. mache ich von der Uhr dann später noch eine Version mit LCD oder Acrilplatten, wie auch immer, aber erste mal den komplizierten Weg ausprobieren.
Zitat :
| | st mit 16€ (oder so) auf den ersten Blick zwar nicht sonderlich günstig. Aber wenn man bedenkt, dass man ein Hochspannungs-SSR kaum für <1€ bekommt, und noch zusätzliche Schieberegister und Widerstände (und damit auch mehr Platz) benötigt, ist es eigentlich kein schlechter Preis. |
Ja um auf 60 zu kommen brauche ich dann 4 davon, also 64€. Das ist mir dann noch schon eher etwas zu viel.
Ich suche gerade im Moment noch etwas das dem Hv5622 ähnelt. Konkret heisst das, einer der noch höhere Spannung standhält. Und wieso ich das suche: Mir kam den Gedanke dass ich mir den Sinus ja durch PWM zusammenbauen kann. Um jetzt auf die 100V AC zu kommen benötige ich ca 280V DC. Denn 100V AC * wurzel2 = 140V was erste einer Halbwelle entspricht. also noch mal 2.
Keine Ahnung ob sowas noch eine schöne Lösung ist. Ich sehe da bis jetzt nur kleine Probleme (z.B. siebung der PWM Frequenzen). Der Nachteil sehe ich eher in einem 280V DC Netzgerät. Mal abgesehen davon dass ich sowas nicht direkt kaufen kann sind solche DC Spannungen doch sau gefährlich.
Darum weis ich nicht ob ich folgenden Ansatz noch weiter verfolgen soll.
was meint ihr?
_________________
|
BID = 1015240
Offroad GTI Urgestein
     
Beiträge: 12836 Wohnort: Cottbus
|
Zitat :
| | Mir kam den Gedanke dass ich mir den Sinus ja durch PWM zusammenbauen kann. |
Die Variante hatte ich ja auch schon erwähnt, ohne groß über den Programmieraufwand nachzudenken. Die Schieberegister müssen dann ja pausenlos auch für ein stehendes "Bild" mit Daten (und das nicht zu knapp) gefüttert werden.
Hast du so eine EL-Schnur zum experimentieren da?
_________________
Theoretisch gibt es zwischen Theorie und Praxis keinen Unterschied. Praktisch gibt es ihn aber.
|
BID = 1015259
I-need Stammposter
   
Beiträge: 415
|
Ja die PWM Methode hat auch seine nachteile. Ich hätte das mit dem PWM über einen weiteren Port am uC generiert und beim IC an den Port, mit dem man alle Ausgänge ausschalten kann. So würde man die Schieberegister nicht so stressen.
Nun hänge ich mich nochmals einem weiter Möglichkeit an. und zwar an die von der mit den kurzen Armen erwähnte Möglichkeit mit BP-Transistoren und Brückengleichrichter. 60 Brückengleichrichter würden mich ca 10 Euro kosten und als Transistoren dachte ich, man könnte sicherlich direkt die Optokoppler nehmen.
bei den Optokoppler benötige ich 14 * 4Channel, das wären da acu 10 Euro. 20 Euro total also.Den Preis finde ich eigentlich noch ganz moderat.
Ich wollte die El-Schnur heute bestellen, aber da ich mich noch für keine Lösung entschieden habe warte ich noch, da ich nicht weiss ob ich den Inverter auch dazu Kaufen soll.
_________________
|
BID = 1015271
perl Ehrenmitglied
       
Beiträge: 11110,1 Wohnort: Rheinbach
|
Zitat :
| Zitat :
Ich erwarte keinen großen Strom
Und eben das ist bei Triacs ein Problem, da sie einen minimalen Haltestrom benötigen. |
Ausserdem sind Triacs für so hohe Frequenzen nicht geeignet. Sie löschen dann nicht mehr.
|
BID = 1015304
Offroad GTI Urgestein
     
Beiträge: 12836 Wohnort: Cottbus
|
Zitat :
| | bei den Optokoppler benötige ich 14 * 4Channel |
Sperrspannung beachten. Schließlich liegt über der CE-Strecke die Spitzenspannung des EL-Treibers an.
_________________
Theoretisch gibt es zwischen Theorie und Praxis keinen Unterschied. Praktisch gibt es ihn aber.
|
BID = 1015306
I-need Stammposter
   
Beiträge: 415
|
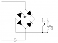
Ja an die CE sperrspannung habe ich gedacht und auch ein passender Optokoppler gefunden. Aber kann mir jemand erklären wie ich den Tr und Gleichrichter verschalten muss? Ich weiss ich habe sowas mal gesehen, fand aber jetzt kein einziger Schaltplan oder erklärung dazu. Scheint eine selten verwende Lösung zu sein.
_________________
[ Diese Nachricht wurde geändert von: I-need am 10 Mär 2017 12:56 ]
|
BID = 1015310
Offroad GTI Urgestein
     
Beiträge: 12836 Wohnort: Cottbus
|
Zitat :
| | ein passender Optokoppler gefunden |
Welchen?
Zitat :
| | wie ich den Tr und Gleichrichter verschalten muss? |
So wie hier:
https://forum.electronicwerkstatt.d......html
_________________
Theoretisch gibt es zwischen Theorie und Praxis keinen Unterschied. Praktisch gibt es ihn aber.
|
BID = 1015315
der mit den kurzen Armen Urgestein
     
Beiträge: 17437
|
Der Gleichrichter wird in den Wechselspannungspfad normal eingefügt nur der Gleichspannungspfad des Gleichrichters wird mit dem Transistor kurzgeschlossen. Da du die Gleichspannung schaltest , wird auch der Wechselspannungspfad geschaltet.
Edit : nur wenn der Optokoppler auch den Laststrom und vor allem auch die nötige Spannungsfestigkeit hat kannst du auf T1 verzichten!
_________________
Tippfehler sind vom Umtausch ausgeschlossen.
Arbeiten an Verteilern gehören in fachkundige Hände!
Sei Dir immer bewusst, dass von Deiner Arbeit das Leben und die Gesundheit anderer abhängen!
[ Diese Nachricht wurde geändert von: der mit den kurzen Armen am 10 Mär 2017 13:24 ]
|
BID = 1015325
Maou-Sama Schriftsteller
    
Beiträge: 787
|
Zitat :
| | nur wenn der Optokoppler auch den Laststrom und vor allem auch die nötige Spannungsfestigkeit hat kannst du auf T1 verzichten! |
Nur nebenbei; Der Optokoppler sieht immer die gleiche Sperrspannung wie T1, also muss auch er immer für diese augelegt sein, egal ob T1 da ist oder nicht...
Zitat :
| | Ausserdem sind Triacs für so hohe Frequenzen nicht geeignet. Sie löschen dann nicht mehr. |
Das dürfte vom Typ des Triacs abhängen. Denn wenn es pauschal so wäre, hätte das
http://www.attoparsec.com/products/.....s.pdf keine Daseinsberechtigung...
Aber davon mal ab; 3cm EL Draht sind praktisch ein Fliegenschiss was die an-, aber auch sauber abzuschaltende Leistung angeht.
Da ist wohl eine extensive Praxiserprobung nötig, bevor die Großserienfertigung beginnt. Und EL Wire stückeln und neu kontaktieren ist auch nicht gerade eine schnell von der Hand gehende Aufgabe...
|
BID = 1015347
I-need Stammposter
   
Beiträge: 415
|
Ja hebe soeben nachgeschaut welchen Optokoppler ich rausgesucht habe, und ihr hattet natürlich recht, er war nicht für so hohe Spannung ausgelegt. Aber ich fand einen der es vertragen würde, nur ist der 3x so teuer wie der erste, also kommt ein zusätzlicher Tr dazu. Das spielt jetzt aber auch keine Rolle mehr, da ich entschlossen habe den Treiber für die Ausgänge(El-wire) zu layouten.
Und wandelt man die Schaltung leicht ab, dann sollte das Problem mit der Uce des Optokoppler behoben sein. So sollte die Ce strecke des Optokopplers nie mehr als 0.7V betragen. Das Signal wird natürlich noch invertiert.
Zitat :
| | bevor die Großserienfertigung beginnt. |
Von Großserienfertigung habe ich nie irgend etwas gesagt, wobei es sich schon lohnen würde wenn mehrere fertigen würde. Mit so viel Zeit der Planung. Wir werden ja sehen
[ Diese Nachricht wurde geändert von: I-need am 10 Mär 2017 19:49 ]
|
BID = 1015354
Offroad GTI Urgestein
     
Beiträge: 12836 Wohnort: Cottbus
|
Zitat :
| | Und wandelt man die Schaltung leicht ab, dann sollte das Problem mit der Uce des Optokoppler behoben sein. |
Dann funktioniert die Schaltung aber nicht mehr.
_________________
Theoretisch gibt es zwischen Theorie und Praxis keinen Unterschied. Praktisch gibt es ihn aber.
|