Habe ein alter Germanium Transistor gefunden. (TFK AC 117) .... wertvoll?

Im Unterforum Projekte im Selbstbau - Beschreibung: Selbstbau von Elektronik und Elektro

Elektronik Forum Nicht eingeloggt       Einloggen       Registrieren




[Registrieren]      --     [FAQ]      --     [ Einen Link auf Ihrer Homepage zum Forum]      --     [ Themen kostenlos per RSS in ihre Homepage einbauen]      --     [Einloggen]

Suchen


Serverzeit: 28 12 2025  07:07:00      TV   VCR Aufnahme   TFT   CRT-Monitor   Netzteile   LED-FAQ   Oszilloskop-Schirmbilder            


Elektronik- und Elektroforum Forum Index   >>   Projekte im Selbstbau        Projekte im Selbstbau : Selbstbau von Elektronik und Elektro

Gehe zu Seite ( Vorherige Seite 1 | 2 | 3 | 4 | 5 | 6 Nächste Seite )      


Autor
Habe ein alter Germanium Transistor gefunden. (TFK AC 117) .... wertvoll?
Suche nach: transistor (12335)

    







BID = 998042

perl

Ehrenmitglied



Beiträge: 11110,1
Wohnort: Rheinbach
 

  



Zitat :
Da sind meine zwei gescheiterten Schaltungen:
Die sind auch ziemlich verkehrt.
Am besten ist noch die erste Schaltung, aber der Übertrager darf kein Übersetzungsverhältnis von 1:1 haben, denn dann könntest den Lautsprecher auch gleich in die Kollektorleitung legen.
Viel besser wäre z.B. 10:1 oder mehr, das ergibt dann primärseitig eine Impedanz von mindestens 400 Ohm.
Wenn du nichts besseres zu Hand hast, tut es z.B. ein kleiner 12V oder 24V Netztrafo, aber kein ganz kleiner, sonst wird der Gleichstromwiderstand und somit auch der Spannungsabfall dort zu groß.

Der Basisspannungsteiler dort ist auch genau verkehrtrum angeordnet.
Mach das mal so, dass du ca. -1V an der Basis bekommst. (auf + Batterie bezogen).

Den Emitterwiderstand berechnest du dann für vielleicht 40mA,
also (1V - 0,3V) / 0,04A = 18 Ohm.

Du kannst die Verstärkung erhöhen, indem du den Emitterwiderstand mit einem Elko überbrückst.
Damit das eine nennenswerte Wirkug hat, muss der Wechselstromwiderstand aber deutlich unter den 18 Ohm des Emitterwiderstands liegen.
Bei 100 Hz haben 470µF z.B. eine Impedanz von 3,4 Ohm.

P.S.:
Kennlinien solltest du nicht versuchen zu messen.
Wie du an den Aufbauten von Melli sehen konntest, braucht man dafür mindestens zwei Meßinstrumente, besser drei, und selbst dann ist das bei Ge-Transistoren nicht sehr erfolgversprechend, weil sich fast aller Werte durch die Erwärmung sehr stark ändern.
In der Praxis misst man die Kennlinien dynamisch, also mit einer Wechselstrom-Ansteuerung und einem Oszilloskop, oder mit kurzen Impulsen, bei denen die Erwärmung des Kristall vernachlässigbar bleibt.



[ Diese Nachricht wurde geändert von: perl am 12 Aug 2016  8:22 ]

BID = 998065

I-need

Stammposter



Beiträge: 415

 

  

Aha, ja so macht es schon mehr sinn

_________________

BID = 998295

I-need

Stammposter



Beiträge: 415

So habe jetzt das gesamte Wochenende durchgerechnet, durchgelesen, durchprobiert und ausprobiert.

Ich habe mich an einem zweistufigen Verstärker versucht, da mir langsam klar wird, dass ich mit nur einem Transistor nicht eine hohe Spannungsverstärkung und Stromverstärkung zugleich haben kann.

Also habe ich erst mal eine Emitterschaltung durchgerechnet wie im Beispiel auf dieser Seite:http://www.elektronikinfo.de/strom/emitterschaltung.htm
Nur mit meinen Angaben von Ub=12V, verstärkung von 20x

Diesen Teil funktioniert sogar, aufgesteckt und mit dem Oszilloskop gemessen. zwar deutlich mehr als 20x verstärkt, aber das ist ja eh umso besser.

Danach wollte ich die nachfolgende Kollektorschlatung ausrechnen, aber da fehelte einfach der Lösungsweg. also habe ich mittels logischem überlegen es doch irgendwie geschafft.

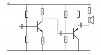
Das ist die Schaltung:




Dann habe ich die beiden schaltungen verbunden und Nichts!!! Das Problem ist dass die Kollektorschaltung die Emitterschaltung zu stark belastet.




Darauf habe ich die Emitterschaltung nochmals neu berechnet mit einem höheren Ic. Aber das brachte keine Abhilfe.

Deswegen dachte ich ok, mache ich es anderst und kopple sie nicht mehr Direkt, sondern mache für die Kollektorstufe einen eigenen Spannungsteiler

Siehe Bild




Doch das wollte auch nicht richtig. Die Belastung war immer noch zu stark. zwar hatte ich am Ausgang sogar endlich ein Signal (aber auch gedämpft und relativ klein), das aber auch einbrach mit dem anschliessen des Lautsprechers.


Ich bin durch. keine Idee und Fantasie.
Dabei sollte es doch einfach ein kleines zwischendurch Projekt werden






_________________

BID = 998298

der mit den kurzen Armen

Urgestein



Beiträge: 17437

schade um Deine Arbeit Erstens sind deine Koppelkondensatoren zu Klein da gehören schon Elkos hin. denn du arbeitest mit NF und nicht mit HF und zweitens sind deine Lastwiderstände viel zu groß. zweitens sollte der Punkt an dem die NF abgegriffen wird ohne Aussteuerung etwa auf Ub/2 liegen. Bei Transistoren empfiehlt es sich schon den Lastwiderstand in den Kollektor zu legen. Der Transistor bildet mit dem Arbeitswiderstand selbst einen Spannungsteiler und auf Gegenkopplung (Emitterwiderstand)kannst du bei solchen Spielereien verzichten!
Edit: der R in Reihe zum Lautsprecher ist da auch völlig fehl am Platz und flüssiger als Wasser!

_________________
Tippfehler sind vom Umtausch ausgeschlossen.
Arbeiten an Verteilern gehören in fachkundige Hände!
Sei Dir immer bewusst, dass von Deiner Arbeit das Leben und die Gesundheit anderer abhängen!

[ Diese Nachricht wurde geändert von: der mit den kurzen Armen am 14 Aug 2016 21:51 ]

BID = 998302

I-need

Stammposter



Beiträge: 415

Ok mal sehen. für heute bin ich fertig, aber es gibt ja auch noch nächste tage...

_________________

BID = 998304

Tachyon

Schriftsteller



Beiträge: 676
Wohnort: CERN /Bayerische Schweiz bei STA
Zur Homepage von Tachyon

Klasse

Dann gibt es ja bald eine Fortsetzung, oder?

Tachy

_________________
Übrigens: Für die Leute, die Ruhe und Stille lieben, wurde die telefonlose Schnur erfunden.

BID = 998307

I-need

Stammposter



Beiträge: 415

hmm lässt mich doch nicht so einfach los...


Zitat :
Koppelkondensatoren zu Klein da gehören schon Elkos hin

hast du einen Vorschlag?


Zitat :
Lastwiderstände viel zu groß

zu gross....also der Widerstand zu klein. Die 8Ohm des lautsprechers sind ja gegeben, wie also kann ich das anpassen?


Zitat :
sollte der Punkt an dem die NF abgegriffen wird ohne Aussteuerung etwa auf Ub/2 liegen. Bei Transistoren empfiehlt es sich schon den Lastwiderstand in den Kollektor zu legen

Bei welcher Schaltung meinst du? ich habe ja zwei.


Zitat :
Klasse

Dann gibt es ja bald eine Fortsetzung

schon passiert

_________________

BID = 998309

perl

Ehrenmitglied



Beiträge: 11110,1
Wohnort: Rheinbach


Zitat :
8Ohm des lautsprechers sind ja gegeben,
Am Anfang hattest du doch einen schön großen 4 Ohm Lautsprecher.
Wo ist der geblieben?

Und: Welche Transistoren hast du tatsächlich zum Basteln, was für eine Signalquelle, wo kommt der Versorgungsstrom für die Schaltung her?

P.S.:
Zitat :
Nur mit meinen Angaben von Ub=12V
Sei vorsichtig mit so relativ hohen Spannungen!
Du brauchst nicht so viel, die Hälfte reicht, aber mit der daraus resultierenden hohen Verlustleistung grillst du dir schnell die Transistoren.


[ Diese Nachricht wurde geändert von: perl am 15 Aug 2016  0:18 ]

BID = 998368

I-need

Stammposter



Beiträge: 415

Also, die 8 Ohm kommen daher: ich möchte ja eine Ordentliche Lautsstärke und Musik haben. Deswegen dachte ich erst an 4 Ohm Lautsprecher. Da ich jetzt aber immer noch Probleme mit einer zu grossen Last, sprich zu kleinem Widerstand habe, versuchte ich es mal mit 8 Ohm.

Zum basteln verwendete ich jetzt die beiden Allrounder Transistoren BC547c und BC558c. Signalquelle ist ein Funktionsgenerator, und da der selbstgebaut ist, leider nur bis zu einer maximalen Frequenz von 220Hz. Deswegen kam auch schon mein Ipod zum Einsatz.

die 12V daher, dass die 9V Blockbatterien doch immer Leer sind, wenn man sie braucht. und Billig sind sie auch nicht gerade. Da findet sich leichter ein 12V Netzteil...
Jetzt zum Ausprobieren verwendete ich mein Labornetzgerät.





_________________

BID = 998380

perl

Ehrenmitglied



Beiträge: 11110,1
Wohnort: Rheinbach


Zitat :
ich möchte ja eine Ordentliche Lautsstärke und Musik haben. Deswegen dachte ich erst an 4 Ohm Lautsprecher. Da ich jetzt aber immer noch Probleme mit einer zu grossen Last, sprich zu kleinem Widerstand habe, versuchte ich es mal mit 8 Ohm.
All zuviel darfst du bei einer Ausgangsleistung von vielleicht 0,5W natürlich nicht erwarten, aber wenn du einen vollen Klang haben möchtest, brauchst du in erster Linie einen grossen Lautsprecher.
Die elektrische Anpassung ist ein ganz anderes Kapitel.
Die alten Röhrenradios und frühen Transistorradios hatten regelmäßig 4 Ohm Lautsprecher drin und einen passenden Übertrager.
Erst mit dem Aufkommen der kleinen Transistorradios, die auf möglichst billige Weise mit einer 9V-Batterie möglichst viel Lärm machen sollten, begann der Vormarsch der 8 Ohm Lautsprecher.
Rechnerisch kommt man da ohne Übertrager auf 0,5W Ausgangsleistung, und mit Lügen und Gerichtskosten liefert ein 9V-Block so gerade eben die benötigte Speiseleistung.

Also ein möglichst grosser Lautsprecher wird gewünscht.
Was hast du da?

Möglichst keine Box, denn die haben oft erschreckend geringe Wirkungsgrade.



Zitat :
Zum basteln verwendete ich jetzt die beiden Allrounder Transistoren BC547c und BC558c
Das sind keine "Allround" Transistoren, sondern Vorstufentransistoren, also für winzige Leistungen.
Optimal arbeiten sie bei einem Kollektorstrom von 2mA, und bei mehr als 100mA gehen sie kaputt.
Ihre Daten verschlechtern sich aber schon weit früher. Für mehr als 50mA würde ich diese Transistoren nicht einsetzen.

Für kleine Endstufen oder Treiberstufen, oder zum Schalten kleiner Lämpchen oder Motore sind -im gleichen Gehäuse- BC337 und BC327 weitaus geeigneter.

Wenn du aber noch robustere Transistoren suchst, dann schau dir Typen im TO-220 oder gar im TO-3 Gehäuse an.
Man darf die auch mit kleineren Leistungen betreiben ...


Zitat :
Signalquelle ist ein Funktionsgenerator, und da der selbstgebaut ist, leider nur bis zu einer maximalen Frequenz von 220Hz.

Oh je!

Ich habe das Video schon nach 33 Sekunden gestoppt.
An den Ausgängen von 7812 und 7912 sollten Keramikkondensatoren 330nF (100nF reichen meist auch) nach GND liegen.
Du kannst auch kleine Elkos verwenden. Hauptsache, die Kondensatoren sind mit kurzen Anschlüssen nahe am IC.
Die beiden 1N4001 sind kontraproduktiv. Schmeiss sie ersatzlos raus.

Die beiden 100nF Kondensatoren an OP1 und OP2 helfen so nicht viel.
besser du nimmst vier: An jedem IC einen von + nach GND und einen von - nach GND.


weiterlaufen...

0:46:
Den TL072 alS Treiber für eine 50 Ohm Last zu verwenden ist ein Witz. Leider kein guter.
Das IC schafft selbst an 300 Ohm nur mit Mühe 5Veff.
Also achte schön darauf, ihn nicht zu überlasten, sonst hast du am Ausgang nur eine Trapez förmige Spannung.

Stop bei 1:39:
Ich wundere mich immer wieder wieviel Mühe sich Leute bei der mechanischen Konstruktion geben, obwohl im Innern nur Schrott ist.
Hast du gesehen, wie die Amplitude des Rechtecks bei höheren Frequenzen zurück geht?

Gesamtnote:
Eine schöne Tischlerarbeit, nur leider kein Funktionsgenerator.

3:47 Wo muss ich klicken, um meinem Missfallen an derartigen Videos Ausdruck zu geben?


Tipp:
Wenn du wirklich einen Funktionsgenerator bauen willst, der im NF-Bereich gleichzeitig Sinus, Dreieck und Rechteck liefern kann, dann besorg dir einen ICL8038 (auch MAX8038) oder einen XR2206.
Ausgangsstufe dann je nach Bedarf: Entweder nur ein Poti um Millivolts einzustellen, oder Endstufen-ICs, die auch ein paar Watt schaffen.
Beispielschaltungen gibt es im Netz reichlich.

Vom Einbau eines Netzteils rate ich dir einstweilen ab.
Das ist nicht ungefährlich, und oft gibt es auch Probleme mit dem Brummen, weil man sich das Magnetfeld des Trafos und die 230V ins Gehäuse geholt hat.
Man kann auch aus der Gleichspannung eines Steckernetzteils oder Laptop-Ladegeräts recht einfach eine symmetrische Versorgung machen.

BID = 998400

I-need

Stammposter



Beiträge: 415

Zu deb Transistoren...naja ich habe scho auch bessere, aber ich wollte ja hier nurausprobieren und anschliessend eh mit dem Germanium bauen.

Zum Frequenzgrnerator. Er ist besser als nichts. Und die Schaltung habe ich weder entworfen noch augebaut. Ich habe sie "lediglich" in ein Gehäuse verpackt.
Und ich hatte dann sowieso vor irgendwann das innenleben neu machen...in so ein paar Jahren.


Zitat :

3:47 Wo muss ich klicken, um meinem Missfallen an derartigen Videos Ausdruck zu geben

Am besten nirgens

Meine Videos sind ja nur was ich gebaut habe unf keine Anleitung "how to make"
Dazu hatte ich damal noch nicht so viel Fachwissen. Habe ich übrigens immer noch nicht soviel, wie ihr ja seht

_________________

BID = 998439

I-need

Stammposter



Beiträge: 415

Wegen den Lautsprechern noch, habe eine ganze Schublade davon. die Meisten kommen aus irgendwelchen ausgeschlachteten Geräte. Also so alles von der Stereoanlage bis zum Billig Quäker.

_________________

BID = 998448

Kleinspannung

Urgestein



Beiträge: 13386
Wohnort: Tal der Ahnungslosen


Zitat :
I-need hat am 16 Aug 2016 12:27 geschrieben :

Zum Frequenzgrnerator. Er ist besser als nichts.

Hat dir schon mal jemand gesagt,das es dafür ganz brauchbare Software gibt?
Dann kann das jede Soundkarte.
Das ist besser als nichts,und 10x besser als dein gemurkse...

Edit:
Der hier (ganz unten) http://www.hobby-bastelecke.de/grun.....n.htm
kann zwar nur Sinus,aber das relativ gut.
Und wahrscheinlich immer noch besser als der Inhalt der Tischlerarbeit.
Den hab ich mir mal vor vielen vielen Monden fürs Grobe gebaut,drei verschiedene C umschaltbar,und noch ein Poti für die Amplitude.
Fertig.

_________________
Manche Männer bemühen sich lebenslang, das Wesen einer Frau zu verstehen. Andere befassen sich mit weniger schwierigen Dingen z.B. der Relativitätstheorie.
(Albert Einstein)

[ Diese Nachricht wurde geändert von: Kleinspannung am 16 Aug 2016 21:35 ]

BID = 998454

I-need

Stammposter



Beiträge: 415

Ach komm, lass doch meinen kleinen Generator in Ruhe, der kann ja auch nichts dafür dass er es nicht besser kann.
Dein Link werde ich bestimmt anschauen, denn Sinus fehlt ja noch.


Was mich jetzt mehr interessiert ist diese verd***te Schaltung, die einfach nicht will. Darf doch nicht so schwer sein!

Habe jetzt ein Transformator geholt. Das Verhältnis kann ich leider nicht genau sagen, sonnst müsste ich den wieder an 230V anschließen. Wollte ich das Verhältnis über die Induktivitätswerte ausrechnen, aber mein Messgerät schafft nur die Sekundärseite. Primär ist der Wert zu hoch.

Was isch aber messen kann ist: Primär seitig hat der einen Ohmschen Widerstand von 160 Ohm. ist immerhin 40x grösser als mein Lautsprecher. Und sekundär irgendwie so um <1 Ohm.

Im Prinzip finde ich diese ganze Rechnerei langsam lästig. Mir fehlen irgendwie die Erfahrungswerte oder Beispielschaltungen. Deswegen fragte ich mal ob nicht jemand schon etwas bestehendes irgendwo aus dem Archiv ausgraben könnte.^^


_________________

BID = 998463

Otiffany

Urgestein



Beiträge: 13779
Wohnort: 37081 Göttingen

Vielleicht bringt dich das einen Schritt weiter.

http://elektronikbasteln.pl7.de/ber......html


Gruß
Peter


Vorherige Seite       Nächste Seite
Gehe zu Seite ( Vorherige Seite 1 | 2 | 3 | 4 | 5 | 6 Nächste Seite )
Zurück zur Seite 0 im Unterforum          Vorheriges Thema Nächstes Thema 


Zum Ersatzteileshop


Bezeichnungen von Produkten, Abbildungen und Logos , die in diesem Forum oder im Shop verwendet werden, sind Eigentum des entsprechenden Herstellers oder Besitzers. Diese dienen lediglich zur Identifikation!
Impressum       Datenschutz       Copyright © Baldur Brock Fernsehtechnik und Versand Ersatzteile in Heilbronn Deutschland       

gerechnet auf die letzten 30 Tage haben wir 17 Beiträge im Durchschnitt pro Tag       heute wurden bisher 1 Beiträge verfasst
© x sparkkelsputz        Besucher : 187984507   Heute : 3718    Gestern : 11123    Online : 213        28.12.2025    7:07
12 Besucher in den letzten 60 Sekunden        alle 5.00 Sekunden ein neuer Besucher ---- logout ----viewtopic ---- logout ----
xcvb ycvb
0.12322306633