| Autor |
Habe ein alter Germanium Transistor gefunden. (TFK AC 117) .... wertvoll? Suche nach: transistor (12335) |
|
|
|
|
BID = 997734
I-need Stammposter
   
Beiträge: 415
|
|
Ups, kann ich diesen Beitrag auch wieder löschen?
[ Diese Nachricht wurde geändert von: I-need am 8 Aug 2016 18:56 ] |
|
BID = 997829
I-need Stammposter
   
Beiträge: 415
|
|
Ich glaube einen Klass-A verstärker könnte ich noch berechen.
Allerdings habe ich keine Erfahrung mit Germanium-Transistoren.
Soll ich mit 0.3 V Ube rechnen und Uce?
Dann gibt es ja noch die Frage wie groß Re sein soll für die Strom Gegenkopplung.
Und die Frage ob ich das Signal mit einem Kondensator auskoppeln soll oder mit eine Übertrager. Als Übertrager hätte ich so diverse Trafos und andere kleine Übertrager herumliegen.
Ah ja dann gibt es ja noch den Kondensator Parallel zu Re, der soll ja die Leistung vergrößern. Auch bei dem Habe ich keine Ahnung wie ich auf den richtigen Wert komme.
Oder noch einfacher, hat jemand ein schon bestehender Schaltplan? das würde glaube ich einen langen Thread verhindern^^
_________________
|
|
BID = 997848
I-need Stammposter
   
Beiträge: 415
|
Nun habe jetzt kurz was ausprobiert, was aber nicht funktioniert hat. Ich glaube aber jetzt auch zu wissen wieso.
Ich habe eine klassischen NPN (BC547c) Schaltung berechnet mit einem 1 zu 1 Übertrager, mit jeweils 3 Ohm.
Den Re habe ich 100 Ohm gewählt, dann fliessen ungefähr 85mA.
Dann habe ich den Spannungsteiler berechnet.Die Schaltung aber funktionierte nicht. Ich denke, dadurch dass der Übertrager so niederohmig ist, habe ich keine Emitter-Verstärkerstufe mehr, sondern eine Kollektor, die ja eine Spannungsverstärkung =1 hat.
Habe jetzt eine Interessante Seite entdeckt, die da einen Transformator hat, mit Formeln zum berechnen usw. werde mir das morgen dann mal anschauen, und vielleicht funktioniert es dann besser
http://www.circuitstoday.com/transf.....ifier
_________________
|
BID = 997853
perl Ehrenmitglied
       
Beiträge: 11110,1 Wohnort: Rheinbach
|
Zitat :
| | Oder noch einfacher, hat jemand ein schon bestehender Schaltplan? |
Wofür eigentlich?
|
BID = 997855
Onra Schreibmaschine
    
Beiträge: 2515
|
|
BID = 997871
perl Ehrenmitglied
       
Beiträge: 11110,1 Wohnort: Rheinbach
|
@Onra:
Ich habe diesen Verstärker aus dem Valvo-Taschenbuch vor zwei Ewigkeiten in der Studentenbude mal nachgebaut und er funktioniert wirklich tadellos.
Allerdings: Der TE hat ja nur einen einzigen Transistor, und von dem ist nicht einmal der Gesundheitszustand bekannt.
|
BID = 997895
I-need Stammposter
   
Beiträge: 415
|
Ja ich versuche es einfach mal, ob der noch was taugt. Aber da ich noch nie einen Verstärker aufgebaut hat, der auch eine Leistung für einen Lautsprecher hat, habe ich noch etwas Schwierigkeiten.
ein einigermaßen schlaues Datenblatt habe ich jetzt auch noch gefunden.
Die Bezeichnungen verstehe allerdings nicht alle und weis jetzt genauso wenig wessen werte. http://datasheet.datasheetarchive.c.....9.pdf
ich glaube jedoch: Uce 18V, Ic 1A
aber den Verstärkungsfaktor begreife ich nicht so ganz.
_________________
|
BID = 997909
perl Ehrenmitglied
       
Beiträge: 11110,1 Wohnort: Rheinbach
|
Zitat :
| | ich glaube jedoch: Uce 18V, Ic 1A |
Kann hinkommen, aber das sind Grenzwerte, die nicht überschritten werden dürfen, und sie dürfen auch nicht gleichzeitig vorkommen, denn das wären 18W.
Vor allem ist die höchstzulässige Verlustleistung wichtig, und die dürfte beim AC117K bei etwa 700mW liegen. *)
Aber auch nur, wenn du die (gebräuchliche) K-Version mit dem Metallklotz hast, und wenn dieser auf ein Kühlblech zur besseren Wärmeabfuhr geschraubt ist.
Ein einfacher AC117 in dem runden Blechgehäuse dürfte nur etwa 250mW aushalten.
Aus diesen Eckdaten ergibt sich für den AC117K ein typischer Betriebsstrom von z.B. 75mA bei 9V. Aber nur mit Kühlung!
In einer einer Eintakt-A-Endstufe treten dann Spannungsspitzen von etwa 18V und Stromspitzen von ca. 150mA auf, und auf diese 150mA bezieht sich die in deiner Übersicht angegebene Stromverstärkung von mindestens 40.
Die treibende Schaltung müsste man also so dimensionieren, dass sie in den Spitzen mindestens knapp 4mA (150/40) liefern kann.
*) P.S.:
In deiner Übersicht steht P tot = 1W aber mit dem Zusatz "H".
Das H wird sich auf bestimmte Meßbedingungen beziehen, z.B. auf eine unrealistische Gehäusetemperatur von 25°C.
Also lassen wir's besser bei 700mW
[ Diese Nachricht wurde geändert von: perl am 10 Aug 2016 17:32 ]
|
BID = 997919
I-need Stammposter
   
Beiträge: 415
|
Ich habe ein Bild meines Transistors angefügt, es müsste als der gröbere sein.
Aber irgendwie ist heute nicht mein Tag. Ich kann rechnen was ich will, ich bringe einfach keinen Verstärker hin.  Und das bei einem NPN.
Mein Germanium ist aber ja ein PNP und ich glaube das bringe ich noch weniger zu Stande.
Wenn also bitte jemand da mir mal unter die Arme greifen könnte und etwas kurz berechnen, wäre ich mega dankbar. Ich verstehe einfach nicht wieso bei mir auch ein noch so einfaches "Projekt" immer in einem so komplizierten Desaster endet.
_________________
|
BID = 997921
Tachyon Schriftsteller
    
Beiträge: 676 Wohnort: CERN /Bayerische Schweiz bei STA
|
Bevor Du da jetzt wie wild rumbastelst:
Bist Du Dir sicher, dass der Transistor noch funktioniert?
Hast Du ihn gemessen?
 Tachy
_________________
Übrigens: Für die Leute, die Ruhe und Stille lieben, wurde die telefonlose Schnur erfunden.
PS:
Zitat :
| | ..es müsste als der gröbere sein. |
Naja. ganz so grob ist er bestimmt nicht. Ist halt der AC117K. "K" wie Kühl körper klotz. Wenn Du ganz kräftig an den Beinen des Transistors ziehst, dann hast Du plötzlich einen normalen AC117 und einen separaten Kühlklotz.
[ Diese Nachricht wurde geändert von: Tachyon am 10 Aug 2016 20:18 ]
|
BID = 997936
I-need Stammposter
   
Beiträge: 415
|
Zitat :
| | Wenn Du ganz kräftig an den Beinen des Transistors ziehst, dann hast Du plötzlich einen normalen AC117 und einen separaten Kühlklotz. |
Das finde ich jetzt aber mal funky
Ausgemessen habe ich da noch nix. Eine Kennlinie von einem Transistor habe ich glaube noch nie aufgenommen, Diode, Zdiode, LED aber schon.
Wie stelle ich das am besten an.
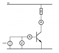
Der Emitter über einen Widerstand an zum Beispiel 9V und der Kollektor an Masse.
Und dann fahre ich mit der Spannung an der Basis mit meinem Netztgerät hoch und messe den Basis und den Kollektorstrom? Und ja Spannung an Basis noch, da habe ich aber ein Voltmeter schon im Display bei meinem Netztgerät. Siehe Bild
Ist das soweit in Ordnung? ich will mein kleiner Freund um keinen fall Bräteln.
_________________
|
BID = 997938
Tachyon Schriftsteller
    
Beiträge: 676 Wohnort: CERN /Bayerische Schweiz bei STA
|
Guck mal: Verstärkergrundschaltungen mit nur einem Transistor und Koppelkondensatoren.
Nimm einfach einen BC 546? (dafür gibt es genügend Datenblätter mit Kennlinien) Transistor (NPN) und berechne und baue die Schaltung z.B. auf einem Steckbrett auf.
Wenn alles zu Deiner Zufriedenheit funktioniert, dann kannst Du die Schaltung mit dem GE PNP Transistor vertikal gespiegelt (Emitter ist Plus und Kollektor ist minus) mit ca. -0,3V Basisvorspannung nochmal aufbauen und berechnen.
Tachy
Zitat :
| | Der Emitter über einen Widerstand an zum Beispiel 9V und der Kollektor an Masse |
Bei einem NPN Transistor, wie Du richtig gezeichnet hast, gehört der Emitter (der mit dem Pfeil im Schaltzeichen an "Masse"/ Minus und nicht an z.B.: + 9V.
_________________
Übrigens: Für die Leute, die Ruhe und Stille lieben, wurde die telefonlose Schnur erfunden.
[ Diese Nachricht wurde geändert von: Tachyon am 10 Aug 2016 22:34 ]
|
BID = 997941
I-need Stammposter
   
Beiträge: 415
|
Ja ich hatte Kollektor und Emitter vertauscht. langsam raucht heute eben mein Kopf
_________________
|
BID = 997942
I-need Stammposter
   
Beiträge: 415
|
Zitat :
| Guck mal: Verstärkergrundschaltungen mit nur einem Transistor und Koppelkondensatoren.
Nimm einfach einen BC 546? (dafür gibt es genügend Datenblätter mit Kennlinien) Transistor (NPN) und berechne und baue die Schaltung z.B. auf einem Steckbrett auf.
|
Das ist genau was ich heute und gestern die ganze zeit gemacht habe. Langsam kenne ich sogar die Formeln auswendig.
Ich habe aber das schon einmal aufgebaut gehabt, im Betrieb, und da hat dies auch funktioniert. Nur jetzt irgendwie nicht. Und was ich eben dann auch noch nicht weis, wie ich die Last (Lautsprecher) am besten ankopple. Entweder ja über einen Kondensator, oder ich habe eben auch gesehen mit einem Übertrager den die Last dann Induktiv koppelt.
_________________
|
BID = 997943
Tachyon Schriftsteller
    
Beiträge: 676 Wohnort: CERN /Bayerische Schweiz bei STA
|
Achja! Zum Testen des Transistors brauchst Du erstmal noch keine Kennlinien aufnehmen. Es reicht dass Du die beiden Dioden B-E, B-C messen kannst und dass zwischen E und C nichts zu messen ist.
_________________
Übrigens: Für die Leute, die Ruhe und Stille lieben, wurde die telefonlose Schnur erfunden.
|