| Autor |
Niedervolt AV Spannungsüberwachung / Zeitschalter gesucht.... Suche nach: zeitschalter (288) |
|
|
|
|
BID = 978264
der mit den kurzen Armen Urgestein
     
Beiträge: 17437
|
|
Das passiert höchstens wenn erstens der Endschalter versagt oder 2 tens die Spule ständig von einem Strom durchflossen wird! Dann muss tatsächlich ein stärkerer Strom durch die andere Spule fließen um den aufmagnetisierten Anker erst umzumagnetisieren. Normal wird der Anker durch den Strom nur in die Spule rein gezogen und das wars. Beim Umschalten zieht die andere Spule den Anker rein. Fließt der Strom zu Lange magnetisiert sich der Anker auf Und dann hast du einen Magnet in der Spule dessen eigenes Feld dem Anderem Feld entgegenwirkt. Deshalb benutzt man die Endschalter auch nicht um die Weichenstellung anzuzeigen. Besonders nicht mit Glühbirnen , denn der Strom durch die Spule führt genau zu dem geschildertem Aufmangnetisieren, und im Endeffekt zu dem Versagen der Weiche !
_________________
Tippfehler sind vom Umtausch ausgeschlossen.
Arbeiten an Verteilern gehören in fachkundige Hände!
Sei Dir immer bewusst, dass von Deiner Arbeit das Leben und die Gesundheit anderer abhängen! |
|
BID = 978266
Corradodriver Schreibmaschine
    
Beiträge: 1142
|
|
Zitat :
| | Besonders nicht mit Glühbirnen , denn der Strom durch die Spule führt genau zu dem geschildertem Aufmangnetisieren, und im Endeffekt zu dem Versagen der Weiche ! |
Das erkläre mir mal bitte genauer, was jetzt speziell an der GLÜHBIRNEN-Rückmeldung schädlicher sein soll, wo diese doch grad mit Wechselstrom funktioniert, anstatt bei LEDs mit Gleichstrom...
_________________
MFG Andy |
|
BID = 978270
der mit den kurzen Armen Urgestein
     
Beiträge: 17437
|
Auch bei Wechselstrom kommt es zu ständiger Ummagnetisierung des Ankers! Diese Ist nur von dem fliesendem Strom abhängig. Aber je nach Zeitpunkt wo Umgeschaltet oder Abgeschaltet wird kannst du auch den Punkt erwischen wo das Magnetfeld im Anker am stärksten war ! Bei LED und damit verbundenem Gleichstrom wird der Anker nicht ummagnetisiert und du kannst damit rechnen , das das Feld einen konstanten Wert annimmt, das ändert aber nichts da dran das eben der Anker ein gewisses eigenes Feld hat! Erst wenn die andere Spule Spannung bekommt wird der Anker ummagnetisiert!
Was denkst du warum ich zb Kein Freund von derartigen Lösungen bin und auf den möglichen Umbau mit Lichtschranken Hinweise. Selbst heutige Mikroschalter sind eine bessere Lösung als diese windigen ermüdete Endschalter !
_________________
Tippfehler sind vom Umtausch ausgeschlossen.
Arbeiten an Verteilern gehören in fachkundige Hände!
Sei Dir immer bewusst, dass von Deiner Arbeit das Leben und die Gesundheit anderer abhängen!
|
BID = 978275
Corradodriver Schreibmaschine
    
Beiträge: 1142
|
Ja, stimmt, jetzt wo du es so sagst, hab ich das auch schon mal aus anderer Ecke gehört. Nichts destotrotz werde ich mich jetzt NICHT hinstellen, und 22 fest verbaute Weichen wieder ausbauen, um danach in einer "Bastellösung" (Bezugnehmend auf meine Fähigkeiten) Lichtschranken zur Endlageerkennung einzubauen. Das wäre in meinen Augen "mit Kanonen auf Spatzen schießen". Letztendlich käme das einem NEUAUFBAU der Anlage gleich. Man muss einfach auch mal mit dem Material, was man hat, zufrieden sein, und das Beste draus machen. Irgendwo nimmt dann diese Art der Materialüberwachung schon allmählich BNDsche Ausmaße an.
Und anderseits.... Die Variante mit der Stromaufnahmeüberwachung ist für mich schon Kompromiss und aufwendig genug. Wie gesagt, früher haben sie einfach nur nen BiMetall-Schalter in die Stromversorgungsleitung eingeschleift, und fertig war. Hat auch funktioniert. Warum also das Rad ein 10tes Mal neu erfinden?
MFG Andy
_________________
MFG Andy
|
BID = 978282
der mit den kurzen Armen Urgestein
     
Beiträge: 17437
|
Klar wäre es auch möglich den Strom mit Bimetallschaltern zu überwachen, nur bleibt da eben wieder die Problematik Spannungsfall! Wie gesagt es gibt viele Wege nach Rom!
In meinen Augen ist die Überwachung des Stromes mittels Wandler die beste Lösung! Und den Restrom durch die Weiche kannst du über Transistoren auch verringern! So erhältst du nicht nur die Anzeige, sondern gewinnst auch noch ein mögliches Steuersignal !
_________________
Tippfehler sind vom Umtausch ausgeschlossen.
Arbeiten an Verteilern gehören in fachkundige Hände!
Sei Dir immer bewusst, dass von Deiner Arbeit das Leben und die Gesundheit anderer abhängen!
|
BID = 978300
Grimm Stammposter
   
Beiträge: 499 Wohnort: Bayern
|
Zitat :
| | Die letzte Schaltung von Grimm sorgt nur dafür das die Spannung stabiler wird, aber nicht dafür das die Weiche geschützt wird! |
Hallo der mit den kurzen Armen,
bei deiner Aussage, da staunt der Leihe und der Fachmann wundert sich.
Das die letzte Schaltung von Grimm „nur“ dafür sorgt das die Spannung stabiler wird ist auch klar, aber nicht der Sinn der Schaltung.
Sinn der Schaltung ist das der Tot der Weichen-Magnetspulen verhindert wird, geschützt wird.
########################
Auch der Umbau der Weichen mit vernünftigen Endschaltern ist zwar die sauberste Lösung aber zu aufwändig, da muss was an den Start das die vorhandene Infrastruktur schützt und überwacht.
Gruß
|
BID = 978303
der mit den kurzen Armen Urgestein
     
Beiträge: 17437
|
Das einzige was die Weiche schützen könnte, wäre der überflüssige Vorwiderstand vor dem Elko ! Die Weiche braucht einen kräftigen Stromstoß am Anfang, um überhaupt halbwegs sicher zu schalten. Diesen Stromstoß würde aber nur der Elko liefern! Trotzdem verbleibt über der Weiche ein nicht unerheblicher Strom , der von dem Vorwiderstand geliefert wird! Nutzt du den Elko aber als kapazitiven Vorwiderstand geht der Strom durch die Weiche auf Null bei DC zurück. Der R // zum Elko soll nur für das Entladen des Elkos sorgen! Der Restrom durch den R von rund 2mA bei 20 V und 10k stellt für die Weiche keine Belastung mehr dar!
_________________
Tippfehler sind vom Umtausch ausgeschlossen.
Arbeiten an Verteilern gehören in fachkundige Hände!
Sei Dir immer bewusst, dass von Deiner Arbeit das Leben und die Gesundheit anderer abhängen!
[ Diese Nachricht wurde geändert von: der mit den kurzen Armen am 5 Jan 2016 10:32 ]
|
BID = 978310
Grimm Stammposter
   
Beiträge: 499 Wohnort: Bayern
|
Zitat :
| | Das einzige was die Weiche schützen könnte, wäre der überflüssige Vorwiderstand vor dem Elko ! Die Weiche braucht einen kräftigen Stromstoß am Anfang, um überhaupt halbwegs sicher zu schalten. Diesen Stromstoß würde aber nur der Elko liefern! Trotzdem verbleibt über der Weiche ein nicht unerheblicher Strom |
Hallo der mit den kurzen Armen,
genau richtig erkannt.
Der Elko liefert den Stromstoß, Strom zum Umschalten, muss natürlich ein „dicker“ Elko sein.
Wird die Spule nicht abgeschaltet, so sind bei z.B. 18V DC und „dicker“ 180 Ohm Widerstand, ein Strom von unter 0,1A an der Spule vorhanden (unter 1,7W).
Wird die Spule über den Endschalter ausgeschalten lädt sich der Elko wieder übern den 180 Ohm Widerstand für den nächsten Umschaltvorgang.
Die LEDs leuchten weiterhin, da die Spannungsversorgung durch den 180 Ohm Widerstand sichergestellt ist.
Gruß
PC
Ist die AC Spannung 15V würde ich für DC so bei 12V beginnen usw.
[ Diese Nachricht wurde geändert von: Grimm am 5 Jan 2016 11:56 ]
|
BID = 978313
Grimm Stammposter
   
Beiträge: 499 Wohnort: Bayern
|
|
BID = 978317
der mit den kurzen Armen Urgestein
     
Beiträge: 17437
|
Das wird nicht funktionieren. Erstens ist die Haltespannung des Relais geringer als die Anzugsspannung. Zweitens bekommst du bei jedem Weichenstellen einen Alarm, denn das Relais müsste da abfallen. Wie gesagt wenn du Spannungen überwachen willst brauchst du Elektronik mit definierbaren Schaltpegeln! Drittens bei halbautomatischem Betrieb schalten mehre Weichen gleichzeitig und den Schaltstrom wird dein Elko nie liefern können! Deshalb die Lösung mit dem Elko in der gemeinsamen Rückleitung bei jeder Weiche. Ob die Weiche dann geschaltet hat oder nicht kann wegen dem R // zum Elko auch elektronisch ausgewertet werden und notfalls ein neuer Schaltimpuls ausgelöst werden.
Der Teufel bei solchen Sachen steckt im Detail! Bei AC funktioniert das aber weder mit // noch mit Reihenschaltung von Elkos !
Ergo wird der Strom per Wandler oder eben über Vorwiderstand ausgewertet. Das zur Auswertung dann Elektronik eingesetzt werden muss ist kein Nachteil!
_________________
Tippfehler sind vom Umtausch ausgeschlossen.
Arbeiten an Verteilern gehören in fachkundige Hände!
Sei Dir immer bewusst, dass von Deiner Arbeit das Leben und die Gesundheit anderer abhängen!
|
BID = 978327
Grimm Stammposter
   
Beiträge: 499 Wohnort: Bayern
|
Hallo der mit den kurzen Armen
Zitat :
| | „Das wird nicht funktionieren. Erstens ist die Haltespannung des Relais geringer als die Anzugsspannung.“ |
Das ist ja gerade das geschmeidige daran, dass der Eko wieder aufgeladen werden muss bis das Relais sagt alles OK (wieder anzieht).
Zitat :
| | „Zweitens bekommst du bei jedem Weichenstellen einen Alarm, denn das Relais müsste da abfallen.“ |
Nein
Der Alarm kommt doch nur dann, wenn der Umschaltvorgag zu lange dauert und der Elko unter die Haltespannung vom Relais sinkt.
z.B.bei einem 12V Relais ist die Anzugsspannung 7,6V und die Mindesthaltespannung 4,3V.
Zitat :
| | „Wie gesagt wenn du Spannungen überwachen willst brauchst du Elektronik mit definierbaren Schaltpegeln!“ |
Ja, wenn ich die Spannung Überwachen möchte…...
Ich möchte doch gar nicht die Spannung überwachen, nur die Weichenspulen vor Überlastung schützen.
Als einfach Lösung kann man den Spannungsabfall mit einem Relais und ein Poti erschlagen und die Überlastung anzeigen oder auswerten.
Die Relais Geschichte wird doch gar nicht gebraucht um die Weichenspulen vor dem Tot zu bewahren.
Zitat :
|
„Drittens bei halbautomatischem Betrieb schalten mehre Weichen gleichzeitig und den Schaltstrom wird dein Elko nie liefern können!“ |
Das ist richtig, gleichzeitig kann man da die Weichen nicht „drücken“ = Überlastung wird angezeigt.
Da muss ein Pause zwischen den einzelnen Beschädigungen sein, Schätzung so um die 3 bis 5s.
Ein gleichzeitiges betätigen der Weichen z.B. 2 oder 3 Stück ist auch beim AC-Betrieb nicht möglich da der Trafo vermutlich an seine Leistungsgänze kommt und die Weichen da auch nicht sauber umschalten, wenn die ohnehin schwergängig sind.
Um ein nacheinander Umschalten der Weichen wird man beim halbautomatischem Betrieb nicht herumkommen, nur die Schaltpausen sind kürzer.
Gruß
|
BID = 978339
der mit den kurzen Armen Urgestein
     
Beiträge: 17437
|
Statt die Spannung auszuwerten ist es immer besser den Strom auszuwerten. Und hat eine Weiche dann nicht richtig geschaltet kann da sofort nachgetriggert bzw nach längerer Zeit die Versorgung abgeschaltet werden ! Bei Deiner Lösung bekommst du die Weiche zwar geschützt kannst aber nicht nachtriggern weil der Strom dann für die Aufladung des Elkos nicht reicht! Die Spannung bleibt Unten! Nebenbei bei 22 Weichen und 22 Relais wird das ein Relaisgrab! Da Andy eh mit AC arbeiten will bleibt nur Wandler und Schalten mit Triac. Das für die Steuerelektronik dann eine Hilfsspannung gebraucht wird spielt da gar keine Rolle ! Der zusätzliche Printtraffo kostet nicht die Welt !
_________________
Tippfehler sind vom Umtausch ausgeschlossen.
Arbeiten an Verteilern gehören in fachkundige Hände!
Sei Dir immer bewusst, dass von Deiner Arbeit das Leben und die Gesundheit anderer abhängen!
[ Diese Nachricht wurde geändert von: der mit den kurzen Armen am 5 Jan 2016 18:31 ]
|
BID = 978345
Corradodriver Schreibmaschine
    
Beiträge: 1142
|
Zitat :
| | Da Andy eh mit AC arbeiten will bleibt nur Wandler und Schalten mit Triac. |
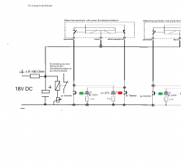
So, wie hier von Grimm geplant, richtig?
Bild eingefügt
Zitat :
| | Das für die Steuerelektronik dann eine Hilfsspannung gebraucht wird spielt da gar keine Rolle ! Der zusätzliche Printtraffo kostet nicht die Welt ! |
Nur für mich zum nachvollziehen... Warum nen extra Printtrafo, und nicht, wie hier angegeben von der zu überwachenden AC-Spannung abgreifen?
_________________
MFG Andy
|
BID = 978347
der mit den kurzen Armen Urgestein
     
Beiträge: 17437
|
Beim Wandler ist das möglich, nur Würde ich aus der Versorgungsspannung auch die LED versorgen und nur den möglichst ungestörten Weichenstrom überwachen. Je größer die Hysterese zwischen normalem und gestörtem Betrieb ist um so leichter fällt die Auswertung!
_________________
Tippfehler sind vom Umtausch ausgeschlossen.
Arbeiten an Verteilern gehören in fachkundige Hände!
Sei Dir immer bewusst, dass von Deiner Arbeit das Leben und die Gesundheit anderer abhängen!
|
BID = 978349
Corradodriver Schreibmaschine
    
Beiträge: 1142
|
Du meinst jetzt die LEDs der Rückmeldung? Das wird so nicht funktionieren, zumindest wüsste ich jetzt nicht wie. Der Strom der LEDs läuft ja auch durch die Spulen...
Da bleibt in meinen Augen wirklich nur die Möglichkeit, den Strom durch Nutzung von LEDs auf ein Minimum zu reduzieren...
_________________
MFG Andy
|