| Autor |
|
|
|
BID = 967408
nabruxas Monitorspezialist
    
Beiträge: 9533 Wohnort: Alpenrepublik
|
|
Zum Laden eines Akkupacks ist in dem selben Gehäuse auch ein fertig gekauftes, netzbetriebenes Ladegerät eingebaut.
Dieses Akkupack muss aber auch stationär über Polklemmen mit einem anderen Ladegerät geladen werden können.
Beide Ladegeräte können wegen der baulichen Gegebenheiten nicht zeitgleich verwendet werden, dieses Problem fällt weg.
Das Problem:
Ich darf die Ausgänge der beiden Ladegeräte nicht miteinander verbinden, so brauche ich einen möglichst kleinen Umschalter.
Anbei eine Relaislösung die wegen der hohen Ladeströme >10A nicht in Frage kommt.
Ich dachte das Problem elegant mit FETs lösen zu können, doch habe ich mit meiner unten probierten Bastellösung (Lochrasterkarte) bei einer Eingangsspannung von 12V und Laststrom von 1A eine Ausgangsspannung von gerade einmal 7,8V.
Klar, dass die FETs zum kochen anfangen, also keine gute Lösung.
Warum schalten die FETs nicht komplett durch?
Gäbe es eine bessere Lösung die mechanisch klein ist?
_________________
0815 - Mit der Lizenz zum Löten! |
|
BID = 967411
perl Ehrenmitglied
       
Beiträge: 11110,1 Wohnort: Rheinbach
|
|
Das kann doch nicht funktionieren.
1) Die linken Transistoren Q1 oder Q4 werden falschrum betrieben, und sie werden niemals angesteuert, da U_GS=0.
Da leitet also nur die Substratdiode und statt ihrer könntest besser eine dicke Schottky-Diode verwenden.
2) Die Transistoren Q2 oder Q3 fangen bei etwa U_GS 3,5..4V an zu leiten, und ohne die Q1, Q4 wäre dies das gleiche wie ihre U_DS.
So aber ist die U_DS um etwa 0,8V reduziert.
Dennoch verursacht dieser Pfad etwa 4V Spannungsabfall für die benötigte Ansteuerung der rechten Transistoren, und das ist es ja auch, was du beobachtest.
|
|
BID = 967413
nabruxas Monitorspezialist
    
Beiträge: 9533 Wohnort: Alpenrepublik
|
Ah, Quatsch!
Ich habe im Plan gleich alle vier FETs falsch eingezeichnet.
Ich orientierte mich an folgender Schaltung von Ti.
_________________
0815 - Mit der Lizenz zum Löten!
|
BID = 967414
perl Ehrenmitglied
       
Beiträge: 11110,1 Wohnort: Rheinbach
|
Zitat :
| | Ich habe im Plan gleich alle vier FETs falsch eingezeichnet. |
Nicht nur das.
Du hast auch die falschen Transistoren eingezeichnet.
Wenn du in der positiven Leitung schalten willst, und keine Ladungspumpe zur Spannungsüberhöhung zur Verfügung hast, brauchst du p-Kanal Typen.
Deine n-Kanal Transistoren müsstest du in die negative Leitung legen, um sie mit der vorhandenen Betriebsspannung durchzuschalten.
P.S.:
Aber wundere dich nicht, wenn die nicht mehr abschalten, falls vom Akku her eine Rückspeisung erfolgt.
Vielleicht kann man (mit komplementären?) eine Art Flip-Flop aufbauen, das nur Strom aus einem Netzteil bezieht, aber ich bin momentan zu müde um darüber nachzudenken.
Wenn man den geringen Spannungsabfall an den MOSFETs nutzt, bzw. zulässt, kann man mit einen OpAmp auf jeden Fall feststellen woher der Strom kommt, und den betreffenden Transistor zu ansteuern, dass er sich wie eine fast ideale Diode mit gesteuerten 10mV (wegen 5mV Offset des OpAmp) Spannungsabfall verhält.
[ Diese Nachricht wurde geändert von: perl am 12 Aug 2015 4:48 ]
|
BID = 967421
nabruxas Monitorspezialist
    
Beiträge: 9533 Wohnort: Alpenrepublik
|
Danke für die vielen Hinweise!
Anbei ein Entwurf mit gegenseitiger Verriegelung und P-FET. Könnte doch klappen, oder?
Jetzt suche ich nur noch P-FET mit einem möglichst geringen RDSon und rund IDS=50A.
_________________
0815 - Mit der Lizenz zum Löten!
|
BID = 967432
perl Ehrenmitglied
       
Beiträge: 11110,1 Wohnort: Rheinbach
|
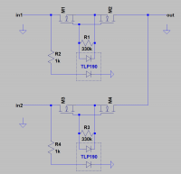
Vermutlich sind in deiner Schaltung auch die rechten Transistoren Q2 und Q4 überflüssig, denn du schriebest ja, das es nicht vorkommen kann, das beide Netzteile gleichzeitig liefern.
Das halbiert schon mal die Anforderungen an den R_on der Transistoren.
Ein möglicher p-FET wäre z.B. dieser:
http://www.infineon.com/dgdl/Infine.....10435
N-Kanal-Transistoren haben aber per se bessere Eigenschaften als ihre komplementären Geschwister, und daher würde man möglichst in der negativen Leitung schalten.
Da nicht beide Netzteile zugleich liefern, sollte prinzipiell die Entkopplung der beiden Netzteile über (die Substrat-)dioden ausreichen.
Wenn dann die Spannung eines Netzteils (das ja wegen dieser Dioden ohnehin nicht zum Strom beiträgt) unter etwa 8..9V sinkt, wird der gegenüber liegende MOSFET angesteuert und schliesst seine Substratdiode auch noch kurz und senkt so die Durchlassverluste.
Wenn beide Netzteile ausfallen, so wäre an 12V1 und 12V2 eine Spannung von etwa 8..9V zu messen, falls es überhaupt zu einer Rückspeisung vom Ausgang 12V kommen kann.
Du solltest aber Vorwiderstände, evtl. auch Zenerdioden, an den Gates vorsehen, damit nicht das Ziehen des Ladesteckers die Gateisolation zerschiesst.
|
BID = 967433
nabruxas Monitorspezialist
    
Beiträge: 9533 Wohnort: Alpenrepublik
|
Am Ausgang hängt ein Li-Ion Akkupack. Daher versuche ich einen möglichst geringen Spannungsabfall an der Umschalterei zu verursachen.
Eine Rückspeisung zu den fix verbauten Lader ist möglich, soll also ausgeschlossen werden.
Der verlinkte FET ist ein feines Teil, geht auch noch für einen Laborigel doch als Testschaltung auf einer Lochrasterkarte eher blöd. (Es sei denn ich nagle den Käfer mit dem Rücken an die PCB.)
_________________
0815 - Mit der Lizenz zum Löten!
[ Diese Nachricht wurde geändert von: nabruxas am 12 Aug 2015 17:46 ]
|
BID = 967437
der mit den kurzen Armen Urgestein
     
Beiträge: 17437
|
https://oceancontrols.com.au/SSR-013.html
Auch eine Möglichkeit
_________________
Tippfehler sind vom Umtausch ausgeschlossen.
Arbeiten an Verteilern gehören in fachkundige Hände!
Sei Dir immer bewusst, dass von Deiner Arbeit das Leben und die Gesundheit anderer abhängen!
|
BID = 967444
Offroad GTI Urgestein
     
Beiträge: 12836 Wohnort: Cottbus
|
Die FETs Rücken an Rücken zu setzen hätte ich auch vorgeschlagen. Noch zwei kleine DCDC-Wandler dazu, und sie sperren unabhängig von den anliegenden Spannungen.
(Entspricht dann ja quasi einem SSR  )
_________________
Theoretisch gibt es zwischen Theorie und Praxis keinen Unterschied. Praktisch gibt es ihn aber.
|
BID = 967451
powersupply Schreibmaschine
    
Beiträge: 2920 Wohnort: Schwobaländle
|
Zitat :
nabruxas hat am 12 Aug 2015 00:27 geschrieben :
|
Anbei eine Relaislösung die wegen der hohen Ladeströme >10A nicht in Frage kommt.
|
Wegen? Die Spannungsdifferenz zwischen Ladegerät und Akku dürfte ja nicht all zu groß ausfallen können solange der Akku nicht defekt oder tiefstentladen ist wo er sowieso ersetzt werden sollte.
_________________
powersupply
Es gibt 10 Arten von Menschen. Solche die Binärtechnik verstehen und die anderen.
|
BID = 967457
nabruxas Monitorspezialist
    
Beiträge: 9533 Wohnort: Alpenrepublik
|
Die Umgebung kann uU. zeitweise recht feucht werden und mechanische Teile sind eher anfälig als Halbleiter. Der Betrieb erfolgt meistens im Freien, jedoch in einem Gehäuse.
@DMDKA: Ups! Ich dachte SSR gibt es nur für AC. Das kommt davon wenn man so etwas kaum braucht. Australien ist ja ein nettes Reiseziel, doch ich schaue mich mal nach einem "lokalen" Lieferanten um.
@Offroad / Perl oder auch *.* :
Habt Ihr da zufällig einen funktionierenden Schaltungsvorschlag in der Schublade? Ich bastle jetzt seit Montag herum und der grüne Zweig ist nicht in Sicht. Noch schlimmer: Die Baustelle hält mich von anderen Dingen ab und ich wollte doch in den Urlaub (aus dem wohl wieder nichts wird)
_________________
0815 - Mit der Lizenz zum Löten!
|
BID = 967461
Offroad GTI Urgestein
     
Beiträge: 12836 Wohnort: Cottbus
|
|
BID = 967467
perl Ehrenmitglied
       
Beiträge: 11110,1 Wohnort: Rheinbach
|
Zitat :
| | Am Ausgang hängt ein Li-Ion Akkupack. Daher versuche ich einen möglichst geringen Spannungsabfall an der Umschalterei zu verursachen. |
Ohne einen Ladecontroller?
Das scheint mir keine gute Lösung zu sein, denn vor dem Schalter braucht man zwei und für den Fall des externen Laders fehlt auch noch die Temperaturkontrolle des Akkus.
|
BID = 967711
nabruxas Monitorspezialist
    
Beiträge: 9533 Wohnort: Alpenrepublik
|
Ich habe noch immer nicht alle Informationen zusammentragen können. Mein Kunde ist jetzt auf Urlaub.
Vielen Dank für die bisherigen Beiträge, ich melde mich hier wieder wenn es Neuigkeiten zum Verwendungszweck und dem drumherum gibt.
_________________
0815 - Mit der Lizenz zum Löten!
|