| Autor |
|
|
|
BID = 944329
D3L3T3 Gerade angekommen
Beiträge: 5
|
|
Hallo liebe Elektronik Freunde
Ich bastel derzeit an meinem Abschlussprojekt.
Da ich meine Ausbildung zum 1.2 beende als Elektroniker für Betriebstechnik.
Mein anliegen ist folgendes:
Da ich einfach die Transistor schaltung nicht so richtig in meine Birne kriege und mein Ausbilder auch nur bedingt helfen kann/will frage ich euch und hoffe ihr könnt mir helfen.
und zwar muss ich bei meinem Projekt eine -15V Spannung in eine Positive umwandeln.
damit die Logo diese erkennt und am Ausgang dann schaltet.
Ausgangssituation:
-15V kommen von meinem Stecker und gehen dann auf die Platine an einen PNP/NPN Transistor (habe jeweils 2 da) dieser soll sofern die -15V ankommen eine 24Volt Spannung durchschalten.
Allerdings kommen auch +15V über die PNP/NPN Transistor dann soll er allerdings nicht durchschalten diese gehen parallel dazu an einen direkten Logo eingang damit die dann das andere Lämpchen schaltet.
Ich hab euch im anhang mal nen Bild reingestellt was ich eben schnell erstellt habe (Natürlich nicht nach VDE Norm) aber damit ihr bisschen besser versteht was ich möchte.
Vielen Dank und Grüßen
Marc
|
|
BID = 944331
sub205 Schriftsteller
    
Beiträge: 923 Wohnort: Gründau
|
|
Wieso nimmst du an dieser Stelle keinen Optokoppler?
Dieser trennt dein Potential sauber auf.
Zusammen mit 2 Widerständen hast du exakt das von dir gewünschte Verhalten.
_________________
gruß, Stephan
sudo make me a sandwich |
|
BID = 944332
D3L3T3 Gerade angekommen
Beiträge: 5
|
über einen Optokoppler habe ich bereits auch nachgedacht.
allerdings wusste ich nicht ob ein Optokoppler bei -15V gegen GND auch schaltet.
Wie gesagt die kleine feine Elektronik liegt mir leider nicht daher weiss ich nicht welchen Optokoppler es da gibt allerdings die funktion eines Optokopplers ist mir bekannt
Also wenn ich einene Optokoppler verwenden würde, müsste ich ja an - Seite des Optokopplers die -15V anlegen und an die + Seite des Optokopplers GND legen damit die Spannung von GND zu -15V "fliesst".
Wieverhält er sich wenn auf der selben Strippe dann +15V anliegen. fliegt er mir dann um die ohren ? oder kann ich das einfach mit einer Diode quasi vor verpolung schützen ?
[ Diese Nachricht wurde geändert von: D3L3T3 am 21 Nov 2014 10:33 ]
[ Diese Nachricht wurde geändert von: D3L3T3 am 21 Nov 2014 10:35 ]
|
BID = 944336
sub205 Schriftsteller
    
Beiträge: 923 Wohnort: Gründau
|
Zitat :
D3L3T3 hat am 21 Nov 2014 10:30 geschrieben :
|
über einen Optokoppler habe ich bereits auch nachgedacht.
allerdings wusste ich nicht ob ein Optokoppler bei -15V gegen GND auch schaltet.
Wie gesagt die kleine feine Elektronik liegt mir leider nicht daher weiss ich nicht welchen Optokoppler es da gibt allerdings die funktion eines Optokopplers ist mir bekannt
|
Ein Optokoppler besteht aus einer LED und einer Fotodiode in einem Gehäuse.
Die LED will, sagen wir mal, 5mA um sauber durchzuschalten, da es eine IR-Diode ist hat sie einen Spannungsabfall von, sagen wir mal, 1.5V
Bei 15V kommst du auf 15V-1.5V=13.5V die über den Widerstand abfallen.
13.5V/5mA=2.7kOhm wäre dann dein Vorwiderstand. Da Dioden zu hohe Inversströme nicht mögen, schaltest du eine normale Diode (z.B. 1N4001) falschherum gepolt parallel zu deiner Diode im Optokoppler. Manche haben das auch integriert.
So, nun hast du den Eingang schonmal fertig. Er reagiert nur wenn die Polarität des Eingangssignals stimmt. Also die Anode der LED auf Masse, die Kathode über den Widerstand an deine -15V.
Am Ausgang schaltest du einfach den Kollektor der Fotodiode über einen Widerstand von 1k auf +24V und den Emitter an deinen Eingang der SPS.
Die ehrenwerte Aufgabe, dir einen passenden Optokoppler herauszusuchen, sein Datenblatt zu studieren und die Widerstandswerte ggf. anzupassen überlasse ich dir.
Übrigens: Als Elektroniker solltest du solche Basics eigentlich schon drauf haben. Schade das dein Betrieb dir so wenig Background vermittelt, andererseits wäre es eigentlich an dir, dich mit Neugier und Hingabe deinem Beruf zu widmen, dir ein Experimentierbrett (Steckbrett), ein paar Netzteile und zumindest ein gescheites Multimeter zuzulegen und zu Hause zu basteln!
Ich habe den Beruf nicht gelernt, habe aber in meiner frühen Jugend schon Kosmos-Kästen zu Weihnachten bekommen, auf dem Sperrmüll alte Geräte ausgeschlachtet und einfach mit viel Spaß an der Sache gebastelt. Denn nur so lernst du es! Wenn du erwartest, das dir dein Betrieb/die Schule deinen Beruf beibringt und du ansonsten nur Freizeit hast -> vergiß es, du wirst niemals annähernd eine Ahnung davon haben, was du da eigentlich tust. Ist wie mit den völlig überforderten Werkstattmitarbeitern die panisch den Turbolader am Auto tauschen, weil das Diagnosegerät sagt "Ladedruck zu niedrig" und sich dann wundern, das der alte Lader noch völlig in Ordnung war.
Nicht böse gemeint - aber nehme es mal als gutgemeinten Ratschlag!
Transistorschaltungen und Optokoppler-Schaltungen sind absolute Basics.
Und wenn du, wie du scon sagtest, du kennst ja die Funktion der Optokoppler. Sich einen rauszusuchen, die Testschaltungen im Datenblatt anzuschauen und die Basis-Formeln der E-Technik (U/R=I, U/I=R) anzuwenden solltest du in jedem Fall im Schlaf oder nach 2 Flaschen Whisky noch beherrschen.
_________________
gruß, Stephan
sudo make me a sandwich
|
BID = 944338
D3L3T3 Gerade angekommen
Beiträge: 5
|
Also ich hätte jetzt diesen Optokoppler genommen:
http://www.conrad.de/ce/de/product/.....etail
Vielen Dank für die Hilfe,
ich bin momentan nur auf Blindleistungskompensation,Motoren,Frequenzumrichter und SPS Programmierung etc. getrimmt.
Jetzt wo du es sagst kommt mir das langsam wieder in Kopf und macht alles sinn für mich.
[ Diese Nachricht wurde geändert von: D3L3T3 am 21 Nov 2014 11:04 ]
|
BID = 944342
D3L3T3 Gerade angekommen
Beiträge: 5
|
Also zur komplettierung:
den von eben geposteten Optokoppler vor den Kollektor eingang 2,4k Ohm hängen weil If=10ma
24V/0,010A = 2400Ohm = 2,4K Ohm
Und dann den Emitter ausgang an die SPS.
Richtig soweit ?
|
BID = 944343
sub205 Schriftsteller
    
Beiträge: 923 Wohnort: Gründau
|
Ja, der hat 2 integrierte Optokoppler.
Wenn du nur einen benötigst, hol dir so etwas klassisches wie z.B. 4N28.
Zum Datenblatt:
1) Absolut maximum ratings:
- VR (Reverse Voltage): 6V
Unbedingt eine 1N4001 (oder ähnliche Diode) "verpolt" (Fachbegriff: Antiparallel) zur LED des Optokopplers schalten, sonst kann es sein das die IR-Diode im Koppler bei +15V statt -15V am Eingang bereits schaden nimmt.
Der Output darf maximal mit 50mA belastet werden.
Somit mindestens 560Ohm Widerstand zwischen Optokoppler und SPS-Eingang.
Ich weiß nicht was die SPS an Strom am Eingang zieht - ich würde es mal mit 1kOhm versuchen.
Beim Eingang sollten 10mA reichen um den Ausgang sauber durchzuschalten.
Maximal 60mA sagt das Datenblatt. Bei 10mA beträgt der Spannungsabfall (siehe Fig. 8, Seite 7) bei Raumtemperatur ca 1V.
Dementsprechend (15V-1V) / 10mA = 1.4k, nächsthöherer Wert: 1.5k
Es gibt übrigens derartige Bauteile bereits fertig und sogar hutschienenfreundlich, nennt sich "Solid State Relais", gibts auch bei den einschlägigen Versendern.
Beispiele:
http://www.produktinfo.conrad.com/d.....8.pdf - Seite 7 im PDF
http://www.conrad.de/ce/de/product/.....etail
Natürlich teurer, aber wenn du deine Arbeitszeit, die Einzelteilkosten, die Montage/Löten, Gehäuse etc bedenkst, bist du unterm Strich dennoch günstiger!
_________________
gruß, Stephan
sudo make me a sandwich
|
BID = 944344
der mit den kurzen Armen Urgestein
     
Beiträge: 17437
|
So Bei 15 V-(0,7V-1,5V):0,01A=1,2k
Die Kollektoren gehen an + der SPS und die Emitter zum Eingang der SPS
_________________
Tippfehler sind vom Umtausch ausgeschlossen.
Arbeiten an Verteilern gehören in fachkundige Hände!
Sei Dir immer bewusst, dass von Deiner Arbeit das Leben und die Gesundheit anderer abhängen!
|
BID = 944345
sub205 Schriftsteller
    
Beiträge: 923 Wohnort: Gründau
|
Zitat :
D3L3T3 hat am 21 Nov 2014 11:42 geschrieben :
|
Also zur komplettierung:
den von eben geposteten Optokoppler vor den Kollektor eingang 2,4k Ohm hängen weil If=10ma
24V/0,010A = 2400Ohm = 2,4K Ohm
Und dann den Emitter ausgang an die SPS.
Richtig soweit ?
|
Nein, IF bezeichnet den Strom durch die IR-Diode (Eingang)
Der Kollektorstrom wird mit IC bezeichnet (Ausgang)
_________________
gruß, Stephan
sudo make me a sandwich
|
BID = 944348
D3L3T3 Gerade angekommen
Beiträge: 5
|
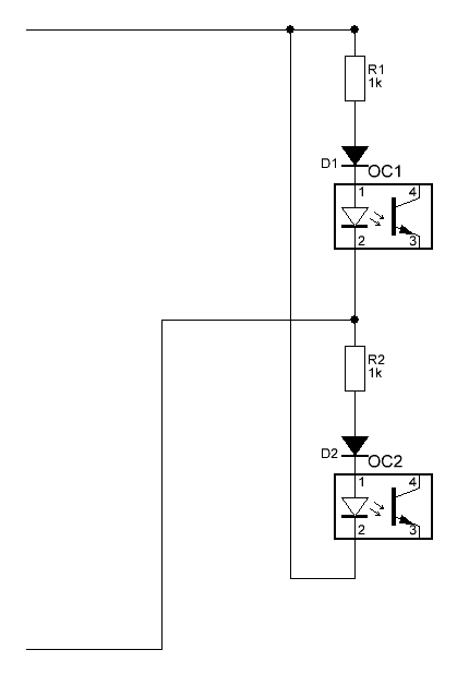
So hab ich es jetzt verstanden:
|
BID = 944350
der mit den kurzen Armen Urgestein
     
Beiträge: 17437
|
Zur Strombegrenzung und zum Schutz der internen Transistoren kannst du in die Kollektorleitung natürlich einen R zur Strombegrenzung hängen. Bei 24V : 0,05A= 480 Ohm
als untersten Wert! Normwert 560 Ohm reicht völlig aus.
Ich habe die Dioden nicht aus Dummdiedeldei in Reihe zur LED im Optokoppler geschaltet! Bei Falschpolung der Eingangsspannung sperren diese und schließen nicht die Speisespannung kurz! (Auch wenn da nur 10mA fließen, begrenzt durch den R so muss doch dieser Strom aufgebracht werden!)
_________________
Tippfehler sind vom Umtausch ausgeschlossen.
Arbeiten an Verteilern gehören in fachkundige Hände!
Sei Dir immer bewusst, dass von Deiner Arbeit das Leben und die Gesundheit anderer abhängen!
[ Diese Nachricht wurde geändert von: der mit den kurzen Armen am 21 Nov 2014 12:12 ]
|
BID = 944351
sub205 Schriftsteller
    
Beiträge: 923 Wohnort: Gründau
|
Geht so oder so ... im Zweifel "verbrät" man eben 10mA an der Diode, wobei der Zustand +15V ja eher die Ausnahme ist.
_________________
gruß, Stephan
sudo make me a sandwich
|
BID = 944353
der mit den kurzen Armen Urgestein
     
Beiträge: 17437
|
Ich mag es einfach nicht, wenn Leistung sinnlos verbruzelt wird. Jede Feld Wald und Wiesendiode mit 50 V Sperrspannung reicht da zum Schutz für die LED.
_________________
Tippfehler sind vom Umtausch ausgeschlossen.
Arbeiten an Verteilern gehören in fachkundige Hände!
Sei Dir immer bewusst, dass von Deiner Arbeit das Leben und die Gesundheit anderer abhängen!
|