RGB LED mit MOSFET Im Unterforum Projekte im Selbstbau - Beschreibung: Selbstbau von Elektronik und Elektro
Autor |
RGB LED mit MOSFET Suche nach: rgb (2408) led (32728) mosfet (3479) |
|
|
|
|
BID = 943044
patahel Gerade angekommen
Beiträge: 3
|
|
Hallo Zusammen
Bin gerade an einem Projekt dran, die Schaltung funktioniert soweit auch (MOSFET um die LEDs anzusteuern, Transistor um den ausgang des Arduinos zu verstärken).
Nur ist leider die Ausgangsleistung der MOSFETS anscheinend zu niedrig ca (1/3 - 1/2)...
Könnt ihr mir eventuell ein paar Tipps geben? (Ich denke ich habe die falschen MOSFETS (IRFZ44N) gewählt)
Freundliche grüsse
patahel
PS: Falls ihr einen Schaltplan braucht, werde ich den gerne nachträglich erstellen... |
|
BID = 943045
perl Ehrenmitglied
       
Beiträge: 11110,1 Wohnort: Rheinbach
|
|
Zitat :
| Falls ihr einen Schaltplan braucht, werde ich den gerne nachträglich erstellen... | Auf jeden Fall!
Der IRFZ44 ist doch eine ziemlich dicker Brocken, der weit über 10A schafft, und wenn der nicht für ein paar LED reicht, machst du wohl etwas falsch.
Zum Schaltplan gehört dann noch die Angabe der PWM Frequenz und möglichst auch ein Foto des Aufbaus.
|
|
BID = 943048
patahel Gerade angekommen
Beiträge: 3
|
Hallo perl
Die LED Streifen die ich nutze sind auf + Geschaltet. Sogar wenn ich den MOSFET direkt mit den 12V ansteuere, hab ich nur die halbe Helligkeit...
Ich hoffe ein Foto vom breadboard reicht (der Transistor ist ein BC547...)
MfG
Patahel
PS: Die Farben markieren die "Ausgänge", auch wenn sie bei Source sind... (Ist wohl notwendig, da die LED Leisten dummerweise auf + geschalten werden)
|
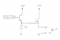
BID = 943068
ffeichtinger Schreibmaschine
    
Beiträge: 1050 Wohnort: Traunkirchen im Salzkammergut
|
Hallo
Also wenn ich mir das Bild so ansehe und daraus die zugehörge Schaltung errate, dann ist klar, dass das nicht richtig funktionieren kann. (siehe Schaltung im Anhang.)
1. Machst du mit einem N-Kanal MOSFET einen High-side switch. Dagegen ist grundsätzlich nichts einzuwenden, allerdings nur wenn man es richtig macht. Für den MOSFET zählt die Spannung zwischen Gate und Source um einzuschalten. Wenn der MOSFET aber einschaltet zieht er die Source-Spannung nach oben (im Idealfall auf 12V) Damit er also ganz einschalten kann müsste die Spannung am Gate dann etwa 10V höher sein als an Source, das wären dann in Summe 22V, das geht mit deiner Schaltung nicht.
2. Der NPN-Transistor (ich vermute mal es ist einer) ist in Kollektorschaltung geschaltet. D.h. die Spannung am Ausgangs dieser Stufe kann nie mehr als die Eingangsspannung sein (sogar um etwa 0.7V weniger). D.h. falls der Arduino 5V am Ausgang liefert bekommt das Gate des MOSFET nur ca. 4.3V was für diesen MOSFET zu wenig wäre, auch wenn er richtig verschaltet wäre.
Mein Tipp: Fall es irgendwie möglich ist, dann mach einen Low-Side-Switch. D.h. Die LED-Streifen hängen an + und am Drain vom MOSFET, und Source hängt an GND. Dazu ein MOSFET mit TTL-Pegel-Eingang, eine zusätzliche NPN-Verstärkerstufe brauchst du dann nicht.
Falls es unbedingt ein High-Side-Switch sein muss, dann nimm einen P-Kanal MOSFET. Dieser wird dann von einem NPN-Transistor gesteuert, allerdings in Emitterschaltung.
mfg Fritz
_________________
|
BID = 943070
Offroad GTI Urgestein
     
Beiträge: 12818 Wohnort: Cottbus
|
Zitat :
| da die LED Leisten dummerweise auf + geschalten werden |
Dann nimm einen P-Kanäler, und einen weiteren NPN Bipolatransistor als Levelshifter.
Das sieht dann so aus: http://www.gammon.com.au/images/Ard.....r.png
Den Motor darfst du gerne durch deine LEDs samt Vorwiderstand ersetzen.
Edit: Der 2N3904 kann durch jeden anderen Kleinsignaltransistor (BC547 o. ä.) getauscht werden.
Edit²:  Hattest du (Fritz) ja schon geschrieben...
_________________
Theoretisch gibt es zwischen Theorie und Praxis keinen Unterschied. Praktisch gibt es ihn aber.
[ Diese Nachricht wurde geändert von: Offroad GTI am 7 Nov 2014 14:09 ]
|
BID = 943081
perl Ehrenmitglied
       
Beiträge: 11110,1 Wohnort: Rheinbach
|
Zitat :
| Damit er also ganz einschalten kann müsste die Spannung am Gate dann etwa 10V höher sein als an Source |
Gar so schlimm ist das nicht, +4V gegenüber Source werden auch reichen, aber in der Tat enthält die Schaltung gleich zwei Fehler nämlich den Emitterfolger und den Sourcefolger.
Diese beiden Grundschaltungen haben eine Spannungsverstärkung von etwas weniger als 1, und wenn man noch die U_BE des npn-Transistors und die ca. 3V U_GS Schwellspannung des MOSFETs berücksichtigt, kommen von den +5V Steuerspannung, die der Arduino am Ausgang bereitstellt, am Ausgang deiner Schaltung gerade noch 1,3V an.
Das reicht natürlich nicht für den Betrieb von LEDs.
Du solltest also zusehen, dass du in den Besitz der bereits erwähnten p-Kanal-MOSFETs sowie einiger weiterer Widerstände im Bereich 1k..10k kommst.
Es wird auch nicht schaden, wenn du zum Basteln auf eine Handvoll anderer Bauteile (Keramikkondensatoren, kleine Elkos, Widerstände, Dioden, pnp- und npn-Transistoren, LEDs) zurückgreifen kannst, damit man im Wiederholungsfall eine Alternativlösung zusammenrödeln kann, und weil beim Experimentieren auch mal etwas kaputt gehen kann.
Die Bauteile kosten ja kaum etwas, am teuersten ist meist der Transport.
In diesem Fall denke ich da z.B. an den Aufbau einer Ladungspumpe um den IRFZ44 doch noch einsetzen zu können. Dazu braucht man aber einen gewissen Fundus von Bauteilen.
Wieviel Strom brauchen denn deine LED-Streifen?
|
BID = 943201
patahel Gerade angekommen
Beiträge: 3
|
Danke erstmal für die Antworten
Also, wenn ich das richtig verstehe, hab ich die falschen MOSFETs gewählt...
Widerstände, ElKo etc hab ich glücklicher weise zuhauf rumliegen
Werde mir dann am Montag mal andere MOSFETS besorgen...
(Ev kann ich die IRFZ44 trotzdem noch gebrauchen, da ich 2 verschiedene LED Streifen habe (einmal welche auf masse geschaltet, einmal welche auf + geschaltet) ein hoch auf Standards...)
Die LED Streifen ziehen total 24W also 8Watt (0.6A) pro Farbe
Gruss
Patahel
|
BID = 943215
Offroad GTI Urgestein
     
Beiträge: 12818 Wohnort: Cottbus
|
Zitat :
| Also, wenn ich das richtig verstehe, hab ich die falschen MOSFETs gewählt... |
Und auch noch doppelt falsch angeschlossen. Mit etwas Glück hätte sich die Fehler kompensieren können, hierbei ist jedoch das Gegenteil der Fall
Jetzt weißt du ja, wie es richtig geht.
Zitat :
| Werde mir dann am Montag mal andere MOSFETS besorgen... |
Ja, mach das. Wie perl schon anmerkte ist es relativ aufwendig, einen N-Kanäler HIGH-seitig anzusteuern.
Der IRF4905 ist ein guter Kandidat.
Zitat :
| Ev kann ich die IRFZ44 trotzdem noch gebrauchen, da ich 2 verschiedene LED Streifen habe (einmal welche auf masse geschaltet, einmal welche auf + geschaltet) ein hoch auf Standards... |
Sicher*. Wenn du versuchst, LOW-seitig mit einem P-Kanäler zu arbeiten wird es wieder so kompliziert, wie HIGH-seitig mit dem N-Kanäler.
Wobei anzumerken ist, dass dies bei größeren Strömen oft nötig wird, da die P-Kanäler im Vergleich zu den N-Kanälern etwa um den Faktor 3 schechtere Eigenschaften (vor allem Einschaltwiderstand und damit statische Verlustleistung) aufweisen.
*) Der hat einen Einschaltwiderstand von 28mR und ist damit sogar noch schlechter, als der IRF4905 mit 20mR. Zugegeben, bei >5A jucken die 24mR noch nicht wirklich, da die Verlustleistung jedoch quadratisch mit dem Strom zunimmt, schadet es nicht, ein paar bessere MOSFETs zur Hand zu haben.
Für kleine Spannungen (alles <30V) eignet sich der IRF1404 (R DS,on)=4mR) gut. Bei größeren Spannungen (<50V) bspw. der IRF3205 (R DS,on)=8mR)
Diese Empfehlung ist natürlich nicht allgemeingültig zu versehen, aber für viele Bastel-Projekte anzuwenden.
_________________
Theoretisch gibt es zwischen Theorie und Praxis keinen Unterschied. Praktisch gibt es ihn aber.
|
|
Zum Ersatzteileshop
Bezeichnungen von Produkten, Abbildungen und Logos , die in diesem Forum oder im Shop verwendet werden, sind Eigentum des entsprechenden Herstellers oder Besitzers. Diese dienen lediglich zur Identifikation!
Impressum
Datenschutz
Copyright © Baldur Brock Fernsehtechnik und Versand Ersatzteile in Heilbronn Deutschland
gerechnet auf die letzten 30 Tage haben wir 12 Beiträge im Durchschnitt pro Tag heute wurden bisher 0 Beiträge verfasst © x sparkkelsputz Besucher : 185622552 Heute : 2103 Gestern : 10050 Online : 109 1.10.2025 8:01 5 Besucher in den letzten 60 Sekunden alle 12.00 Sekunden ein neuer Besucher ---- logout ----viewtopic ---- logout ----
|
xcvb
ycvb
0.0400331020355
|