| Autor |
Schaltung zur Signalnegierung Suche nach: schaltung (31760) |
|
|
|
|
BID = 919148
Maik87 Schriftsteller
    
Beiträge: 861 Wohnort: Wesel / Niederrhein
|
|
Hallo zusammen,
sorry wenn ich nun Arbeit verteilen "muss", aber im Schaltung entwerfen bin ich absoluter noob.
Ich benötige eigentlich was ganz einfaches:
Eine kleine Schaltung, die bei Fehlen eines Massesingnals durchschaltet.
Gegeben sind:
Input
11-14V DC (schwankend)
Dauermasse
geschaltete Masse
Output (Verbraucher)
9-15V DV
3mA bei 12V
Nun möchte ich, dass wenn die geschaltete Masse aus ist, der Verbraucher mit Strom versorgt wird. Ist die Masse da, soll der Verbraucher abgeschaltet werden.
Würde mir jemand bitte helfen und die kleine Schaltung eben aufzeichnen? Es würde mir sehr helfen.
VIELEN DANK!! |
|
BID = 919152
perl Ehrenmitglied
       
Beiträge: 11110,1 Wohnort: Rheinbach
|
|
Am einfachsten erledigen die KFZ-Bastler das mit ihren geliebten Relais.
Bei einem Relais mit Umschaltkontakt öffnet der Eine bei Betätigung und der Andere schliesst.
Allerdings macht ein Relais aus 11V keine 15V. |
|
BID = 919156
Maik87 Schriftsteller
    
Beiträge: 861 Wohnort: Wesel / Niederrhein
|
Ein Relais möchte ich ungern nutzen. Zu groß, zu mechanisch und verbraucht auch sicher mehr Strom als ein IC.
Die 15V brauche ich nicht, da der Verbraucher (LED-Flasher) bereits mit 9V sauber arbeitet.
Schön wäre ein Transistor - ich weiß nur nicht welcher und ob der nicht noch fremd beschaltet werden muss.
|
BID = 919158
perl Ehrenmitglied
       
Beiträge: 11110,1 Wohnort: Rheinbach
|
Wenn es erlaubt ist, daß der Kontakt "geschaltete Masse" z.B. eine kleine Glühlampe schaltet, kannst du das LED-Spielzeug einfach parallel zu dem Kontakt legen.
|
BID = 919159
Maik87 Schriftsteller
    
Beiträge: 861 Wohnort: Wesel / Niederrhein
|
Die Belastbarkeit des Kontaktes ist gegeben.
Parallel zum Kontakt kann ich nicht gehen, da ich nur das "Ergebnis" als Signalleitung mehrerer, parallel geschalteter Kontakte habe.
Es muss daher leider das Signal selbst ausgewertet und umgesetzt werden.
|
BID = 919163
perl Ehrenmitglied
       
Beiträge: 11110,1 Wohnort: Rheinbach
|
Zitat :
| | da ich nur das "Ergebnis" als Signalleitung mehrerer, parallel geschalteter Kontakte habe. |
Dann kannst du den Zustand dieses einen Kontakts so oder so nicht auswerten.
Diese Information geht durch die Parallelschaltung verloren. Logisches ODER.
|
BID = 919175
Maik87 Schriftsteller
    
Beiträge: 861 Wohnort: Wesel / Niederrhein
|
Der einzelne Kontakt ist mir auch egal. Es geht um die Summe, sprich um das Ergebnis auf dem geschalteten Masse Kabel.
Das logische Oder muss aber ein exclusives oder sein und die beiden Massekabel vergleichen, korrekt?
|
BID = 919177
der mit den kurzen Armen Urgestein
     
Beiträge: 17437
|
Oh Herr Masse ist nur ein Bezugspotential! Ob da der Minuspol oder der Pluspol als Masse definiert ist ist erst mal wurscht. Nur für uns ist es das nicht denn wir wissen nicht ob da der Minus oder der Pluspol geschaltet wird.
_________________
Tippfehler sind vom Umtausch ausgeschlossen.
Arbeiten an Verteilern gehören in fachkundige Hände!
Sei Dir immer bewusst, dass von Deiner Arbeit das Leben und die Gesundheit anderer abhängen!
|
BID = 919179
Maik87 Schriftsteller
    
Beiträge: 861 Wohnort: Wesel / Niederrhein
|
Geschaltet ist der Minuspol!
Ich habe also einen Dauer-Minus, einen geschalteten Minus und einen Dauer-Plus im Angebot.
|
BID = 919180
der mit den kurzen Armen Urgestein
     
Beiträge: 17437
|
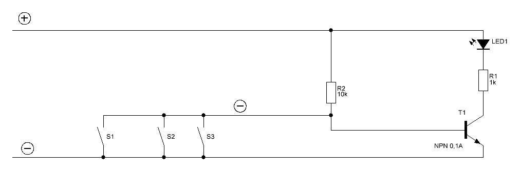
so
_________________
Tippfehler sind vom Umtausch ausgeschlossen.
Arbeiten an Verteilern gehören in fachkundige Hände!
Sei Dir immer bewusst, dass von Deiner Arbeit das Leben und die Gesundheit anderer abhängen!
|
BID = 919181
Maik87 Schriftsteller
    
Beiträge: 861 Wohnort: Wesel / Niederrhein
|
DANKE!!
Nur zum Verständnis:
T1 schaltet den C durch, wenn durch B ein Strom abfließen kann. Dieser fließt über R2 auf Plus, sofern S1-S3 nicht geschaltet sind. Sonst würde aufgrund des geringeren Widerstandes der Strom direkt von Minus nach Plus laufen, für den T1 nicht genüg "über sein" und dieser nicht durchschalten.
R1 ist dimensioniert auf die LED, kann aber, da ich eine eigene Logik dahinter schalte - in der auch der LED-Strom begrenzt wird - weggelassen werden.
Alles korrekt?
Womit hast du den Schaltplan erstellt? Ein kostenloses Freewareprogramm?
|
BID = 919184
der mit den kurzen Armen Urgestein
     
Beiträge: 17437
|
Lern die Grundlagen ! Die Schalter klauen dem Transistor den Basisstrom und damit Sperrt dieser! Das ist keine Freeware aber die Demo kannst du dir da http://www.abacom-online.de/html/splan.html runterladen.
_________________
Tippfehler sind vom Umtausch ausgeschlossen.
Arbeiten an Verteilern gehören in fachkundige Hände!
Sei Dir immer bewusst, dass von Deiner Arbeit das Leben und die Gesundheit anderer abhängen!
|
BID = 919190
perl Ehrenmitglied
       
Beiträge: 11110,1 Wohnort: Rheinbach
|
|