| Autor |
|
|
|
BID = 906032
onlineuser Gesprächig
  
Beiträge: 137 Wohnort: Deutschland
|
|
Hallo,
ich würde gerne an einer 6V Wechselspannung zwei LEDs betreiben.
Den Widerstand hab ich mit 82 Ohm berechnet, jedoch werden LEDs im Normalfall ja mit Gleichspannung versorgt.
Nun habe ich Schaltpläne für einen GLeichrichter aus 4 Dioden bestehend gefunden, jedoch stellt sich mir nun die Frage, ob dies überhaupt notwendig ist bzw. ob eine Diode statt der 4 auch reichen würde.
Zum Testen hab ich die LED mit dem Widerstand mit 6V Wechselspannung betrieben. Es funktionierte problemlos. Ab ca. 3.5 V begann sie leicht zu flackern.
Warum muss eine LED mit Gleichspannung versorgt werden?
LG
_________________
|
|
BID = 906034
Mr.Ed Moderator
      
Beiträge: 36326 Wohnort: Recklinghausen
|
|
Zitat :
| | Nun habe ich Schaltpläne für einen GLeichrichter aus 4 Dioden bestehend gefunden, jedoch stellt sich mir nun die Frage, ob dies überhaupt notwendig ist bzw. ob eine Diode statt der 4 auch reichen würde. |
Eine Diode reicht auch aus, nur flackern die LEDs dann sichtbar und die Helligkeit ist geringer weil sie über 50% der Zeit aus sind.
Mit einem Brückengleichrichter (4 Dioden) flackern sie mit 100Hz und sind etwas heller. Mit einen Siebelko wird das flackern dann gänzlich unterbunden, wobei die Spannung dann oberhalb von 6V liegt.
Zitat :
| | Warum muss eine LED mit Gleichspannung versorgt werden? |
Muß sie nicht, nur die Sperrspannung darf nicht überschritten werden. Leider ist die relativ klein. Bei 6V könnte die LED bereits zerstört werden.
Du könntest die beiden LEDs antiparallel an einem Vorwiderstand, berechnet auf eine LED, betreiben. Dann leuchten sie abwechselnd. Auf eine zusätzliche Diode kannst du dann verzichten. Die Sperrspannung wird dann nicht überschritten da die Flußspannung der antiparallelen LED geringer ist.
_________________
-=MR.ED=-
Anfragen bitte ins Forum, nicht per PM, Mail ICQ o.ä. So haben alle was davon und alle können helfen. Entsprechende Anfragen werden ignoriert.
Für Schäden und Folgeschäden an Geräten und/oder Personen übernehme ich keine Haftung.
Die Sicherheits- sowie die VDE Vorschriften sind zu beachten, im Zweifelsfalle grundsätzlich einen Fachmann fragen bzw. die Arbeiten von einer Fachfirma ausführen lassen.
[ Diese Nachricht wurde geändert von: Mr.Ed am 17 Nov 2013 23:15 ] |
|
BID = 906065
onlineuser Gesprächig
  
Beiträge: 137 Wohnort: Deutschland
|
Ok, danke.
Jetzt ist alles klar!
Ich werde die Variante mit den 4 Dioden nehmen.
Stimmt es, dass die Spitzenspannung um den Faktor 1.4 höher wird als die
Trafospannung? D.h. wenn mein Fahrraddynamo 6V AC liefert und ich diesen gleichrichte, ich 8,4V DC erhalte?
Könnte ich dann rein theoretisch die 6V AC zuerst auf 4,3V AC reduzieren und dann gleichrichten und hätte ich dann die 6V DC?
Oder sind diese Spitzen so kurz, dass sie der LED nichts anhaben können?
LG
[ Diese Nachricht wurde geändert von: onlineuser am 18 Nov 2013 16:00 ]
|
BID = 906069
Mr.Ed Moderator
      
Beiträge: 36326 Wohnort: Recklinghausen
|
Was hat das ganze denn nun mit einem Fahrrad zu tun?
_________________
-=MR.ED=-
Anfragen bitte ins Forum, nicht per PM, Mail ICQ o.ä. So haben alle was davon und alle können helfen. Entsprechende Anfragen werden ignoriert.
Für Schäden und Folgeschäden an Geräten und/oder Personen übernehme ich keine Haftung.
Die Sicherheits- sowie die VDE Vorschriften sind zu beachten, im Zweifelsfalle grundsätzlich einen Fachmann fragen bzw. die Arbeiten von einer Fachfirma ausführen lassen.
|
BID = 906079
onlineuser Gesprächig
  
Beiträge: 137 Wohnort: Deutschland
|
Nur, dass der Dynamo beim Fahrrad 6V AC liefert.
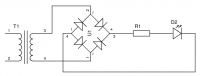
Das Schaltbild ist für diejenigen, die es vielleicht nachbauen wollen.
_________________
|
BID = 906080
Otiffany Urgestein
     
Beiträge: 13779 Wohnort: 37081 Göttingen
|
Die Ausgangsspannung wird nicht dadurch erhöht, daß man sie gleichrichtet, (Faktor 1,414) sondern durch den Siebelko!
Gruß
Peter
|
BID = 906083
hajos118 Schreibmaschine
    
Beiträge: 2453 Wohnort: Untermaiselstein
|
Zitat :
onlineuser hat am 18 Nov 2013 17:00 geschrieben :
|
Nur, dass der Dynamo beim Fahrrad 6V AC liefert.
Das Schaltbild ist für diejenigen, die es vielleicht nachbauen wollen.
|
Dass die 6V alles andre als konstant sind ist Dir bewusst?
_________________
Interpunktion und Orthographie dieses Beitrags sind frei erfunden.
Eine Übereinstimmung mit aktuellen oder ehemaligen Regeln wäre rein zufällig und ist nicht beabsichtigt.
Wer einen Fehler findet, darf ihn behalten!
|
BID = 906092
Mr.Ed Moderator
      
Beiträge: 36326 Wohnort: Recklinghausen
|
Da das ganze offenbar an einem Fahrrad betrieben werden soll, und die Rückfragen dazu ignoriert werden, mache ich dann mal dicht wegen Verstoss gegen die Forenregeln.
Zitat :
| | Fragen zu Umbauten an Fahrzeugen, die den Vorschriften der StVZO unterliegen, werden nur beantwortet, wenn aus der Fragestellung hervorgeht, dass die o.g. Bestimmungen nicht verletzt werden. Andere Anfragen werden ebenfalls kommentarlos gelöscht. |
Die LEDs haben an einem Fahrrad so nichts verloren, der Scheinwerfer ist danach nicht mehr zugelassen. Außerdem ist ein herkömmlicher Scheinwerfer nicht für LEDs geeignet.
_________________
-=MR.ED=-
Anfragen bitte ins Forum, nicht per PM, Mail ICQ o.ä. So haben alle was davon und alle können helfen. Entsprechende Anfragen werden ignoriert.
Für Schäden und Folgeschäden an Geräten und/oder Personen übernehme ich keine Haftung.
Die Sicherheits- sowie die VDE Vorschriften sind zu beachten, im Zweifelsfalle grundsätzlich einen Fachmann fragen bzw. die Arbeiten von einer Fachfirma ausführen lassen.
|