| Autor |
Reihenschaltung von zwei LED-Scheinwerfern an 48V Suche nach: led (32837) |
|
|
|
|
BID = 903183
nec-rot Gerade angekommen
Beiträge: 6
|
|
Hallo,
ich habe an einem Stapler der eine Netzspannung von 48 Volt hat, zwei LED-Scheinwerfer in Reihe an die Netzspannung von 48 Volt angeschlossen. Leider sind jetzt beide Scheinwerfer defekt, und ich bin mir nicht sicher, ob ich nicht was falsch gemacht habe, oder ob die Scheinwerfer defekt sind. Die Scheinwerfer haben ungefähr zwei Monate funktioniert.
Technische Daten der LED-Scheinwerfer:
Spannung: 10-30 Volt
Stromverbrauch: 1,25 A(12 V) / 0,625 A (24 V)
Laut meinem Verständnis müsste sich die Spannung doch aufteilen, da an jedem Scheinwerfer 24 Volt abfallen, oder sehe ich das falsch?
Mein berechneter Innenwiderstand eines LED-Scheinwerfers beträgt 38,5 Ohm und somit ergibt sich ein Rges von 76,8 Ohm und ein Iges von 0,625 Ampere. Vielleicht kann mir jemand sagen, ob man solch eine Berechnung bei einem LED-Scheinwerfer der ja eine eigene Steuerplatine besitzt überhaupt so angehen kann?
hier der Link zu den Scheinwerfern:
http://www.conrad.de/ce/de/product/.....6629?
Danke |
|
BID = 903188
Offroad GTI Urgestein
     
Beiträge: 12844 Wohnort: Cottbus
|
|
Zitat :
| | ob man solch eine Berechnung bei einem LED-Scheinwerfer der ja eine eigene Steuerplatine besitzt überhaupt so angehen kann? | Nein. Dort ist ein Schaltregler drin, der den für die LEDs nötigen Strom generiert. Darum sind sie auch für einen so großen Eingangsspannungsbereich geeignet. Mit einem einzelnen Widerstand wäre dies nicht möglich.
Außerdem fällt nach deiner Rechnung die gesamte Spannung über dem Widerstand ab. Da würden die LEDs also gar nicht leuchten.
_________________
Theoretisch gibt es zwischen Theorie und Praxis keinen Unterschied. Praktisch gibt es ihn aber. |
|
BID = 903192
perl Ehrenmitglied
       
Beiträge: 11110,1 Wohnort: Rheinbach
|
Zitat :
| | Laut meinem Verständnis müsste sich die Spannung doch aufteilen, da an jedem Scheinwerfer 24 Volt abfallen, oder sehe ich das falsch? |
Das siehst du falsch.
Wegen der von GTI schon erwähnten Schaltregler ist solch eine Anordnung prizipiell instabil.
Die Schaltregler versuchen eine konstante Leistung aufzunehmen, d.h., wie du auch aus den Daten entnehmen kannst, dass sie umso mehr Strom aufnehmen, je niedriger ihre Spannung ist.
Das ist gerade das umgekehrte Verhalten eines normalen Widerstands und deshalb spricht man auch von einem negativen Widerstand.
Jedenfalls führt das dazu, dass die Symmetrie verloren geht, weil der Scheinwerfer mit der höheren Spannung immer weniger Strom aufnimmt, wodurch seine Spannung weiter steigt, er noch weniger Strom aufnimmt usw., bis die Wandler-Elektronik schliesslich durch die Überspannung zerstört wird.
Wenn das geschehen ist, verbleibt die defekte Elektronik gewöhnlich als Kurzschluß und dann bekommt der zweite Scheinwerfer die 48V zu spüren.
---> Exitus.
[ Diese Nachricht wurde geändert von: perl am 21 Okt 2013 17:37 ]
|
BID = 903197
Der Sascha Stammposter
   
Beiträge: 464
|
Mein Tipp:
Am besten versuchen die Lampen umzutauschen. Geld zurück oder tauschen.
Und dann 48v Scheinwerfer kaufen. Wie ich sehe werden im Internet einige angeboten.
Diese einfach parallel anschließen und fertig...
_________________
gruß Sascha
1. Freischalten
2. Gegen Wiedereinschalten sichern
3. Spannungsfreiheit allpolig feststellen
4. Erden und kurzschließen
5. Benachbarte, unter Spannung stehende Teile abdecken oder abschranken
|
BID = 903198
der mit den kurzen Armen Urgestein
     
Beiträge: 17437
|
Vorsicht die Bakterie kann mehr als 54 V bringen!
_________________
Tippfehler sind vom Umtausch ausgeschlossen.
Arbeiten an Verteilern gehören in fachkundige Hände!
Sei Dir immer bewusst, dass von Deiner Arbeit das Leben und die Gesundheit anderer abhängen!
|
BID = 903200
nec-rot Gerade angekommen
Beiträge: 6
|
Vielen Dank für die schnellen Antworten.
Gibt es denn eine einfache Möglichkeit die genannten LED-Strahler an 48V irgendwie zu betreiben?
Ein weiteres Problem ist, dass die Netzspannung zwischen 45V und 53V je nach Ladezustand des Elektro-Staplers schwankt.
Kann ich den defekt an den LED-Strahlern eventuell durch den tausch des Schaltreglers beheben?
[ Diese Nachricht wurde geändert von: nec-rot am 21 Okt 2013 18:18 ]
|
BID = 903202
Sauwetter Verwarnt
|
Hat der Stapler keine "normale" Beleuchtung mit 12Volt, glaube fast nicht dass es da nicht irgendwo was an 12V zum Anklemmen gibt?
_________________
Es gibt nichts praktischeres, als eine gute Theorie.
|
BID = 903204
nec-rot Gerade angekommen
Beiträge: 6
|
Die Original Beleuchtung wurde auch mit 48V betrieben und einen Spannungswandler gibt es laut Hersteller im Stapler nicht! 12V/24V steht also nicht zur Verfügung.
|
BID = 903208
der mit den kurzen Armen Urgestein
     
Beiträge: 17437
|
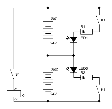
Die einzige Möglichkeit sehe ich darin die Bakterie in der Mitte anzuzapfen und die Scheinwerfer über ein 48 V Relais zu schalten bzw über einen 2 poligen Schalter.
_________________
Tippfehler sind vom Umtausch ausgeschlossen.
Arbeiten an Verteilern gehören in fachkundige Hände!
Sei Dir immer bewusst, dass von Deiner Arbeit das Leben und die Gesundheit anderer abhängen!
|
BID = 903211
Offroad GTI Urgestein
     
Beiträge: 12844 Wohnort: Cottbus
|
|
BID = 903212
der mit den kurzen Armen Urgestein
     
Beiträge: 17437
|
vergiss es bei 24 V ist der Z-Diodenstrom auf 560 mA begrenzt.
und 24 V*700mA sind immerhin 16,8 W die verheizt werden. Das ganze mal 2 sind runde 34 W!
_________________
Tippfehler sind vom Umtausch ausgeschlossen.
Arbeiten an Verteilern gehören in fachkundige Hände!
Sei Dir immer bewusst, dass von Deiner Arbeit das Leben und die Gesundheit anderer abhängen!
|
BID = 903213
perl Ehrenmitglied
       
Beiträge: 11110,1 Wohnort: Rheinbach
|
Zitat :
| | Möglichkeit sehe ich darin die Bakterie in der Mitte anzuzapfen und die Scheinwerfer über ein 48 V Relais zu schalten bzw über einen 2 poligen Schalter. |
Klingt vernünftig.
Die Spannung führenden Leitungen aber unbedingt mit geeigneten Schmelzicherungen versehen, denn bei einem Kurzschluß, z.B. in Folge beschädigter Isolation, wird die Staplerbatterie Drähte mit den üblichen Querschnitten explosionsartig verdampfen lassen!
Was danach noch heil ist, wird wohl brennen.
|
BID = 903214
Offroad GTI Urgestein
     
Beiträge: 12844 Wohnort: Cottbus
|
Offtopic :
|
Zitat :
| | vergiss es bei 24 V ist der Z-Diodenstrom auf 560 mA begrenzt. | sagt wer?
53V-24V=29V -Grenze für die Scheinwerfer
48V-24V=24V voll im Betriebsbereich
Davon abgesehen war das natürlich eh nicht Bierernst gemeint |
[ Diese Nachricht wurde geändert von: Offroad GTI am 21 Okt 2013 19:18 ]
|
BID = 903216
der mit den kurzen Armen Urgestein
     
Beiträge: 17437
|
nur das bei der Z-Diode der Strom durch diese als Grenzwert bei 24 V mit 560 mA angegeben ist!
_________________
Tippfehler sind vom Umtausch ausgeschlossen.
Arbeiten an Verteilern gehören in fachkundige Hände!
Sei Dir immer bewusst, dass von Deiner Arbeit das Leben und die Gesundheit anderer abhängen!
|
BID = 903217
der mit den kurzen Armen Urgestein
     
Beiträge: 17437
|
Zitat :
perl hat am 21 Okt 2013 19:15 geschrieben :
|
Zitat :
| | Möglichkeit sehe ich darin die Bakterie in der Mitte anzuzapfen und die Scheinwerfer über ein 48 V Relais zu schalten bzw über einen 2 poligen Schalter. | Klingt vernünftig.
Die Spannung führenden Leitungen aber unbedingt mit geeigneten Schmelzicherungen versehen, denn bei einem Kurzschluß, z.B. in Folge beschädigter Isolation, wird die Staplerbatterie Drähte mit den üblichen Querschnitten explosionsartig verdampfen lassen!
Was danach noch heil ist, wird wohl brennen.
|
Ich würde da sogar kurzschlussfeste Leitungen trotz 2 A Vorsicherung verwenden. Diese Leitungen brennen ohne Brandgefahr aus!
_________________
Tippfehler sind vom Umtausch ausgeschlossen.
Arbeiten an Verteilern gehören in fachkundige Hände!
Sei Dir immer bewusst, dass von Deiner Arbeit das Leben und die Gesundheit anderer abhängen!
|