| Autor |
|
|
|
BID = 893975
perl Ehrenmitglied
       
Beiträge: 11110,1 Wohnort: Rheinbach
|
|
Taster hin oder her: Das erste Voltmeter belastet die Spannungsquelle mit ein paar µA.
Der "richtige" Strom läuft von den Emittern, über den Taster, über das Amperemeter, über den Lastwiderstand nach Minus.
- Oder eben gar nicht, wenn der Taster nicht betätigt ist.
Ob das erste Voltmeter vorhanden ist oder nicht, ist dabei völlig wurscht, und das zweite Voltmeter am Lastwiderstand verursacht einen unwesentlichen systematischen Fehler bei der Strommessung. |
|
BID = 893976
der mit den kurzen Armen Urgestein
     
Beiträge: 17437
|
|
eben und damit zeigt das erste Voltmeter bei offenem S1 nur Hausnummern an und die Messung die Minotaurus1337 da gemacht hat sind reiner Müll ! Oder anders gesagt völlig Witzlos!
_________________
Tippfehler sind vom Umtausch ausgeschlossen.
Arbeiten an Verteilern gehören in fachkundige Hände!
Sei Dir immer bewusst, dass von Deiner Arbeit das Leben und die Gesundheit anderer abhängen! |
|
BID = 893977
perl Ehrenmitglied
       
Beiträge: 11110,1 Wohnort: Rheinbach
|
Zitat :
| | damit zeigt das erste Voltmeter bei offenem S1 nur Hausnummern an |
Nein, dann zeigt es die Leerlaufspannung des Netzteils an, und ebenso bei Belastung die wirkliche Ausgangsspannung des Netzteils.
Das machen kommerzielle Geräte nicht anders.
|
BID = 893978
der mit den kurzen Armen Urgestein
     
Beiträge: 17437
|
Zitat :
Minotaurus1337 hat am 16 Jul 2013 17:14 geschrieben :
|
Fakt ist:
Der LM723 ist kalt aber Funktioniert, was man ja messen kann an dem zweiten Voltmeter das ich eingezeichnet hatte.
Die 39R Widerstände sind so gewählt das sie ca. 1/3tel des Stroms durchlassen was die Transistoren vertragen ohne dabei abzurauchen (hatte keine anderen).
Mit der Erhitzung und allem hast du Natürlich recht, die Schaltung wird ja auch nur im Tastbetrieb eingesetzt mit Laufzeiten von maximal 5 sekunden.
Aber das alles erklärt dieses Mysterium noch nicht dass sobald ich einen 2 Ohm Widerstand einsetze (den Taster drücke) immer 1,25 A und 2V Fliessen/Anliegen und es sich nicht regeln lässt.
Wie gesagt auf dem Steckbrett hat es wunderbar Funktioniert nur deswegen habe ich ja die Platine geätzt. Seid es auf der Platine sitzt funktioniert es nichtmehr -.- ...
Diese Nachricht wurde geändert von: Minotaurus1337 am 16 Jul 2013 17:21 ]
|
Kurz und knapp gesagt das was der Minotaurus da zusammen gefrikelt hat ist blanker Unsinn Deshalb ja auch der Link zu einer nachbausicheren Schaltung!
_________________
Tippfehler sind vom Umtausch ausgeschlossen.
Arbeiten an Verteilern gehören in fachkundige Hände!
Sei Dir immer bewusst, dass von Deiner Arbeit das Leben und die Gesundheit anderer abhängen!
|
BID = 893979
perl Ehrenmitglied
       
Beiträge: 11110,1 Wohnort: Rheinbach
|
Zitat :
| | das was der Minotaurus da zusammen gefrikelt hat ist blanker Unsinn |
Das ist unbestritten.
|
BID = 893980
der mit den kurzen Armen Urgestein
     
Beiträge: 17437
|
Zitat :
perl hat am 16 Jul 2013 20:59 geschrieben :
|
Zitat :
| | damit zeigt das erste Voltmeter bei offenem S1 nur Hausnummern an | Nein, dann zeigt es die Leerlaufspannung des Netzteils an, und ebenso bei Belastung die wirkliche Ausgangsspannung des Netzteils.
Das machen kommerzielle Geräte nicht anders.
|
Danke für den Hinweis das Voltmeter hat ja einen Innenwiderstand und über diesen fällt ja die Messpannung auch ab ! Da lag mein Denkfehler.
Manchmal sieht man den Wald vor lauter Bäumen nicht!
_________________
Tippfehler sind vom Umtausch ausgeschlossen.
Arbeiten an Verteilern gehören in fachkundige Hände!
Sei Dir immer bewusst, dass von Deiner Arbeit das Leben und die Gesundheit anderer abhängen!
|
BID = 893981
perl Ehrenmitglied
       
Beiträge: 11110,1 Wohnort: Rheinbach
|
Zitat :
| | Manchmal sieht man den Wald vor lauter Bäumen nicht! |
Geh mal ein Bier trinken, und dann schlaf dich mal aus.
|
BID = 893982
der mit den kurzen Armen Urgestein
     
Beiträge: 17437
|
Beim Bier trinken bin ich schon, mit dem ausschlafen wird es nichts da macht der Wecker Morgens um 5:30 Uhr zu viel Rapatz. Geh ich früher ins Bett bin ich zwischen 3 und 4 Uhr garantiert munter.
_________________
Tippfehler sind vom Umtausch ausgeschlossen.
Arbeiten an Verteilern gehören in fachkundige Hände!
Sei Dir immer bewusst, dass von Deiner Arbeit das Leben und die Gesundheit anderer abhängen!
|
BID = 893986
winnman Schreibmaschine
    
Beiträge: 1677 Wohnort: Salzburg
|
Dann muss mehr Bier her und die Schaltung "schön getrunken" werden.
|
BID = 893989
der mit den kurzen Armen Urgestein
     
Beiträge: 17437
|
Offtopic :
| | So nach der Devise es gibt keine hässliche Frauen nur zu wenig Alkohol oder zu kleine Einkaufstüten! Allerdings gilt auch Alkohol macht die Birne hohl |
_________________
Tippfehler sind vom Umtausch ausgeschlossen.
Arbeiten an Verteilern gehören in fachkundige Hände!
Sei Dir immer bewusst, dass von Deiner Arbeit das Leben und die Gesundheit anderer abhängen!
|
BID = 893992
Minotaurus1337 Stammposter
    Beiträge: 267
|
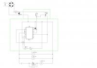
So Leute =).
Um ein wenig meine Ehre zu Retten möchte ich euch mal meinen neuesten Entwurf zeigen DER FUNKTIONIERT  .
Im Grunde ist es die Originalschaltung "Figure 5. Positive-Voltage Regulator (External pnp Pass Transistor)" aus dem Datenblatt (Alles was Grün umrandet ist).
WIe gesagt dieser Entwurf Funktioniert wie gewünscht dennoch hab ich mal eine frage die ich nicht zur gänze mir selbst beantworten konnte und da mein Ruf eh schon ruiniert ist  frag ich mal so in die Runde. Ich Bitte von zu scharfem Spott abzusehen =).
Wenn S1 auf meiner Zeichnung NICHT betätigt wird lese ich am Voltmeter B immer 19,8 V ab welche die Maximalspannung ist, egal wie ich P1 einstelle.
Gleiches Gilt für Amperemeter B.
Volt und Amperemeter A zeigen wenn ich S1 schliesse und an P1 drehe variable Spannungs/Stromwerte an, wie es ja auch sein sollte.
Wieso passiert nichts bei Volt/Amperemeter B wenn ich S1 nicht betätige und and P1 drehe ?
Und hat jemand eine Idee wie ich die Spannung am Lastwiderstand messen/bestimmen/Anzeigen kann OHNE vorher S1 zu betätigen ?
Wie immer Vielen Dank, eure Beiträge haben mir Heute sehr geholfen und ich hoffe ihr wart nicht alzu Schamlos Amüsiert über einen "Anfänger"  ...
|
BID = 893993
perl Ehrenmitglied
       
Beiträge: 11110,1 Wohnort: Rheinbach
|
Ochotochott!
Zitat :
| | Um ein wenig meine Ehre zu Retten |
Daraus wird nichts.
Jetzt hast du genau den Fehler, nur mit anderem "Vorzeichen" gemacht, den dir dmdka vorhin unterstellt hat.
Verrate lieber wozu das Ganze gut sein soll, dann können wir dir vermutlich sagen, wie man das richtig macht.
P.S.:
Zitat :
| | WIe gesagt dieser Entwurf Funktioniert wie gewünscht |
Bist du Politiker, oder weshalb erzählst du solche Märchen?
[ Diese Nachricht wurde geändert von: perl am 17 Jul 2013 0:19 ]
|
BID = 894001
Minotaurus1337 Stammposter
    Beiträge: 267
|
Der selbe Zweck, ist eine Heizung.
Bitte beachten das die Volt und Amperemeter nicht fest angebracht sind. Ich wollte nur verdeutlichen wo ich wie gemessen hab.
Die B-Messgeräte lese ich ja nur bei offenen schalter ab, bei geschlossenen schalter ist das amperemeter natürlich falsch und voltmeter A überflüssig.
|
BID = 894007
perl Ehrenmitglied
       
Beiträge: 11110,1 Wohnort: Rheinbach
|
Zitat :
| | Der selbe Zweck, ist eine Heizung. |
Ok, dann ist das Thema für mich erledigt.
|
BID = 894061
der mit den kurzen Armen Urgestein
     
Beiträge: 17437
|
Schau dir das Datenblatt und die Links von mir noch mal an! so wie du den 723 verschaltest kommt nur Unsinn raus! Oder auf Deutsch das was du da zusammen gelötet hast ist kompletter Müll! Anbei mal die minimalste Beschaltung des 723
Edit: mit dem Längsregler verheizt du 90 % der Leistung in den Emitterwiderständen und den Transistoren!
_________________
Tippfehler sind vom Umtausch ausgeschlossen.
Arbeiten an Verteilern gehören in fachkundige Hände!
Sei Dir immer bewusst, dass von Deiner Arbeit das Leben und die Gesundheit anderer abhängen!
[ Diese Nachricht wurde geändert von: der mit den kurzen Armen am 17 Jul 2013 21:45 ]
|