| Autor |
Regelbares Netzteil mit plus und minus Spannungen Suche nach: netzteil (26457) |
|
|
|
|
BID = 50408
digiharry Gerade angekommen
Beiträge: 2
|
|
Hallo
Suche einen Schaltplan ( Bauplan ) für ein Regelbares Netzteil an dem sowohl eine positive wie auch eine negative
Spannug am Ausgang abgreifbar ist.
Es sollte eine Spannug von+/- von ca.24 Volt sein und etwa mit einem Strom von 1-2Amp. sein.
Wäre toll wenn jemand einen Plan für mich hätte.
Vielen Dank im voraus
Gruß Harald aus Bonn |
|
BID = 50415
Chef_2 Schriftsteller
    
Beiträge: 734
|
also wie das mit negativer und positiver spannung geht weiß ich.... aber nicht regelbar *g*
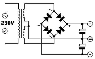
Hochgeladenes Bild : netzteil.jpg
|
BID = 50418
Chef_2 Schriftsteller
    
Beiträge: 734
|
Eigentlich brauchst 2 Secundäre identische ausgänge und zwar wechelstrom... Du nimmst dann von der 1ten sec. einen Anschluss und klemmst ihn an den den Brückengleichrichter... den anderen von sec. 2 an den minus vom Brückengleichrichter... die 2 in der Mitte klemmst zusammen und das ist dein Mittelabgriff... wenn nur eine Sec. hast, dann musst den einen an den Brückengleichrichter hängen und den anderen als Mittelabgriff nehmen... du verwendest aber dann nur eine Halbwelle... =Leistungsverlust!!!!!! Wie es vom Brückengleichrichter weiter gehst, kannst ja an dem Plan sehn 
|
BID = 50435
chilla Schreibmaschine
    
Beiträge: 1403 Wohnort: von hier zwei mal rechts und dann zwei mal links
|
hmm, digiharry meint glaub ich ein Labornetzteil.
Da würde ich aber eher zu einem Doppelnetzteil tendieren (zwei gleiche NTs in einem Gehäuse)
da kannste nämlich auch eine doppelte Spannung, doppelten Strom, duale Versorgung etc zusammenstecken.
mfg CHillA
|
BID = 50440
Chef_2 Schriftsteller
    
Beiträge: 734
|
hab ihm ja nur mal beantwortet, wie man eine + und - spannung erzeugt 
|
BID = 50443
chilla Schreibmaschine
    
Beiträge: 1403 Wohnort: von hier zwei mal rechts und dann zwei mal links
|
Ja, bei einem Labornetzteil, dass nicht getrennte Kanäle hat, kommt ja nurnoch die Regelung hinten dran.
mfg CHillA
|
BID = 50543
digiharry Gerade angekommen
Beiträge: 2
|
Danke erst mal für die Hilfen aber es wäre schon toll wenn einer einen Kompletten Schaltplan hätte.
Ein Schaltplan von einem Regelbaren Labornetzteil wäre natürlich toll, es sollte aber auch beide Spannungen gleichzeitig regeln.
Vielen Dank im voraus
mfg.
digiharry 
|
BID = 50568
chilla Schreibmaschine
    
Beiträge: 1403 Wohnort: von hier zwei mal rechts und dann zwei mal links
|
Ja, wenn du Labor-NT brauchst, schau dich mal im Netz und im Forum um, ob du ein eifaches NT findest, dass die Spannung und den Strom liefert.
danach können wir über den (wohl recht einfachen) Umbau auf deine Ansprüche reden.
solltest du wieder erwarten nix finden, meld dich nochmal.
mfg CHillA
|