| Autor |
|
|
|
BID = 361845
ZeRo-Cool Gesprächig
  
Beiträge: 179 Wohnort: Kreßberg
|
|
Hi all
ich hab mir nen kleinen verstärker mit 14W gebaut (TDA2030)...
Will den Verstärker mit batterien betreiben, allerdings braucht der TDA 2030 eine versorgungsspannung von 18V...
Suche einen Schaltplan für einen Spannungswandler, der mir aus 4,8V (4*1,2V/3Ah) (4 Zellen aus nem alten Notebook-akku)
18V macht, vom aufbau her so klein und so billig wie möglich... der Strom sollte so bei 300mA liegen...
Hätte da vielleicht jemand nen Vorschlag?
Vielen Dank im Voraus! |
|
BID = 361848
Her Masters Voice Inventar
     
Avatar auf fremdem Server ! Hochladen oder per Mail an Admin
Beiträge: 5312 Wohnort: irgendwo südlich von Berlin
|
|
Der Vorschlag kann nur lauten: lass es sein.
Da der Wirkungsgrad solcher Wandler eher mässig ist würdest du mehr Energie fürs wandeln verbraten als für den Verstärker und somit das Ganze ad Absurdum führen.
_________________
Tschüüüüüüüs
Her Masters Voice
aka
Frank
***********************************
Der optimale Arbeitspunkt stellt sich bei minimaler Rauchentwicklung ein...
*********************************** |
|
BID = 361854
ZeRo-Cool Gesprächig
  
Beiträge: 179 Wohnort: Kreßberg
|
hmm da hasst du auch wieder recht...
oder hat jemand nen anderen Vorschlag, wie bzw mit welchen akkus ich den verstärker betreiben kann...? will allerdings auch keine 15 zellen verwenden
|
BID = 361861
BlackLight Inventar
      Beiträge: 5467
|
Zitat : ZeRo-Cool hat am 20 Aug 2006 22:23 geschrieben :
| | mit welchen akkus ich den verstärker betreiben kann...? |
Den nächsten 14,4-18V Akkuschrauber für 20 Euro schnappen und ausschlachten.
Zitat :
| will allerdings auch keine 15 zellen verwenden
|
Dann nimm 12 Zellen, sowas hat voll geladen schön brav fast immer weniger als 18 V.
|
BID = 361886
ZeRo-Cool Gesprächig
  
Beiträge: 179 Wohnort: Kreßberg
|
hmm hat noch jemand nen anderen tipp??
da ich, wie schon erwähnt, das ding so klein und leicht wie möglich machen will... und wenn ich da nen akku von nem akkuschrauber mit reinmach, dann wird das wohl nix...
lässt sich das nicht irgendwie kompakter realisieren?
|
BID = 361911
Otiffany Urgestein
     
Beiträge: 13792 Wohnort: 37081 Göttingen
|
Hi,
dann nimm doch einfach zwei 9 Volt Blockakkus, die sind klein und leicht; wenn dir ca. 2-3 Minuten Hörgenuß reichen.
Gruß
Peter
|
BID = 361929
BlackLight Inventar
      Beiträge: 5467
|
Ich habe hier noch ein Perpetuum Mobile erster Art rumliegen, dass 19 V DC ausgibt, müsstest nur 1 V z.B. an einer Diode verheizen.
Ist auch nicht größer als ein 9V-E-Block.
|
BID = 361975
Beckenrandschwimmer Schreibmaschine
    
Beiträge: 1923 Wohnort: Altrip
|
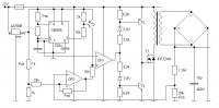
mit nem kleinen Step-up Wandler sicher kein Problem.
Nur steckt da schon ne kompliziertere Schaltung dahinter.
Der Wirkungsgrad von 60...80% wäre auch ganz passabel.
Zum Material:
1x NE555
2x Rail to Rail OP
ein paar Transistoren
einen LeistungsFET
ne hand voll Widerstände.
Die nachfolgende Schaltung könnte dir vielleicht weiter helfen:
Müsstest nur für 4,5V Eingang und 18V Ausgang auslegen.
MfG
Becky
EDIT:
PS: anstatt dem Trafo einfach eine Spule nehmen, Frequenz neu berechnen und fertig.
Eventuell noch eine Überstromabschaltung einbauen. (musste ich auch machen, hab's nur nicht nachgeführt, in der Zeichnung)
[ Diese Nachricht wurde geändert von: Beckenrandschwimmer am 21 Aug 2006 12:48 ]
|