NF Signal schalten Im Unterforum Alle anderen elektronischen Probleme - Beschreibung: Was sonst nirgendwo hinpasst
| Autor |
|
|
|
BID = 86240
DonComi Inventar
     
Beiträge: 8604 Wohnort: Amerika
|
|
Hallo,
ich bin neu hier im Forum. Deswegen will ich mil kurz vorstellen. Ich bin Schüler, und baue sehr gerne kleine Geräte, die einem das Leben erleichtern (sollten).
Zu meinem Problem:
Ich habe viele Audio-Geräte an meiner Anlage hängen, und habe mir deshalb auch schon einen Umschalter gebaut. Der ist aus Holz und schaltet das Audio-Signal mit Relais um (Habe ihn mit 12 Jahren gebaut). Aber irgendwie sind in der Zwischenzeit mehr Geräte hinzugekommen, als ich anschließen kann. Also will ich nun ein neues, leistungsfähigeres Gerät bauen.
Ich habe da an Transistoren zum schalten gedacht, kenne mich aber nicht so aus. Ich würde das so angehen:
1. Stereo-Signal über Cinch-Buchen über einen Elko entkoppeln
2. 3 Transistoren über ein logischen 1-Pegel ansteuern.
(1 Transistor für LED-Anzeige; 2 für jeweils einen Kanal)
3. Umgeschaltete Signale ausgebe (Cinch-Buchse)
Dabei habe ich mir gedacht, dass ich mit RS-FFs und Tastern den logischen 1-Pegel für die Transistoren nehme.
(Siehe Schaltbild)
Das ist mein großes Problem, das Signal Elektronisch zu schalten. Den Rest kann ich.
Wäre für Antworten sehr, sehr dankbar, habe schon viel versucht, funzzt aber irgendwie nie!
mfg |
|
BID = 86246
perl Ehrenmitglied
       
Beiträge: 11110,1 Wohnort: Rheinbach
|
|
NF-Signale mit gewöhnlichen bipolaren Transistoren ist zwar möglich, aber schwierig.
Zum Glück gibt es sehr preiswerte integrierte Analogschalter in welchen komplementäre MOSFETs das NF Signal sauber schalten.
Schau dir mal das Datenblatt des CD4066B an. Das ist ein IC bestehend aus vier separaten Analogschaltern.
Es ist ähnlich einfach zu verwenden wie ein Relais, verbraucht aber praktisch keine Steuerleistung, sodaß man es sehr gut aus einer Batterie versorgen kann.
Nach dem gleichen Prinzip arbeiten der CD4551B (vier Umschalter), CD4053B (drei Umschalter), CD4052B und CD4539B (zwei 4-Kanal-Umschalter), CD4097B (zwei 8-Kanal-Umschalter), und CD4051B (ein 8-Kanal-Umschalter).
Die Ansteuerung erfolgt über Logikschaltkreise von denen es innerhalb dieser so genannten 4000er Familie ebenfalls reichlich gibt. Auch sie verbrauchen nahezu keinen Strom, und da sie mit Versorgungsspannungen von 5...18V zufrieden sind, bietet es sich an zwei (wegen +- Versorgung) 9V Blocks als Energiequelle einzusetzen.
Wenn du auch nur eine LED treiben willst, brauchst du dafür schon 1000x mehr Strom !
Außerdem: Wenn du ein Netzteil einbaust, riskierst du, daß du dir Brummstörungen einschleppst.
Es gibt die gleichen ICs auch mit anderen Prefixen als "CD", teils auch ohne. Bei Motorola (jetzt ON) hieß die Serie z.B. MC14xxx, bei Philips hießen sie HEF4xxx.
_________________
Haftungsausschluß:
Bei obigem Beitrag handelt es sich um meine private Meinung.
Rechtsansprüche dürfen aus deren Anwendung nicht abgeleitet werden.
Besonders VDE0100; VDE0550/0551; VDE0700; VDE0711; VDE0860 beachten !
[ Diese Nachricht wurde geändert von: perl am 27 Jul 2004 4:15 ] |
|
BID = 86250
DonComi Inventar
     
Beiträge: 8604 Wohnort: Amerika
|
Hallo,
Dieses Forum ist mir richtig sympathisch...
Du meinst also, dass ich diese ICs benutzen soll. Mache ich auch.
Da habe ich noch eine Frage. Du hast was von 2x 9V-Blocks erwähnt. (+5V und -5V) Das verstehe ich nicht. Reicht da nicht eine Stromquelle (Abgeschirmter Trafo, 1 A, 10V und dann mit Gleichrichter, Ordentlicher Elko (1000µF) und Festspannungsregler für 5 Volt)?
~5 Volt = High (logisch 1)
~0-~1,5 Volt = Low (logisch 0)
Siehe: Skizze
Oder ist das komplett falsch?
Und: Kann ich die LED trotzdem schalten? - So ein 40xx IC müsste das doch noch schaffen. Ne LED hat 20mA.
Aber wie auch immer. Ich danke dir, dass du mir geschrieben hast.
mfg
David
|
BID = 86319
perl Ehrenmitglied
       
Beiträge: 11110,1 Wohnort: Rheinbach
|
An deiner Skizze seh ich schon, daß du ins offene Messer laufen wirst, wenn du ein Netzteil baust. Nicht nur der Trafo, sondern alles was Wechselspannung führt, muß abgeschirmt sein.
Der Grund weshalb man zweckmäßigerweise eine halbwegs symmetrische Versorgung verwendet, ist der, daß das geschaltete Signal innerhalb der Versorgungsspannungen liegen muß.
Also nicht negativer Vss und nicht positiver als Vdd.
Am einfachsten schaffst du das mit zwei Batterien. Die brummen auch nicht.
Theoretisch könntest du auch eine Spannungsquelle und einen Spannungsteiler nehmen und die NF-Signale kapazitiv koppeln, aber dann verbraucht schon der Teiler mehr Strom als die ICs.
Außerdem wird die Schaltung dann komplizierter, damit es beim Umschalten nicht knackt.
Zitat :
| | bgeschirmter Trafo, 1 A, 10V und dann mit Gleichrichter, Ordentlicher Elko (1000µF) |
Viel zu massiv.
Die Stromaufnahme der CMOS ICs liegt im µA-Bereich und selbst wenn du LEDs verwendest werden nur einige mA daraus.
Außerdem solltest du den möglichen Versorgungsstrom der ICs auf ein paar mA begrenzen. Es gibt bei CMOS nämlich einen Fehlermechanismus, Latch-up, der beim hantieren an den Eingangs- und Ausgangsleitungen ausgelöst werden kann.
In der Folge kommt es zu einem Kurzschluß zwischen den Versorgungspins. Solange der Kurzschlußstrom nicht zu hoch (10mA) wird, passiert dem IC nichts, nach dem Abschalten der Versorgung ist alles wieder gut.
Wenn du schon LEDs verwendest, dann berechne die Vorwiderstände für 5mA. Moderne Typen leuchten damit immer noch sehr hell und du bleibst im für das IC erlaubten Rahmen.
Bei den meisten ICs dieser Serie ist der höchstzulässige Strom pro Pin mit 10mA spezifiziert.
Was oft übersehen wird: Das gilt auch für die Versorgungsanschlüsse.
Wenn du ein Netzteil baust, dann reicht ein 100mA Trafo bequem aus. Ein Ende der Sekundärwicklung kommt an Masse, das andere Ende speist zwei Einweggleichrichter: Einen für die positive, einen für die negative Spannung.
100µF Siebkondensatoren sollten ausreichen.
Dann die Strombegrenzungswiderstände (30mA sollten kurzzeitig auch noch ok sein) und dahinter 78L05 für die positive und 79L05 für die negative Spannung.
Es macht Sinn mit der Versorgungsspannung möglichst hoch zu gehen (aber natürlich nicht über die erlaubten 18V "querrüber"), weil dann die Eigenschaften der Analogschalter besser werden. Sie werden niedrerohmiger und machen weniger Verzerrungen.
Wenn man das Übersprechen der Signalquellen minimieren will, werwendet man drei Analogschalter in verschiedenen ICs.
Der erste trennt den Eingang ab, der dritte trennt den Ausgang ab, und der zweite legt das dazwischenliegende Stück Leitung an Masse.
_________________
Haftungsausschluß:
Bei obigem Beitrag handelt es sich um meine private Meinung.
Rechtsansprüche dürfen aus deren Anwendung nicht abgeleitet werden.
Besonders VDE0100; VDE0550/0551; VDE0700; VDE0711; VDE0860 beachten !
|
BID = 86503
DonComi Inventar
     
Beiträge: 8604 Wohnort: Amerika
|
Hallo,
Danke für die Mühe. Ich glaube, das ich nor viel lernen muss, um so eine Schaltung aufzubauen. Ich werde das ganze jetzt nicht so kompliziert machen, sondern mit Flip-Flops ein Transistor ansteuern, der seinerseits ein Relais schaltet, welches das NF-Signal schaltet. Dort kommt es zwar auch zu Störungen, aber so arbeitet mein momentanes Gerät auch, und es ist nicht schlimm.
Ich werde mich mit der Materie noch ein bisschen auseinerandersetzen müssen, um alles nachvollziehen zu können. Dann versuche ich es mal ganz langsam.
Vielen Dank nochmal für die Schreibarbeit!
mfg
David
|
BID = 86508
perl Ehrenmitglied
       
Beiträge: 11110,1 Wohnort: Rheinbach
|
Schade.
Mit den ICs ist das eigentlich sogar einfacher.
Mit Brummen mußt du trotzdem rechnen, denn um den Strombedarf eines Relais zu decken, kommts du an einem Netztrafo nun nicht vorbei.
RS-Flip-Flops gibts in der 4000er Serie auch: CD4043B (NOR) oder CD4044B (NAND). Man kann sie natürlich auch selbst stricken z.B aus CD4011B oder CD4001B.
Der Clou dabei:
Weil die Teile so hochohmig sind, kann man auf mechanische Schalter verzichten. Das Antippen eines Eingangsbeins mit dem Finger genügt.
_________________
Haftungsausschluß:
Bei obigem Beitrag handelt es sich um meine private Meinung.
Rechtsansprüche dürfen aus deren Anwendung nicht abgeleitet werden.
Besonders VDE0100; VDE0550/0551; VDE0700; VDE0711; VDE0860 beachten !
|
BID = 86516
DonComi Inventar
     
Beiträge: 8604 Wohnort: Amerika
|
Naja, due hast wahrscheinlich Recht. Mich würde es ja auch reizen, es komplett elektronisch zu bauen.
Ich habe mir das nochmal überlegt und mich für die elktronische Variante entschieden.
Also muss ich den Strom (A) für das IC begrenzen. Aber ich habe mal einen Digital-Lehrgang gelesen, wo auch die 40xx Typen benutzt werden, wo steht, dass die ICs nicht zuwenig Strom haben sollten. Von zuviel stand da nichts. Außerdem nimmt doch das IC soviel Strom auf, wie es benötigt, oder. Aber egal. Ich begrenze sie auf 20mA.
Dann entsprechen -5V also log. 0 und +5V log. 1 ?
Kann ich dann eigentlich die RS-FFs mit einem blanken Kontakt auf der Frontplatte setzen. Das wäre ja ein netter Gag, außerdem bräuchte ich dann keine Taster.
Zu den LED: Die kann ich doch auch über einen Transistor / Treiberstufe schalten. Ich habe ein Datenblatt von einem, der 30mA schalten kann.
Naja, jedenfalls danke ich dir, für die Schreiberei. Finde ich gut.
mfg
David
|
BID = 86574
perl Ehrenmitglied
       
Beiträge: 11110,1 Wohnort: Rheinbach
|
Zitat :
| | wo steht, dass die ICs nicht zuwenig Strom haben sollten |
Wie du selbst schon bemerkt hast, ist das Unfug.
Allerdings müssen unbenutzte Eingänge, auch die von unbenutzten Gattern, auf definierte Logikpegel also High oder Low gelegt werden.
Zitat :
| | Dann entsprechen -5V also log. 0 und +5V log. 1 ? |
Korrekt, wenn du mit einer doppelten Spannungsversorgung arbeitest.
Zitat :
| | Kann ich dann eigentlich die RS-FFs mit einem blanken Kontakt auf der Frontplatte setzen |
Na, die ICs selbst würde ich dort nicht hinsetzen, denn zwischen dem Kontakt, den du berührst und dem IC-Eingang sollte ein Widerstand von vielleicht 220kOhm...1MOhm liegen.
Du mußt nämlich daran denken, daß du auf ein paar tausend Volt aufgeladen sein kannst, wenn du dort anpackst. Ohne Widerstand ist das vielleicht etwas viel für das arme IC.
Außerdem muß der Eingang, wenn niemand anpackt, auf ein definiertes Potential gezogen werden. High im Falle von NAND-FFs.
Die dafür erforderlichen Widerstände können aber extrem hochohmig sein: Ein Stück Pappe, durch das du nah bei einander zwei Stecknadeln piekst, sollte ausreichen. Falls nicht, kannst du noch einen Bleistiftstrich draufmalen. Grafit leitet bekanntlich.
Zitat :
| | Zu den LED: Die kann ich doch auch über einen Transistor / Treiberstufe schalten. Ich habe ein Datenblatt von einem, der 30mA schalten kann. |
Ja, aber wenn du einen gewöhnlichen bipolar-Transistor nimmst, wirst du mit einen Widerstand in der Basisleitung den Steuerstrom begrenzen müssen.
Da du 10V Ansteuerung hast, und 0,5mA Steuerstrom ausreichen, wäre ein Widerstand von 18..22kOhm richtig.
Eine passendenden Vorwiderstand für die LED brauchst du natürlich trotzdem.
Alternativ den LED-Vorwiderstand für höchstens 10mA berechnen und direkt aus einem IC-Ausgang ansteuern, der nichts anderes tut.
_________________
Haftungsausschluß:
Bei obigem Beitrag handelt es sich um meine private Meinung.
Rechtsansprüche dürfen aus deren Anwendung nicht abgeleitet werden.
Besonders VDE0100; VDE0550/0551; VDE0700; VDE0711; VDE0860 beachten !
|
BID = 86710
DonComi Inventar
     
Beiträge: 8604 Wohnort: Amerika
|
OK. Ich werde mir die Teile besorgen und das ganze mal ausprobieren. Vielen Dank nochmal. Man, was täte ich nur ohne diese Hilfe?
mfg
David
|
BID = 86873
DonComi Inventar
     
Beiträge: 8604 Wohnort: Amerika
|
Jou, ich habe mir jetzt den Conrad Katalog besorgt. Ich habe auch schon bei den ICs gesucht. Ich benötige ja bloß ICs der Seria 40xx. Entgegen meiner bisherigen Annahme, dass es sich bei diesen Typen um TTL-Schaltungen handelt, gibt es die nur in CMOS-Technik. Also meine Frage, wo da der konkrete Unterschied zwischen der Außenbestaltung der ICs ist. Ich weiß nur, dass auf jeden Fall unbelegte Pins auf den High-Pegel gelegt werden müssen. Außerdem muss ich Pulldown- bzw. up-widerstände benutzen. Gibt es sonst noch irgendetwas Wichtiges, woran ich denken muss?. Danke!
mfg
David
|
BID = 86875
DonComi Inventar
     
Beiträge: 8604 Wohnort: Amerika
|
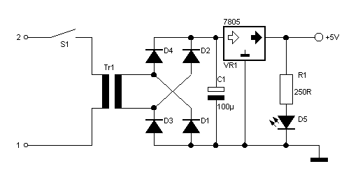
PS: Würde der Plan so funktionieren?
(Habe den 22KOhm-Widerstand in der Basisleitung von T1 vergessen)
mfg
David
[ Diese Nachricht wurde geändert von: DonComi am 29 Jul 2004 1:29 ]
Ja, aber nur, wenn du NOR-FFs verwendest. Bei NAND-FFs mußt du nach GND schalten.
Wenn du das, wie gezeichnet, mit Emitterfolger machst, darfst du den Widerstand ruhig vergessen. Du hast dann aber nur 5V-0,7V = 4,3V für die LED zur Verfügung.
[ Diese Nachricht wurde geändert von: perl am 30 Jul 2004 9:23 ]
|
BID = 87168
DonComi Inventar
     
Beiträge: 8604 Wohnort: Amerika
|
Ich habe mir heute einen Logic-Tester besorgt. Dann habe ich das Teil an einen 9Volt-Akku gehängt, und mit der Spitze (Elektrode) abwechseln auf "-" getastet und dann auf "+". Bei - hat er "Low" angezeigt, bei "+" "High".
Demnach sollte das bei folgender Schaltung doch genauso sein, oder. (Abgesehen von dem Brummen, das der Trafo verursacht, müsste man doch damit digitale SAchaltungen realisieren können?)
Ich würde das auch gerne selbst ausprobieren, nur habe ich die Teile nicht, um es zu machen. Und nur um etwas zu testen möchte ich nicht viel Geld ausgeben. Wenn ich langsam nerve, dann sagt das bitte.
Danke!
mfg
David
|
BID = 87186
perl Ehrenmitglied
       
Beiträge: 11110,1 Wohnort: Rheinbach
|
Zitat :
DonComi hat am 30 Jul 2004 01:05 geschrieben :
|
....
Demnach sollte das bei folgender Schaltung doch genauso sein, oder. (Abgesehen von dem Brummen, das der Trafo verursacht, müsste man doch damit digitale SAchaltungen realisieren können?) |
Diese Schaltung ist soweit auch ok. Üblicherweise baut man so nah wie möglich am Eingang und Ausgang des ICs noch keramische 0,1µF Kondensatoren ein, weil manche Regler sonst schwingen.
Du kannst mit dieser Netzteilschaltung den Digitalteil entwickeln, aber wenn die Analogschalter ins Spiel kommen, solltest du dir ein Doppel-Netzteil bauen, das -5V für Vss und +5V für Vdd liefert.
Wie das geht, hatte ich oben schon skizziert.
Masse des NF Signals in die Mitte, denn schließlich ist das eine Wechselspannung, die um die Nulllinie herum pendelt.
Widerstände der LEDs neu berechnen, denn dann sind 10V "querrüber".
Zitat :
| | Wenn ich langsam nerve, dann sagt das bitte. |
Nöö, aber ich hab gleich Urlaub
- und dann ist Sendepause..
_________________
Haftungsausschluß:
Bei obigem Beitrag handelt es sich um meine private Meinung.
Rechtsansprüche dürfen aus deren Anwendung nicht abgeleitet werden.
Besonders VDE0100; VDE0550/0551; VDE0700; VDE0711; VDE0860 beachten !
|
BID = 87416
DonComi Inventar
     
Beiträge: 8604 Wohnort: Amerika
|
Ich danke dir. Habe mir schon 50% der Teile bei Conrad bestellt. Soweit ist jetzt auch alles klar.
Ich wünsche dir einen schönen Urlaub!
mfg
David 
|
|
Zum Ersatzteileshop
Bezeichnungen von Produkten, Abbildungen und Logos , die in diesem Forum oder im Shop verwendet werden, sind Eigentum des entsprechenden Herstellers oder Besitzers. Diese dienen lediglich zur Identifikation!
Impressum
Datenschutz
Copyright © Baldur Brock Fernsehtechnik und Versand Ersatzteile in Heilbronn Deutschland
gerechnet auf die letzten 30 Tage haben wir 17 Beiträge im Durchschnitt pro Tag heute wurden bisher 7 Beiträge verfasst © x sparkkelsputz Besucher : 188002711 Heute : 6730 Gestern : 15227 Online : 350 29.12.2025 19:29 10 Besucher in den letzten 60 Sekunden alle 6.00 Sekunden ein neuer Besucher ---- logout ----viewtopic ---- logout ----
|
xcvb
ycvb
0.0399460792542
|