SHARP TV DV-5150S

Reparaturtipps und Ersatzteile zum Fehler:

Im Unterforum Reparatur - Fernsehgeräte - Beschreibung: Reparaturprobleme mit Fernseher, TV, Farbfernseher

Elektronik Forum Nicht eingeloggt       Einloggen       Registrieren




[Registrieren]      --     [FAQ]      --     [ Einen Link auf Ihrer Homepage zum Forum]      --     [ Themen kostenlos per RSS in ihre Homepage einbauen]      --     [Einloggen]

Suchen


Serverzeit: 31 12 2025  07:43:34      TV   VCR Aufnahme   TFT   CRT-Monitor   Netzteile   LED-FAQ   Oszilloskop-Schirmbilder            


Elektronik- und Elektroforum Forum Index   >>   Reparatur - Fernsehgeräte        Reparatur - Fernsehgeräte : Reparaturprobleme mit Fernseher, TV, Farbfernseher

Autor
TV SHARP DV-5150S

    







BID = 59306

Blue Wolf

Schriftsteller



Beiträge: 551
Wohnort: Detmold / Lippe
Zur Homepage von Blue Wolf ICQ Status  
 

  


Geräteart : Fernsehgerät
Hersteller : SHARP
Gerätetyp : DV-5150S
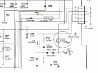
Chassis : DUNTK7090BM
Messgeräte : Multimeter, Oszilloskop
______________________

Gerät geht sofort in Schutzschaltung. Einen Fehler habe ich schon gefunden: R621 (braun/?/?/gold/violett) ist verkohlt, gibt mir einen Wert von 3,375 kOhm.
Habe jedoch keinen Schaltplan, kann mir bitte jemand den genauen Wert dieses R nennen? Der sitzt in der Nähe vom HOT.

MfG
Ingo

_________________

Erklärung von Abkürzungen

BID = 59344

Bergsteiger

Gelegenheitsposter



Beiträge: 80

 

  

3,3k ist ok



Erklärung von Abkürzungen


Vorheriges Thema Nächstes Thema 


Zum Ersatzteileshop


Bezeichnungen von Produkten, Abbildungen und Logos , die in diesem Forum oder im Shop verwendet werden, sind Eigentum des entsprechenden Herstellers oder Besitzers. Diese dienen lediglich zur Identifikation!
Impressum       Datenschutz       Copyright © Baldur Brock Fernsehtechnik und Versand Ersatzteile in Heilbronn Deutschland       

gerechnet auf die letzten 30 Tage haben wir 16 Beiträge im Durchschnitt pro Tag       heute wurden bisher 2 Beiträge verfasst
© x sparkkelsputz        Besucher : 188012756   Heute : 1342    Gestern : 7121    Online : 193        31.12.2025    7:43
3 Besucher in den letzten 60 Sekunden        alle 20.00 Sekunden ein neuer Besucher ---- logout ----viewtopic ---- logout ----
xcvb ycvb
0.0535609722137