Schaltung für drei Stromkreise

Im Unterforum LED Alles über Leuchtdioden - Beschreibung: Probleme mit Leuchtdioden, LED

Elektronik Forum Nicht eingeloggt       Einloggen       Registrieren




[Registrieren]      --     [FAQ]      --     [ Einen Link auf Ihrer Homepage zum Forum]      --     [ Themen kostenlos per RSS in ihre Homepage einbauen]      --     [Einloggen]

Suchen


Serverzeit: 24 12 2025  12:20:19      TV   VCR Aufnahme   TFT   CRT-Monitor   Netzteile   LED-FAQ   Oszilloskop-Schirmbilder            


Elektronik- und Elektroforum Forum Index   >>   LED Alles über Leuchtdioden        LED Alles über Leuchtdioden : Probleme mit Leuchtdioden, LED


Autor
Schaltung für drei Stromkreise
Suche nach: schaltung (31744) stromkreise (2748)

    







BID = 84094

SVision

Gerade angekommen


Beiträge: 5
 

  


Hallo,

ich suche einen schaltkreis, der zwischen drei verschiedenen stromkreisen intervallartig schaltet. Er soll mit 12 Volt betrieben werden und diese abwechselnd an drei verschiedene Stromkreise durchlassen, also ähnlich einer flipflop-Schaltung, nur eben mit drei Stromkreisen.
Vielen Dank im Voraus

BID = 84112

tixiv

Schreibmaschine



Beiträge: 1492
Wohnort: Gelsenkirchen

 

  

Also ein 3 Kanal Lauflicht für 12V Glühbirnen?

BID = 84182

SVision

Gerade angekommen


Beiträge: 5

Ja, sowas in der Art. Wobei ich eher LEDs verwenden möchte, aber das kommt ja aufs gleiche raus. Die Schaltzeit sollte außerdem möglichst mit einem Poti regelbar sein.
Auch noch wichtig ist, dass die Schaltzeiten mindestens 10 Sekunden dauern sollten, also wesentlich länger als bei einem herkömmlichen Lauflicht.

[ Diese Nachricht wurde geändert von: SVision am 19 Jul 2004 12:35 ]

BID = 84214

tixiv

Schreibmaschine



Beiträge: 1492
Wohnort: Gelsenkirchen

Dann google doch nach nem Schaltplan für ein 3 Kanal Lauflicht, und dann machst Du den Kondensator vom Taktgeber grösser, um die Zeit die jede LED an ist zu verlängern.
Weitere Suchbegriffe:
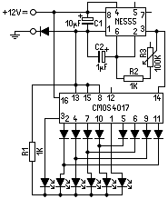
NE555 4017

BID = 84223

SVision

Gerade angekommen


Beiträge: 5

Ich habe folgenden Schaltplan gefunden, habe aber noch eine Frage: Ist es möglich den Übergang zwischen den LEDs "weicher" zu machen, dass also die LEDs noch "nachleuchten"?



BID = 84226

tixiv

Schreibmaschine



Beiträge: 1492
Wohnort: Gelsenkirchen

Ja klar geht das. Google mal weiter, ich habe letztens erst irgendwo solch einen Schaltplan gesehen. Dafür währen ein paar Änderungen noch erforderlich, und ich habe keine Lust das zu zeichnen, da es solche Schaltpläne bestimmt schon haufenweise im www gibt.
Ausserdem dachte ich, Du wolltest nur 3 Kanäle ?!? Das hier ist ausserdem so ein Knight Rider Lauflicht, wo der Punkt hin und her läuft.

BID = 84389

SVision

Gerade angekommen


Beiträge: 5

Habe noch eine andere Schaltung gefunden. Hier würde ich dann jeweils an R14/R9 bzw R10/R11 bzw R12/R13 die gleiche LED anschließen. Funktioniert das auch mit 20 mA-LEDs?



BID = 84439

tixiv

Schreibmaschine



Beiträge: 1492
Wohnort: Gelsenkirchen

Ja, du brauchst nur den Vorwiderstand entsprechend zu berechnen. Du bracuhst übrigens nur einen Vorwiderstand, wenn Du nur 3 LED's verwenden möchtest. Wenn Du noch ein ausdimmen implementieren willst, dann braucht aber jede LED nen eigenen Vorwiderstand, und dann kommt da ein Elko mit ca. 100uF parallel zu LED und Vorwiderstand.

BID = 84500

SVision

Gerade angekommen


Beiträge: 5

Vielen Dank für die Hilfe, werds demnächst mal ausprobieren...


Vorheriges Thema Nächstes Thema 


Zum Ersatzteileshop


Bezeichnungen von Produkten, Abbildungen und Logos , die in diesem Forum oder im Shop verwendet werden, sind Eigentum des entsprechenden Herstellers oder Besitzers. Diese dienen lediglich zur Identifikation!
Impressum       Datenschutz       Copyright © Baldur Brock Fernsehtechnik und Versand Ersatzteile in Heilbronn Deutschland       

gerechnet auf die letzten 30 Tage haben wir 18 Beiträge im Durchschnitt pro Tag       heute wurden bisher 2 Beiträge verfasst
© x sparkkelsputz        Besucher : 187912116   Heute : 6415    Gestern : 19923    Online : 399        24.12.2025    12:20
6 Besucher in den letzten 60 Sekunden        alle 10.00 Sekunden ein neuer Besucher ---- logout ----viewtopic ---- logout ----
xcvb ycvb
0.0692908763885