| Autor |
Wenn 2 Signale (=2LEDs) ... dann Relais schalten ... Suche nach: relais (22569) |
|
|
|
|
BID = 633761
eft12 Gerade angekommen
Beiträge: 3
|
|
Hallo,
wie bekomme ich am einfachsten ein Relais geschaltet, wenn 2 Signale "anliegen"?
D.H. wenn LED1 UND LED2 leuchten, soll ein Relais anziehen über das dann ca. 12V/1A fließen werden.
Mit nur einem "Signal" ist mir das soweit klar, aber wie verbindet man die beiden Signale? Es gibt bestimmt eine elegantere Lösung, als 2 Relais zu verwenden ... oder?
Für einen Hinweis wäre ich dankbar!
Gruß
Stefan |
|
BID = 633763
der mit den kurzen Armen Urgestein
     
Beiträge: 17437
|
|
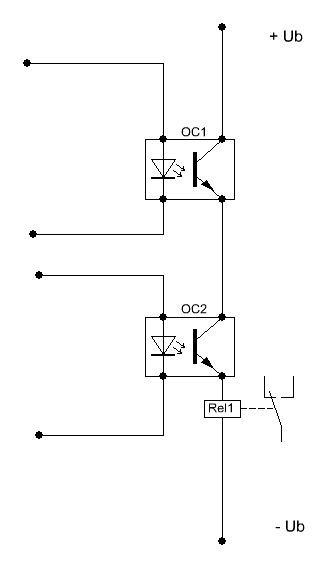
2 Optokoppler und die Transistoren als Transistorund schalten.
Gruß Bernd |
|
BID = 633764
Mr.Ed Moderator
      
Beiträge: 36327 Wohnort: Recklinghausen
|
Die Lösung hast du schon geschrieben. LED1 UND LED2. Dafür gibt es ein UND-Gatter, z.B ein 7408.
_________________
-=MR.ED=-
Anfragen bitte ins Forum, nicht per PM, Mail ICQ o.ä. So haben alle was davon und alle können helfen. Entsprechende Anfragen werden ignoriert.
Für Schäden und Folgeschäden an Geräten und/oder Personen übernehme ich keine Haftung.
Die Sicherheits- sowie die VDE Vorschriften sind zu beachten, im Zweifelsfalle grundsätzlich einen Fachmann fragen bzw. die Arbeiten von einer Fachfirma ausführen lassen.
|
BID = 633768
eft12 Gerade angekommen
Beiträge: 3
|
oh ... das waren ja mal 2 schnelle Antworten ....
V I E L E N D A N K
dafür!
Im Shop von CE habe ich dazu allerdings nichts gefunden (außer zahlreiche Tintenpatronen) ... das liegt sicherlich an mir ... aber nach was muß ich denn suchen?
7408 ... findet nichts passendes
UND GATTER bei aktive Bauelemente ... auch nichts
DANKE für einen Hinweis!
Stefan
|
BID = 633771
der mit den kurzen Armen Urgestein
     
Beiträge: 17437
|
74 LS 08
oder das
[ Diese Nachricht wurde geändert von: der mit den kurzen Armen am 13 Sep 2009 17:41 ]
|
BID = 633773
dl2jas Inventar
     
Beiträge: 9913 Wohnort: Kreis Siegburg
|
Wenn keine galvanische Trennung erforderlich ist, geht es auch direkt mit zwei Transistoren.
DL2JAS
_________________
mir haben lehrer den unterschied zwischen groß und kleinschreibung und die bedeutung der interpunktion zb punkt und komma beigebracht die das lesen eines textes gerade wenn er komplizierter ist und mehrere verschachtelungen enthält wesentlich erleichtert
|
BID = 633797
eft12 Gerade angekommen
Beiträge: 3
|
Vielen Dank für die Infos ... das hilft mir weiter!
Gruß
Stefan
|