Siemens Logo 24VDC mit Hygrosense Relaiskarte verbinden.

Im Unterforum Alle anderen elektronischen Probleme - Beschreibung: Was sonst nirgendwo hinpasst

Elektronik Forum Nicht eingeloggt       Einloggen       Registrieren




[Registrieren]      --     [FAQ]      --     [ Einen Link auf Ihrer Homepage zum Forum]      --     [ Themen kostenlos per RSS in ihre Homepage einbauen]      --     [Einloggen]

Suchen


Serverzeit: 28 12 2025  21:21:08      TV   VCR Aufnahme   TFT   CRT-Monitor   Netzteile   LED-FAQ   Oszilloskop-Schirmbilder            


Elektronik- und Elektroforum Forum Index   >>   Alle anderen elektronischen Probleme        Alle anderen elektronischen Probleme : Was sonst nirgendwo hinpasst

Gehe zu Seite ( Vorherige Seite 1 | 2 )      


Autor
Siemens Logo 24VDC mit Hygrosense Relaiskarte verbinden.
Suche nach: siemens (12542)

    







BID = 629081

francydt

Schreibmaschine


Avatar auf
fremdem Server !
Hochladen oder
per Mail an Admin

Beiträge: 1084
Wohnort: Mettmach Austria OÖ
 

  


Hier habe ich mal ne Schaltung im Multisim gemacht.

Die Simulation funktioniert zwar nicht. Ich denke das liegt am falschen Optokopler. Aber müsste das so funktionieren?

Habe mir gedacht, bevor ich die Spannung von 24V auf z.b. 5V runtersetzte und ne menge Verlustleistung habe, verwende ich gleich ein anderes NT für die Relaiskarte.

Wäre das eine Möglichkeit?

mfg francy



BID = 629272

der mit den kurzen Armen

Urgestein



Beiträge: 17437

 

  

Wenn ich eine LED währe würde ich dir ins Gesicht hüpfen. Ich mag gern einen Vorwiderstand bei zu viel Elektronen wird mir sehr schnell heiß.
Gruß Bernd

BID = 629303

francydt

Schreibmaschine


Avatar auf
fremdem Server !
Hochladen oder
per Mail an Admin

Beiträge: 1084
Wohnort: Mettmach Austria OÖ

Jo schon klar den habe ich hier vergessen. Danach habe ich einen passend auf den Strom vom Datenblatt und der Durchflussspannung geschaltet. Leider funktioniert das auch nicht. Ich bekomme einen Widerstand am Ausgang ungeschaltet ca. 40MOHM und geschaltet auch noch ein paar MOHM zusammen.


Aber ich denke es liegt an der Auswahl des Optokoppler. Ich muss mir die Datenblätter nochmal durchlesen.

Vorwiderstand wird ja wie bei einer LED gerechnet oder? Ist ja im Prinzip nix anderes.

Ich bau mal im Multisim ein paar einfachere SChaltungen auf und Simuliere die, wo ich weiß das die Funktionieren müssen. Vieleicht liegts auch am Multisim selbst.

mfg francy

BID = 629307

der mit den kurzen Armen

Urgestein



Beiträge: 17437

egal was du für nen Optokoppler nimmst die Led braucht max 10 bis 20 mA um den Transistor durchzusteuern
Gruß Bernd

BID = 629314

der mit den kurzen Armen

Urgestein



Beiträge: 17437

und spendiere der Transe einen Arbeitswiderstand sonst gibt es einen Kurzschluss

BID = 629325

francydt

Schreibmaschine


Avatar auf
fremdem Server !
Hochladen oder
per Mail an Admin

Beiträge: 1084
Wohnort: Mettmach Austria OÖ

Hallo

So habs hingebracht. Der Optokoppler ist ein gängiges Modell und kostet 20 cent.

Habe im Feld die technischen Daten hingeschrieben. Ich hoffe ich habe die Bezeichnung richtig interpretiert. Der SChalter J1 entsrpicht der geschalteten Masse der Steuerkarte. Da dieße eh Potentialfrei sind, verwende ich lieber ein 5-6V Schaltnetzteil. Ich denke da habe ich mehr Stromersparnis, als wenn ich die 24VDC runterwürge.

mfg francy



BID = 629328

der mit den kurzen Armen

Urgestein



Beiträge: 17437

Hallo weist du überhaupt was Potentialfrei bedeutet ???
Dein Ausgang ist wohl eher ein open Colektorausgang und der ist mitnichten Potentialfrei!!!

BID = 629333

francydt

Schreibmaschine


Avatar auf
fremdem Server !
Hochladen oder
per Mail an Admin

Beiträge: 1084
Wohnort: Mettmach Austria OÖ

Ja das schon, aber ich kann eine externe Spannung anlegen und muss nicht die Spannung vom Board hernehmen. Mit 24VDC bekomme ich gleich mal 1 Watt Verlustleistung.

Wenn ich den Vorwiderstand so dimensioniere das max 30mA fließen können und der Optokoppler sicher schaltet, dann kann ich auf 30 auch runtergehen oder? Muss ich nicht zwangsweise mit 60mA ansteuern.

60mA wenn ich das Datenblatt richtig interpretiert habe.

Um die 24VDC der Ausgänge der Logo mittels Optokoppler zu schalten um dann die Eingänge der Steuerkarte zur Diagnose (Wo ist Licht an und aus) muss ich sowieso dann die Spannung runterbraten. Oder gibts da ne andere Möglichkeit.

mfg francy

BID = 629343

der mit den kurzen Armen

Urgestein



Beiträge: 17437

quatsch die LED steuert den Transistor im Optokopler durch oder dieser Transistor ist gesperrt ein Widerstand in der Emitterleitung begrentzt den fliesenden Strom und zieht den Emitter ohne Ansteuerung auf Masse .
Wird der Transistor durchgesteuert liegen am Emmitter fast 24V an.Genau das willst du erreichen. Beschäftige dich mal mit den Grundschaltungen der Transistortechnik. Verlustleistung tritt Hier Höchstens während des Ansteuerns auf!!

BID = 629357

francydt

Schreibmaschine


Avatar auf
fremdem Server !
Hochladen oder
per Mail an Admin

Beiträge: 1084
Wohnort: Mettmach Austria OÖ

Man oh Man ich bin ja auch so ein I****** . Irgendwie bin ich jetzt davon ausgegangen das der Optokoppler andauernd arbeiten muss, aber der wird ja nur immer mit Tastimpulsen aus der Steuerkarte beschaltet. Deshalb ist es komplett "wurscht" ob da jetzt übern Vorwiderstand der LED Seite soviel verbraten wird.

Irgendwo hatte ich da im Kopf nen Wurm drinnen. Oder vieleicht auch 2 *gg*

mfg francy

[ Diese Nachricht wurde geändert von: francydt am 24 Aug 2009 22:55 ]

BID = 629434

high_speed

Schreibmaschine



Beiträge: 2073


Zitat :
francydt hat am 24 Aug 2009 22:13 geschrieben :

..
Wenn ich den Vorwiderstand so dimensioniere das max 30mA fließen können und der Optokoppler sicher schaltet, dann kann ich auf 30 auch runtergehen oder? Muss ich nicht zwangsweise mit 60mA ansteuern.

60mA wenn ich das Datenblatt richtig interpretiert habe.
..



Wo hast du die 60mA im Datenblatt gelesen?
Stand da zum Beispiel "absolute maximum ratings at 25°C free-air
temperature" drüber?
Das ist die Foltergrenze für die Bauteile, darüber sinkt die Lebensdauer
merklich.
Wenn man soetwas dimensionieren will, muss man
1. die Ausgangsdaten kennen: Strom und Spannung
2. das Datenblatt lesen
3. überlegen, wie man das bauteil ansteuern muss, damit die Ausgangsdaten passen

Als Ansteuerung von der Logo wissen wir, das am Eingang mindestens 12V
anliegen müssen um eine 1 sicher darzustellen.
Der Eingangsstrom bei 24V beträgt 2mA .
Im Datenblatt steht das Übersetzungsverhältnis von LED Strom ->
Kollektorstrom vom Phototransistor. Da sucht man sich jetzt den
schlechtesten Fall aus (minimale garantierte Übersetzung).
Ausgangsseitig braucht man einen Strom von 2mA, so kommt man auf den
Strom, der dann Eingangsseitig fließen muss. Noch ein bisschen Reserve drauf, fertig. Das Rechnen überlasse ich mal euch.

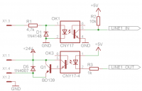
Im Anhang mal ein Beispiel für eine Schnittstellenbeschaltung einer
µC-Schaltung mit Optokopplern.

X1.1 +24V (von der Versorgung)
X1.2 Masse (von der Versorgung)
X1.3 Digitaleingang (4,8mA @ 24V)
X1.4 Digitalausgang max. 500mA

D1 Schützt die LED vor negativen Spannungen.
LEDs vertragen verpolt maximal um die 6V.

D5 schützt den Ausgang vor negativen Induktionsspannungen.

Für den Ausgang wurden Optokoppler mit einer größeren garantierten
Übersetzung benutzt, so das man mit einem geringen LED Strom den
Transistor sicher schalten kann. Damit Q1 einen Strom von 500mA treibt, muss durch seine Basis ein Strom von 20mA fließen.
(Garantierte Verstärkung h_FE = 25 bei I_C = 500mA )

MfG
Holger




_________________
George Orwell 1984 ist nichts gegen heute.
Der Überwachungsstaat ist schon da!

Leider lernen die Menschen nicht aus der Geschichte,
ansonsten würde sie sich nicht andauernd wiederholen.

BID = 629553

francydt

Schreibmaschine


Avatar auf
fremdem Server !
Hochladen oder
per Mail an Admin

Beiträge: 1084
Wohnort: Mettmach Austria OÖ

Hallo

Danke

Nein das habe ich nicht aus dem Datenblatt entnommen, sondern aus dem Infofeld von Multisim. Da stehen die meisten technisch relevanten Daten drinnen.

Das habe ich in der Zeichnung dazugepostet. Bein jetzt wieder auf 24VDC raufgegangen, und habe den Vorwiderstand so angepasst, das nur ca. 20mA drübergehen. Das sind bei 24VDC ca. 1,1kOHM.

Laut Simulation schaltet der Optokoppler zuverlässig durch.

Ich werde mir mal ein paar Optokoppler besorgen und mal ein bisschen herumprobieren.

mfg francy


Liste 1 SIEMENS    Liste 2 SIEMENS    Liste 3 SIEMENS   

Vorherige Seite      
Gehe zu Seite ( Vorherige Seite 1 | 2 )
Zurück zur Seite 1 im Unterforum          Vorheriges Thema Nächstes Thema 


Zum Ersatzteileshop


Bezeichnungen von Produkten, Abbildungen und Logos , die in diesem Forum oder im Shop verwendet werden, sind Eigentum des entsprechenden Herstellers oder Besitzers. Diese dienen lediglich zur Identifikation!
Impressum       Datenschutz       Copyright © Baldur Brock Fernsehtechnik und Versand Ersatzteile in Heilbronn Deutschland       

gerechnet auf die letzten 30 Tage haben wir 17 Beiträge im Durchschnitt pro Tag       heute wurden bisher 9 Beiträge verfasst
© x sparkkelsputz        Besucher : 187994636   Heute : 13868    Gestern : 11123    Online : 328        28.12.2025    21:21
17 Besucher in den letzten 60 Sekunden        alle 3,53 Sekunden ein neuer Besucher ---- logout ----viewtopic ---- logout ----
xcvb ycvb
0,0693228244781