Autom. Lüftersteuerung für 7 (3+2+1+1) Lüfter???

Im Unterforum Projekte im Selbstbau - Beschreibung: Selbstbau von Elektronik und Elektro

Elektronik Forum Nicht eingeloggt       Einloggen       Registrieren




[Registrieren]      --     [FAQ]      --     [ Einen Link auf Ihrer Homepage zum Forum]      --     [ Themen kostenlos per RSS in ihre Homepage einbauen]      --     [Einloggen]

Suchen


Serverzeit: 26 11 2025  20:17:43      TV   VCR Aufnahme   TFT   CRT-Monitor   Netzteile   LED-FAQ   Oszilloskop-Schirmbilder            


Elektronik- und Elektroforum Forum Index   >>   Projekte im Selbstbau        Projekte im Selbstbau : Selbstbau von Elektronik und Elektro

Gehe zu Seite ( Vorherige Seite 1 | 2 )      


Autor
Autom. Lüftersteuerung für 7 (3+2+1+1) Lüfter???
Suche nach: lüftersteuerung (206) lüfter (6957)

    







BID = 623107

der mit den kurzen Armen

Urgestein



Beiträge: 17437
 

  


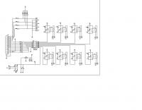
In der Beschreibung zum Bausatz ist auf der Seite 6 der Schaltplan
Pollin link

_________________
Tippfehler sind vom Umtausch ausgeschlossen.
Arbeiten an Verteilern gehören in fachkundige Hände!
Sei Dir immer bewusst, dass von Deiner Arbeit das Leben und die Gesundheit anderer abhängen!
den Download haste ja gefunden der ULN kann max 500mA Treiben nach + Us


[ Diese Nachricht wurde geändert von: der mit den kurzen Armen am 25 Jul 2009 13:23 ]

BID = 623109

Kleinspannung

Urgestein



Beiträge: 13375
Wohnort: Tal der Ahnungslosen

 

  

Sorry,irgendwie machst du was falsch.
Oder hast du deinen Reader noch nicht fertig programmiert?
Bitteschön,Schaltung von Seite 6.




_________________
Manche Männer bemühen sich lebenslang, das Wesen einer Frau zu verstehen. Andere befassen sich mit weniger schwierigen Dingen z.B. der Relativitätstheorie.
(Albert Einstein)

BID = 623115

Gerd34

Gerade angekommen


Beiträge: 6
Wohnort: Bad Berleburg

Gut, jetzt hab ichs gefunden,jedoch blick ich da einfach nicht durch. Vorher hab ich immer auf dem Datenblatt des IC´s nach Seite 6 gesucht :sm7:. Danke nochmal.



[ Diese Nachricht wurde geändert von: Gerd34 am 25 Jul 2009 14:13 ]

BID = 623119

Kleinspannung

Urgestein



Beiträge: 13375
Wohnort: Tal der Ahnungslosen


Zitat :
Gerd34 hat am 25 Jul 2009 14:04 geschrieben :

jedoch blick ich da einfach nicht durch.

So schwer ist das ja nun wieder auch nicht...
Der LPT muß ein positives Signal liefern,womit die einzelnen "Teile" des ULN durchgeschaltet werden.Und zwar muß die LAst zwischen Plus und dem Ausgang des ULN.(stell dir einfach einzelnene Transistoren vor,viel mehr ist in der Blackbox nicht drin).
Die Vorwiderstände dienen nur zum Schutz des LPT,falls mal was schief läuft.Sonst geht der Teil des Mainboards hoch.Wenn du absolut sicher bist und kurzschlußfrei arbeiten kannst,kannste die auch weglassen.
Basisvorwiderstände hat der 2003 bereits integriert.

_________________
Manche Männer bemühen sich lebenslang, das Wesen einer Frau zu verstehen. Andere befassen sich mit weniger schwierigen Dingen z.B. der Relativitätstheorie.
(Albert Einstein)

BID = 623213

Bartholomew

Inventar



Beiträge: 4676

Wenn am Eingang A des 2003 ein High-Pegel anliegt (5V), schaltet Ausgang A nach GND durch (hängt an Pin 9 für alle Ausgänge gemeinsam), ansonsten nicht. Pin 10 (Freilaufdioden, wichtig für induktive Lasten) wird an 12V angeklemmt, genau wie die ganzen Lüfter. Das war's.
Belegung des Parallelports:
http://en.wikipedia.org/wiki/LPT
Die Pins 2-9 kannst Du als Ausgänge nutzen, die Pins 10-13 als Eingänge.

Die Funktion der 100Ω-Widerstände hat KS ja schon erläutert
(Den Rest eigentlich auch, aber doppelt hält besser...)

Hier noch zwei Threads, die lesenswert für Dich sind:
http://www.mikrocontroller.net/topic/22791
http://www.mikrocontroller.net/topic/40393

Da steht was über geeignete PWM-Frequenzen drin (habe einfach mal "pwm lüfter frequenz" gegoogelt). Außerdem gibt's da noch was zum Thema Spannungsglättung hinter der PWM (für die Elektronik des bürstenlosen Motors, so welche wirst Du wahrscheinlich haben). Vermutlich ist es bei Deinen Lüftern mit ein paar kleinen Kondensatoren gegen GND getan, siehe Tip #14 auf Seite 36:
http://www.mikrocontroller.net/attachment/7595/CCP_Tricks.pdf
Außerdem sollten die 12V auf deiner Platine mit einem Elko (ca. 100µF) und einem Kerko (ca. 100nF) stabilisiert werden. Nicht, dass die PWM noch den Rechner stört.

Bei Fragen fragen.

Nachtrag:
Hier steht, dass PWM-geregelte PC-Lüfter normalerweise mit einer Frequenz um 25kHz gesteuert werden:
http://board.gulli.com/thread/82604.....ieen/

20 kHz sollten es auch tun. Gibt etwas weniger Schaltverluste und ist noch oberhalb der Hörgrenze.


Gruß, Bartho

[ Diese Nachricht wurde geändert von: Bartholomew am 26 Jul 2009  2:14 ]

BID = 623222

DonComi

Inventar



Beiträge: 8604
Wohnort: Amerika


Zitat :
Für einen C++ Programmierer ist das ein Kinderspiel.
Ja, mein Computer hat sogar drei LTP Schnittstellen, jetzt bräuchte ich nur noch einen Bauplan (bitte mit Verwendung einer Experimentier-Platine(s.o.))

Oha...

Als Fachmann wäre es für dich doch kein Problem, nen kleines Programm für einen µC zu tippen, welches per USB mit dem Host kommuniziert...
Geht auch in C++...

_________________


Vorherige Seite      
Gehe zu Seite ( Vorherige Seite 1 | 2 )
Zurück zur Seite 0 im Unterforum          Vorheriges Thema Nächstes Thema 


Zum Ersatzteileshop


Bezeichnungen von Produkten, Abbildungen und Logos , die in diesem Forum oder im Shop verwendet werden, sind Eigentum des entsprechenden Herstellers oder Besitzers. Diese dienen lediglich zur Identifikation!
Impressum       Datenschutz       Copyright © Baldur Brock Fernsehtechnik und Versand Ersatzteile in Heilbronn Deutschland       

gerechnet auf die letzten 30 Tage haben wir 16 Beiträge im Durchschnitt pro Tag       heute wurden bisher 12 Beiträge verfasst
© x sparkkelsputz        Besucher : 186838781   Heute : 36464    Gestern : 47700    Online : 385        26.11.2025    20:17
20 Besucher in den letzten 60 Sekunden        alle 3.00 Sekunden ein neuer Besucher ---- logout ----viewtopic ---- logout ----
xcvb ycvb
0.0282938480377