Elektronisches Manometer Im Unterforum Projekte im Selbstbau - Beschreibung: Selbstbau von Elektronik und Elektro
| Autor |
|
|
|
BID = 594531
diablo_nrw Gerade angekommen
Beiträge: 2 Wohnort: Menden
|
|
Moin Moin,
Möchte mich erstmal Vorstellen!
Bin der Jens 21jahre alt und komme aus dem Schönen Menden im Sauerland!
Ich habe Freescale Drucksensor bis 8Bar (Typ MPX 5700GS)und nun Möchte ich den "druck" über Leds sichbar machen!Also 0,5Bar > Led1, 1,0Bar > Led2 usw usw bis 8,0Bar > Led16!Als ausgang stellt der MPX 5700GS 0-4,75V zuverfügung bei 0 bis max 8Bar!
Habe mir schon ein LM3914 angeschaut davon 2stk. nur weis ich nicht wie ich den beschalte damit eh bei 4,75V Ledausgang 16Leuchtet! die restlichen 4 ausgänge kann ich ja dann unbeschaltet lassen!Oder?
Wäre super wenn mir da jemand helfen könnte!
Gruss Jens
|
|
BID = 594551
Bartholomew Inventar
     
Beiträge: 4676
|
|
Hallo Jens, Willkommen im Forum
*In den Forenkeller steig und alte Akte hochhol*
https://forum.electronicwerkstatt.d......html
Datenblatt:
http://www.national.com/mpf/LM/LM3914.html
Auf Seite 2 findest Du die "Standardbeschaltung". Die muss etwas modifiziert werden.
Beschaltung "unterer" 3914:
R1 ist für die Helligkeit der LEDs zuständig (genauer: für deren Strom). 1,2kΩ ergeben etwa 10mA pro LED.
R2 bestimmt (in Kombination mit R1) die Referenzspannung. Verwende einen linearen 10kΩ-Trimmer. Damit kannst Du die Anzeige kalibrieren.
Der Manometerausgang kommt zwischen GND und SIG.
R_HI wird abweichend nicht mit REF_OUT verbunden, sondern mit R_LOW des oberen 3914. Dessen R_HI kommt an REF_OUT des unteren 3914.
Beschaltung "oberer" 3914:
R1 identisch, R2 entfällt.
Der Manometerausgang kommt wieder zwischen GND und SIG.
Nicht benötigte LEDs werden nicht angeschlossen.
Das war's auch schon. Noch Fragen?
Gruß, Bartho |
|
BID = 594564
diablo_nrw Gerade angekommen
Beiträge: 2 Wohnort: Menden
|
Hi,
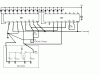
Also wenn ich dich richtig verstanden habe muss das so aussehen?
Bild eingefügt
Gruss Jens
|
BID = 594574
Bartholomew Inventar
     
Beiträge: 4676
|
Schaltplan hängt an.
Schaltbilder speichert man übrigens am besten als GIF, dann bleiben sie scharf.
Gruß, Bartho
|
BID = 594608
Bartholomew Inventar
     
Beiträge: 4676
|
|
|
Zum Ersatzteileshop
Bezeichnungen von Produkten, Abbildungen und Logos , die in diesem Forum oder im Shop verwendet werden, sind Eigentum des entsprechenden Herstellers oder Besitzers. Diese dienen lediglich zur Identifikation!
Impressum
Datenschutz
Copyright © Baldur Brock Fernsehtechnik und Versand Ersatzteile in Heilbronn Deutschland
gerechnet auf die letzten 30 Tage haben wir 18 Beiträge im Durchschnitt pro Tag heute wurden bisher 12 Beiträge verfasst © x sparkkelsputz Besucher : 187826080 Heute : 11260 Gestern : 19310 Online : 210 19.12.2025 18:19 15 Besucher in den letzten 60 Sekunden alle 4.00 Sekunden ein neuer Besucher ---- logout ----viewtopic ---- logout ----
|
xcvb
ycvb
0.0816419124603
|