| Autor |
|
|
|
BID = 591345
der mit den kurzen Armen Urgestein
     
Beiträge: 17437
|
|
Hallo Peter
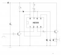
kannste mal bitte vor der +12 volt noch de Diode in Flussrichtung und danach nen 4700µF Elko als Ersatzspannungsquelle einfügen bzw das Teil komplett umzeichnen (impuls vor der Diode abgenommen )
thx Bernd |
|
BID = 591361
Winnib Gerade angekommen
Beiträge: 17 Wohnort: Elmshorn
|
|
Was ich jetzt noch nicht verstehe
R1 ist der jetzt 1k Ohm ?
R2 100K Ohm
R3 1K Ohm
und wie sind die Anschlüsse am NE555 1-8 |
|
BID = 591369
Kleinspannung Urgestein
     
Beiträge: 13393 Wohnort: Tal der Ahnungslosen
|
Zitat :
Winnib hat am 26 Feb 2009 20:26 geschrieben :
|
und wie sind die Anschlüsse am NE555 1-8
|
Wie wärs,wenn du mal endlich das Datenblatt vom Ne555 lesen würdest?
Da steht das nämlich drin
_________________
Manche Männer bemühen sich lebenslang, das Wesen einer Frau zu verstehen. Andere befassen sich mit weniger schwierigen Dingen z.B. der Relativitätstheorie.
(Albert Einstein)
|
BID = 591372
der mit den kurzen Armen Urgestein
     
Beiträge: 17437
|
|
BID = 591378
Winnib Gerade angekommen
Beiträge: 17 Wohnort: Elmshorn
|
und was sind das jetzt für Wiederstände wie heißen die genau
|
BID = 591382
Kleinspannung Urgestein
     
Beiträge: 13393 Wohnort: Tal der Ahnungslosen
|
Offtopic :
|
Der hat nicht nur ne Leseschwäche,Eigeninitiative und nachdenken scheinen auch nicht so sein Ding zu sein.
|
_________________
Manche Männer bemühen sich lebenslang, das Wesen einer Frau zu verstehen. Andere befassen sich mit weniger schwierigen Dingen z.B. der Relativitätstheorie.
(Albert Einstein)
|
BID = 591385
Kleinspannung Urgestein
     
Beiträge: 13393 Wohnort: Tal der Ahnungslosen
|
Zitat :
Winnib hat am 26 Feb 2009 21:04 geschrieben :
|
was sind das jetzt für Wiederstände wie heißen die genau
|
Deine Wiederstände sind Widerstände,und die heißen so weil sie welche sind...
_________________
Manche Männer bemühen sich lebenslang, das Wesen einer Frau zu verstehen. Andere befassen sich mit weniger schwierigen Dingen z.B. der Relativitätstheorie.
(Albert Einstein)
|
BID = 591390
Winnib Gerade angekommen
Beiträge: 17 Wohnort: Elmshorn
|
das mir auch klar
aber was heißt jetzt
R1 1K
R2 100K
R3 1K bzw was heißt die 220 da
D1 ist die Diode die heißt 1N4007 oder ?
ist D2 genau die gleiche ?
|
BID = 591397
der mit den kurzen Armen Urgestein
     
Beiträge: 17437
|
Halo Winib
Schlatpläne lesen ist nicht gerade Deine Stärke
1k =1000ohm= richtiger 1kOhm oder anders gesagt läst mann (Frau) der Faulheit wegen das omega Zeichen einfach unter den Tisch fallen .
220 ist demzufolge wohl ?????
gruß Bernd
|
BID = 591399
Winnib Gerade angekommen
Beiträge: 17 Wohnort: Elmshorn
|
jetzt steht aber im schaltplan R1 1K also 1000Ohm
und bei R3 steht 1k und 220 was zählt den jetzt
|
BID = 591403
der mit den kurzen Armen Urgestein
     
Beiträge: 17437
|
r3 zwichen 1k und mindestens 220Ohm
gruß Bernd
|
BID = 591404
Winnib Gerade angekommen
Beiträge: 17 Wohnort: Elmshorn
|
ok und wieviel watt solten die widerstände haben
und ist D2 gleich mit D1
[ Diese Nachricht wurde geändert von: Winnib am 26 Feb 2009 21:34 ]
|
BID = 591407
der mit den kurzen Armen Urgestein
     
Beiträge: 17437
|
hallo winib
rechne mal nach P=U*I und I=U/R mit den beiden Formeln solltest Du das in den Griff bekommen.
gruß Bernd
|
BID = 591411
Otiffany Urgestein
     
Beiträge: 13792 Wohnort: 37081 Göttingen
|
So, jetzt habe ich das Ganze noch mal zeichnen müssen, weil ich es vorher vergessen habe abzuspeichern.
Ich hoffe ich habe jetzt eines Jeden Geschmack getroffen.
Gruß
Peter
P.S.
Das Relais hätte ich lieber nach "oben" verlegen sollen, aber so funktioniert es auch.
[ Diese Nachricht wurde geändert von: Otiffany am 26 Feb 2009 21:55 ]
|
BID = 591428
der mit den kurzen Armen Urgestein
     
Beiträge: 17437
|
Hallo Peter ,Hallo Winib
erstmal thx Peter  W
enn Winib es noch schafft die Schaltung fehlerfrei aufzubauen und den freien Eingang von R4 mit dem freien Eingang von D3 zu verbinden dort seine +12 Volt und am Minuspol des Elkos (Masse)seinen -Pol von den 12 Volt anschliest dürfte das Teil tun was er will.
gruß Bernd
ps übrigens für alle R reichen 0.250 Watt
|