Solarwindmühle durchgehend mit Strom versorgen Im Unterforum Projekte im Selbstbau - Beschreibung: Selbstbau von Elektronik und Elektro
| Autor |
Solarwindmühle durchgehend mit Strom versorgen Suche nach: strom (35724) |
|
|
|
|
BID = 587391
pafolio Gerade angekommen
Beiträge: 4 Wohnort: Schmalkalden
|
|
Hallo Leute,
bin gerade auf dieses Forum gestoßen und hab erst ein paar Beiträge gelesen, denke aber hier bin ich genau richtig. Würde mich über ein Feedback freuen ob meine geplante Konstruktion technisch überhaupt realisierbar ist. Vorab sei noch gesagt, dass der ökonomische Nutzen gleich 0 sein wird, es handelt sich hierbei um ein Spaßprojekt ;-).
Was will ich erreichen:
Folgenden Motor so lange (durchgehend) wie möglich betreiben, ausschließlich mit Solarenergie (+ evtl. Pufferakku).
*************************************
Anlaufspannung: 0,4 Volt
Spannungsbereich: 0,4 - 5,9 Volt
Anlaufstrom: 25 mA
Stromverbrauch: 30 mA (bei 0,5V)
*************************************
Folgende Solar-Module habe ich zur Verfügung:
1x Solarmodul
Leerlaufspannung: 0,58 V
Leerlaufstrom: 330 mA
Abmessung: 30 x 60 mm
2x Solarmodul
Leerlaufspannung: 0,58 V
Leerlaufstrom: 850 mA
Abmessung: 60 x 60 mm
Das kleinere Modul (ersteres) reicht bei Sonnenlicht bereits für die Stromversorgung des Motors aus. Die 2 weiteren größeren sollen im Grunde einen Akku speisen um für schlechte Zeiten vorzusorgen.
An dieser Stelle sehe ich aber das Problem:
Die erzeugten Spannungen sind zu niedrig um elektr. Schaltungen jeglicher Art (z.B. Ladeelektronik) zu betreiben und einen Spannungswandler der mit so niedriger Eingangsspannung arbeitet gibt es wohl auch nicht (oder hab ich nicht gefunden). Schalte ich alle 3 Module in Reihe hätte ich evtl. 1,5V zur Verfügung, was wohl für die Ladung eines normalen R6 Akkus reichen könnte (oder auch nicht).
Soweit die Problemstellung. Würde mich freuen wenn ihr mir einfach mal eure Gedanken zu dieser Geschichte mitteilen würdet.
Danke schonmal im Voraus.
Mfg pafolio
|
|
BID = 587403
LeoLöwe reloaded Schreibmaschine
    
Beiträge: 1406 Wohnort: Meine
|
|
BID = 587414
pafolio Gerade angekommen
Beiträge: 4 Wohnort: Schmalkalden
|
Danke für die schnelle Antwort, war gerade auf Wikipedia und las einen Artikel über Doppelschichtkondensatoren ;-).
Also da ja Ladeelektronik ect. wegfällt wäre das wohl die Lösung für mein Problem.
Allerdings tauchen 2 neue Fragen auf:
1. Es gibt scheinbar nur 2,5V & 5,5V .... mit niedrigeren Spannungen wird man die nicht laden können und somit brauch ich andere Solarmodule?
2. Wie habe ich diesen Satz zu verstehen?
>>>Ein nur teilgeladener Gold-Cap verliert nach dem Abschalten der Spannungsquelle sofort seine Ladespannung!<<<
Seine teilweise bis dahin erreichte Ladung behält er, welche Spannung liegt dann an (undefiniert?)?
(würde dabei an diesen hier denken http://www.conrad.de/goto.php?artikel=451435 )
[ Diese Nachricht wurde geändert von: pafolio am 11 Feb 2009 16:31 ]
|
BID = 587449
pafolio Gerade angekommen
Beiträge: 4 Wohnort: Schmalkalden
|
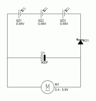
Würde es evtl. so funktionieren?
|
BID = 587512
Futzel Neu hier

Beiträge: 38
|
Hallo,
bei dem Teil, das du verlinkt hast, handelt es sich um einen Kondensator, der braucht keine minimale Ladespannung. Die angegebenen 2,5 Volt sind die maximale Spannung, die er verträgt, mit mehr geht er kaputt.
Die Zeit, die dein Motor mit dem Kondensator laufen kann, kannst du mit der zweiten Formel in dem Wikipedia Artikel, den du gelesen hast, ausrechnen.
Mit der Annahme, dass am Kondensator 1,2 Volt (3x0,5V (Solarzellen) -0,3V Spannungsabfall an der Diode)) anliegen und der Motor selbst bei dieser Spannung nur 30mA verbraucht, komme ich auf 4,44 Stunden. Um eine Nacht zu überbrücken reicht das nicht.
Es gab von Kemo mal einen kleinen Step-Up Wandler, der aus der Spannung einer oder zwei Solarzellen ein paar Volt erzeugt hat, genug zum laden eines Akkus. Aber leider scheint es den nicht mehr zu geben. Der wäre wohl das richtige für dich gewesen.
Eine nette Spielerei, um aus leeren Batterien und Solarzellen eine Spannung, hoch genug zum Laden eines Akkus oder zum Betreiben einer LED, zu erzeugen, ist diese kleine Schaltung:
Kleiner Step-Up Wandler
Gruß
|
BID = 587545
pafolio Gerade angekommen
Beiträge: 4 Wohnort: Schmalkalden
|
Ich danke dir für deine Hilfe. Im Grunde wäre ich auch zufrieden wenn es ein paar Stunden weiterläuft und muss nicht unbedingt die ganze Nacht schaffen. Je nach Wetterlage und Jahreszeit wird der Kondensator ja vielleicht auch nur sehr wenig geladen.
Anbei nochmal meine derzeitige Schaltung zum drüberschauen. Die Scottydioden über den Solarzellen sollen eine Ausweichmöglichkeit bieten wenn eine der Zellen verschattet ist und der Innenwiderstand zu hoch wird.
Bitte bescheidsagen wenn ich da nen grundsätzlichen (Denk-)Fehler in der Schaltung habe, will die Teile demnächst bestellen.
Danke an alle die geholfen haben
[ Diese Nachricht wurde geändert von: pafolio am 12 Feb 2009 0:47 ]
|
|
Zum Ersatzteileshop
Bezeichnungen von Produkten, Abbildungen und Logos , die in diesem Forum oder im Shop verwendet werden, sind Eigentum des entsprechenden Herstellers oder Besitzers. Diese dienen lediglich zur Identifikation!
Impressum
Datenschutz
Copyright © Baldur Brock Fernsehtechnik und Versand Ersatzteile in Heilbronn Deutschland
gerechnet auf die letzten 30 Tage haben wir 17 Beiträge im Durchschnitt pro Tag heute wurden bisher 2 Beiträge verfasst © x sparkkelsputz Besucher : 187999493 Heute : 3509 Gestern : 15227 Online : 420 29.12.2025 11:59 7 Besucher in den letzten 60 Sekunden alle 8.57 Sekunden ein neuer Besucher ---- logout ----viewtopic ---- logout ----
|
xcvb
ycvb
0.132642030716
|