Grundig Videorecorder VCR Videorekorder HIFI 2x8 stereo Reparaturtipps und Ersatzteile zum Fehler: Im Unterforum Reparatur - Video-Geräte - Beschreibung: Videorecorder, Camcorder, DVD-Player und alles was mit Bildaufzeichnung zu tun hat.
| Autor |
|
Videorecorder Grundig 2x8 stereo |
|
|
|
|
BID = 596033
stego Schreibmaschine
     Beiträge: 2506
|
|
Hello Nicola,
now, without reading in the service manual, i guess that it will be good to solder all the soldering points on the module "Ablaufsteuerung".
It looks like the two transistors BD898 are dead (short circuit in all ways B-C-E).
Please remove these transistors and check them for faults.
This may be the reason why the reel motors don´t work.
But also check both motors, if they are running (you can use a 9-V battery for testing). Before testing, disconnect plug from the module!
Best regards
stego
_________________
|
Erklärung von Abkürzungen |
BID = 596059
Nicola Neu hier

Beiträge: 34
|
|
Thanks Stego.Do i have to solder alls points on the module or just some?
The two transistors are sticked with heatsink: how Can I separet those?
The reel motors work fast when I touch the points E,B,C of the transistors with the red cable of the multimeter (200v DCV) and when I take the red cable off,the reel motors stop.
I will make your test with the battery 9v
what do you think about my video?
I will buy 2 new transistors and I will put on the ablaufsteuerung.I hope that the will work again.
Thank you very much
Best regards!
Nicola
[ Diese Nachricht wurde geändert von: Nicola am 15 Mär 2009 21:13 ] |
Erklärung von Abkürzungen |
BID = 596174
stego Schreibmaschine
     Beiträge: 2506
|
Hello Nicola,
first of all, I would solder the points around the two transistors BD898.
After that, if the situation is still the same, I would solder the other points, especially the bigger ones.
I still guess, that there are a few "cold" soldering points. Perhaps the "Ablaufsteuerung" will work again after re-soldering.
But:
The two transistors BD898 (or TIP125) can be defective, having a short circuit. You can test them after removing. If you don´t know, how to test, you can give them a friendly technican for testing.
The transistors are fixed each on the CU-(copper-)heatsink with a claw.
You can see the two black claws on your own photo:
Keine Links zu Werbeschleudern - Um die Grafik passend zu verkleinern > paint verwenden! - photobucket.com
Just remove these claws and you can put out the BD898 (can also be a TIP125).
Best regards and good luck!
stego
_________________
Erklärung von Abkürzungen |
BID = 596263
Nicola Neu hier

Beiträge: 34
|
Hi stego,thank you..I will to make all that.
How can i know if the BD898 is good or dead with my multimeter?
Please,Tell me about your friendly technican!
The test with battery 9v: I must to connect + and - to extremely cables of WIMA st21 0,22u?
best regards and thank!!
Erklärung von Abkürzungen |
BID = 596283
Nicola Neu hier

Beiträge: 34
|
test with 9v battery: OK
reels motor, capstain motor and head video motors running with battery 9 V!
Erklärung von Abkürzungen |
BID = 596392
stego Schreibmaschine
     Beiträge: 2506
|
Testing transistors:
You must set your multimeter to the "Ohm"-range.
Then you test the E->B And B->E diode line.
Also the C->B and B->C line.
And last the C->E and E-> line.
In each way (E/B and B/E and also C/B and B/C there must be measured in one direction a lower and in the opposite direction a higher restistance.
The way E/C and C/E must have a high resistance (or endless resistance) in both ways.
If all testing lines show in both directions a very low resistance test result, the Transistor is bad (short circuit).
And also, if any of the testing lines show a endless resistance, the transistor is bad, except for the lines E/C and C/E.
You have made the test of the motors perfectly!
That´s the demonstration, that all the motors are good.
The alternative type for the BD898 (if you don´t get this type) is TIP125.
You wrote:
Zitat :
| | Please,Tell me about your friendly technican! |
I meant, that you can go to a friendly technican you know, if you don´t know how to test the transistors. Then a friendly technican can test them for you!
Best regards,
stego
_________________
Erklärung von Abkürzungen |
BID = 596528
Nicola Neu hier

Beiträge: 34
|
thank you very much,stego,you was very clear!!
I said about my problem with friendly tecnich and he said me what the problem aren't only 2 transistor but also a resistence,but which?
Please stego,can you post me a 2080A little section about my problem?: the names and the position of the transistor,resistence and other no is the same of the 2280.
i like to look this section:
Keine Links zu Werbeschleudern - Um die Grafik passend zu verkleinern > paint verwenden! - photobucket.com
thank you very much stego..thank for your big patience with me..
best regards
Nicola
Erklärung von Abkürzungen |
BID = 596607
stego Schreibmaschine
     Beiträge: 2506
|
Hello Nicola,
I don´t know by now, if the modules for the 2x8 2280 a are also included in my service manual.
I will look for this the next days.
If so, I will scan the part with the description of the "Ablaufsteuerung" for you. Then we look forward to get this VCR working again.
Please wait, until I can tell you.
Best regards,
stego
_________________
Erklärung von Abkürzungen |
BID = 596764
Nicola Neu hier

Beiträge: 34
|
Zitat :
stego hat am 18 Mär 2009 10:10 geschrieben :
|
Hello Nicola,
I don´t know by now, if the modules for the 2x8 2280a are also included in my service manual.
I will look for this the next days.
If so, I will scan the part with the description of the "Ablaufsteuerung" for you. Then we look forward to get this VCR working again.
Please wait, until I can tell you.
Best regards,
stego
|
Ok stego,when you can..
I tested two transistors T1661 and T1656:
T1661
tester on diode
black cable on "B"
B---C = 651
B---E = 727
C---E = (endless)
Red cable on "B"
B---C = (endless)
B---E = (endless)
C---E = 504
T1656
black cable on "B"
B---C = 654
B---E = 728
C---E = (endless)
Red cable on "B"
B---C = (endless)
B---E = (endless)
C---E = 505
The transistor are goods..do you think about that?
Thanks
Erklärung von Abkürzungen |
BID = 596982
Nicola Neu hier

Beiträge: 34
|
Good morning,stego!
i've taked out and tested also:
R1505 (fuse resistor) OK
Keine Links zu Werbeschleudern - Um die Grafik passend zu verkleinern > paint verwenden! - photobucket.com
3 resistor on the photo: all OK!
Nothing is defective.I replaced the transistors and the resistor but the situation is the same..
Please,have you got another idea?
Thanks a lot!
Nicola
Erklärung von Abkürzungen |
BID = 597375
stego Schreibmaschine
     Beiträge: 2506
|
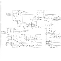
Hello Nicola,
here you have a few PDF-files with the schematics of the "Ablaufsteuerung" in the 2280a.
I have looked again on your video:
www.youtube.com/watch?v=7nC_rfTapA0
I can see, that the VCR does exactly, what it shoud do!
The display shows "0.5" what is the shortest cassette type the 2x4/2x8 can handle: VCC-60 with 2x30 minutes playing time = 2 x 0,5 hours!
And the display "0.00" shows that it´s on the start of the cassette.
By the way:
2x4/2x8 Grundig´s can handle the following tapes with the following displays:
VCC-60 (2x30 min.) = display 0.5
VCC-120 (2x60 min.) = display C1
VCC-180 (2x90 min.) = display 1.5
VCC-240 (2x120 min) = display C2
VCC-300 (2x150 min.) = display 2.5
VCC-360 (2x180 min.) = display C3
VCC-480 (2x240 min.) = display C4
Please do the same you have done in this video with a cassette, because in this video you have switched the cassette load switch (CL) with your finger and no cassette inserted.
Then you take again your multimeter and hold it to the pins of T1656 and T1661.
Perhaps, the machine works again.....
Please check also the voltages similar to the file "Netzteil_2280a.pdf".
And I would say, all soldering points on the "Ablaufsteuerung" should be re-soldered - first of all the points around the T1656 and T1661.
Good luck and best regards!
stego
_________________
Erklärung von Abkürzungen |
BID = 597610
Nicola Neu hier

Beiträge: 34
|
Hi dear stego, you are a very gentlemen.
Thank you very very very much..I hope for a travel to Germany for two beer always!
I printed yours pdf: now I can test all the module with my multimeter!
Zitat :
|
Please do the same you have done in this video with a cassette, because in this video you have switched the cassette load switch (CL) with your finger and no cassette inserted.
Then you take again your multimeter and hold it to the pins of T1656 and T1661.
Perhaps, the machine works again.....
|
No stego,the Grundig no working also if I insert a cassette.
If I insert a cassette and I touch with multimeter the pins of T1656 and T1661,into display appears the exactly time remaining and cassette code (C4,C3 ext..).If I press play tape,the tape goes around the drum video heads but the 2 reel motors (M1 and M2 into your PDF) no working!
If I press EJECT, the cassette goes out but the tape no return into the cassette and it's damaged.
The situation are very strange:
-There are 12,2v of the T1656 and 1661
-the reel motors working with 9v battery
the 12,2v of the T1656 and 1661 no goes to M1 and M2
Please look at the ablaufsteuerung'pdf: is it possibile that?
I will make another tests and new soldier.
Thank you very much my friend!
Erklärung von Abkürzungen |
BID = 597695
stego Schreibmaschine
     Beiträge: 2506
|
Hello Nicola,
let´s go on:
Please check R1653 and R 1668 (each of them 2,2 Ohms 2 Watt). They are the way from the motors to ground (minus). The plus 12 Volts come from the BD898.
I guess, the two BD898 are bad, because on the lines C-E and E-C there must not be any resistance! In good condition, the lines C-E and E-C must be locked.
(I can make a comparative measurement with a TIP125 in my stock. But earliest in the evening or tomorrow.)
Also check all the resistors around the two BD898. (R1644/1652/1654/1656/1660/1661/1665/1666).
You must solder out one of the two leads of the resistors to test them, because if you test them in the circuit, the test result may be wrong.
You can also change C1656 and C1661 (Electrolyte-Cap, 10 µF/16 Volts).
I have had the symptom with another V2000 here in this forum, that the reel motors didn´t work, because these caps were dry and had no capacity!
So long and best regards!
stego
_________________
Erklärung von Abkürzungen |
BID = 597789
Nicola Neu hier

Beiträge: 34
|
Zitat :
stego hat am 24 Mär 2009 10:16 geschrieben :
|
Hello Nicola,
let´s go on:
Please check R1653 and R 1668 (each of them 2,2 Ohms 2 Watt). They are the way from the motors to ground (minus). The plus 12 Volts come from the BD898.
I guess, the two BD898 are bad, because on the lines C-E and E-C there must not be any resistance! In good condition, the lines C-E and E-C must be locked.
(I can make a comparative measurement with a TIP125 in my stock. But earliest in the evening or tomorrow.)
Also check all the resistors around the two BD898. (R1644/1652/1654/1656/1660/1661/1665/1666).
You must solder out one of the two leads of the resistors to test them, because if you test them in the circuit, the test result may be wrong.
You can also change C1656 and C1661 (Electrolyte-Cap, 10 µF/16 Volts).
I have had the symptom with another V2000 here in this forum, that the reel motors didn´t work, because these caps were dry and had no capacity!
So long and best regards!
stego
|
Hello stego,
I've checked:
R1653
R1668
R1666
R1652
R1644
R1665
they are OK.I solded out all these one of the leads.
The transistors BD898 are good: I've bought a new BD898 and I tested with multimeter and C-E/E-C is endless/505.
The transistor BD898 is a PNP Darlington transistor and the line C-E,if the multimeter red cable to B,the resistence no must be endless..
this is true for a normal transistor but not for Darlington transitors.
I will test 1652/1654/1656/1660/1661.
Your idea about replacer C1656 and C1661 (Electrolyte-Cap, 10 µF/16 Volts) is very good.
But now,when i turn on the grundig there are not a "click".How I must make for that?
Thanks a lot
Best regards!
Nicola
Erklärung von Abkürzungen |
BID = 597845
Nicola Neu hier

Beiträge: 34
|
Stego,I'm sorry for my quote.I can't erase this.I'm afraid
About my grundig happened a very strange thing.
Please,look at the video :
http://www.youtube.com/watch?v=7qg0ydjiQtY
I turned my vcr
I insert the cassette
If I disconnect the black plug (the first on left) D1 with 8 pins around the accu battery,on the display appears the cassette code and time remaining (exactly) of the cassette!
But if I not connect D1,no working button functions (play,rew...)
If I connect D1 after insert cassette,the button functions working
If I turn on the vcr and D1 is disconnected,when i insert cassette appears automatic the cassette code and time remaining!
All D1 pins on the circuit are damaged for fault accu battery.
How can clean the circuit board?
Thanks a lot!
Nicola
Erklärung von Abkürzungen |
|
Zum Ersatzteileshop
Bezeichnungen von Produkten, Abbildungen und Logos , die in diesem Forum oder im Shop verwendet werden, sind Eigentum des entsprechenden Herstellers oder Besitzers. Diese dienen lediglich zur Identifikation!
Impressum
Datenschutz
Copyright © Baldur Brock Fernsehtechnik und Versand Ersatzteile in Heilbronn Deutschland
gerechnet auf die letzten 30 Tage haben wir 18 Beiträge im Durchschnitt pro Tag heute wurden bisher 2 Beiträge verfasst © x sparkkelsputz Besucher : 187864867 Heute : 12477 Gestern : 21855 Online : 245 21.12.2025 19:28 15 Besucher in den letzten 60 Sekunden alle 4.00 Sekunden ein neuer Besucher ---- logout ----viewtopic ---- logout ----
|
xcvb
ycvb
0.0534830093384
|