| Autor |
Spannung +/- 12V Suche nach: spannung (45781) |
|
|
|
|
BID = 578567
hutterede Gerade angekommen
Beiträge: 1 Wohnort: reisbach
|
|
Servus,
ich brauch für einen Operatiosnverstärker +12v und -12v. Ich habe ein 24 V Netzteil zur Verfügung. Nun meine Frage: wie kann ich aus einem 24V Netzteil +/-12V machen. Ich hab eine Zeichnung angehängt. Schaut euch bitte mal an ob das so wie in der Zeichnung funktionieren würde.
Gruss Markus |
|
BID = 578588
clembra Inventar
     
Beiträge: 5402 Wohnort: Weeze / Niederrhein
|
|
Willkommen im Forum
die von dir aufgezeigte Lösung ist nicht besonders schön, da so die Masse stark lastabhängig ist oder viel Strom zum Heizen von Widerstand und Diode verbraten wird.
Such mal nach dem Stichwort "Virtuelle Masse". Mit einem OP und einem Spannungsteiler mit zwei gleichen Widerständen lässt sich so eine Masse bilden.
Gruß Clemens
_________________
Reboot oder be root, das ist hier die Frage. |
|
BID = 578626
Bartholomew Inventar
     
Beiträge: 4676
|
Hallo Markus und willkommen
Ohne mich jetzt genauer mit dem Begriff "virtuelle Masse" befasst zu haben:
Vermutlich reicht es, wenn Du eine stabile Hilfsspannung von +12V erzeugen kannst (bzw. der Hälfte der Betriebsspannung). Und weil OPs so praktische Dinger sind, kannst Du das schon mit einem machen.
Stichwort Impedanzwandler:
http://de.wikipedia.org/wiki/Impedanzwandler
Betrachte die zweite Grafik:
http://de.wikipedia.org/w/index.php.....05549
Klemme ein 10kΩ-100kΩ-Poti zwischen 0V und 24V (Spannungsteiler). Verbinde den mittleren Potiabgriff mit dem nichtinvertierenden Eingang (+) des OPs (Referenzspannung). Den invertierenden Eingang (-) des OPs klemmst Du an seinen Ausgang (Gegenkopplung).
Sollen größere Ströme bereitgestellt werden können, baue noch eine Treiberstufe ein. Klemme dazu an den Ausgang des OPs über einen Vorwiderstand die Basis eines npn-Transistors (z.B. BC237, BC547/BC548). Den invertierenen Eingang des OPs schließt Du an den Kollektor des OPs an, den Emitter an 0V.
Mehr über OPs gibt's hier:
http://www.juergen-horn.de/erinacom......html
Gruß, Bartho
|
BID = 578645
clembra Inventar
     
Beiträge: 5402 Wohnort: Weeze / Niederrhein
|
Die Beschreibung trifft es
Größere Ströme werden nur fließen, wenn man die positive Seite, also +12V zu Gnd mehr belastet als die "andere Seite". Wenn hauptsächlich Opamps eingesetzt werden wird der Strom am Ausgang des Masse-Operationsverstärkers sehr klein sein.
Wenn hingegen ungewöhnlicherweise die negative Seite mehr belastet wird, also mehr Strom von Gnd nach -12V fließt als von +12V nach Gnd funktioniert die Schaltung mit NPN-Transistor nicht
Mit Gnd meine ich natürlich die virtuelle Masse nach der Schaltung.
Statt dem Poti können auch zwei z.B. 10-100kΩ-Widerstände verwendet werden. Das sollte in der Genauigkeit ausreichend sein.
_________________
Reboot oder be root, das ist hier die Frage.
|
BID = 578656
Kleinspannung Urgestein
     
Beiträge: 13386 Wohnort: Tal der Ahnungslosen
|
Mein Angebot:
_________________
Manche Männer bemühen sich lebenslang, das Wesen einer Frau zu verstehen. Andere befassen sich mit weniger schwierigen Dingen z.B. der Relativitätstheorie.
(Albert Einstein)
|
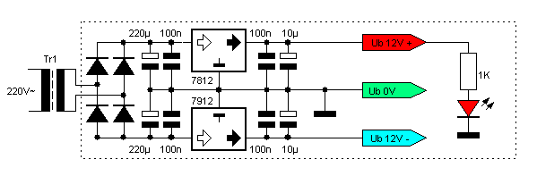
BID = 578668
unlock Schriftsteller
     Beiträge: 902 Wohnort: Mosbach
|
Wie wäre es damit:
_________________
One Flash and you're Ash !
|
BID = 578684
clembra Inventar
     
Beiträge: 5402 Wohnort: Weeze / Niederrhein
|
Kleinspannungs Lösung geht natürlich auch, aber meines Wissens gibt das Probleme bei unsymmetrischer Belastung.
Dazu habe ich mal eine Frage: Sollte man die Masse nicht noch über einen Spannungsteiler "fixieren", wie in der Zeichnung von unlock, machen das die Elkos oder tun die Spannungsregler selbst?
Clemens
_________________
Reboot oder be root, das ist hier die Frage.
|