Gesucht: Optokoppler mit 1,6V-1,65V LED-Flußspannung

Im Unterforum Bauteile - Beschreibung: Vergleichstypen, Leistungsdaten, Anschlußbelegungen .....

Elektronik Forum Nicht eingeloggt       Einloggen       Registrieren




[Registrieren]      --     [FAQ]      --     [ Einen Link auf Ihrer Homepage zum Forum]      --     [ Themen kostenlos per RSS in ihre Homepage einbauen]      --     [Einloggen]

Suchen


Serverzeit: 25 11 2025  20:37:23      TV   VCR Aufnahme   TFT   CRT-Monitor   Netzteile   LED-FAQ   Oszilloskop-Schirmbilder            


Elektronik- und Elektroforum Forum Index   >>   Bauteile        Bauteile : Vergleichstypen, Leistungsdaten, Anschlußbelegungen .....


Autor
Gesucht: Optokoppler mit 1,6V-1,65V LED-Flußspannung
Suche nach: optokoppler (2350) led (32748)

    







BID = 577954

Bartholomew

Inventar



Beiträge: 4676
 

  


Hoi,

Ich habe eine einfache Schaltung zum regenerieren von Alkali-Batterien aufgetan:

http://pcphy4.physik.uni-regensburg.de/pager/recharge.html


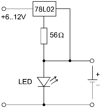
Kennt jemand von euch einen Optokoppler mit 1,6V bis 1,65V Flußspannung? Den würde ich anstelle der LED einsetzen wollen. Sein Transistor würde parallel zum 56Ω-Widerstand geschaltet.
Damit würde der Ladestrom automatisch bei erreichen der Ladeschlußspannung gedrosselt werden.

Kennt jemand ein solches Bauteil? Oder muss ich das aus einer geeigneten LED und einem Fototransistor selber bauen?
Habe ich einen Denkfehler gemacht?


Gruß, Bartho



BID = 578221

Kleinspannung

Urgestein



Beiträge: 13375
Wohnort: Tal der Ahnungslosen

 

  

Versuch das mal so:

Quelle = Elektor


PDF anzeigen



_________________
Manche Männer bemühen sich lebenslang, das Wesen einer Frau zu verstehen. Andere befassen sich mit weniger schwierigen Dingen z.B. der Relativitätstheorie.
(Albert Einstein)

BID = 578446

Bartholomew

Inventar



Beiträge: 4676

Besten Dank für den Artikel
Der scheint ein wenig auf die Wikipedia abgefärbt zu haben, leider haben es dahin nur die Hälfte der relevanten Informationen geschafft:
http://de.wikipedia.org/wiki/Alkaline#Wiederaufladen

Habe hier auf dem Schmierpapier eine Schaltung zusammengekritzelt, die mit einer Gleichspannungsquelle funktioniert (habe hier nur Gleichspannungsnetzteile rumfliegen).

Ein Op überwacht als Komparator die Batteriespannung und schaltet bei Erreichen der Ladeschlußspannung ein Flipflop (555) um (eine rote und eine grüne LED signalisieren, ob die Schaltung lädt oder nicht). Ein weiterer 555 fungiert als Rechteckgenerator (man kann auch einen 556 nehmen) uns speist zyklisch die Konstantstromquelle. Bei OUT=high wird mit 30-100mA geladen (per Poti einstellbar), bei OUT=low wird die Batterie über DIS=low mit 10-25mA (per Poti einstellbar) entladen.
Wenn das Ladeschluß-Flipflop umschaltet, wird weder ge- noch entladen. Per Taster kann ein neuer Ladevorgang gestartet werden (bis wieder die Ladeschlußspannung erreicht ist).

Demnächst zeichne ich das Ding mal sauber am PC nach und lade es dann im Selbstbau-Unterforum hoch.


Gruß, Bartho


Zurück zur Seite 1 im Unterforum          Vorheriges Thema Nächstes Thema 


Zum Ersatzteileshop


Bezeichnungen von Produkten, Abbildungen und Logos , die in diesem Forum oder im Shop verwendet werden, sind Eigentum des entsprechenden Herstellers oder Besitzers. Diese dienen lediglich zur Identifikation!
Impressum       Datenschutz       Copyright © Baldur Brock Fernsehtechnik und Versand Ersatzteile in Heilbronn Deutschland       

gerechnet auf die letzten 30 Tage haben wir 16 Beiträge im Durchschnitt pro Tag       heute wurden bisher 25 Beiträge verfasst
© x sparkkelsputz        Besucher : 186795718   Heute : 40747    Gestern : 38233    Online : 339        25.11.2025    20:37
5 Besucher in den letzten 60 Sekunden        alle 12.00 Sekunden ein neuer Besucher ---- logout ----viewtopic ---- logout ----
xcvb ycvb
0.0372550487518