| Autor |
|
|
|
BID = 531494
Schusi Gelegenheitsposter
 
Beiträge: 51 Wohnort: Biebelsheim
|
|
LOL da sucht wohl jemand in mehreren Foren nach Antworten...
Naja da er ja kein Bild macht / (machen kann ?)
werde ich mich mal künstlerich in MS Paint bemühen das ganze
etwas aufschlussreicher zu machen. (Habe zur Zeit kein WSCAD Griffbereit sonst hätte ich es professioneller machen können) Aber ich denke das sollte so verständlich sein !?!?
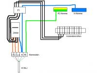
Also so sieht es normalerweise in einer "Standard Installation" aus.
_________________
MfG, Schusi |
|
BID = 531496
Ralph Stammposter
   
Avatar auf fremdem Server ! Hochladen oder per Mail an Admin
Beiträge: 200 Wohnort: Fürth
|
|
Wie heißt es so schön... Ein Bild sagt mehr als tausend Worte... Abba naja...
(Schusi war schneller )
[ Diese Nachricht wurde geändert von: Ralph am 30 Jun 2008 1:10 ] |
|
BID = 531497
sam2 Urgestein
     
Beiträge: 35321 Wohnort: Franken (bairisch besetzte Zone)
|
Naja, immerhin hast Du Dir mehr Mühe gegeben als der Fragesteller.
Anzumerken ist jedoch:
1) es gibt KEINE "Standard-Installation", da es verschiedene Netzformen gibt!!!
2) Deine Skizze zeigt entweder ein TN-S-System (gibt es in der Praxis in D fast nicht) oder ein TN-C-S-System mit PEN-Aufteilung vor der Vorzählerklemme und mit Sammel-FI (das ist ne leider ziemlich seltene Kombination)
3) die brauen Adern zum Zähler müssen schwarz sein (sofern VNB-Zähler)
4) die schwarzen Adern vom Zähler müssen braun sein (sofern VNB-Zähler)
[ Diese Nachricht wurde geändert von: sam2 am 30 Jun 2008 1:19 ]
|
BID = 531498
Bartholomew Inventar
     
Beiträge: 4676
|
Ich sehe in der Grafik fünf Adern vom VNB. Sieht für mich also nach TN-S aus. Dann müsste auch die Bezeichnung stimmen. Ist aber auch schon spät...
Nachtrag:
Mir fällt gerade auf: Ist ja nur eine UV und nicht der Hausanschluss, also keine Leitung vom VNB. Trotzdem kommt doch ein TN-S in der UV an?
Gruß, Bartho
[ Diese Nachricht wurde geändert von: Bartholomew am 30 Jun 2008 1:21 ]
|
BID = 531500
Schusi Gelegenheitsposter
 
Beiträge: 51 Wohnort: Biebelsheim
|
Ja das mit den Farben stimmt nicht ganz da habt ihr schon recht! Normalerweiße müssen die vor dem Zähler schwarz sein und die nach oben auf den FI braun wie Sam bereits sagte. Wollte eben nicht alles in einer Farbe machen.
Die Fünf Adern hab ich ja auch desswegen eingezeichnet, weil es ein Zwischenzähler ist! Hier sollte der PEN schon lange aufgeteilt sein. Ich ging eben davon aus, dass dies eine UV ist und 5 Adrig angefahren wird (TN-S).
Es geht ja bei dem Thema hier auch nicht um den Anschluss einer HV mit Zählerplatz sondern um einen Zwischenzähler in einer UV
Gruß Schusi
_________________
MfG, Schusi
|
BID = 531510
sam2 Urgestein
     
Beiträge: 35321 Wohnort: Franken (bairisch besetzte Zone)
|
Nur ist es eben überhaupt nicht "Standard," daß Zwischenzähler vorhanden sind...
Daher suggeriert Deine Bezeichnung dem unbedarften Leser, daß es sich um einen VNB-Zähler handeln mag.
Bitte immer vorsichtig sein bei der Verwendung von irgendwelchen Verallgemeinerungen.
Immer bedenken, daß hier auch viele Laien mitlesen, die sowas dann als allgemeingültiges "Kochrezept" verstehen können!
Danke.
|
BID = 531575
Primus von Quack Unser Primus :) nehmt ihn nicht so ernst
  
Beiträge: 7474
|
...da in der Überschrift dieses Threads
Zitat :
| | Drehstromzwischenzähler |
steht sollte das ein bisschen mit dem zu tun haben was drinsteht
Offtopic :
| ot ausgenommen |
_________________
...geguckt wird mit den Augen, nicht mit den Fingern!
|
BID = 531578
sam2 Urgestein
     
Beiträge: 35321 Wohnort: Franken (bairisch besetzte Zone)
|
Daß aber Jemand, der hier "nur mal so" kurz drüberliest, häufig eben NICHT den jeweiligen Fred komplett und von Anfang an liest, ist Tatsache.
Das magst Du bedauern, aber wir haben es zu berücksichtigen!
Was ich auch weiterhin tun werde.
|
BID = 531666
tobyyy Gelegenheitsposter
 
Beiträge: 57
|
erstmal danke an den künstler mit der zeichnung ... hab jetzt nochmal nachkontrolliert.
war eigentlich alles genau so bis auf den N zum Zähler...hab die Zeichnung geändert...
mal sehen ob es ein Unterschied macht....
Danke schon jetzt für neue Reaktionen.
Gruß
[ Diese Nachricht wurde geändert von: tobyyy am 30 Jun 2008 23:13 ]
|
BID = 531669
Primus von Quack Unser Primus :) nehmt ihn nicht so ernst
  
Beiträge: 7474
|
...also das ist nun mal völlig egal  (bei einem Zwischenzähler sowieso)
...so wurde es auch früher bei VNB-Zählern gemacht, heute halt so wie von Schusi gezeichnet
_________________
...geguckt wird mit den Augen, nicht mit den Fingern!
|