| Autor |
Berührungsloser Taster Oder Klebepunkt-Taster Suche nach: taster (7746) taster (7746) |
|
|
|
|
BID = 515632
tsaphiel Inventar
     
Beiträge: 3493 Wohnort: Unterfranken (frei statt Bayern!)
|
|
Moin! Aktuelle neue Spinnerei:
Erfasst werden soll die Berührung eines Fingers auf einer bestimmten Stelle einer Platikfläche (ca 2-3mm stark).
Da diese nicht durchbohrt werden soll scheidet ein normaler Taster aus.
Gibt es berührungslose Taster, die nicht so arg groß und dick aufbauen?
- man sollte nen kapazitiven nehmen oder? Finger ist ja für nen induktiven zu wenig magnetisch.
- Betriebsspannung: 12V und 9V sind vorhanden, 7805 hab ich auch noch da. Der Aktor hat seine eigene Versorgung über 9V Block.
Problem ist auch noch:
Die Fläche ist nur etwa 1x2 cm groß und nach hinten ist auch nicht viel Platz.
Diese dicken Sensoren mit Gewinde, wie man sie bspw, an Maschinen und ner SPS hat kommen also auch ich nicht in Frage.
Die Alternative wäre eine Art Folientastatur mit nur einer Taste, die ich an entsprechende Stelle aufkleben könnte. Kann im Ernstfall etwas größer sein,als die 1x2cm.
Ist halt unschön wegen Kabel.
_________________
Druff un D'widd!!! |
|
BID = 515643
cholertinu Inventar
     
Beiträge: 3754 Wohnort: CH
|
|
Da könnte ein kapazitiver Sensor zum Einsatz kommen, ja.
Welcher Sensor?
Darf denn eine Mindest-Druckkraft nötig sein? Dies wäre bei der Folientastatur definitiv der Fall, das wäre dann nicht berührungslos.
Wo kommt das denn zum Einsatz?
[ Diese Nachricht wurde geändert von: cholertinu am 15 Apr 2008 11:56 ] |
|
BID = 515674
Otiffany Urgestein
     
Beiträge: 13792 Wohnort: 37081 Göttingen
|
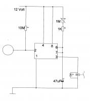
Der NE555 wäre hier eine Lösung.
Die Schaltung funktioniert auch mit 9V.
Gruß
Peter
|
BID = 515675
perl Ehrenmitglied
       
Beiträge: 11110,1 Wohnort: Rheinbach
|
Zitat :
| | eines Fingers auf einer bestimmten Stelle einer Platikfläche |
Wirklich nur ein Finger an genau einer Stelle, oder gehts um den Dudelsack ?
Reflexlichtschranke ?
|
BID = 515791
tsaphiel Inventar
     
Beiträge: 3493 Wohnort: Unterfranken (frei statt Bayern!)
|
nein, geht nicht um den Dudelsack.
Mindestdruckkraft wäre kein Problem, aber die Fläche darf halt nicht zerstört werden. Das ganze soll spurlos rückrüstbar sein.
Zitat :
|
Wo kommt das denn zum Einsatz? |
hab ich gelesen, aber verzeiht bitte, ich möchte derzeit dazu keine Angabe zu machen.
Kann aber noch etwas sagen zu "was":
"Mobile Fernbedienung kommt quasistationär" zum Einsatz.
Gegeben ist eine Fernbedienung mit Taster wie man sie kennt.
Es soll allerdings der Sensor (Bedientaster) uund der Aktor (Sendeeinheit in der FB) räumlich getrennt werden.
Hab das ganze schon so weit seziert, dass ich die einzelnen Adern habe, also wenn ich diese zusammen führe die Kontrolllampe der FB leuchtet.
Dies soll jetzt aber nicht wie beim Autoklau mit Draht zusammenführen passieren, sondern eben in dem man den Finger auf einen bestimmten Punkt an einem anderen Bedienpanel legt. Dieses kann/darf/soll nicht durchbohrt oder sonstwas werden.
vielleicht leg ich doch nen kleinen Magnet daneben und machs mit Reed Schalter....Finger wär halt einfacher und schicker...
_________________
Druff un D'widd!!!
|
BID = 515898
cholertinu Inventar
     
Beiträge: 3754 Wohnort: CH
|
Zitat :
tsaphiel hat am 15 Apr 2008 20:28 geschrieben :
|
Finger wär halt einfacher und schicker...
|
Eventuell lässt sich etwas mit einem Schwingkreis machen, der durch das Auflegen des Fingers verstimmt wird.
Die Bedingung, dass nur genau diese eine Stelle aktiv werden soll, könnte so etwas schwierig zu erfüllen sein.
Darf das Ding auch schalten, wenn sich jemand daran anlehnt oder die ganze Hand drauflegt?
Die Variante mit Reedkontakt und Magnet wäre sicher stressfreier zu realisieren. Magnete gibt es übrigens auch in kleiner Bauform mit erstaunlich grossen Kräften. Siehe z.B. hier. Die liessen sich dann auch in ein "unverdächtiges" Objekt einbauen.
|
BID = 515911
Ltof Inventar
     
Beiträge: 9386 Wohnort: Hommingberg
|
Ich meine, sowas auch schon fertig gesehen zu haben. Eine Sensorfläche, die man beispielsweise hinter den Fliesen im Bad betreiben kann. Das kann sogar beim blauen Klaus gewesen sein.
Gruß,
Ltof
_________________
„Schreibe nichts der Böswilligkeit zu, was durch Dummheit hinreichend erklärbar ist.“
(Hanlon’s Razor)
|
BID = 515925
tsaphiel Inventar
     
Beiträge: 3493 Wohnort: Unterfranken (frei statt Bayern!)
|
Danke soweit.
Schwingkreis ist sicher ne gute Idee, hab ich auch schon drüber nachgedacht, wegen EMV-Bedenken aber dann verworfen.
Ich wühl mich nochmal durch R und C...
_________________
Druff un D'widd!!!
|
BID = 516060
perl Ehrenmitglied
       
Beiträge: 11110,1 Wohnort: Rheinbach
|
Dehnungsmessstreifen würde gehen, ist aber äufwändig zu verstärken.
Probier mal so ein Scheibchen vom Piezoquietscher aufzukleben. Da
kommt eine erstaunlich hohe Spannung raus, wenn man es verbiegt, oder veränderliche Wärmestrahlung darauf einwirkt. Mit einem einfachen Opamp (und 10MOhm für den DC-Pfad) solltest du ein brauchbares Signal zur Verfügung haben.
_________________
Haftungsausschluß:
Bei obigem Beitrag handelt es sich um meine private Meinung.
Rechtsansprüche dürfen aus deren Anwendung nicht abgeleitet werden.
Besonders VDE0100; VDE0550/0551; VDE0700; VDE0711; VDE0860 beachten !
|
BID = 516154
cholertinu Inventar
     
Beiträge: 3754 Wohnort: CH
|
Ich habe gerade einen Link erhalten. Es geht in dem Seminar um die CapSense Technik von Cypress.
Vielleicht hilft es etwas weiter.
Darf der aktive Punkt eigentlich von aussen sichtbar sein?
[ Diese Nachricht wurde geändert von: cholertinu am 17 Apr 2008 7:28 ]
|
BID = 516167
Ltof Inventar
     
Beiträge: 9386 Wohnort: Hommingberg
|
Ich hab's gefunden:
700344
700358
700372
700385
700363
edit:
http://www.produktinfo.conrad.com/d.....R.pdf
_________________
„Schreibe nichts der Böswilligkeit zu, was durch Dummheit hinreichend erklärbar ist.“
(Hanlon’s Razor)
[ Diese Nachricht wurde geändert von: Ltof am 17 Apr 2008 9:43 ]
|
BID = 516170
cholertinu Inventar
     
Beiträge: 3754 Wohnort: CH
|
Schön für dich..
Was genau hast du gefunden?
Genauere Angaben?
|
BID = 516174
Ltof Inventar
     
Beiträge: 9386 Wohnort: Hommingberg
|
Tsaph wird mich schon verstehen...
_________________
„Schreibe nichts der Böswilligkeit zu, was durch Dummheit hinreichend erklärbar ist.“
(Hanlon’s Razor)
|
BID = 516176
cholertinu Inventar
     
Beiträge: 3754 Wohnort: CH
|
braver Junge...
Nachdem du deinen Beitrag editiert hast ist nun auch klar, dass du Conrad-Bestellnummern meinst.
|
BID = 517717
tsaphiel Inventar
     
Beiträge: 3493 Wohnort: Unterfranken (frei statt Bayern!)
|
Ich möcht euch recht herzlich danke sagen.
Hab mich erstmal dazu entschlossen der Reed-Schalter Idee für wenige ct ne Chance zu geben. Da in der Nähe sowieso immer eine andere Fernbedienung liegt (die auch nicht verbaut wird) und an die kann ich ja so nen kleinen Magnet dranpappen, ohne dass es groß stört. Selbst wenn ich nur den kleinen Magneten liegen habe, hab ich immer noch die olle Schaltbrumme ausm Weg.
Hatte erst noch überlegt den Taster hinter ne (vorhandene) Klappe zu bauen, aber bei 2x Bedienen pro Tag kanns schon sein, dass die Klapppe bald ablebt. Werd den aber denk ich trotzdem setzen, als Backup.
Für Phase 2 denk ich aber über diese 25€ Sensoren mal nach.
Danke für's raussuchen.
Die Sache mit dem Schwingkreis und irgendwelchen Selbstbauten verwerfe ich wie gesagt wegen EMV.
Trotzdem vielen Dank für die Schaltung, evtl kommt die an anderer Stelle mal zum Einsatz.
In hoffnungsvoller Erwartung des Frühlings
- Tsaph
_________________
Druff un D'widd!!!
|