| Autor |
8 Taster -> 8 LEDs. Programmieren oder doch diskret? Suche nach: taster (7739) |
|
|
|
|
BID = 513557
tsaphiel Inventar
     
Beiträge: 3493 Wohnort: Unterfranken (frei statt Bayern!)
|
|
Yeah alright, das beschreibt aber erstmal nur die Ausgabeseite. Ist zugegebenermaßen eine nette Alternative zu den LEDs.
Offen bleibt ob ich mir jetzt nen Schwung Logikbausteine kaufen muss oder obs nen einfacheren Weg gibt.
_________________
Druff un D'widd!!! |
|
BID = 513586
Electronicfox Schreibmaschine
    
Beiträge: 1634 Wohnort: hamburg
|
|
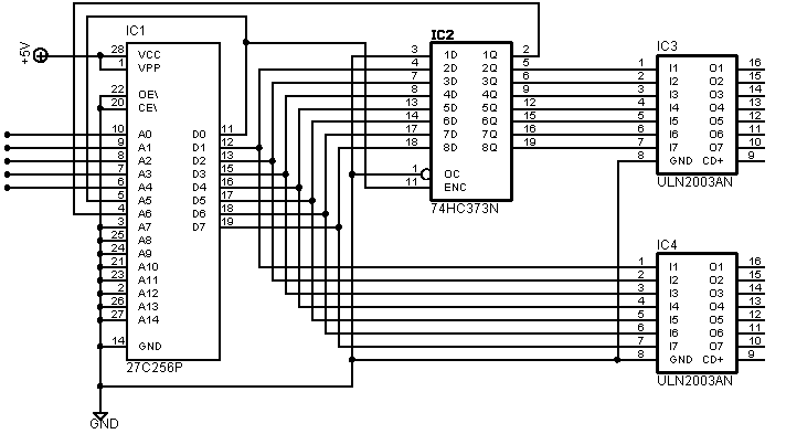
Für 14Bit kannst du auch ein EPROM zusammen mit einen 74HC373 verwenden. Bei den Adresseingängen des Eproms hängst du einen Ausgang des Latch und einen Datenausgang vom EPROM an und wertest den Wert aus. So werden 7 Bit gelatcht und weitere 7 Bit vom Eprom ausgegeben.
_________________
Es ist nicht mein Ziel mit dem Kopf durch die Wand zu gehen, sondern mit den Augen eine Tür zu finden. Also warum kompliziert, wenn’s einfach geht.
[ Diese Nachricht wurde geändert von: Electronicfox am 6 Apr 2008 15:07 ] |
|
BID = 513810
hajos118 Schreibmaschine
    
Beiträge: 2453 Wohnort: Untermaiselstein
|
Ein AVR Mega8 sollte das lockerst hinbekommen - 8*input (Kein Problem) - Entrpellen der Schalter per Software, LEDs über Treiberbaustein (oder Low-Current LEDs ohne), und ein Ausgang mit entsprechend programmierten Frequenzen (sollte auch für einen Kopfhörer reichen).
Problem:
Mal schnell programmieren...
Für den 1. Aufbau würde ich eine gefädelte Testplatine veranschlagen - Layout erst bei größerem Interesse.
Wie sollen die taster montiert werden? Ein Stück Kabelrohr vielleicht?
Dann könnte man ja überlegen, ob dies nicht gleich als Batt-Halter und gehäuse für den µC zu gebrauchen ist ...
|
BID = 513817
cholertinu Inventar
     
Beiträge: 3754 Wohnort: CH
|
Zitat :
hajos118 hat am 7 Apr 2008 10:20 geschrieben :
|
Ein AVR Mega8 sollte das lockerst hinbekommen
|
Die Frage ist ja auch nicht, ob der AVR das hinbekommt, sondern obs der Tsaphiel schafft
Ich würde mir die Idee von perl mit der Spielzeugtröte wirklich noch etwas genauer ansehen. Solche Tröten mit klavierähnlichen Tasten gibts ja in fast jeder Spielwarenabteilung für wenig Geld zu kaufen.
Ich würde Wert darauf legen, ein akustisches Feedback zu erhalten beim Üben. Eventuell lässt sich auch die Eingabeseite mit den Spielzeugtasten realisieren.
Konzept:
- Tröte kaufen
- Tastenansteuerung vom Soundchip trennen
- BagPipe-Decoder bauen, EEPROM evtl. mit DeMux (damit es 9 Outputs werden)
- Demux zwischen Tasten und Soundchip schalten
- fertig
|
BID = 513827
hajos118 Schreibmaschine
    
Beiträge: 2453 Wohnort: Untermaiselstein
|
Zitat :
cholertinu hat am 7 Apr 2008 10:55 geschrieben :
|
Zitat :
hajos118 hat am 7 Apr 2008 10:20 geschrieben :
|
Ein AVR Mega8 sollte das lockerst hinbekommen
|
Die Frage ist ja auch nicht, ob der AVR das hinbekommt, sondern obs der Tsaphiel schafft
|
... Ich könnte mich dazu hinreissen lassen, das in kurzer Zeit zu proggen. Versuchsaufbau ect. wird da schon aufwändiger.
Wenn ich folgende Angaben habe, kann ich's in einer Nachtschicht locker schaffen:
Belegung der Ports: Tasten, LEDs(wenn notwendig) +
Frequenzen der zugehörigen Töne.
Wenn'd dann mal in Serie geht, dann möchte ich eine kleine Beteiligung am gewinn, bis dahin würde ich das ganze als Investition in eine Altersversorgung betrachten
|
BID = 513830
tsaphiel Inventar
     
Beiträge: 3493 Wohnort: Unterfranken (frei statt Bayern!)
|
Nochmals vielen Dank für eure Hinweise.
Versteift euch bitte mal nicht zu sehr auf die Akkustik.
Auf was es wirklich ankommt wird nämlich weder die LED noch die billig Tröte hinbekommen, nämlich so genannte "Blops"- Wechselfehler.
Es ist nämlich auch noch wichtig, in welcher Reihenfolge man die Finger "wechselt". Das braucht das Ding aber nicht mitberücksichtigen. Also wirkliches Üben kann ich damit eh nicht ersetzen.
Geht nur darum, die Läufe in die Finger zu bekommen etc.. Das kann ich dann Abends oder in der Pause oder im Park oder... machen und dann bei den seltenen Gelegenheiten effektiver an der Flöte zu sein.
Wohin mit welchen Komponenten?
Hab ich mir schon Gedanken gemacht. Klar ist kompakt sehr schick, aber bevor das so ein Gefummel wird und mich unnötig frustet.
Ich hab ja eh das Kästchen mit der LED Anzeige. Da werd ich einfach alles reinbauen. Die Taster kommen aber schon in ein Rohr. Angebunden über ein Kabel aus ner gaaaanz alten PC Peripherie mit genug Adern.
Da muss ich mich nicht stressen, wenn das Ganze ein paar cm Größer wird.
Klar, die richtigen E-Chanter sind nur ein Rohr mit Batteriefach und MIDI Anschluss. Aber wie gesagt um sowas gehts gar nicht.
Wenn ich sowas will, kauf ich das. Aber für die 350€ steht das in keinem Verhältnis.
Ich denk schon, dass ein IC die eleganteste Wahl ist. Gerade hinsichtlich Baugröße.
Aber da ich ja keine Möglichkeit habe so einen zu bespielen . . .
ja, es ist ein schöner Anreiz sich mit der Sache zu beschäftigen, aber ich muss realistisch bleiben mit meiner Zeit. Es geht im Moment einfach nicht
Hat jemand noch ne Empfehlung zu möglichen Tastern?
Die Betätigungskraft sollte halt gering sein. Finger auflegen reicht im Idealfall.
_________________
Druff un D'widd!!!
|
BID = 515626
tsaphiel Inventar
     
Beiträge: 3493 Wohnort: Unterfranken (frei statt Bayern!)
|
Ich danke euch allen für die Teilnahme, aber die Nummer ist erstmal gestorben.
Habe gestern beim Unterricht feststellen müssen, dass die Note korrekt zu greifen nicht ausreicht.
Die Art und Weise zwischen 2 Noten zu wechseln macht fast soviel, stellenweise sogar noch mehr aus als die Note selbst.
Dies zu erfassen, ist mit meinem bisherigen Ansatz nicht so ohne weiteres möglich und die Zeit und das Hirnschmalz was ich da rein setzten müsste ist bei "richtigem Üben" sicherlich besser angelegt.
Auch wenn es ne gute Gelegenheit gewesen wäre sich mit dem ganzen Thema zu befassen.
Nochmals Danke, hab trotzdem bißchen was gelernt.
Und hier noch ne Runde
_________________
Druff un D'widd!!!
|
BID = 515668
perl Ehrenmitglied
       
Beiträge: 11110,1 Wohnort: Rheinbach
|
Zitat :
| | Die Art und Weise zwischen 2 Noten zu wechseln macht fast soviel, stellenweise sogar noch mehr aus als die Note selbst. |
Na dann gibt es eben ausser den Endzuständen noch erlaubte und verbotene Übergangszustände.
Das kann man ganz gut in diversen Diagrammen visualisieren und auch leicht in einem µC oder EPROM+Latch (state machine) implementieren.
Wirklich interessant wäre es zu überlegen, ob man einen Simulator, also ein Modell der Pfeife und ihrer Bohrungen, programmieren kann.
Ich befürchte aber, dass dazu annähernd die Rechenleistung eines PC erforderlich ist.
_________________
Haftungsausschluß:
Bei obigem Beitrag handelt es sich um meine private Meinung.
Rechtsansprüche dürfen aus deren Anwendung nicht abgeleitet werden.
Besonders VDE0100; VDE0550/0551; VDE0700; VDE0711; VDE0860 beachten !
[ Diese Nachricht wurde geändert von: perl am 15 Apr 2008 13:12 ]
|
BID = 516157
cholertinu Inventar
     
Beiträge: 3754 Wohnort: CH
|
Uns statt diesen Aufwand zu betreiben könnte er sich auch gleich die E-Pipe holen.
|
BID = 516257
tsaphiel Inventar
     
Beiträge: 3493 Wohnort: Unterfranken (frei statt Bayern!)
|
eben!
perl ich mag dich nicht aufhalten, aber ich selbst hab die Zeit nicht, das zu entwickeln und zu bauen, kann und will das von sonst keinem verlangen und außerdem muss ich jetzt das Spielen erlernen. Sprich das Ding müsste gestern fertig sein!
_________________
Druff un D'widd!!!
|