| Autor |
|
|
|
BID = 512325
chariman Gerade angekommen
Beiträge: 7 Wohnort: Bern
|
|
Hallo Zusammen
Ich habe folgendes Problem. Ich habe mittels LM555 einen Oszilator von 60 KHz erzeugt mit (Duty Cycle 50,50). Jedoch muss ich diese Spannung von ca. 5V auf 24V verstärken. Der Strom welche die Schaltung liefern muss liegt unter 10mA.
Mit einem OP-Amp komme ich leider nicht weiter da die SlewRate zu gering sind und ein teures Model kommt wegen dem Preis nicht in Frage. Leider bin ich mit Fet's nicht so bewant, aber sollte das mit einer Fet Schaltung nicht möglich sein? BiPolar Transistoren kommen meines Wissens wegen dem Aufnahmestrom und GEschwindigkeit nicht in Frage.
Wie würde so eine Fet Schaltung aussehen? Oder gibt es noch andere Möglichkeiten?
Bin froh um jeden Hinweis
Danke schön |
|
BID = 512334
Otiffany Urgestein
     
Beiträge: 13789 Wohnort: 37081 Göttingen
|
|
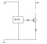
Ich sehe das Problem nicht, natürlich geht hier ein ganz normaler Transistor.
Siehe Plan.
Gruß
Peter |
|
BID = 512344
chariman Gerade angekommen
Beiträge: 7 Wohnort: Bern
|
Ein BiPolar Transistor benötigt doch für eine schnelle Ansteuerung einen gewissen Basisstrom!? Reicht da der Ausgang eines Schmitttriggers aus?
Ausser dem ist ein Transistor schnell genug? Wenn ja hättest du da gleich einen im Auge?
Danke Vielmals
Ich habs mit dieser Schaltung versucht leider bekomme ich am Ausgang nur 5V, was mache ich da falsch????
[ Diese Nachricht wurde geändert von: chariman am 1 Apr 2008 12:49 ]
|
BID = 512352
GeorgS Inventar
     
Beiträge: 6440
|
Hallo chariman,
seltsame Mischung aus Kenntnis und Unkenntnis
hast du!.
Seit etwa 1960 kann jeder Transistor diese
läppischen 60 kHz.
Soviel ich weiß, sind bipolare Transistoren
(Basis GaAs) immer noch die Rekordhalter in
Punkto Schaltzeiten.
Fragt sich noch, welche Spannungsfestigkeit
gebraucht wird, dazu müßtest du die Art der
Last angeben.
Gruß
Georg
|
BID = 512356
chariman Gerade angekommen
Beiträge: 7 Wohnort: Bern
|
Hallo Georg
Ich weiss, eigentlich sollte ich das alles wissen, aber wenn man das Ganze nicht täglich braucht...
Die Last ist rein Ohmisch, ca 4KOhm.
Danke für euer Verständniss und die Hilfe mich auf den richtigen PFad zu geleiten
Was ist mit meiner oben geposteter Schaltung?
[ Diese Nachricht wurde geändert von: chariman am 1 Apr 2008 12:52 ]
|
BID = 512359
GeorgS Inventar
     
Beiträge: 6440
|
Hallo chariman,
also: deine Schaltung hat den schönen sprechenden
Namen "Emitterfolger", bei ihr folgt nämlich der
Emitter brav der Basisspannung. Die hohe Speisespannung
nützt da nichts, die muß nur im Transistor "verbraten" werden.
Die Last ist Kleinkram, jeder BC107, 307, usw. kann das.
Früher (Elektor) sagte man einfach TUN = Transistor
Universal NPN, die Liste dazu war lang.
Entscheidend ist, daß du die Last in die Collektorleitung legst.
Die Schaltung von Otiffany ist richtig, nur fehlt da was.
Gruß
Georg
|
BID = 512362
chariman Gerade angekommen
Beiträge: 7 Wohnort: Bern
|
Hi Georg
Ist es also nicht möglich einen Fet als SChalter zu benutzen welcher meine Last an 24V hängt und 0V hängt.
Meine Last ist nicht ein Widerstand sondern ein Eingang eines auszumessender Schaltung. Somit muss die Eingangspannung einmal 24V sein und danach auf 0V schalten.
Wäre es möglich ein kleines Schema zu uploaden? Ein Bild sagt mehr als tausend Worte... DANKE
[ Diese Nachricht wurde geändert von: chariman am 1 Apr 2008 13:08 ]
|
BID = 512366
GeorgS Inventar
     
Beiträge: 6440
|
Hallo,
natürlich geht das, du muß nur die Last
in die Drain- oder Sourceleitung legen,
(ich kenne mich mit dem IRL...nicht aus)
Jedenfalls zwischen die +24 Volt un den FET.
Ob der die 24 Volt Drain-Source und den
Strom 24/4 = 6mA aushält weiß ich auch nicht
positiv, aber das dürfte ziemlich sicher sein.
Gruß
Georg
|
BID = 512375
chariman Gerade angekommen
Beiträge: 7 Wohnort: Bern
|
Bitte diesen Thread löschen
[ Diese Nachricht wurde geändert von: chariman am 1 Apr 2008 14:05 ]
|
BID = 512457
perl Ehrenmitglied
       
Beiträge: 11110,1 Wohnort: Rheinbach
|
|
BID = 512466
chariman Gerade angekommen
Beiträge: 7 Wohnort: Bern
|
Danke für die konstuktive Hilfe !!!
|