LED mit verschiedenen Spannungsquellen betreiben. Im Unterforum Grundlagen - Beschreibung: Grundlagen und Fragen für Einsteiger in der Elektronik
| Autor |
LED mit verschiedenen Spannungsquellen betreiben. Suche nach: led (32775) spannungsquellen (308) |
|
|
|
|
BID = 506057
Racingsascha Schreibmaschine
    
Beiträge: 2247 Wohnort: Gundelsheim
|
|
Du kannst auch Schottky-Dioden nehmen, da ist der Spannungsabfall nicht ganz so groß. Wenn du ne Doppeldiode nimmst, haste afaik gleich die richtige Verschaltung der beiden
_________________
Fnord ist die Quelle aller Nullbits in deinem Computer.
Fnord ist die Angst, die Erleichterung, und ist die Angst.
Fnord schläft nie. |
|
BID = 506062
Topf_Gun Schreibmaschine
    
Beiträge: 1236
|
|
Bedenke aber:
Ein USB-Port liefert (ohne Protokollaushandlung) nur 100mA, mit Protokollaushandlung 500mA.
Bei leerem Akku wird ein Teil des Stromes zum Laden des Akkus verwendet.
Also entweder noch eine Diode in den Akkupfad oder 2 mit Dioden entkoppelte USB-Ports oder den USB-Port zu 500mA überreden.
Gruß Topf_Gun
_________________
Die Sonne, sieh, geht auf und nieder,
täglich weicht die Nacht dem Licht,
alles sieht man einmal wieder,
nur verborgtes Werkzeug nicht! |
|
BID = 506064
pal.sch Gerade angekommen
Beiträge: 6
|
@Racingsascha
Also hab mir jetzt mal die Schottky-Dioden angeschaut, verstehe aber
nicht so ganz, wie du das mit den Doppeldioden meinst?
@Topf_Gun
Also dass beim leerem Akku, mehr Strom vom USB in den Akku fließen würde
ist natürlich nicht so toll. Die eine Diode in den Akkupfad hab ich ja
schonmal gehabt, war aber glaub nicht so ganz gut, weil dabei der Akku
auchnoch entladen wurde (wenn auch nicht viel) obwhl USB angeschloßen
ist. Wie könnte ich den mit 2 Dioden den USB-Port enkoppeln?
Würdet Ihr die Lösungen bitte zeichnen, ist denk ich mal einfacher, als
das mit vielen Worten versuchen zu erklären. Und ich würde es besser
verstehen.
Vielen Dank euch im vorraus.
|
BID = 506093
Ivan_drei Gelegenheitsposter
 
Avatar auf fremdem Server ! Hochladen oder per Mail an Admin
Beiträge: 90 Wohnort: Raab
|
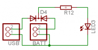
2. Kirchhoffsches Gesetz - Der Maschensatz
0= U(usb)- U(d3)- U(r6)- U(batterie)
Wenn U(usb)= 5V, U(batt)= 2,4V, U(d3)= 0,7V
dann:
U(r6)= 5V- 0,7V- 2,4V= 1,9V
I(r6)= U/R= 1,9V/20ohm= 95mA
Das Knotenpunktgesetz
I(led) und I(batt) seien ausfließende Ströme
/I(batt) fließ aus, weil du laden möchtest/
I(r6) sei zufließender Strom
I(r6)- I(batt)- I(led)= 0
I(r6) = I(batt)+ I(led)
95mA= I(batt)+ I(led)
Ich denke, wenn die Batterien ist voll, I(batt) wird null oder negativ.
Wenn I(led)= 100mA
I(batt)= 95mA- 100mA= -5mA (Negativ bedeutet die Ausladung der Batterien)
Die Ladung der Batteries ist nicht so einfach. Du kannst die Batterien nur dann laden, wenn die Ladenspannung größer als die Spannung der Batterien.
Ich denke, in diesem Schaltung entweder werden die Batteries nie geladen werden oder die Diode bleich wird.
Zähl mal aus! Was wäre wenn die Spannung der Batterien z.B 2V ist?
|
BID = 506096
rasender roland Schreibmaschine
    
Beiträge: 1802 Wohnort: Liessow b SN
|
Zitat :
| Zu dem Vorschlag mit den 6,8Ohm Widerstand, also so wie ich es
berechnet habe, wird dann bei Akkubetrieb nur ca. 53mA laufen, und das
ist ja nur die Häfte, d.h. das Teil leuchtet dann kaum, oder nur schwach. Wäre nicht so gut. (falls ich richtig gerechnet habe)
|
Stimmt.
Kleiner Gedankenfehler meinerseits.
Dann nimm R6=27 und R5=4,3 Ohm.(für Deine erste Zeichnung).
_________________
mfg
Rasender Roland
|
BID = 506175
Racingsascha Schreibmaschine
    
Beiträge: 2247 Wohnort: Gundelsheim
|
Zitat :
| | Also hab mir jetzt mal die Schottky-Dioden angeschaut, verstehe aber nicht so ganz, wie du das mit den Doppeldioden meinst? |
Ich hab mir das so gedacht:
Typ der Doppeldiode ist unkritisch, sie muss halt die 100mA aushalten. Du kannst auch 2 einzelne Dioden nehmen.
_________________
Fnord ist die Quelle aller Nullbits in deinem Computer.
Fnord ist die Angst, die Erleichterung, und ist die Angst.
Fnord schläft nie.
[ Diese Nachricht wurde geändert von: Racingsascha am 7 Mär 2008 15:37 ]
|
|
Zum Ersatzteileshop
Bezeichnungen von Produkten, Abbildungen und Logos , die in diesem Forum oder im Shop verwendet werden, sind Eigentum des entsprechenden Herstellers oder Besitzers. Diese dienen lediglich zur Identifikation!
Impressum
Datenschutz
Copyright © Baldur Brock Fernsehtechnik und Versand Ersatzteile in Heilbronn Deutschland
gerechnet auf die letzten 30 Tage haben wir 18 Beiträge im Durchschnitt pro Tag heute wurden bisher 3 Beiträge verfasst © x sparkkelsputz Besucher : 187836250 Heute : 5639 Gestern : 15830 Online : 395 20.12.2025 8:44 11 Besucher in den letzten 60 Sekunden alle 5.45 Sekunden ein neuer Besucher ---- logout ----viewtopic ---- logout ----
|
xcvb
ycvb
0.0741090774536
|