| Autor |
|
Spannungsregelung für GLCD |
|
|
|
|
BID = 452780
Quader Gerade angekommen
Beiträge: 12 Wohnort: Winterthur
|
|
Nach längerem passiven Mitlesen nun auch wieder mal ein Beitrag von mir.
Ich habe vor für ein Informatikprojekt in der Schule ein GLCD mit T6963C anzusteuern.
Laut Datenblatt brauch ich dafür 5V für die Logik, sowie -15V für das LCD. Soweit so gut, nun dürfen die -15V aber erst mind. 50ms nach den 5V geschaltet werden; fällt diese mal aus sollen auch sofort die -15V unterbrochen werden.
ich brauche also eine Kontrolle und eine Verzögerung.
Das ganze ist nur eine provisorische Lösung und mir stehen 5V, +15V sowie -15V zur Verfügung.
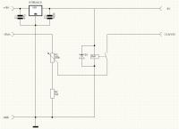
Ich habe mal zwei Schaltungen; dimensioniert ist noch nichts, es geht nur darum, ob das so realisierbar wäre. Wäre dankbar um kleine Rückmeldung.
Schaltung 1
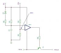
Schaltung 2
Wie wärt ihr denn an das ganze ran gegangen? ich suche eine möglichst einfache Lösung...
[ Diese Nachricht wurde geändert von: Quader am 24 Aug 2007 21:08 ] |
|
BID = 452782
perl Ehrenmitglied
       
Beiträge: 11110,1 Wohnort: Rheinbach
|
|
Schaltung 1 ist nicht korrekt, denn die Funktion hängt davon ab, ob die +15V vorhanden sind.
Wenn diese Spannung fehlt, oder zu spät hochläuft, kann T1 angesteuert werden, ohne daß die +5V ihren Sollwert hat.
Schaltung 2 ist in dieser Hinsicht besser, und vermutlich auch von ausreichender Genauigkeit.
Eine höhere Referenzspannung als die 650mV des Transistors, die zudem einen TK von -2mV/K haben, dürfte aber günstiger sein. Dazu kann man sehr gut eine LED zweckentfremden.
_________________
Haftungsausschluß:
Bei obigem Beitrag handelt es sich um meine private Meinung.
Rechtsansprüche dürfen aus deren Anwendung nicht abgeleitet werden.
Besonders VDE0100; VDE0550/0551; VDE0700; VDE0711; VDE0860 beachten ! |
|
BID = 452783
Benedikt Inventar
      Beiträge: 6241
|
Das mit den 50ms schreibt jeder Displayhersteller vor, aber fast jeder ignoriert das. Solange die -15V nie vor den 5V und beim Abschalten nie nach den 5V anliegen, gibt es keine Probleme.
Die einfachste Lösung ist z.B. ein mit 5V betriebenes Relais, oder auch ein Transistor wie in deiner Schaltung. Der Kondensator ist nicht unbedingt notwendig und kann eventuell beim Abschalten zu Problemen führen. Auf jedenfall musst du die Schaltung so auslegen, dass bei fehlenden 5V der Transistor sicher gespert wird.
|
BID = 452798
Quader Gerade angekommen
Beiträge: 12 Wohnort: Winterthur
|
Vielen Dank für die Antworten
@perl
Daran hab ich gar nicht gedacht, danke!
Das mit der LED als Referenzspannung hab ich noch nicht ganz begriffen, wie würdest du die dann in die Schaltung bauen?
Das die 650mV alleine nicht ideal sind, war mir auch bewusst, deshalb habe ich noch irgend was anderes gesucht
@Benedikt
Gut zu wissen, dass es nicht so wichtig ist, damit hatte ich ja noch keine Erfahrung. Falls es nun aber gerade einfach geht, würde ich das schon gerne noch integrieren.
Dass beim Ausschaltvorgang der Transistor gleich gesperrt wird, ist mir bewusst. Deswegen habe ich parallel zu R1 noch R2 und D1 geschaltet. R2 wird möglichst klein gewählt, gerade noch so, dass weder die Diode noch der Kondensator beim Entladen Schaden nehmen, doch dass das Tau wesentlich kleiner wird.
Klappt das so, oder siehst du da Schwierigkeiten?
// Naja, ideal ist es wirklich noch nicht. Werde es nochmals anschauen...
[ Diese Nachricht wurde geändert von: Quader am 24 Aug 2007 23:21 ]
|
BID = 452949
Quader Gerade angekommen
Beiträge: 12 Wohnort: Winterthur
|
Also habe es nun doch anders gemacht, und zwar mit einem Relais.
(der R-785 ist ein Taktregler)
Das ganze funktioniert so weit, sobald ich aber das GLCD anschliesse habe ich komische Werte.
An Ground liegen manchmal einige 100mV. An 5V hatte ich schonmal -15V usw.
Sieht wohl so aus, als ob das LCD defekt ist, oder?
Die Schaltung selbst ist i.O. oder?
[ Diese Nachricht wurde geändert von: Quader am 25 Aug 2007 18:48 ]
|
BID = 452965
perl Ehrenmitglied
       
Beiträge: 11110,1 Wohnort: Rheinbach
|
Zitat :
| An Ground liegen manchmal einige 100mV. An 5V hatte ich schonmal -15V usw.
Sieht wohl so aus, als ob das LCD defekt ist, oder? |
Sieht eher nach einem Wackelkontakt in der Masseleitung aus.
_________________
Haftungsausschluß:
Bei obigem Beitrag handelt es sich um meine private Meinung.
Rechtsansprüche dürfen aus deren Anwendung nicht abgeleitet werden.
Besonders VDE0100; VDE0550/0551; VDE0700; VDE0711; VDE0860 beachten !
|
BID = 454453
Quader Gerade angekommen
Beiträge: 12 Wohnort: Winterthur
|
Das Problem ist gelöst. Der Spannungsteiler bei den -15V war viel zu hochohmig dimensioniert.
Das Display benötigte etwa einen Strom von 5mA, und dann ist die Spannung zusammengebrochen, ausser natürlich das Potentiometer liegt am oberen Anschlag.
Ob die Logik hinter dem GLCD aber noch funktioniert weiss ich noch nicht.
|