Schwimmbadfilter die 2.te Im Unterforum Elektroinstallation - Beschreibung: Alles über Installation
Achtung immer VDE beachten !!
| Autor |
|
Schwimmbadfilter die 2.te |
|
|
|
|
BID = 444960
Hellumm Gesprächig
  
Beiträge: 140 Wohnort: München
|
|
Hallo Leute,
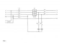
vor dem Foren-GAU letztes Jahr hatte ich mal eine Anfrage gestartet, ob man den MSS (Pfeil) dieser alten Anlage mittauschen sollte. Euere Antwort war: Ja, sicherheitshalber.
Etwas später hatte ich festgestellt, daß der alte MSS sowieso nicht zu der verwendeten Pumpe passt. Der MSS geht von 2,4-3,6A, die Pumpe hat aber einen Maximalstrom von 1,78A , toller Schutz
Ich habe das jetzt neu gemacht, mit FI und passendem MSS.
Isolationsmessung und Schutzleiterprüfung auch erfolgreich bestanden.
Aber ich habe trotzdem ein kleines Problem. Wie im Schaltplan ersichtlich, habe ich eine Phasenüberwachung von L2+L3 vorgesehen (K6+K7). Doch das klappt nicht. Anscheinend habe ich die Rechnung ohne den Wirt gemacht.
Die Vorsicherungen sind 3x DIAZED 4A. Wenn ich L2 oder L3 rausdrehe, wird in der stromlosen Spule des Motors anscheinend so viel Spannung induziert, daß das betreffende Relais angezogen bleibt, grrr! Die exakte Spannung kann ich leider nicht sagen. Mein alter Duspol spricht zwar an, das Tauchspulmesswerk brummt, zeigt aber nichts an.
Was kann ich denn da machen? Alles ist so gut gelaufen, und jetzt das.
Noch eine Frage: Wo bekomme ich Ersatzschmelzeinsätze für DIAZED 4A (gelbe Paßschraube)? Wenn man im Elektrikerladen frägt, hört man meist: "Das gab es nie!"
Freue mich auf Antwort,
Hellumm |
|
BID = 444976
elo22 Schreibmaschine
     Beiträge: 1406 Wohnort: Euskirchen
|
|
Zitat :
Hellumm hat am 23 Jul 2007 01:50 geschrieben :
|
Wie im Schaltplan ersichtlich, habe ich eine Phasenüberwachung von L2+L3 vorgesehen (K6+K7). Doch das klappt nicht. |
Warum nimmst Du nicht was fertiges?
Zitat :
|
Die Vorsicherungen sind 3x DIAZED 4A.
Noch eine Frage: Wo bekomme ich Ersatzschmelzeinsätze für DIAZED 4A (gelbe Paßschraube)? Wenn man im Elektrikerladen frägt, hört man meist: "Das gab es nie!" |
Hättes ich auch gesagt. Ersetze Diazed durch Neozed wenn möglich.
BTW: Wo ist K4? Ich sehe da nur zwei Schliesser. IMHO wäre es sinnvoll gewesen beide Zeichnungen zusammen in einer Grafik online zu stellen.
Lutz
[ Diese Nachricht wurde geändert von: elo22 am 23 Jul 2007 5:06 ] |
|
BID = 444988
Trumbaschl Inventar
     
Beiträge: 7658 Wohnort: Wien
|
Reichelt hat wenn mich nicht alles täuscht Diazed-Schmelzeinsätze in 1, 2 4, 6, 10 usw. A.
_________________
"Und dann kommen's zu ana Tür da steht oben "Eintritt verboten!" und da miaßn's eine!"
|
BID = 445040
Hellumm Gesprächig
  
Beiträge: 140 Wohnort: München
|
Hallo,
DIAZED auf NEOZED umbauen wird nicht gewünscht, die Verteilung soll so bleiben.
K4 gibt es noch nicht. Mommentan ist nur eine Relaisfassung eingebaut, mit vorverdrahteten Schließern.
Hintergrund: Wenn nächstes Jahr die Heizung erneuert wird, soll die Option realisiert werden, die Umwälzpumpe bei Heizbetrieb automatisch mitlaufen zu lassen.
Bei Reichelt habe ich geschaut, Einsätze leider nur ab 6/10A aufwärts.
Fällt noch jemand was ein?
Gruß,
Hellumm
|
BID = 445068
Stifmaster Schriftsteller
    
Beiträge: 731 Wohnort: Mainfranken
|
Ist deine Zuleitung so stark, dass ein PEN erlaubt ist?
_________________
Für meine Beiträge schließe ich jegliche Haftung aus. VDE-Vorschriften sind immer zu beachten. SICHERHEIT GEHT VOR!
[ Diese Nachricht wurde geändert von: Stifmaster am 23 Jul 2007 14:18 ]
[ Diese Nachricht wurde geändert von: Stifmaster am 23 Jul 2007 14:19 ]
|
|
Zum Ersatzteileshop
Bezeichnungen von Produkten, Abbildungen und Logos , die in diesem Forum oder im Shop verwendet werden, sind Eigentum des entsprechenden Herstellers oder Besitzers. Diese dienen lediglich zur Identifikation!
Impressum
Datenschutz
Copyright © Baldur Brock Fernsehtechnik und Versand Ersatzteile in Heilbronn Deutschland
gerechnet auf die letzten 30 Tage haben wir 18 Beiträge im Durchschnitt pro Tag heute wurden bisher 3 Beiträge verfasst © x sparkkelsputz Besucher : 187916270 Heute : 10570 Gestern : 19923 Online : 245 24.12.2025 17:42 6 Besucher in den letzten 60 Sekunden alle 10.00 Sekunden ein neuer Besucher ---- logout ----viewtopic ---- logout ----
|
xcvb
ycvb
0.0919609069824
|