| Autor |
|
Definierte Ladung Schalten |
|
|
|
|
BID = 437895
DerStudent Neu hier

Beiträge: 36
|
|
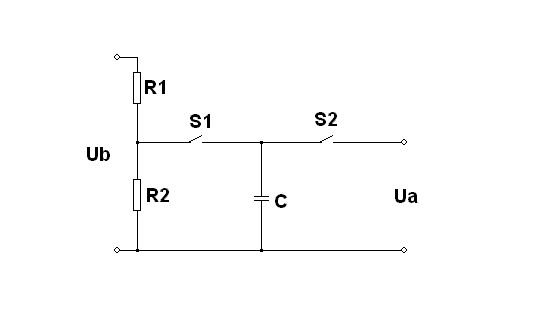
Hallo,
vielleicht habt ihr ja einen Praxistip für mich.
Das Prinzip soll unten da der Schaltung deutlich werden.
Ich habe einen Spannungsteiler R1/R2 mit dem gebe ich zum Beispiel eine Spannung von 1V an R2 vor.
Kurzzeitig schaltet S1, läd den Kondensator (C soll mal ein 1nF sein). Da Q=U*C folgt: ich habe eine definierte Ladung von 1nC auf dem Kondensator.
Nach kurzer Zeit soll S1 öffnen, danach S2 schließen. Die definierte Ladung wird nun am Ausgang bereit gestellt.
Nach kurzer Entlasung wird S2 wieder geöffnet und es kann von vorn losgehen.
Als logische Signale für die Schalter habe ich 0V low und 8V high.
Was kann ich nun als Schalter nehmen, dass sich die Kondensatoren möglichst komplett entladen?
Halbleiterbauelemente lassen doch erst über 0,7 V die Signale durch, dann hab ich ja Probleme, wenn die Spannung am Kondensator kleiner 0,7 V ist.
Hat jemand ne Idee wie ich das machen kann? Hab schon an Optpkoppler gedacht, aber die haben ja auch einen PN-Übergang :S
Ginge das eventuell mit zwei FETs?
Wenn jemand was weiß, bitte konkrete Antworten, nich das ich danach nur verwirrter bin *fg*.
MfG DerStudent |
|
BID = 437900
cholertinu Inventar
     
Beiträge: 3754 Wohnort: CH
|
|
Was gibt denn das? Ein Switched-Capacitor Wandler?
Für die Praxistips müsste man evtl. noch etwas mehr über das "vorne" und "hinten" dran erfahren.
Schaltelement: MOSFET mit tiefem Rdson einsetzen. |
|
BID = 437922
DerStudent Neu hier

Beiträge: 36
|
Hi,
ist ein weiterer Teil für einen Meßsignalgenerator.
Wenn ich FETs verwende, kann ich die dann so ohne weiteres da einsetzen, wo jetzt S1 und S2 sind? Muss Source nicht normal direkt an Masse?
|
BID = 437923
LeoLöwe reloaded Schreibmaschine
    
Beiträge: 1406 Wohnort: Meine
|
Wenn es sich nur um so geringe Kapazitäten handelt (=kleiner Kurzschlussstrom) dann verwende doch einfach Relais...
_________________
We now return you to your regularly scheduled nonsense.
|
BID = 437925
DerStudent Neu hier

Beiträge: 36
|
Hi,
also ich hab das mal mit FETs versucht, bin mir aber nicht sicher wegen der Polarität, könnte das jemand bestätigen, dass das so passt?
Da fällt mir grad ein, dass die Steuerimpulse beide die gleiche Masse haben. Dann geht das nicht ohne weiteres so oder? Zumindest nicht mit dem Fet am Ausgang?
Also es sollen sich um zwei selbstsperrende N-Kanals-FETs handeln.
Relais scheiden aus, weil das Ganze im Bereich von etwa 2ms Sekunden getaktet ist.
|
BID = 437976
cholertinu Inventar
     
Beiträge: 3754 Wohnort: CH
|
Das was du da mit den FETs gezeichnet hast entspricht aber nicht der ursprünglichen Schaltung.
Da waren R2, C und Ua- alle auf demselben Potenzial. Davon sehe ich in der FET Variante nichts.
Das solltest du erstmals korrigieren.
Zur FET Ansteuerung: Du kannst z.B. Gate-Driver verwenden, dann kannst du auch High-Side N-Kanal FETs einsetzen und bekommst einen richtig schnell schaltenden FET (weil die Gates mit ordentlich Strom befeuert werden).
|
BID = 438080
Harald73 Schreibmaschine
    
Falsches Format *.gif oder *.jpg verwenden!
Beiträge: 1016
|
Hallo "Student",
bei dem Beispiel (1V, 1nF) geht es ja um rel kleine Energien.
Vielleicht "studierst" du mal die Datenblätter von ein paar Analogschaltern, z.B. dem 4066 (Google:"4066 CMOS"). Das sind rel. günstige Schalter (FET-Basierend) für kleine Signale. Werden z.B. in (nicht gerade High-End) Audiosignalpfaden als (Um-)Schalter für verschiedene Quellen genutzt. Manchmal sogar auch für Video-Signale (~ 5MHz).
Bei www.maxim-ic.com findest du bei "Analog Switches and Multiplexers" noch viele weitere Typen (Schnell, Störstromarm,....)
Allgemein nehmen dir diese Schalter das Ansteuerproblem gleich mit ab: Einfach mit einem Logiksignal rein, der Rest geht von alleine. Oft darf die Signalspannung sogar die Logikversorgungsspannung über und unterschreiten.
Gruß
Harald
_________________
*..da waren sie wieder, meine 3 Probleme: 1)keiner 2)versteht 3)mich
* Immer die gültigen Vorschriften beachten und sich keinesfalls auf meine Aussagen verlassen!
|
BID = 438195
DerStudent Neu hier

Beiträge: 36
|
Danke Harald,
das ist ne super Sache!
Hab mir gleich mal ne Bestellung bei Reichelt angeleihert^^
Da kann mein Projekt ja nur noch was werden
Besten Dank
|