Alarmanlage

Im Unterforum Projekte im Selbstbau - Beschreibung: Selbstbau von Elektronik und Elektro

Elektronik Forum Nicht eingeloggt       Einloggen       Registrieren




[Registrieren]      --     [FAQ]      --     [ Einen Link auf Ihrer Homepage zum Forum]      --     [ Themen kostenlos per RSS in ihre Homepage einbauen]      --     [Einloggen]

Suchen


Serverzeit: 25 10 2025  15:36:18      TV   VCR Aufnahme   TFT   CRT-Monitor   Netzteile   LED-FAQ   Oszilloskop-Schirmbilder            


Elektronik- und Elektroforum Forum Index   >>   Projekte im Selbstbau        Projekte im Selbstbau : Selbstbau von Elektronik und Elektro


Autor
Alarmanlage
Suche nach: alarmanlage (658)

    







BID = 436369

Samy91

Gerade angekommen


Beiträge: 5
ICQ Status  
 

  


Hi Leute,

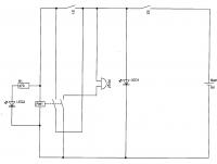
aus Langeweile habe ich die Schaltung unten entworfen. Das soll eine Alarmanlage sein (der Schalter links oben ist der Alarmkontakt).
Funktioniert auch soweit gut aber nun zu meiner Frage: Lässt sich das auch irgendwie einfacher bauen (mit IC, etc... ich hab selbst nicht sehr viel Ahnung von Elektronik dann ich nur ein Schüler in Ausbildung bin )!

MFG Samy



BID = 436405

Otiffany

Urgestein



Beiträge: 13779
Wohnort: 37081 Göttingen

 

  

Ja, es geht einfacher:
(Abgesehen von der Tatsache, daß Alarmanlagen eine zeitliche Alarmbegrenzung haben müssen, ist das die einfachste Ausführung)
Gruß
Peter




[ Diese Nachricht wurde geändert von: Otiffany am 13 Jun 2007 16:46 ]

BID = 436441

Primus von Quack

Unser Primus :)
nehmt ihn nicht so ernst




Beiträge: 7453

...ja sehr gut

...aber ein Vorwiderstand für LED1 könnte man auch noch einbauen das erhöht die Lebensdauer der LED erheblich



_________________
...geguckt wird mit den Augen, nicht mit den Fingern!

BID = 436473

Otiffany

Urgestein



Beiträge: 13779
Wohnort: 37081 Göttingen

Richtig, habe ich vergessen.

BID = 436674

Primus von Quack

Unser Primus :)
nehmt ihn nicht so ernst




Beiträge: 7453

...macht ja nix

_________________
...geguckt wird mit den Augen, nicht mit den Fingern!


Zurück zur Seite 1 im Unterforum          Vorheriges Thema Nächstes Thema 


Zum Ersatzteileshop


Bezeichnungen von Produkten, Abbildungen und Logos , die in diesem Forum oder im Shop verwendet werden, sind Eigentum des entsprechenden Herstellers oder Besitzers. Diese dienen lediglich zur Identifikation!
Impressum       Datenschutz       Copyright © Baldur Brock Fernsehtechnik und Versand Ersatzteile in Heilbronn Deutschland       

gerechnet auf die letzten 30 Tage haben wir 12 Beiträge im Durchschnitt pro Tag       heute wurden bisher 7 Beiträge verfasst
© x sparkkelsputz        Besucher : 186001814   Heute : 9050    Gestern : 12637    Online : 220        25.10.2025    15:36
8 Besucher in den letzten 60 Sekunden        alle 7.50 Sekunden ein neuer Besucher ---- logout ----viewtopic ---- logout ----
xcvb ycvb
0.0301988124847