| Autor |
Schmit-Trigger mit zwei LED-Strängen Suche nach: led (32778) |
|
|
|
|
BID = 420045
bigpuster Gesprächig
  
Beiträge: 108 Wohnort: Falkensee
|
|
Hallo, liebe Gemeinde!
Mein aktuelles Problem ist eine beleuchtete Plexiglasscheibe in die ich meine Anschrift eingefräst habe. Diese soll an meinem Grundstückszaun angebracht werden.
Bei einsetzender Dämmerung soll das ganze einschalten und am Tage ausgeschaltet sein.
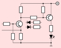
Dazu habe ich eine Schmitt-Trigger-Schaltung benutzt. Als Spannungsquelle nutze ich den Klingeltravo ( 8,5V DC ), weil ich vorne am Tor keine andere Stromquelle habe.
Mein Problem ist jetzt, dass ich im 30 Sekundentakt einen Farbwechsel von rot( 3 * LED ) auf blau ( 3*LED) haben will. An sich klappt das ganze, jedoch muss ich aufgrund der geringen Spannung zwei blaue LED-Stränge parallel aufbauen. Einen mit zwei blauen LED und einen mit einer blauen LED.
Nun das Problem. Es leuchtet nur die eine blaue LED. Wenn ich die einzelne LED abtrenne, dann leuchten die anderren beiden blauen LEDs einwanfrei.
Faden und Farbwechsel klappt alles.
Ich vermute es liegt daran, dass die LEDs ja über die CE-Strecke des T2 einen gemeinsamen Vorwiderstand haben. Den brauche ich aber für die unterschiedlichen Ein-/ Auschaltzeitpunkte.
Zur Vereinfachung habe ich bei der Schaltkizze mal die Sachen mit dem wechselseitigem Faden rausgelassen. |
|
BID = 420101
Esko Stammposter
   
Beiträge: 465 Wohnort: Cadolzburg
|
|
Hallo,
leider kann man dem Schaltplan nicht entnehmen, wie die Leds bei DIR angeschlossen sind. Etwa über einen extra Schalttransistor, das wäre die beste Möglichkeit. So wie im Plan dargestellt hätten die Leds 8,5V - 0,7V (CE von T2) - 2* 3,3V (beide Leds) = ca 1,2V. Der Vorwiderstand ist 1k Ohm und ergibt somit 1,2mA. Sicher viel weniger als gewünscht.
Dieser große Widerstand von 1k ist es auch, der verhindert dass die beiden Leds leuchten, wenn die einzelne mit nur der Hälfte der Durchlass-Spannung angeschlossen ist. Um das zu verhindern solltest du einen extra Transistor Schalten lassen. Oder falls dir die Helligkeit langt, kannste in den Zweig der einen Led noch 4-5 normale (Silizium) Dioden reinhängen, über denen je ca 0,7V abfällt.
mfg
Esko |
|
BID = 420397
bigpuster Gesprächig
  
Beiträge: 108 Wohnort: Falkensee
|
Leider habe ich das mit dem Schalttransistor nicht hingekriegt bzw. ich weiß nicht wo ich die Basis des Schalttransistors anschließen soll. Kollektor vom T2 kann ja nicht sein. Emitter vom T2? Da weiß ich dann nicht, wie sich das auf das Schaltverhalten des Schmitt-Trigger auswirkt?
Die LEDs sind genauso wie in der Schaltskizze verschaltet. Zusätzlich ist halt nur ein NE555 als astabiler Multivibrator um die blauen und drei rote LEDs zum 15 sekündlichen Wechsel aufgebaut. Das faden mache ich, wenn die Lieferung von Reichelt endlich eintrifft.
Mein nächstes Problem ist, dass auf dem Klingeltravo als Ausgang 12V AC 1A UND 8V DC 0.2A steht. Was gilt denn nun? Wenn ich ein Multimeter anscließe, dann kriege ich bei einer Gleichspannungsmessung 7,8V und bei Wechselspannung 23,5V. Als ich die Schaltung angeschlossen habe, hat sie auch nicht richtig funktioniert. Dann habe ich die Anschlüsse vertauscht und jetzt geht gar nichts mehr. Auch an der Batterie, an der vorher alles ( bis auf die blauen LEDs ) funktioniert hat, geht nichts mehr. Wird wohl was in den Himmel eschossen worden sein  . Was mache ich jetzt? Wechselspannung gleichrichten? Aber 8V Gleichspannung werden doch auch gemessen?
[ Diese Nachricht wurde geändert von: bigpuster am 7 Apr 2007 16:52 ]
[ Diese Nachricht wurde geändert von: bigpuster am 7 Apr 2007 16:53 ]
|
BID = 420565
Dombrowski Stammposter
   
Beiträge: 450
|
Moin.
Doch, Kollektor von T2 ist schon richtig, wenn er einen Kollektorwiderstand bekommt. Die beiden Spannungspegel kannst du ja leicht ausmessen. Nimm dann Spannungsteiler/Vorwiderstand/(Z-)Dioden hinzu, damit der Schalttransistor dann schaltet, wenn er soll. Es wird wohl ein PNP als Schalter werden - oder du legst den LDR in den gegenüber liegenden Zweig.
Ist das Schaltverhalten sonst in Ordnung? Ist die Hysterese nicht viel zu groß? Man nimmt eigentlich einen deutlich kleineren Emitterwiderstand. So wie gezeichnet, wenn er auch als Vorwiderstand für die LEDs arbeitet, ist es ja Unsinn. Lass beim Zeichnen nur das weg, was wirklich unwichtig für die Funktion ist.
Die Trafoangaben und -messungen hören sich zunächst absurd an. Ist da mehr drin als nur ein reiner Übertrager? Klär das erstmal, bevor du noch mehr verbrätst.
D.
|
BID = 420678
bigpuster Gesprächig
  
Beiträge: 108 Wohnort: Falkensee
|
Nochmal zum Klingeltravo. Es gibt drei Anschlüsse ( blau/ rot/grün). Gleichsannungsmessung ergibt rot ist Pluspol. Rot zu grün 7.9V. Rot zu Blau 7.8V. Blau zu grün natürlich 0V, wobei das Multimeter manchmal 0.02V anzeigt.
Wenn ich nun auf Wechselspannung stelle, dann kriege ich folgende Ergebnisse. Rot zu grün 23,4V. Rot zu blau 16.0V.
Was mache ich damit jetzt am besten?
Zitat :
| | Doch, Kollektor von T2 ist schon richtig, wenn er einen Kollektorwiderstand bekommt. Die beiden Spannungspegel kannst du ja leicht ausmessen. Nimm dann Spannungsteiler/Vorwiderstand/(Z-)Dioden hinzu |
Invertiere ich damit nicht wieder?
Ich muss zugeben, dass ich nuur die Hälfte verstanden habe und selbst das ist gelogen. Normalerweise Ist das doch eine Inverterschaltung, wenn die Basis von einem Transistor an dem Kollektor des anderen hängt?
Oder meinst Du so?
|
BID = 420679
bigpuster Gesprächig
  
Beiträge: 108 Wohnort: Falkensee
|
Nochmal zum Klingeltravo. Es gibt drei Anschlüsse ( blau/ rot/grün). Gleichsannungsmessung ergibt rot ist Pluspol. Rot zu grün 7.9V. Rot zu Blau 7.8V. Blau zu grün natürlich 0V, wobei das Multimeter manchmal 0.02V anzeigt.
Wenn ich nun auf Wechselspannung stelle, dann kriege ich folgende Ergebnisse. Rot zu grün 23,4V. Rot zu blau 16.0V.
Was mache ich damit jetzt am besten?
Zitat :
| | Doch, Kollektor von T2 ist schon richtig, wenn er einen Kollektorwiderstand bekommt. Die beiden Spannungspegel kannst du ja leicht ausmessen. Nimm dann Spannungsteiler/Vorwiderstand/(Z-)Dioden hinzu |
Invertiere ich damit nicht wieder?
Ich muss zugeben, dass ich nuur die Hälfte verstanden habe und selbst das ist gelogen. Normalerweise Ist das doch eine Inverterschaltung, wenn die Basis von einem Transistor an dem Kollektor des anderen hängt?
Oder meinst Du so?
|
BID = 420680
bigpuster Gesprächig
  
Beiträge: 108 Wohnort: Falkensee
|
Nochmal zum Klingeltravo. Es gibt drei Anschlüsse ( blau/ rot/grün). Gleichsannungsmessung ergibt rot ist Pluspol. Rot zu grün 7.9V. Rot zu Blau 7.8V. Blau zu grün natürlich 0V, wobei das Multimeter manchmal 0.02V anzeigt.
Wenn ich nun auf Wechselspannung stelle, dann kriege ich folgende Ergebnisse. Rot zu grün 23,4V. Rot zu blau 16.0V.
Was mache ich damit jetzt am besten?
Zitat :
| | Doch, Kollektor von T2 ist schon richtig, wenn er einen Kollektorwiderstand bekommt. Die beiden Spannungspegel kannst du ja leicht ausmessen. Nimm dann Spannungsteiler/Vorwiderstand/(Z-)Dioden hinzu |
Invertiere ich damit nicht wieder?
Ich muss zugeben, dass ich nuur die Hälfte verstanden habe und selbst das ist gelogen. Normalerweise Ist das doch eine Inverterschaltung, wenn die Basis von einem Transistor an dem Kollektor des anderen hängt?
Oder meinst Du so?
|
BID = 420824
Dombrowski Stammposter
   
Beiträge: 450
|
Moin.
Genau, so wie in der Skizze sollte es gehen. Noch einen Elko zur Entkopplung in die Betriebsspannung... und vorne gehen auch BC547 u. Verwandte.
Jetzt stimmt auch die Logik: LED leuchtet bei abgedunkeltem LDR. Wenn der LDR an der Position von R1 liegen würde, müsste man hinten einen PNP-Schalttransistor nehmen und die Beschaltung anpassen.
Die Trafomeldungen sagen mir immer noch nichts, sorry.
D.
|
BID = 420831
bigpuster Gesprächig
  
Beiträge: 108 Wohnort: Falkensee
|
Ok. Danke!
Nur aus Interesse. Wie müßte die Schaltung für einen PNP-Transistor angepasst werden?
Macht es vielleicht Sinn, einfach eine Gleichrichterschaltung vorzuschalten, einfach den Ausgang messen und die Vorwiderstände entsprechend anzupassen?
|
BID = 420901
Dombrowski Stammposter
   
Beiträge: 450
|
Moin.
Wie im Bild. Bauelementeauswahl je nachdem, welche Spannungspegel sich für High und Low einstellen.
Du meinst eine Gleichrichterschaltung, damit du ein und dieselbe Treiberstufe für beide Grundschaltungen (1. Leuchten, wenn dunkel; 2. Leuchten, wenn hell) einsetzen kannst? Dazu kannst du auch zusätzlich das Steuersignal am ersten Transistor abgreifen und zwischen beiden Abgriffen per Drahtbrücke/Umschalter auswählen.
D.
|
BID = 420999
bigpuster Gesprächig
  
Beiträge: 108 Wohnort: Falkensee
|
Nein. Ich dachte an einen Brückengleichrichter am Eingang der Schaltung. Ich habe den jetzt mal an rot und blau des Klingeltravos gehangen. Am Ausgang habe ich 13V gemessen. Noch einen Kondensator zur Glättung und es müßte doch funktionieren?
|
BID = 421061
Dombrowski Stammposter
   
Beiträge: 450
|
Moin.
Joh, wenns soweit geht... Dass du Gleichspannung am AC-Ausgang gemessen hast, kommt mir immer noch faulig vor. Multimeter in Ordnung?
D.
|
BID = 421353
bigpuster Gesprächig
  
Beiträge: 108 Wohnort: Falkensee
|
Bezüglich des Mulimeters ist mir nichts gegenteiliges bekannt. Auf dem Klingeltravo steht ja auch sowohl 12VAC als auch 8VDC. Verstehen tu ich das zwar auch nicht, bloß bei mir hat das nichts zu heißen  .
Ich muß jetzt noch die LEDs umlöten, da aich ja jetzt doch 3 in Reihe schalten kann und dann meld eich mich.
Vorerst schonmal "Vielen Dank" .
|
BID = 421734
bigpuster Gesprächig
  
Beiträge: 108 Wohnort: Falkensee
|
HEUREKA!
Es geht! Ich habe jetzt blau und grün an einen Gleichrichter angeschlossen und 16V erhalten. Wenn ich rot mit grün oder blau an den Gleichrichter angeschlossen habe, waren die Meßwerte nur im unbelasteten Zustand in Ordnung. Wenn ich die Schaltung an den Gleichrichter angeschlossen habe, dann lief nichts und das Multimeter hat auch gestreikt.
Verstehe ich zwar nicht, ist aber so.
Vielen Dank an die, die geholfen haben.
|
BID = 422268
bigpuster Gesprächig
  
Beiträge: 108 Wohnort: Falkensee
|
Ich muss das "Heureka" mal zurücknehmen.
Es leuchtet zwar, aber auch am Tage.
Mit dem Multimeter nachgemessen ist alles in Ordnung, bis auf die BE-Strecke von T3.
Aber erstmal die Werte.
Die Gesamtspannung beträgt 17.8V.
R4 íst bei mir 75R und R6 3300R.
Wenn T2 am Tage durchgeschaltet ist, müßte rein rechnerisch an R4 ca. 0.4V abfallen. Ist auch so!
demnach kann an D2 + R6 auch nur 0.4V abfallen, da CE(T2)+R4 und D2+R6 parallel geschaltet sind wenn T2 leitet.
Wenn ich jetzt aber BE von T3 messe liegen hier auch 0.6V an.
[ Diese Nachricht wurde geändert von: bigpuster am 15 Apr 2007 15:08 ]
|