| Autor |
|
Probleme mit Selbstbauverstärker |
|
|
|
|
BID = 416009
Mitruel Stammposter
    Beiträge: 404 Wohnort: Memmingen
|
|
Hallo
Also. Ich denke,daß ich erstmal einen Schalplan mit den Werten und bauteilen aufertige, ihn dann poste, mir euer ok hole und dann zum Layout gehe und dieses ebenfalls poste um mir euer ok zu holen. Ich werde immer ein Bild und die Target Datei (das man als kostenlose Demoverison bekommt) reinstellen, damit ihr es mit weniger umständen ausehen könnt.
Zum Netzteil. Ich habe ein Laptop-Schaltnetzteil das man einstellen kann. Das Liefert bis zu 5 A.
Jetzt noch eine Sache, die mich wundert.
Ich habe schon 3 oder 4 Verstärker mit dem TDA 7560 und ner klangregelung aufgebaut. Da hatte ich kein einziges problem mit den Störgeräuschen (vielleicht durch zufall) Wundert mich jetzt,daß ich so massive Probleme habe mit Diesem Projekt..Aber ich hab ja SUPER Hilfe von EUCH!! Danke mal an dieser Stelle. Euch muß klar sein, daß ich das ohne dich nicht schaffen würde. DANKE für eure Zeit.
Ich habe, wie ihr gesehen habt, Folienkondensatoren bei Der klangregelung genommen. Wegen dem "klang", was in dieser "Klasse" von klang wohl nicht hörbar ist. Sollte ich lieber Ker oder Folie nehmen? Wie gesagt, ich habe schon erfolgreich ein paar klangregelungen aufgebaut mit Folie...
Noch was. Chassis Masse gibt es nicht, da mein Geäuse aus Glasfaser ist...Ich bau doch diese "Designer" Ipod Docks die ich schon mal gepostet habe...Da kommen die Verstärker doch rein..Hier nochmal der
Thread damit ihr euch ein bild machen könnt von was ich rede. die bilder sind ganz unten.
Bis nacher.
Mitruel |
|
BID = 416015
perl Ehrenmitglied
       
Beiträge: 11110,1 Wohnort: Rheinbach
|
|
Zitat :
| | Sollte ich lieber Ker oder Folie nehmen | Für "große" Kondensatoren, an denen also im Betrieb keine nennswerte Wechselspannung auftritt, z.B. Siebkondensatoren oder Koppelkondensatoren mit einer sehr niedrigen Grenzfrequenz, kannst du Keramik z.B. X7R nehmen.
An Stellen wo die Wechselspannung am Kondensator das Signal beeinflusst, oder die Toleranz wichtig ist, d.h. im Klangregelnetzwerk oder sonstigen NF-Filtern, solltest du entweder Folie oder NP0- bzw. C0G-Keramikkondensatoren verwenden, weil die hochkapazitiven Massen wie X7R erhebliche Nichtlinearitäten haben (Die Kapazität hängt von der Spannung ab) und große Toleranzen, die zudem noch stark temperaturabhängig sind.
_________________
Haftungsausschluß:
Bei obigem Beitrag handelt es sich um meine private Meinung.
Rechtsansprüche dürfen aus deren Anwendung nicht abgeleitet werden.
Besonders VDE0100; VDE0550/0551; VDE0700; VDE0711; VDE0860 beachten ! |
|
BID = 416030
Mitruel Stammposter
    Beiträge: 404 Wohnort: Memmingen
|
Hallo
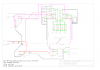
Hier mal der erste Schalplan.
Wie gesagt, ein Schaltnetzteil vom Laptop ist meine Mobile Spannungsquelle.
Ich stell ein Bild rein und Die datei mit ner pdf Endung. müsst ihr halt entfernen.
Ist eine TARGET 3001 Datei.
Mitruel
Ach ja, man beachte bitte R15. Das ist der (so denke ich ) entkoppelwiderstand an dem ja 2-3Volt abfallen sollen. Bei einem Strombedarf von 70 mA fpr dne Vorverstärkers habe ich einen 50 Ohm widerstand genommen
[ Diese Nachricht wurde geändert von: Mitruel am 21 Mär 2007 15:43 ]
|
BID = 416033
Ltof Inventar
     
Beiträge: 9386 Wohnort: Hommingberg
|
Ich habe eben mal nach einem leicht verständlichen Tutorial zur Schaltplan- und Layouterstellung gesucht, aber leider nix gefunden. Sowas muss es doch geben! Das braucht Mitruel dringend.
Gruß,
Ltof
_________________
„Schreibe nichts der Böswilligkeit zu, was durch Dummheit hinreichend erklärbar ist.“
(Hanlon’s Razor)
|
BID = 416048
Esko Stammposter
   
Beiträge: 465 Wohnort: Cadolzburg
|
Den R15 würde ich etwas kleiner machen, so 20-30 Ohm, und danach noch ein großer Siebwiederstand so mit 100-200µF. Direkt an den "Klangverschlechterer" Pin3 noch so 100nF, beide gegen Masse-Vorverstärker.
Zu deinen Schaltplänen: Das Pdf geht nicht, und das Jpg ist recht verwaschen. Für Diagramme, Schaltpläne und Graphiken ist PNG oder GIF besser.
|
BID = 416050
Ltof Inventar
     
Beiträge: 9386 Wohnort: Hommingberg
|
Das PDF geht, wenn die Endung PDF entfernt wird. Das ist nämlich kein PDF
Das hatte Mitruel aber auch geschrieben.
Ich habe nur eine ältere Target-Version (damit war das nicht vollständig anzuzeigen) und werde mir auch bestimmt keine neue ziehen. Ich mag das Programm nicht und bin froh, mir das nicht gekauft zu haben. (@perl  )
_________________
„Schreibe nichts der Böswilligkeit zu, was durch Dummheit hinreichend erklärbar ist.“
(Hanlon’s Razor)
|
BID = 416068
Mitruel Stammposter
    Beiträge: 404 Wohnort: Memmingen
|
Die Pdf oben geht. Habs selber probiert.
Ansonsten das JPG runterladen, rechtsklick auf die Datei, dann "bearbeiten" und dann kannst du es in Paint richtig sauschart anschauen.
Ich versuch aber die Datei ohne endung nochma zu posten.
Also.
Ich habe den widerstand geaändert auf 27 Ohm (eine wert den es zu kaufen gibt  )
Zitat :
| | ein großer Siebwiederstand so mit 100-200µF. |
Ich denke Du meinst SiebELKO von 100-200µF.
Habe dann noch C 24 mit 100µF an pin 3 und einen Kerko ( C 25) mit 100 nF, beide gegen Masse Vorverstärker eingesetzt.
Danke für eure zeit
Mitruel
|
BID = 416086
Esko Stammposter
   
Beiträge: 465 Wohnort: Cadolzburg
|
das mit 27Ohm passt. Es kommt im Normalfall nicht auf ein paar 10% hin oder her an, wichtig ist die Größenordnung, und bei manchen Schaltungen die Verhältnisse von Widerständen. Dass die Widerstandswerte krumm sind liegt an der E-Reihe
Da hat sich ein 10k in der Plusleitung vom Verstärker versteckt.
|
BID = 416089
Mitruel Stammposter
    Beiträge: 404 Wohnort: Memmingen
|
Laut Conrad´s Bauanleitung die Ich anhänge, kommt bei pin 11 ein 10k Widerstand. Habe ihn schon mal auf dem Versuchsboard weggelassen, ging trotzdem. soll ich ihn drinlassen oder rauswerfen?
Soll ich mal dann das Layouten anfangen? Würde dann morgen oder Freitag mal die ersten entwürfe präsentieren...natürlich nur wenn du/Ihr sagt, daß ich damit beginnen kann.
@ esko
Hast du TARGET um die Dateien anzusehen oder wie machst du das wenn ich die Layoutentwürfe poste. Könnte mir vorstellen daß das schwerer ist, als es in TARGET anzusehen
Habe die Bauanleitung für die Klangregelung auch mal im anhand gepostet
|
BID = 416098
Esko Stammposter
   
Beiträge: 465 Wohnort: Cadolzburg
|
Uups, Fehler meinerseits, der gehört da schon hin. Dachte das wär die Plusleitung, die fehlt nämlich auf deinem Schaltbild.
Nö, Target hab ich nicht und werds mir auch nicht zulegen, nach den Kommentaren im Forum.
Wenn du sie als Gif oder Jpg postest müsste das auch gehen. Einmal Layout und einmal Bestückung.
[ Diese Nachricht wurde geändert von: Esko am 21 Mär 2007 20:22 ]
|
BID = 416101
Mitruel Stammposter
    Beiträge: 404 Wohnort: Memmingen
|
Die Plusleitung ist doch da?! links unten steht doch "spannungsversorgung verstärker"......
Da ist auch die spannungversorgung für IC2 (verstärker)
Soll ich dann morgen mal das Layouten anfangen?
[ Diese Nachricht wurde geändert von: Mitruel am 21 Mär 2007 20:25 ]
|
BID = 416122
Esko Stammposter
   
Beiträge: 465 Wohnort: Cadolzburg
|
Jo stimmt, unten links ist es ja, hab ich übersehen.
Klar kannste anfangen, orientier dich mit der Anordnung der Chips an dem Plan von Dombrowski.
Je nachdem ob du noch Lust hast, kannst du ja noch versuchen die alte Platine auf Vordermann zu bringen. Das geht eventuell schneller als ein kompletter Neubau. Also die Massen auftrennen, und per Kabel neu verbinden, und die Stromversorgung des 1524 testweise mit einem 9V Block machen.
Welchen Weg du wählst ist letztlich deine Sache.
mfg
|
BID = 416123
perl Ehrenmitglied
       
Beiträge: 11110,1 Wohnort: Rheinbach
|
Zitat :
| | Soll ich dann morgen mal das Layouten anfangen? |
Nein, das sollst du nicht.
Räum erst mal das Schaltbild auf. Also keine Leitungen quer durch Bauteile, Signalverlauf nach Möglichkeit von links nach rechts, und kein überflüssigen Knödel auf irgendwelchen Leitungen und kein Gedränge. Auf dem Blatt ist genug Platz, wenn du die Teile vernünftig verteilst. Bei den Potis sieht das ganz schlimm aus.
Dann prüfen, ob auch alle Netze korrekt angeschlosen sind und ob überall die richtigen Kondensatoren verwendet werden.
_________________
Haftungsausschluß:
Bei obigem Beitrag handelt es sich um meine private Meinung.
Rechtsansprüche dürfen aus deren Anwendung nicht abgeleitet werden.
Besonders VDE0100; VDE0550/0551; VDE0700; VDE0711; VDE0860 beachten !
|
BID = 416125
Mitruel Stammposter
    Beiträge: 404 Wohnort: Memmingen
|
@perl
Ich will ja nicht undankbar oder so wirken, daß ich nichts lernen will, nur ich kann und möche es nicht anderst machen.
Ich wüßte nicht mal wie. Habs mir gerade angesehen.
Und die Knödel sollen nur eine Hilfe sein, für euch, die lieben, die mir helfen....
Im layout mach ich das dann gerne (mit dem aufräumen)
Das Programm juckt das (denke ich mal) nicht, ob die Leitungen durch die bauteile gehen.
Und das bei den Potis. Was findest du daß da schlecht aussieht (konstruktive kritik bitte)
Mitruel
|
BID = 416127
Ltof Inventar
     
Beiträge: 9386 Wohnort: Hommingberg
|
Zitat :
Mitruel hat am 21 Mär 2007 21:43 geschrieben :
|
@perl
Das Programm juckt das (denke ich mal) nicht, ob die Leitungen durch die bauteile gehen.
|
Das Programm juckt das nicht. Aber diejenigen, die den Schaltplan lesen sollen, juckt das schon. Davon bekommt man Knödel in den Augen, bzw. wenig Lust, sich das genauer anzusehen. Mit der Darstellungsform schränkst Du den Kreis derer stark ein, die Dir zu Hilfe stehen.
_________________
„Schreibe nichts der Böswilligkeit zu, was durch Dummheit hinreichend erklärbar ist.“
(Hanlon’s Razor)
|