| Autor |
|
|
|
BID = 408048
bigpuster Gesprächig
  
Beiträge: 108 Wohnort: Falkensee
|
|
Hallo!
Ich habe beim Bau einer KSQ Verständnisprobleme.
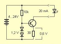
Bauteile sind für die Schaltskizze bei mir
Transistor : BC 337-40
dioden : 2*1n4148
R(BE)= 1.5R
R(Dioden) = 75R, 1000R
Eigentlich solltenan den beiden Dioden immer so 1.2-1.4V abfallen und am Widerstand der Basis-Emitterstrecke dementsprechend 0,6-0.7V.
Wenn ich den Widerstand in Reihe zu den Dioden mit 75 R wähle, arbeitet die KSQ so, wie sie soll. Allerdings ist 75R ja seeeeehr klein. Eigentlich dient der Spannungsteiler ja nur zum Einstellen der Spannung am Widerstand R(BE). Wenn ich den Widerstand aber z.B. auf 1000R oder 1000R, wie in der Schaltskizze, wähle, dann fallen an den Dioden nur noch knapp 0.8V, am R(BE) 0.2V ab mit dem Ergebnis eines deutlich geringeren Stromes.
Diesen Effekt verstehe ich überhaupt nicht, sollte der Strom doch konstant sein?
Achso, Versorgung ist eine 9V/300mA Batterie!
[ Diese Nachricht wurde geändert von: bigpuster am 19 Feb 2007 18:23 ]
[ Diese Nachricht wurde geändert von: bigpuster am 19 Feb 2007 18:24 ] |
|
BID = 408064
caes Stammposter
   
Beiträge: 473
|
|
Naja, der Transistor braucht ein Basisstrom, der über den Widerstand zufließen muss. Wird der Spannungsabfall dort zu groß, senkt sich das Basispotential ab, wandert der Transistor in den Sperrbetrieb und die Regelung arbeitet nicht mehr.
_________________
There are more things between
cathode and anode than are
dreamt of in your philosophy |
|
BID = 408072
hannoban Schreibmaschine
    
Beiträge: 1722 Wohnort: Hinter Düsseldorf die 4. Mülltonne links
|
Genau, caes hat recht. In die Basis des Transistors muß natürlich MINDESTENS soviel Strom fliessen wie der Kollektorstrom / Stromverstärkungsfaktor des Transistors. Sonst klappt das nicht.
Du könntest einen Darlington-Transistor verwenden mit sehr hoher Stromverstärkung, allerdings bräuchtest du dann mindestens eine weitere Diode, und hast eine höhere Dropoutspannung (also muß auch die Eingangsspannung der Schaltung leider etwas höher sein). Aber die Regelung sollte dadurch eigentlich trotz größeren Widerstandes stabiler werden.
Edit:
Oder gleich eine KSQ bauen, die ohne Querstrom auskommt. Gibt ja noch andere Mögllichkeiten (soweit ich mich erinnern kann auf der selben Seite, wo du diese auch her hast)
MfG hanno...
[ Diese Nachricht wurde geändert von: hannoban am 19 Feb 2007 19:36 ]
|
BID = 408089
caes Stammposter
   
Beiträge: 473
|
Zitat :
hannoban hat am 19 Feb 2007 19:32 geschrieben :
|
Oder gleich eine KSQ bauen, die ohne Querstrom auskommt.
|
So etwas gibt es doch mit einem FET und einem Widerstand. Zwei Bauteile und Ruhe.
_________________
There are more things between
cathode and anode than are
dreamt of in your philosophy
|
BID = 408112
hannoban Schreibmaschine
    
Beiträge: 1722 Wohnort: Hinter Düsseldorf die 4. Mülltonne links
|
Wobei man soeinen FET nicht immer bei der Hand hat.
Ich find die lösung mit ´nem LM317 und ´nem Widerstand am besten, weil:
- sehr konstant auch bei wechselnder Belastung
- einfacher Aufbau
- die Dinger hat ein Bastler meistens auf Vorrat
- Ströme bis 1 Ampere
- kein Querstrom
Nachteilig ist eigentlich nur, daß man gleich mindestens 3,8 Volt mehr Eingangsspannung braucht.
Edit:
Aber schau auch mal beim Ferromel, villeicht findest du da noch was passenderes.
MfG hanno...
[ Diese Nachricht wurde geändert von: hannoban am 19 Feb 2007 21:20 ]
|
BID = 408118
Ltof Inventar
     
Beiträge: 9386 Wohnort: Hommingberg
|
Das muss mit einem Widerstand zwischen 1k und 10k vernünftig funktionieren. Die Stromverstärkung dieses Transistors reicht. Entweder ist der Transistor kaputt oder falsch angeschlossen (Kollektor und Emitter vertauscht).
Gruß,
Ltof
_________________
„Schreibe nichts der Böswilligkeit zu, was durch Dummheit hinreichend erklärbar ist.“
(Hanlon’s Razor)
|
BID = 408127
bigpuster Gesprächig
  
Beiträge: 108 Wohnort: Falkensee
|
Zitat :
| | Das muss mit einem Widerstand zwischen 1k und 10k vernünftig funktionieren. |
Und ich dachte schon, ich kann jetzt mit meinem bißchen Elektronikverständnis einpacken!!!!
Der Stromverstärkungsfaktor liegt bei 400!
Bei 9V und 1000R fließt ein Basisstrom von 9mA * 400 = 3.6A. Also müßten 500mA ja dicke drin sein.
Kollektor und Emitter habe ich nicht vertauscht. Definitiv. Ich versuche mal einen anderen baugleichen Transistor. An den Dioden kann es nicht liegen? Ich habe mir mal das Datenblatt angesehen. von 2mA - 50mA müßten eigentlich 0.6-0.8V anliegen.
[ Diese Nachricht wurde geändert von: bigpuster am 19 Feb 2007 22:10 ]
|
BID = 408132
hannoban Schreibmaschine
    
Beiträge: 1722 Wohnort: Hinter Düsseldorf die 4. Mülltonne links
|
Zitat :
Ltof hat am 19 Feb 2007 21:37 geschrieben :
|
Das muss mit einem Widerstand zwischen 1k und 10k vernünftig funktionieren. Die Stromverstärkung dieses Transistors reicht. Entweder ist der Transistor kaputt oder falsch angeschlossen (Kollektor und Emitter vertauscht). |
Und ich sage sie reicht nicht! Hast du schonmal seine Dimensionierungswerte genauer angeschaut? 0,6 Volt an 1,5 Ohm sind bei mir 400mA Kollektorstrom. Für diese popelige Schaltung mit Kleinsignaltransistor ist das sowiso jenseits von gut und böse, aber für die 400mA Kollektorstrom braucht er bei GROßZÜGIG angegebenem Faktor 150 immerhin 3 mA Basisstrom. Die bekommt er so aber nicht.
Zitat :
| Der Stromverstärkungsfaktor liegt bei 400!
Bei 9V und 1000R fließt ein Basisstrom von 9mA * 400 = 3.6A. Also müßten 500mA ja dicke drin sein.
|
Hast du den Faktor 400 nachgemessen? Das glaube ich nämlich nicht, nicht bei diesem Kollektorstrom. Der 337-25 hat bei 400mA nurnoch 150 statt 250, und der 337-40 kann da nicht soo enorm viel mehr haben.
Außerdem rück mal mit der Versorgungsspannung rüber. Und wenn du jetzt 9V sagst, dann schäm dich.
Und warum vergewaltigst du diesen Transistor überhaupt mit den Strömen? Je nach Spannungsabfall am Transistor wird der ganz schnell abbrennen, wenn die Versorgungsspannung mal ein wenig höher wird. Ihm bleibt sogut wie garkein Regelungsspielpaum. Und ausserhalb seines günstigen Arbeitsbereiches liegst du sowiso schon.
Also für den Strombereich kann ich wirklich nur die LM317-Lösung wärmstens empfehlen. Da kann man dann einen Kühlkörper dranmachen, und so noch jede Menge Regelspielraum. Und sauberer regeln tut der sowiso, als diese sehr temperaturabhängige Transistorlösung.
MfG hanno...
[ Diese Nachricht wurde geändert von: hannoban am 19 Feb 2007 22:41 ]
|
BID = 408137
Ltof Inventar
     
Beiträge: 9386 Wohnort: Hommingberg
|
Hast Recht! Ich hatte mir nur das Bild angesehen. Die 1,5 Ohm habe ich glatt überlesen.
Das ist natürlich Murks!
_________________
„Schreibe nichts der Böswilligkeit zu, was durch Dummheit hinreichend erklärbar ist.“
(Hanlon’s Razor)
|
BID = 408159
bigpuster Gesprächig
  
Beiträge: 108 Wohnort: Falkensee
|
Wieder was gelernt. Ich dachte den Stromverstärkungsfaktor haben Transistoren unabhängig von dem Basisstrom bzw. dem Kollektor-Emitterstrom. Das wäre dann wohl zu einfach. :aufreg. Dann habe ich jetzt gelesen, dass die Schwankungen zwischen baugleichen Transistoren in der Stromverstärkung auch noch sehr groß sind...stimmt das ?
Im Datenblatt ist der Faktor mit Hfe bezeichnet, oder?
Angefangen habe ich damit, weil ich mir auf die schnelle zu Testzwecken eine KSQ zum Testen einer Schaltung für 400-500mA bauen wollte. Ich wollte eh mal diese KSQs für höhere Ströme ausprobieren. Dabei bin ich dann auf meine beschriebenen Probleme gestoßen. Aus Problemen lernt man für später und daher hatte ich gehofft hier Hilfe zu finden.
Zitat :
| Für diese popelige Schaltung mit Kleinsignaltransistor ist das sowiso jenseits von gut und böse, aber für die 400mA Kollektorstrom braucht er bei GROßZÜGIG angegebenem Faktor 150 immerhin 3 mA Basisstrom. Die bekommt er so aber nicht.
|
Also wie gesagt. Ich habe eine 9V Akkubatterie angeschlossen. Unter Belastung hat die 8V nachgemessen. 5.5V fallen an der Testschaltung ab.
Macht bei 1000R und 1.2V Abfall an den Dioden immerhin 6-7mA. Da würde ja schon der Faktor 60-80 reichen. Und warum kriege ich den Faktor so nicht? Selbst bei 200R habe ich nicht die 400mA Kollektorstrom erreicht!!!! Warum soll ich mich für die 9V schämen?
LM317 kenne ich und schon benutzt. Wie gesagt, ich wollte diese KSQ mal für größere Ströme probieren.
Ach Gott! Macht doch einen Blöden bitte ein wenig schlauer.
|
BID = 408178
hannoban Schreibmaschine
    
Beiträge: 1722 Wohnort: Hinter Düsseldorf die 4. Mülltonne links
|
Zitat :
| Dann habe ich jetzt gelesen, dass die Schwankungen zwischen baugleichen Transistoren in der Stromverstärkung auch noch sehr groß sind...stimmt das ?
Im Datenblatt ist der Faktor mit Hfe bezeichnet, oder? |
Ja, such bei den ON CHARACTERISTCS nach DC Current Gain. Die werte werden nur in weiten Feldern angegeben, und in aller Regel ohne typischen Wert. Die Transistoren werden auch nicht auf eine spezielle Stromverstärkung hin produziert, sondern das bleibet Glückssache. Nur prüfen wenigstens einige Hersteller die Transistoren und unterteilen sie in drei verschiedene Verstärkungsstufen. Das ergibt dann -16, -25 oder -40 Erweiterung. Aber auch Transen in der selben Stufe können noch sehr unterschiedlich sein.
Wenn du jetzt wirklich diesen Transistor an seine belastungsgrenze oder darüber fahren willst, dann musst du h FE genau kennen. Die meisten Multimeter können das zwar, aber dann in aller Regel nur mit einem mikrig kleinen Strom. Das bringt dir also nichts. Da müsstest du dir eine eigene Messschaltung bauen, die mit den geforderten 400mA misst. Ich hab hier mal ein Datenblatt gefunden, in dem ein eigenes Diagramm für den -40er ist. Nach dem Diagramm hat der bei I C=400mA nurnoch 150, von denen ich im Folgenden mal ausgehe.
Zitat :
| Macht bei 1000R und 1.2V Abfall an den Dioden immerhin 6-7mA. Da würde ja schon der Faktor 60-80 reichen. Und warum kriege ich den Faktor so nicht? Selbst bei 200R habe ich nicht die 400mA Kollektorstrom erreicht!!!! Warum soll ich mich für die 9V schämen?
|
Weil dann deine Rechnung sowiso verkehrt ist. Wie kommst du auf 9 mA Basisstrom? 9 Volt - 1,2 Volt (Dioden) = 7,8 Volt (Widerstand) / 1000 Ohm = 7,8 mA. Das ist aber nur der gesamte Querstrom. Der teilt sich in zwei Wege auf, und du hast nurnoch 3,9 mA Basistrom. Das alles ist schon viel zu knapp für eine vernünftige Regelung. Und vor allem kommt noch das Problem der Erwärmung hinzu. Dadurch daß du so viel Strom durch diesen Transistor quälst, wird er warm und seine Stromverstärkung geht dabei nochweiter runter. Wenn man von U CE = 1V ausgeht, verheitzt du schon 400mW an dem armen Ding, daß mit drastischen Verstärkungseinbußen reagiert.
Obendrein gibt´s dann noch die Diodenkennlinie, die ebenfalls stark Temperaturabhängig ist.
Also soviele Faktoren können die Funktion der Schaltung beeinflussen, und die willst die so an den Grenzen berteiben. Das ist einfach nicht sinnvoll, und funktioniert nur wenn alle Bedingungen perfekt erfüllt sind.
Übrigens hast du noch nicht erwähnt was für ein Verbraucher angeschlossen werden soll.
MfG hanno...
[ Diese Nachricht wurde geändert von: hannoban am 20 Feb 2007 5:06 ]
|
BID = 408311
bigpuster Gesprächig
  
Beiträge: 108 Wohnort: Falkensee
|
Zitat :
| | Das ist aber nur der gesamte Querstrom. Der teilt sich in zwei Wege auf, |
Als ich dann traurig im Bett lag, kam ich auch darauf. Ein wenig Schlaf hilft!!!! Hatte ich bisher nicht berücksichtigt, dass sich der Strom ja auf die Dioden UND die BE-Strecke aufteilt und so einerseits die Dioden zu wenig Strom kriegen und dadurch gleichzeitig zu wenig Spannung am BE-Widerstand abfällt, bei gleichzeitigem sinkenden Verstärkungsfaktor.
Also eine Vielzahl von ungünstigen Faktoren, die dafür sorgen, dass so keine 400-500mA zustande kommen.
Danke für die Erklärung.
Angeschlossen werden sollte meine nun mittlerweile hier allseits bekannte Blinkschaltung für ein Fahrradrücklicht im Dynamobetrieb ( 400- 500mA KSQ ), die nicht so funktioniert wie sie soll, damit ich die Spannungs-/ Stromwerte messen kann. Ich hoffe, dass ich dadurch nicht gegen die Forenregeln verstoße, denn alle Hilfestellungen beziehen sich ja nur auf eine KSQ, die zu Testzwecken dieser Schaltung gebaut wird. Sie ist weder gefährlich, noch verboten und es gibt sie genauso so überall auch als Schaltplan.
Gefährlich ist nur mein Halbwissen
Naja, wahrscheinlich findet jetzt ein spitzfindiger Beobachter doch wieder einen Grund sich zurechtweisender
Weise einzubringen.
Vielen Dank für die Hilfe. Ihr habt mich wieder ein wenig schlauer gemacht.
|
BID = 408391
bigpuster Gesprächig
  
Beiträge: 108 Wohnort: Falkensee
|
Um das Thema abzuschließen. Gibt es eine noch kostengünstige Empfehlung für einen Transistor, der einerseits hohe Ströme verkraftet UND dessen Stromverstärkung dabei nicht in die Knie geht?
Empfehlung Eurerseits?
|
BID = 408480
hannoban Schreibmaschine
    
Beiträge: 1722 Wohnort: Hinter Düsseldorf die 4. Mülltonne links
|
Wie ich bereits vorgeschlagen hab, währe ein Darlington-Transistor hier "theoretisch" nicht schlecht angebracht. Aber ob das mit VCE (Welche ja beim Darlington-Transistor höher ist) noch hinkommt kann ich dir leider auch nicht sagen bevor du nicht wenigstens mal abschätzt was dieses LED-Modul so an Flussspannung haben könnte. Hasst du kein Datenblatt zu den LED´s?
|
BID = 408499
bigpuster Gesprächig
  
Beiträge: 108 Wohnort: Falkensee
|
Also die Schaltung benötigt so ca. 2.9V.
Ich habe zwei verschiedene Typen von roten LEDs verbaut ( 1W rote LED 2.55v/350mA + 2* 2 Superflux 2.1V/70mA als Blinkschaltung), die parallel geschaltet sind. Über verschiedene Widerstände sollte sich das dann auf ca. 2.9V stabilisieren. Ist sicherlich eher suboptimal gelöst, aber mein kleines Gehirn verkraftet nicht mehr.
|