| Autor |
|
Woher Datenblatt beziehen :( |
|
|
|
|
BID = 407046
SCX Neu hier

Beiträge: 40
|
|
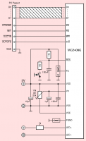
Hallo hab hier so ein Display ersteigert was IDEAL für mein Projekt von der größe her währe, nur leider gibt es keine Datenblatt: "LCD Grafik Modul MG2406G-SYL"
Ich hoffe ihr könnt da weiterhelfen, angeblich hat es den "T6963C controller"
Gruß
SCX |
|
BID = 407050
Luke Skylöter Schriftsteller
    
Beiträge: 665 Wohnort: Waldeck Netze
|
|
BID = 407051
SCX Neu hier

Beiträge: 40
|
ja schön und gut nur ich suche das DB des Displays...!!
|
BID = 407326
nabruxas Monitorspezialist
    
Beiträge: 9542 Wohnort: Alpenrepublik
|
Wie wäre es mit einer Herstellerangabe oder müssen wir raten?
_________________
0815 - Mit der Lizenz zum Löten!
|
BID = 407343
DonComi Inventar
     
Beiträge: 8604 Wohnort: Amerika
|
Es gibt normalerweise Standard-Belegungen (gut, man kann sich natürlich nicht drauf verlassen, dass diese eingehalten werden.)
Hatte mir neulich auch ein Display besorgt, zu dem es kein Datenblatt gab. Ich bin von der Standardbelegung ausgegangen, und hatte recht. Mittlerweile läuft es.
OK, ich denke, ich habe damit nicht weitergeholfen, aber vllt. sollte man sich (so wie ich nicht  ) vor dem Bestellen Gedanken drüber machen oder es danach empirisch ermitteln (vorsicht, immer mit Strombegrenzung arbeiten, damit dir keine Ausgänge das Beschalten als Eingang übelnehmen.)
Ich rede übrigens von dem Modul LCD-Modul NAN YA LMNJ3S075CE von Poll in.
Wer die Daten haben will, ich habe sie mal in ein PDF geschrieben.
_________________
|
BID = 407431
Dombrowski Stammposter
   
Beiträge: 450
|
|
BID = 407536
Dombrowski Stammposter
   
Beiträge: 450
|
Moin.
Das Blatt zum Display sagt leider nichts zu den Hintergrund-LEDs. Eventuell mit einem einstellbaren, strombegrenzten Netzteil vorsichtig probieren, wann es brauchbar leuchtet, und dann den Strom messen.
Der Rest ist eigentlich soweit klar, und man könnte anfangen, das Display lebendig zu machen.
D.
|
BID = 407542
SCX Neu hier

Beiträge: 40
|
Zitat :
Dombrowski hat am 16 Feb 2007 22:44 geschrieben :
|
Moin.
Mit etwas Googlen findet man aber schon etwas. Dann macht man mit dem Toshiba-Datenblatt weiter.
D.
|
hey super du bist der beste, das ist es...
@all
ich habe keineanderen DATEN über das display gehabt!!
|