| Autor |
|
|
|
BID = 406080
Unloader Gelegenheitsposter
 
Beiträge: 94
|
|
Mal wieder ein neues Problem...
Mein Elektroboot ist leider nicht so richtig dicht, deshalb habe ich mir überlegt einen Wassermelder zu bauen, damit ich sehe, wenn Wasser eintritt.
Also, Transistor rein, einen PullUp und die Basis frei ins Boot gelegt, wenn Wasser eintritt wird der Kreis geschlossen und das löst zur Zeit ein Blinken einer LED aus.
Klappt in Tests wunderbar, ist aber nicht so optimal gelöst und leider wahnsinnig störanfällig...
Hat jemand einen Vorschlag zur Verbesserung oder eine bessere Idee zur Umsetzung eines Wassermelder?
|
|
BID = 406090
cholertinu Inventar
     
Beiträge: 3754 Wohnort: CH
|
|
ab welchem Wasserstand?
Immer horizontale Lage?
Evtl. lässt sich etwas mit einem Schwimmer und Mikroschalter machen? Braucht zwar einen gewissen Mindestpegel, ist dafür aber umso robuster.
Oder aber die elektronische Variante weiterverfolgen, jedoch nicht nur mit der offenen Basis. Ich würde eine Art Widerstandsmessung zwischen den zwei Kontakten mit einstellbarem Grenzwert versuchen.
Oder: Boot abdichten?
[ Diese Nachricht wurde geändert von: cholertinu am 12 Feb 2007 10:24 ] |
|
BID = 406106
Unloader Gelegenheitsposter
 
Beiträge: 94
|
Zitat :
| | Oder: Boot abdichten? |
Klappt leider nicht, irgendwie findet das Wasser immer einen Weg
Zitat :
| | Schwimmer und Mikroschalter |
Ich habe schon ein wenig Elektronik im Boot untergebracht, daher sollte ab ca. 1 cm Wasserstand schon eine Meldung kommen, außerdem denke ich, dass sowas nicht gerade billig ist...
Zitat :
| | Oder aber die elektronische Variante weiterverfolgen |
Fände ich persönlich am besten, weiß aber jetzt auf anhieb nicht, wie ich deine Idee umsetzen sollte...
Werd mal schauen, was im Netz dazu zu finden ist, bin für weitere Tipps natürlich offen...
Danke erstmal
|
BID = 406109
Her Masters Voice Inventar
     
Avatar auf fremdem Server ! Hochladen oder per Mail an Admin
Beiträge: 5312 Wohnort: irgendwo südlich von Berlin
|
das mit Schwimmer und Schalter kann man aus ner alten Geschirrspülmaschine ausschlachten. Da ist oft eine Styroporplatte im Boden die als Schwimmer dient und einen Schalter betätigt wenn Wasser in die Maschine läuft. Einfache Wassermelder gibts z.B. als Fertigmodul von Kemo. Ein Bekannter hat so ein Ding im Keller liegen. Kommt ein 9V Block rein und wird einfach auf den Boden gelegt. Wenns feucht wird dann macht das Ding mit einer eingebauten Piezopiepse einen mörderischen Aufriss, vergleichbar mit Rauchmeldern. Der Sensor ist ein Stück Platine auf Dem 2 Leiterbahnen mäanderförmig mit geringem Abstand zueinander angeordnet sind. Der Rest der Schaltung ist leider vergossen aber ich denk mal es wird auf nen 555 hinauslaufen. Schaltungen dazu gibts ja auch genug im Netz, ob als Wassermelder oder als Blumengiessalarm.
_________________
Tschüüüüüüüs
Her Masters Voice
aka
Frank
***********************************
Der optimale Arbeitspunkt stellt sich bei minimaler Rauchentwicklung ein...
***********************************
|
BID = 406110
Mr.Ed Moderator
      
Beiträge: 36327 Wohnort: Recklinghausen
|
Im Netz sollte ist definitiv was zu finden ( http://www.google.de/search?hl=de&q=wassermelder+schaltung&meta= ), im Baumarkt aber auch. Hängt meistens in der Nähe der Waschmaschinen und kostet teilweise unter 10 Euro.
Und bei 3-2-1 wird es noch billiger http://search.stores.ebay.de/wasser.....ofpZ4
_________________
-=MR.ED=-
Anfragen bitte ins Forum, nicht per PM, Mail ICQ o.ä. So haben alle was davon und alle können helfen. Entsprechende Anfragen werden ignoriert.
Für Schäden und Folgeschäden an Geräten und/oder Personen übernehme ich keine Haftung.
Die Sicherheits- sowie die VDE Vorschriften sind zu beachten, im Zweifelsfalle grundsätzlich einen Fachmann fragen bzw. die Arbeiten von einer Fachfirma ausführen lassen.
|
BID = 406121
nabruxas Monitorspezialist
    
Beiträge: 9533 Wohnort: Alpenrepublik
|
Quecksilberschalter an einer Styroporkugel montieren, oder einen vergossenen Reed Kontakt nehmen.
Ist nur eine Frage der Mechanik.
Zitat :
| | Sensor ist ein Stück Platine auf Dem 2 Leiterbahnen mäanderförmig mit geringem Abstand zueinander angeordnet sind. |
Süßwasser oder Salzwasser? Eigentlich egal, denn es ist nur eine Frage der Zeit bis die Leiterplatte futsch ist.
Bei uns am Dach sind solche Regensensoren angebracht. Alle 2-3 Jahre müssen diese getauscht werden.
Börsenmensch Greenspan lässt regelmäßig freundlich grüßen...
[ Diese Nachricht wurde geändert von: nabruxas am 12 Feb 2007 12:37 ]
|
BID = 406123
Unloader Gelegenheitsposter
 
Beiträge: 94
|
Alles klar, nächtes mal erst google und dann Forensuche
Tausend Dank für Ideen und Anregungen  Werd mir mal verschiedene Versionen bauen und testen.
|
BID = 406139
BlackLight Inventar
      Beiträge: 5452
|
|
BID = 407264
Unloader Gelegenheitsposter
 
Beiträge: 94
|
Nach mehreren Versuchen und fertigen Bauprojekten habe ich jetzt verschiedenste Versionen rumliegen. Am besten gefällt mir dass mit dem Würfelzucker...
In meinem Bastelwahn habe ich unter anderem noch Hinweise auf Betauungssensoren gefunden, da die nicht soo teuer sind bin ich auf zum großen C und hab mich mal informieren lassen, leider so ziemlich ohne Erfolg, denn was die an Informationen zu bieten haben ist recht dürftig.
Kann mit jemand sagen, ob es einen Sensor/Bauteil gibt, dass seinen Widerstand erhöht, wenn die Feuchtigkeit steigt, dass wäre für mich die optimalste Lösung...
... wenn nicht hab ich dank eurer Tatkräftigen Unterstützung ja schon genügend Versionen rumliegen. DAnke dafür nochmal.
|
BID = 407269
Unloader Gelegenheitsposter
 
Beiträge: 94
|
 Zu spät für Edit,
solche Sensoren gibt es ja wie Sand am Meer, suche einen Fühler, der im Bereich bis 1MOhm ändert, also mit hohen Schwankungen.
Erst denken, dann abschicken
|
BID = 407722
Kleinspannung Urgestein
     
Beiträge: 13386 Wohnort: Tal der Ahnungslosen
|
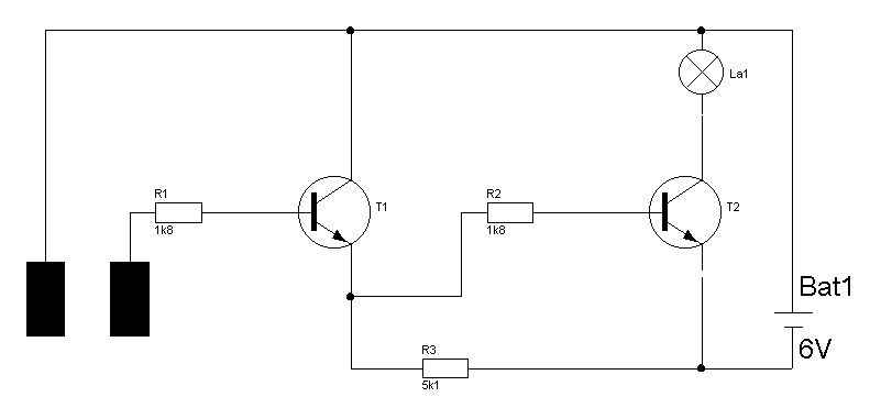
Mal blöd gefragt:
2 Transis,3 Widerstände und 2 Edelstahlstifte als Elektroden reichen doch völlig aus...
So eine primitive Schaltung hat früher(>15J.) in leicht abgeänderter Variante in dem Wassergefährdeten Keller meiner Eltern Dienst getan.Hoffe ich hab aus dem Kopf jetzt keinen allzugroßen Murks gezeichnet...
|