| Autor |
|
würde dieser plan so funktionieren? |
|
|
|
|
BID = 405334
sweet18m Gelegenheitsposter
 
Beiträge: 64 Wohnort: Köln
|
|
Hallo zusammen.
Habe folgendes vor.
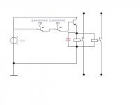
Ich möchte für einen Partyraum eine Schaltung aufbauen, bei der die Musik automatisch abgeschaltet wird, sobald ein Fenster aufgemacht wird.
Ich werde einfache Türkontakte verwenden, die bei offenem Fenster öffnen. Als Relais nehme ich eins mit 12 Spulenspannung und 250 V / 16 A Schaltleistung mit 2 Wechslerkontakten. Der Transistor wird ein BC547B sein. zusätzlich noch einen Schlüsselschalter, damit diese Schaltung überbrückt werden kann. Das Relais schaltet dann einfach die 2 Signalleitungen, die dann zum verstärker gehen.
MfG sweet18m
|
|
BID = 405341
Her Masters Voice Inventar
     
Avatar auf fremdem Server ! Hochladen oder per Mail an Admin
Beiträge: 5312 Wohnort: irgendwo südlich von Berlin
|
|
mit seinem freien Beinchen winkt der Transistor dann um Aufmerksamkeit....
Ist ja schliesslich völlig unnötig.
_________________
Tschüüüüüüüs
Her Masters Voice
aka
Frank
***********************************
Der optimale Arbeitspunkt stellt sich bei minimaler Rauchentwicklung ein...
*********************************** |
|
BID = 405348
sweet18m Gelegenheitsposter
 
Beiträge: 64 Wohnort: Köln
|
Da hab ich doch glatt eine Leitung vergessen.
Ich hoffe diesmal stimmts.
|
BID = 405352
Jornbyte Moderator
      
Beiträge: 7348
|
Zitat :
|
mit seinem freien Beinchen winkt der Transistor dann um Aufmerksamkeit....
Ist ja schliesslich völlig unnötig.
|
..der Transistor.. ist ja schliesslich völlig unnötig.
Den brauchste nicht! Der Rest passt schon.
_________________
mfg Jornbyte
Es handelt sich bei dem Tipp nicht um eine Rechtsverbindliche Auskunft und
wer Tippfehler findet, kann sie behalten.
|
BID = 405354
Nukeman Schriftsteller
    
Beiträge: 754 Wohnort: bei Kleve
|
Hi sweet18m,
schon etwas besser, aber ganz richtig ist es immer noch
nicht:
1) Die Relais gehören oben in den Kollektorkreis des
Transistors, sonst kann er nicht richtig durchsteuern.
-> also 12V -> Relais -> collector(trans)emitter->masse
2) Vor die Basis des Transitors gehört ein Vorwiderstand,
wie gross der genau sein muss, hängt vom Transistor
und dem verlangten Strom durch die Relais(spulen) ab.
Würd jetzt mal grob 1k anvisieren. Den würde ich direkt
vor die Basis setzen.
Evtl. noch ein zus. Widerstand von der Basis nach Masse,
damit das ganze nicht störanfällig wird und sicher sperrt,
wenn einer der Taster offen ist. Diesen Wid. vielleicht 47k.
3) hab gerade nicht im Kopf wieviel der BC547B ziehen kann.
Evtl. ist das zuwenig für Deine Relais und Du brauchst nen
dickeren Transistor.
Gruß,
Stefan
edit: Huch, Parallelprost und Jorn hat natürlich Recht,
die einfachen Lösungen sieht man manchmal einfach nicht
[ Diese Nachricht wurde geändert von: Nukeman am 8 Feb 2007 22:09 ]
|
BID = 405357
sweet18m Gelegenheitsposter
 
Beiträge: 64 Wohnort: Köln
|
@Nukeman.
Danke für die Hinweise.
Den Transistor werde ich umklemmen und die Widerstände einsetzten. Beim Transistor und dem Relais hab ich nachgeschaut. Das Relais braucht, wenn es angezogen ist so um die 44 mA. Der Transistor kann 200 mA schalten. ich denke, das sollte hinhauen.
MfG sweet18m
|
BID = 405360
Otiffany Urgestein
     
Beiträge: 13779 Wohnort: 37081 Göttingen
|
Wie Jornbyte schon erwähnte, den Transistor brauchst Du nicht und ich würde Reedkontakte nehmen. Um wieviele Fenster handelt es sich denn?
Mit etwas Überlegung kannst Du die Kontakte auch gleich zur Alarmmeldung bei Einbruch verwenden.
Gruß
Peter
|
BID = 405363
Luke Skylöter Schriftsteller
    
Beiträge: 665 Wohnort: Waldeck Netze
|
wenn er spaß am transistoren verheizen hat  .
_________________
Murphys Law:
Alle angenehmen Dinge sind entweder unmoralisch, illegal oder machen dick.
[ Diese Nachricht wurde geändert von: Luke Skylöter am 8 Feb 2007 22:24 ]
|
BID = 405365
sweet18m Gelegenheitsposter
 
Beiträge: 64 Wohnort: Köln
|
Ich weiss momentan nicht, wieviel die Türkontakte aushalten. Es handelt sich in dem fall um reedkontakte. Alarmanlage wird nicht benötigt, da der raum sich im keller befindet. Vor den Fenstern ist überall ein Einbruchsicheres Schutzgitter.
|
BID = 405376
Jornbyte Moderator
      
Beiträge: 7348
|
Zitat :
| | ..wieviel die Türkontakte aushalten.. |
100 mal mehr als dein Transistor
Wenn der unbedingt rein soll, halte dich an die Anleitung von Nukeman.
_________________
mfg Jornbyte
Es handelt sich bei dem Tipp nicht um eine Rechtsverbindliche Auskunft und
wer Tippfehler findet, kann sie behalten.
|
BID = 405377
sweet18m Gelegenheitsposter
 
Beiträge: 64 Wohnort: Köln
|
Ok. Danke.
Werde mal nachschauen, was die kontakte aushalten und mich dann entscheiden, ob ich es mit oder ohne Transistor mache.
|
BID = 405387
Primus von Quack Unser Primus :) nehmt ihn nicht so ernst
  
Beiträge: 7474
|
...sollte da nicht noch ein Schlüsselschalter rein
damit man die Musik auch bei geöffnetem Fenster laufen lassen kann
...den Schlüsselschalter kann ich auf den Schaltplan nämlich nicht sehen
...und was hat die Musik mit Frischluft zu tun  habt ihr so gut Schallisolierte Fenster das sowas als "Lärmschutz" Sinn macht
...ausserdem würde ich nicht die Signalleitungen schalten
_________________
...geguckt wird mit den Augen, nicht mit den Fingern!
|
BID = 405413
Her Masters Voice Inventar
     
Avatar auf fremdem Server ! Hochladen oder per Mail an Admin
Beiträge: 5312 Wohnort: irgendwo südlich von Berlin
|
lass ihn doch...
Er wird schon merken was für lustige Geräusche das macht und ab und zu braucht man auch mal neue Lautsprecher. Ist gut für die Konjunktur.
_________________
Tschüüüüüüüs
Her Masters Voice
aka
Frank
***********************************
Der optimale Arbeitspunkt stellt sich bei minimaler Rauchentwicklung ein...
***********************************
|
BID = 405437
sweet18m Gelegenheitsposter
 
Beiträge: 64 Wohnort: Köln
|
@ primus von quack
Den Schlüsselschalter wollte ich parallel zu den anderen Schaltern hängen.
Die Fenster schlucken schon 20 db(A) (nachgemessen). Das ist in einem Wohngebiet schon einiges.
Was sollte ich denn deiner Meinung nach am besten schalten???
gruss sweet18m
|
BID = 405463
Luke Skylöter Schriftsteller
    
Beiträge: 665 Wohnort: Waldeck Netze
|
die versorgungsspannung des verstärkers...
_________________
Murphys Law:
Alle angenehmen Dinge sind entweder unmoralisch, illegal oder machen dick.
|