| Autor |
|
|
|
BID = 400003
BigNeal Gerade angekommen
Beiträge: 17 Wohnort: Schweiz
|
|
Ich zerbreche mir momentan gerade meinen Kopf.
Ich komme einfach nicht auf eine zufriedenstellende Lösung.
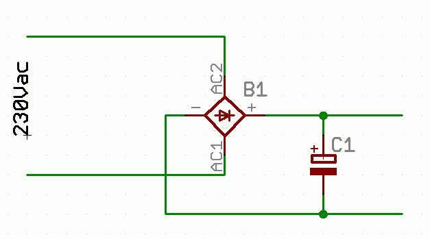
im Anhang das vereinfachte Schema.
die Problemstellung ist:
- Anlaufstrom < 40A
- möglichst wenig Platz verbrauchen
- möglichst kleine Kosten
- möglichst wenig Verlustleistung erzeugen
C1 = 220uF
im normalbetrieb ist der maximale Eingangsstrom ca 4.5A
nach langem nachdenken, kam ich eigentlich zum Entschluss, dass ein 10Ohm-NTC auf der AC-Seite die einzige vernünftige Lösung wäre.
da wäre Imax = 32.5A
doch Heute kam mir so ein Gedanke.
meine umgebungstemperatur ist 0°-65°C
das kurz auf den NTC umgerechnet, macht 2.9Ohm bei 65°C. Was da für einen Anlaufstrom fliesst, will ich gar nicht rechnen
hat jemand von euch Erfahrung damit und/oder eine Idee?
[ Diese Nachricht wurde geändert von: BigNeal am 18 Jan 2007 14:40 ] |
|
BID = 400007
Otiffany Urgestein
     
Beiträge: 13779 Wohnort: 37081 Göttingen
|
|
Leider können wir hier keine Gedanken lesen.
wie wäre es, wenn Du uns mal etwas mehr zu deinem Problem berichten würdest.
Wer oder was zieht den Anlaufstrom?
Gruß
Peter |
|
BID = 400008
LeoLöwe reloaded Schreibmaschine
    
Beiträge: 1406 Wohnort: Meine
|
Zieht der Elko in der Selbstmordschaltung so viel Anlaufstrom?
Wenn du das ganze Ding im Kühlschrank & in der Wüste betreiben willst, kommst du mit dem NTC wohl in echt nicht so weit.
Vorschlag: Auf der AC-Seite einen Zement-Widerstand mit der gewünschten Ohm-Zahl, ca. 10-20 Ohm denke ich mal.
Der Widerstand wird dann nach 3-4 Sekunden mit einem Relais überbrückt.
Dazu findest du hier im Forum einiges zu, Suche einfach mal nach Einschaltstrombegrenzung.
Edit sagt: (Hier googelt eh kein Schwein mehr, bevor dann wieder Seiten für nix drauf gehen)
https://forum.electronicwerkstatt.d.....t.JPG
https://forum.electronicwerkstatt.d.....nzung
_________________
We now return you to your regularly scheduled nonsense.
[ Diese Nachricht wurde geändert von: LeoLöwe reloaded am 18 Jan 2007 14:50 ]
|
BID = 400009
BigNeal Gerade angekommen
Beiträge: 17 Wohnort: Schweiz
|
evtl habe ich es ein wenig unklar erklärt.
Das Problem ist der Kondensator, der am Anfang halt voll entladen ist, und somit einen relativ geringen ohmschen widerstand für die ca 400Vdc bietet.
|
BID = 400012
LeoLöwe reloaded Schreibmaschine
    
Beiträge: 1406 Wohnort: Meine
|
Siehe meinem Edit.
Ich gehe mal davon aus, das man jedem hohen Einschaltstrom, sei es nun der von einem Trafo oder der von einem Kondensator, mit einem Widerstand in der Zuleitung beikommen kann.
Denn - was macht ein Widerstand noch gleich - riiiichtich er begrenzt den (Einschalt-)strom.
Dann schau dir mal die Links in meinem Edit an, da wird ein 100 Ohm Widerstand in der Zuleitung empfohlen. Du kannst dir ja ausrechenen, was du für einen brauchst um untern deinen 40A zu bleiben.
Damit der Widerstand dann nicht im Betrieb, wenn die Elkos voll sind, unnötig Leistung verbrät, wird er einfach von einem Relais überbrückt.
_________________
We now return you to your regularly scheduled nonsense.
|
BID = 400014
BigNeal Gerade angekommen
Beiträge: 17 Wohnort: Schweiz
|
Zitat : LeoLöwe reloaded hat am 18 Jan 2007 14:46 geschrieben :
|
Zieht der Elko in der Selbstmordschaltung so viel Anlaufstrom? |
jep, leider
Zitat :
| | Wenn du das ganze Ding im Kühlschrank & in der Wüste betreiben willst, kommst du mit dem NTC wohl in echt nicht so weit. |
wenn es danach gehen würde, was ICH will, hätte ich das Problem bestimmt nicht
Zitat :
| Vorschlag: Auf der AC-Seite einen Zement-Widerstand mit der gewünschten Ohm-Zahl, ca. 10-20 Ohm denke ich mal.
Der Widerstand wird dann nach 3-4 Sekunden mit einem Relais überbrückt. |
ein 10E Widerstand hätte im ersten moment 325V^2/10E = 10,5kW verlustleistung
da spielt Platz und Geld wieder eine Rolle.
dazu kommt noch, dass ich kein Platz für ein 230V-Relais habe
ich habe auch schon mit dem Gedanken einer Null-durchgang-Ansteuerung gespielt.
nur bis jetzt noch keine genügend kompakte/preiswerte Schaltung gefunden.
bin aber noch am suchen/zeichnen/überlegen
|
BID = 400021
DLI Gelegenheitsposter
 
Beiträge: 68 Wohnort: Dreieich
|
Also ich versteh da Einiges nicht?
400 Volt DC aus 230 Volt Netzspannung? Wird wohl nichts werden, wenn kein Trafo dazwischen ist - ohne gibts max 325 Volt bei Leerlauf. Ist aber einer dazwischen, ist das Problem aufgrund von Innenwiderstand und C-ESR längst gelöst.
Wenn im Normalbetrieb der max. Eingangsstrom ca 4,5 A ist, dann ist ja doch wohl der Ausgangsstrom genauso gross. Und dann bekomme ich überschlägig mit 220 µF eine Welligkeit von ca. 200 Volt. Also wozu überhaupt gleichrichten?  oder sehe ich jetzt was falsch?
Gruß
DLI
|
BID = 400026
BigNeal Gerade angekommen
Beiträge: 17 Wohnort: Schweiz
|
Zitat :
| | 400 Volt DC aus 230 Volt Netzspannung? Wird wohl nichts werden, wenn kein Trafo dazwischen ist - ohne gibts max 325 Volt bei Leerlauf. Ist aber einer dazwischen, ist das Problem aufgrund von Innenwiderstand und C-ESR längst gelöst. |
ok, etwas zu ungenau gerechnet
der eingang vavariiertis 265Vac => 375Vpeak.
Da gehe ich einfach mal für alle Bauteile von 400V aus. Darum die 400Vdc.
aber für den Eingangsstrom, wenn ich die AC-Speisung auf meine Schaltung gebe, gilt 230Vac und < 40A.
Das Problem ist ja eigentlich nur der Ladestrom vom Elko.
nur suche ich noch eine Sinnvolle und wirtschaftliche Lösung den zu begrenzen
|
BID = 400115
Otiffany Urgestein
     
Beiträge: 13779 Wohnort: 37081 Göttingen
|
In alten Radios hatte man zusätzlich eine Drossel in Reihe, die gleich zwei Funktionen erfüllte, nämlich den Einschaltstrom zu begrenzen und eine bessere Siebung zu erhalten. Auch ein zweiter Kondensator hinter der Drossel ermöglichte die Halbierung der Kapazität.
Das nannte man dann Siebkette.
http://www.frihu.com/grundlagen/net.....jpizo
Gruß
Peter
|
BID = 400117
powersupply Schreibmaschine
    
Beiträge: 2920 Wohnort: Schwobaländle
|
Mal abgesehen davon, dass man solche Schaltungen heutzutage mit einer PFC ausstatten müsste stellt sich mir die Frage:
Wieviel µF hat denn der Elko überhaupt?
Ich hab in meinem Hobbykeller Netzteile von Pioneer Magnetics stehen die haben am Netzgleichrichter insgesamt 3300µF hängen -ohne Strombegrenzung.
Gruß powersupply
|
BID = 400122
Otiffany Urgestein
     
Beiträge: 13779 Wohnort: 37081 Göttingen
|
Schreibt er doch: 220µF!
Gruß
Peter
|
BID = 400228
Ltof Inventar
     
Beiträge: 9386 Wohnort: Hommingberg
|
|
BID = 400283
powersupply Schreibmaschine
    
Beiträge: 2920 Wohnort: Schwobaländle
|
Zitat :
Otiffany hat am 18 Jan 2007 21:13 geschrieben :
|
Schreibt er doch: 220µF!
Gruß
Peter
|
Hast ja Recht.
Aber dann sollte der Einschaltstrom absolut kein Thema sein.
Jedes bessere ATX-Netzteil hatte mehr Eingangskapazität eingebaut!
Gruß powersupply
|