| Autor |
|
Erdseitige Anschlusslänge bei einem Ableiter? |
|
|
|
|
BID = 380139
pino Achtung Dieser user postet unter verschiedenen Namen
|
|
Hallo,
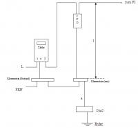
kürzlich hat der Elektriker bei meinem Onkel in der HV einen Überspannungsableiter (B-C-Ableiter) installiert. Es handelt sich um ein TN-C-Netz mit Aufteilung in TN-S in der HV. Dazu wird der PEN im unteren Zählerbereich am Klemmstein in N und PE aufgeteilt. Vom Klemmstein gehen 16mm² zur PAS; an dieser ist auch ein Erder angeschlossen.
Nun hätte ich die Installation so belassen und einfach vom erdseitigen Anschluss des Ableiters eine weitere 16mm²-Leitung an die PAS gelegt.
Nicht so der Elektriker:
Dieser hat im unteren Zählerbereich einen zweiten, kleineren Klemmstein montiert und diesen einmal mit dem erdseitigen Ableiteranschluss und einmal mit dem bestehenden Klemmstein (PEN-Aufteilung) verbunden. Siehe Skizze!
Lt. dem Elektriker kann man so die Anschlussleitung l des Ableiters auf eine Länge von ca. 0,5m begrenzen, was sich wohl auf die Funktion des Ableiters positiv auswirkt.
Meine Frage:
Warum wird in der „neuen“ Installation des Elektrikers (Skizze) jetzt nur das Leitungsstück l als wirksame Länge der Anschlussleitung (an den Ableiter) herangezogen und nicht die Leitungsstücke l + a?
Gruß
pino
_________________
[ Diese Nachricht wurde geändert von: pino am 23 Okt 2006 18:03 ] |
|
BID = 380143
Primus von Quack Unser Primus :) nehmt ihn nicht so ernst
  
Beiträge: 7474
|
|
...ausser unnötig vielen Klemmstellen kann ich da keinen Sinn erkennen
EDIT:
...ach jetzt...der zusätzliche Klemmstein steht natürlich auf der Rechnung, das wirkt sich positiv auf den Geldbeutel des Elektrikers aus
_________________
...geguckt wird mit den Augen, nicht mit den Fingern!
[ Diese Nachricht wurde geändert von: Primus von Quack am 23 Okt 2006 18:18 ] |
|
BID = 380169
Fentanyl Fentanyl mit Overkill Volle Kanne !
  
Beiträge: 1912
|
Die Pflich wäre hier gewesen, den ableiter erdseitig an den Klemmstein anzuschließen - die Kür, zusätzlich dazu eine Verbindung zum Erder zu machen. Der zusätzliche Klemmstein ist unnütz...
MfG; Fenta
|
BID = 380311
pino Achtung Dieser user postet unter verschiedenen Namen
|
Zitat :
| | Die Pflich wäre hier gewesen, den ableiter erdseitig an den Klemmstein anzuschließen - die Kür, zusätzlich dazu eine Verbindung zum Erder zu machen. |
Letztendlich ist es ja so – der erdseitige Anschluss des Ableiters ist über den (neuen, kleineren) Klemmstein auch mit dem bestehenden Klemmstein (PEN-Aufteilung) verbunden. Weiterhin ist über den zusätzlichen Klemmstein eine 16mm²-Verbindung zur PAS und damit zum Erder hergestellt.
Habe nochmals auf dem Bild, das ich bei geöffnetem Verteiler gemacht hatte, nachgesehen – an dem großen Klemmstein war kein freier Klemmbereich mehr frei. Daher vermutlich der Weg über den neuen, kleinen Klemmstein.
1)Grundsätzlich ist der Anschluss des Ableiters aber auch so (funktionstechnisch) richtig vorgenommen, oder?
2)Warum muss (sollte) der erdseitige Anschluss des Ableiters überhaupt mit dem Klemmstein (PEN-Aufteilung) verbunden werden – hätte es nicht genügt, einfach den Ableiter über 16mm² mit der PAS zu verbinden?
Danke
pino
_________________
|
BID = 380543
sabina Achtung Dieser user postet unter verschiedenen Namen
|
Hi pino,
ich versuche mal dir Antworten zu deinen zwei Fragen zu geben – vielleicht kann mich auch Fenta (Überspannungsfachmann)  verbessern, wenn ich „Müll“ erzähle.
Zu1) Ich sehe bei dem Anschluss nach Skizze kein Problem für die Funktionstüchtigkeit des Ableiters. Mit dem neuen Wissen, dass der alte Klemmstein keinen freien Klemmplatz mehr frei hatte, ist diese Alternative mit zusätzlichem Klemmstein doch ok. Und wichtig ist ja, dass der erdseitige Ableiteranschluss Kontakt zum PEN und zur PAS (Erder) hat, was ja bei dir gegeben ist.
Zu2) Hier kann ich nur etwas mutmaßen. Ich denke dass der Anschluss an den PEN auch deshalb notwendig ist, da ein Ableiter ja in beide Richtungen funktioniert. Sollte es z.B. zu einer Überspannung kommen, die über das Erdreich eingekoppelt wird, so muss diese Energie ja nach irgendwohin abgeleitet werden… in dem Fall dann eben über den PEN.
@Fenta: Kann man meine Aussage(n) so stehen lassen?
sabina
|
BID = 380545
elo22 Schreibmaschine
     Beiträge: 1406 Wohnort: Euskirchen
|
Zitat :
pino hat am 24 Okt 2006 09:09 geschrieben :
|
Habe nochmals auf dem Bild, das ich bei geöffnetem Verteiler gemacht hatte, nachgesehen – an dem großen Klemmstein war kein freier Klemmbereich mehr frei. |
Bitte hochladen.
Lutz
|
BID = 380599
pino Achtung Dieser user postet unter verschiedenen Namen
|
@elo22: Anbei das Bildchen, wie gewünscht.
Als Hintergrund: Es handelt sich um eine ältere Installation (mit E-Check), verfügbar ist nur Wechselstrom mit L1 und L2. Dementsprechend wurde ein Ableiter für L1 und einer für L2 installiert.
Nochmal meine Fragen:
1)Ist die Installation des erdseitigen Anschlusses vom Ableiter funktionstechnisch in Ordnung?
2)Ist die Begründung von „sabina“, warum der Ableiter erdseitig auch an den PEN angeschlossen werden muss korrekt?
3)Kann die Installation also so bleiben oder muss (sollte) etwas geändert werden?
Danke für Eure Meinungen…
pino
[ Diese Nachricht wurde geändert von: pino am 25 Okt 2006 17:22 ]
|
BID = 380616
sam2 Urgestein
     
Beiträge: 35321 Wohnort: Franken (bairisch besetzte Zone)
|
Das Ganze scheint mir mitnichten in Ordnung!
Und das möglicherweise bereits vor Einbau der Ableiter.
Denn soweit ich auf dem Foto erkenne, geht die blaue Ader der Zuleitung vom HAK auf die PEN-Schiene.
Man prüfe zuerst mal die Netzform. Nicht daß da Jemand ein (VNB-) TT vergewohlwurschtelt hat...
|
BID = 380619
pino Achtung Dieser user postet unter verschiedenen Namen
|
Hallo sam2,
nein, das ist keine blaue Ader. Aber stimmt, man kann es auf diesem Bild schlecht erkennen. Es ist eine grün-gelbe Ader mit einer blauen Markierung (PEN) am Ende (Klemmstein).
Gibt es sont etwas zu bemängeln?
_________________
|
BID = 380649
Primus von Quack Unser Primus :) nehmt ihn nicht so ernst
  
Beiträge: 7474
|
...mehr PEN-Klemmen in reihe schalten ist wohl nicht mehr möglich was  obwohl da ist noch Platz  da kann man noch ein paar Klemmen nebensetzten und durchschleifen
...mal ehrlich, ich würde mal eine Klemmschiene mit entsprechend vielen Abgängen da hinbauen
_________________
...geguckt wird mit den Augen, nicht mit den Fingern!
|
BID = 380681
didy Schreibmaschine
     Beiträge: 1775
|
Steckt in der ganz linken und der ganz rechten Klemme des 7poligen Klemmblockes auch was???
Würde nicht ein weiterer Klemmstein mit 5 Klemmstellen in Kombination mit dem Klemmblock mit 7 Klemmstellen reichen? Dann würd ich folgendes machen:
-Ein Klemmstein für ankommenden PEN, abgehende N (sofern bei rechtem Zähler aufteilung erst im oberen Anschußbereich, nach unten verlegen - erkennt man nicht wirklich), PE-Anschlüsse der Ableiter
-Ein Klemmstein für abgehende PEs (außer für Ableiter) und 16mm² zur PAS.
-Brücke 16mm² zwischen beiden
-Die Brücke kann ggf. auch dadurch realisiert werden, daß man den PAS-Anschuß ungeschnitten durch beide Klemmblöcke führt - bei einer Klemmstelle ist je das "Oberteil" herausnehmbar. Spart eine Klemmstelle und minimiert das "Brückenbruchrisiko". Aber zuerst zur PE-Klemme, dann zur N-Klemme!
Dann wäre das selbst bei einem Ausfall der Brücke in erster Näherung noch nicht sooo tragisch. Wenn ein halbwegs vernünftiger Erder am Potentialausgleich hängt und alle Stromkreise 30mA-FI haben, würde die Anlage einfach in ein TT-System "zerfallen".
Meiner Meinung nach die beste Lösung!
Der Grund, wieso die Leitungslängen begrenzt sind, ist meiner Meinung nach folgender: Es soll ja die Spannung zwischen den Ls und dem PEN begrenzt werden.
Legst du eine lange Leitung direkt zur PAS, so ist dort ein sehr hoher Spannungsabfall im Ableitfall. Denn auch diese Leitung hat einen Widerstand. Im Falle einer Überspannungsableitung wirkt sich auch der induktive Blindwiderstand stärker aus (kurzer schneller Puls -> hohe Frequenz -> hoher Blindwiderstand). Und durch den hohen Strom ergibt sich eine hohe Spannungsdifferenz.
So wie von deinem Elektriker gemacht, ist die Spannung zwischen dem PE/N der Elektroinstallation deutlich kleiner, da nicht noch der (resistive und induktive) Widerstand von vielen Metern 16mm² in der Ableiter-Anschlußleitung liegt. Vermutlich ist die Spannungsdifferenz vom PEN zur PAS ebenfalls geringer, da nur ein Teil des Ableitstromes darüber fließt und nicht alles.
Wenn es sonst keine weitere Verbindung PEN-PAS gibt (Metallenes Wasserrohrnetz zu den Nachbarhäusern, PEN-Anbindung im HAK....), vermute ich, daß der Strom über die Leitung zur PAS sogar relativ gering ausfallen dürfte...
Gruß
Didi
|
BID = 380743
Fentanyl Fentanyl mit Overkill Volle Kanne !
  
Beiträge: 1912
|
Angesichts dieser gigantischen Stückelung von PEN-Klemmen kann man nur hoffen, dass es in dem Haus keine klassische Nullung mehr gibt *ohohoh*...
Warum sind eigentlich die Vorzähler-Bereiche offen zugänglich?
Die Anlage sieht äußerst unschön aus, ich persönlich würde mich in Grund und Boden schämen, einem Kunden so ein Patchwork zu errichten! die Abgangsklemmen der Zähler sind ungenutzt und stattdessen hat man noch einen Klemmstein hingeknallt...
Und so sicher, das ganze - wenn da mal jemand einen Moment nicht aufpasst, hängt er an L2 - warum die Leitung nicht gleich zum Zähler gezogen wurde, würde mich auch mal interessieren! Wahrscheinlich unachtsam zu früh abgeschnitten...
@sabina: didy hat schon Recht mit seiner Vermutung, die doppelverbindung bei Ableitern habe den Zweck, einen besseren Potentialausgleich zu ermöglichen - du hast andererseits auch nicht ganz unrecht damit, allerdings auch deshalb, damit Überspannungan auf dem PEN abgeleitet werden.
Es ist hier wichtig, sich vor augen zu halten, was Ableiter in der Energieversorgungstechnik sind: Potentialausgleichsbauteile. Es kann durchaus auch vorkommen, dass eine Überspannung technisch nach L1/2/3 abgeleitet wird (außer bei Netzform IT, da es keine Erdverbindung gibt - bei TT ist das Risiko auch gesenkt). Schlägt es zum beispiel nahe des Hauses ein und wird das Potential der Erderanlage angehoben, steigt das Potential zwischen PEN und den Außenleitern mitunter enorm an.
MfG; Fenta
|
BID = 380766
pino Achtung Dieser user postet unter verschiedenen Namen
|
Auweia, aber dennoch vielen Dank für eure Beurteilung und Tipps!
@didi: Nein, in der ganz linken Klemme steckt nichts – allerdings ist dort ein Außenleiter angeschlossen und somit die Klemme nicht weiter verwendbar. Ganz rechts in der Klemme steckt bereits eine Aderleitung.
@Fenta: Dieser Bereich war zugänglich, da der Elektriker dort diesen zweiten Klemmstein montierte. Jetzt ist erstmal wieder alles verplombt.
Um nun das Ganze etwas aufzuschlüsseln…
1)Grundsätzlich sind also die Ableiter (erdseitiger Anschluss) korrekt angeschlossen, so dass ich zumindest hier beruhigt sein kann - sehe ich das richtig?
2)Zu Beanstanden sind eurer Meinung nach einmal die Optik und einmal die Stückelung der PEN-Klemmen. Wie könnte hier am besten Abhilfe geschaffen werden?
a)Um etwas Ordnung zu schaffen hat ja „Primus von Quack“ vorgeschlagen, eine Klemmschiene mit entsprechenden Abgängen anstelle dieser beiden Klemmsteine zu montieren. Vermutlich ist mit Klemmschiene eine Hutschiene gemeint, oder? Aber welches Element (Link?) kann ich dann draufstecken, damit mehrere durchkontaktierte Anschlüsse zur Verfügung stehen und man nicht mehr den Umweg über die vielen einzelnen Brücken gehen muss? Gibt es hier z.B. etwas Entsprechendes von Hager - habe leider Nichts gefunden.
b)Wie Fenta richtig bemerkt hat, ist es so nicht sonderlich sicher, wenn ein Außenleiter am gleichen Klemmstein wie der PEN angebracht ist. Gibt es hierfür eine geeignete Klemmverbindung, um den ankommenden (zu kurzen) braunen Außenleiter direkt (ohne Umweg über den Klemmstein) mit dem Zähler zu verbinden; den Außenleiter quasi nur zu verlängern?
Es wäre super, wenn ihr mir helfen würdet, hier eine ordentliche Lösung zu erstellen, damit ich das dann so in Auftrag geben kann – denn offensichtlich ist die Anlage dem Elektriker auch so sicher genug!
pino
_________________
|
BID = 380781
didy Schreibmaschine
     Beiträge: 1775
|
Zitat :
|
@didi: Nein, in der ganz linken Klemme steckt nichts – allerdings ist dort ein Außenleiter angeschlossen und somit die Klemme nicht weiter verwendbar. Ganz rechts in der Klemme steckt bereits eine Aderleitung. |
Das ist mir schon klar, daß das ein Außenleiter ist.
Ich meinte die ganz rechte Klemme am linken Klemmstein, die mit 7 Draht-Anschlußstellen. Da scheint mir die rechte der sieben Klemmstellen frei zu sein. Und in der linken sieht's aus als wäre etwas graues drin, aber ich seh nicht wirklich, wo da ein grauer Draht hingehen sollte.... Ist da ein Draht drin oder nicht?
Primus meinte sicher keine Hutschine, sondern irgend eine Möglichkeit wo man alle PEN/N/PE auf einer Kupferschiene zusammenfassen kann. Was es da zu kaufen gibt weiß ich nicht.
Wäre wahrscheinlich technisch die beste Lösung. (Wobei ich persönlich da "sortieren" würde: PAS-Anschluß in die Mitte, auf die eine Seite PEN (am besten direkt neben PAS-Anschluß), Ableiter-Anschlüsse und N, auf die andere Seite die PE der beiden Anlagen. Vorteil: Auf dem Kupferstück zwischen PAS-Anschluß und den PEs fließt kein Strom. Aber wahrscheinlich ist das einigermaßen egal...)
Zweitbeste Lösung wie von mir vorgeschlagen. Am vorhandenen Klemmblock die Klemme mit 7 Anschlüssen nutzen für
- PEN
- 2x Überspannungsableiter
- N der Verbrauchsanlagen (gut, müßte man einen über den Zähler schleifen, sonst reichts nicht
- Brücke zur PE-Klemme
Dann einen Klemmblock für 5 Adern (Hager K03SN - die Abbildung bei Hager ist leider nicht die richtige sonst hätt ichs verlinkt). Daran:
- Leitung von PAS
- 2x PE der Anlagen
- Brücke zum andern KLemmblock.
Stopp - wenn man die Brücke ungeschnitten mit der vom PAS kommenden Leitung ausführt (an der mittleren Klemmstelle geht das) reicht sogar eine Klemme für 3 Adern, kann man eine Klemme deines vorhandenen Klemmblocks verwenden. (Es sei denn da ist doch noch ein grauer Draht der mit dranmuß)
Wenn du den L berührungsgeschützt haben willst: Das hier
http://katalog.hager.de/resource?ap.....C.GIF
Gibts auch mit nur einer Klemme statt mit dreien.
|
BID = 380815
pino Achtung Dieser user postet unter verschiedenen Namen
|
Danke für die ausführliche Beschreibung didy!
Zitat :
| | Es sei denn da ist doch noch ein grauer Draht der mit dranmuß |
Ja, da ist auch noch ein grauer Draht dran - dieser ist die Verbindung zu den Heizungs-u. Wasserrohren. Die PAS mit Erder wurde später installiert, als die metallerne Hauswasserleitung durch Kunststoff ersetzt wurde.
@didy: Habe ich es richtig verstanden, dass die von dir als zweitbeste eingestufte Lösung deshalb besser ist als der jetzige Bestand, da diese vielen Kontaktbrücken wegfallen?
pino
PS: Habe jetzt nochmals im Netz gesucht, aber eine Klemme (Abgänge) mit soviel durchkontaktierten Klemmstellen habe ich nicht gefunden - hat noch einer eine Idee, was da gemeint gewesen sein könnte?
[ Diese Nachricht wurde geändert von: pino am 26 Okt 2006 12:25 ]
|