NE555 beschalten - einstellbare EIN und AUS Signale

Im Unterforum Projekte im Selbstbau - Beschreibung: Selbstbau von Elektronik und Elektro

Elektronik Forum Nicht eingeloggt       Einloggen       Registrieren




[Registrieren]      --     [FAQ]      --     [ Einen Link auf Ihrer Homepage zum Forum]      --     [ Themen kostenlos per RSS in ihre Homepage einbauen]      --     [Einloggen]

Suchen


Serverzeit: 26 12 2025  00:56:51      TV   VCR Aufnahme   TFT   CRT-Monitor   Netzteile   LED-FAQ   Oszilloskop-Schirmbilder            


Elektronik- und Elektroforum Forum Index   >>   Projekte im Selbstbau        Projekte im Selbstbau : Selbstbau von Elektronik und Elektro


Autor
NE555 beschalten - einstellbare EIN und AUS Signale

    







BID = 379653

Jaguar500

Gerade angekommen


Beiträge: 10
 

  


Hallo Leute,

ich möchte gerne den NE555 dazu benutzen um Zeitgesteuerte EIN und AUS Signale auszugeben. Leider habe ich bisher nur Schaltpläne gefunden, bei denen die EIN Zeit immer gleich oder größen der AUS Zeit war.
Habt Ihr mir eine Beschaltung bei der ich z.B. per Poti die EIN und AUS Zeit variabel im Bereich von 0,5 bis ca. 15 sec. einstellen kann?
Wie hoch darf ich den Ausgangspin 3 maximal belasten? Darf ich da direkt ein Relais anschlißen?

Ich hoffe Ihr könnt mir ein paar Tipps geben.
Danke.

Gruß
Jörg

BID = 379661

Otiffany

Urgestein



Beiträge: 13779
Wohnort: 37081 Göttingen

 

  

Hi,
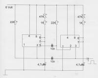
den Ausgang "3" kannst Du mit max 100mA belasten. Ich würde dir empfehlen, einen Schalttransistor zu verwenden.
Angehängte Schaltung macht genau das, was Du dir wünschst.
Gruß
Peter



BID = 379669

Jaguar500

Gerade angekommen


Beiträge: 10

Danke für die schnelle Antwort!
SUPER.

Welche Zeitbereiche kann ich damit abdecken?
Auf der Schaltung steht 6V. Kann ich sie auch mit 12V betreiben?

Gruß
Jörg

BID = 379686

Otiffany

Urgestein



Beiträge: 13779
Wohnort: 37081 Göttingen

Die Zeiten sind abhängig von der Wahl von P1/P2 und C1/C2.
Je größer die Werte, desto größer die Zeiten.
Du kannst die Schaltung auch ohne Wertänderungen mit 12 Volt betreiben.
Es gibt auch ein NE556, welches 2Stck des NE555 in einem Gehäuse zur Verfügung stellt. Das Ic hat dann 14 Beinchen statt 8 beim normalen NE555.
Gruß
Peter

BID = 379942

Jaguar500

Gerade angekommen


Beiträge: 10

Danke, und sehr gut, dass ich die Schaltung so an 12V betreiben kann.

Welche Zeiten kann ich denn ca. einstellen, wenn die die Werte wie im Schaltplan einbaue?

Gruß
Jörg


Zurück zur Seite 1 im Unterforum          Vorheriges Thema Nächstes Thema 


Zum Ersatzteileshop


Bezeichnungen von Produkten, Abbildungen und Logos , die in diesem Forum oder im Shop verwendet werden, sind Eigentum des entsprechenden Herstellers oder Besitzers. Diese dienen lediglich zur Identifikation!
Impressum       Datenschutz       Copyright © Baldur Brock Fernsehtechnik und Versand Ersatzteile in Heilbronn Deutschland       

gerechnet auf die letzten 30 Tage haben wir 17 Beiträge im Durchschnitt pro Tag       heute wurden bisher 0 Beiträge verfasst
© x sparkkelsputz        Besucher : 187942730   Heute : 1098    Gestern : 18748    Online : 394        26.12.2025    0:56
26 Besucher in den letzten 60 Sekunden        alle 2.31 Sekunden ein neuer Besucher ---- logout ----viewtopic ---- logout ----
xcvb ycvb
0.0837090015411