| Autor |
|
|
|
BID = 378833
Rufes Gerade angekommen
Beiträge: 14 Wohnort: Burgdorf
|
|
Hi!
Ich möchte eine kleine Beleuchtung mit LED's bauen. Nun stellt sich mir die Frage, ob ich diese 4 LED's in Reihe oder Parallel schalten muß. Wahrscheinlich in Reihe oder!?Das ganze soll mit einem Schalter ein und aus geschaltet werden können.
Bei 4 LED's dürften doch 9V als Stromquelle ausreichen.
Die LED's haben jeweils eine Stromstärke von max. 20mA und eine Durchlassspannung von 1,6-2,7 V.
Kann mir da vll. jemand helfen und mal einen Schaltplan dafür posten? Wäre echt super.
Thx |
|
BID = 378852
PhyMaLehrer Schriftsteller
    
Beiträge: 911 Wohnort: Leipzig
|
|
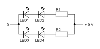
Wenn die 4 LEDs mit ihrer Durchlaßspannung an der oberen Grenze liegen, wird's mit 9 V schon zu knapp. Also 2 LEDs in Reihe schalten, Vorwiderstand berechnen und ebenfalls in Reihe schalten, und dann zwei dieser Ketten parallel. Und - es werde Licht! |
|
BID = 378862
Rufes Gerade angekommen
Beiträge: 14 Wohnort: Burgdorf
|
Kannst Du das vll. auch bildlich (Schaltplan) darstellen?
|
BID = 378989
PhyMaLehrer Schriftsteller
    
Beiträge: 911 Wohnort: Leipzig
|
Na, das war doch jetzt aber nicht mehr schwer...
Rechnen mußt du aber selbst, da die genannten Durchlaßspannungen doch in einem ziemlich großen Bereich liegen. Pro Zweig sollen 20 mA fließen; die gesamte Parallelschaltung nimmt dann also 40 mA auf.
|
BID = 378991
ffeichtinger Schreibmaschine
    
Beiträge: 1050 Wohnort: Traunkirchen im Salzkammergut
|
Hallo, um den Vorwiderstand zu berechnen müsstest du die Durchlassspannung schon etwas genauer wissen. Wenn es sich um rote, grüne oder gelbe LED's handelt ca. 2V, bei weißen und blauen ca. 3V. Wenn du nun 2 hintereinander schaltest brauchen sie 4V. Die restlichen 5V muss der Widerstand 'verbraten'. Also, wie Herr Ohm sagte, R=U/I. Da die LED's 20mA brauchen sind das 5V / 0.02A = 250Ohm. Wenn du dich mit LED's nicht so gut auskennst schau doch mal da:
https://forum.electronicwerkstatt.de/phpBB/faq/led/
PS: Immer nur Gleichspannung verwenden, auf Polarität achten! LED's nie ohne Vorwiderstand verwenden!
_________________
|
BID = 379111
Rufes Gerade angekommen
Beiträge: 14 Wohnort: Burgdorf
|
Doch, ist schwer. Habe sehr sehr wenig Ahnung von Schaltungen & CO.
Die Durchlassspannung ist so angegeben. Nimmt man dan immer den höchsten Wert oder kann ich mir irgendeinen zwischen 1,6 und 2,7 aussuchen?
Erstmal Danke für Eure Hilfen!
Die "0" im Schaltplan stellt wohl den Minuspol dar.
Meine Schaltung wäre wohl anders ausgefallen. Ich hätte jetzt vor jede LED einen Widerstand gesetzt. Aber das wäre wohl falsch gewesen.
Womit hast du denn diesen Schaltplan eigentlich entworfen?
|
BID = 379184
PhyMaLehrer Schriftsteller
    
Beiträge: 911 Wohnort: Leipzig
|
Na ja, wenn du einen mittleren Wert nimmst und der Spannungsabfall an den LEDs ist dann doch kleiner, demzufolge am Vorwiderstand größer, wodurch auch der Strom größer wäre, würden sie sicher nicht gleich kaputt gehen. Es wäre aber besser, du könntest einen genaueren Wert messen (lassen).
Ja, die "0" ist der Minuspol der Spannungsquelle. Hätte ich aber + 9 V und - 9 V geschrieben, hätte das mehr nach zwei Spannungsquellen ausgesehen...
Da in einer Reihenschaltung die Stromstärke ohnehin überall gleich ist, genügt tatsächlich ein Widerstand für jede Zweierkette.
Der Mini-Schaltplan ist übrigens mit "Sprint Layout" ( http://www.abacom-online.de/) erstellt.
|
BID = 379307
Rufes Gerade angekommen
Beiträge: 14 Wohnort: Burgdorf
|
Gibt es eigentlich so eine Art Weiche für Kabel? Das ich aus einer Leitung zwei machen kann? Außer natürlich diese Lüsterklemmen. Die sehen ja nicht wirklich toll aus. Gibts da noch was anderes oder benutzt man dann einfach diese Kabel-Schnellverbinder (Stromdieb)?
|
BID = 379311
tsaphiel Inventar
     
Beiträge: 3493 Wohnort: Unterfranken (frei statt Bayern!)
|
Jo, wenn du Lüsterklemmen nicht magst nimmst halt Stromdiebe.
Oder halt die Krimplösung, such mal nach "Stoßverbindern". Brauchst halt entsprechendes Werkzeug.
Bei deiner Anwendung reicht aber auch:
- Kabel am Ende abisolieren
- Blanke enden zusammenzwirbeln (wennst magst grad den ganzen Klumpen verzinnen, dann löst sichs auch nicht mehr)
- Isoband oder Schrumpfschlauf zum Isolieren und Abdecken drüber.
Kost quasi gar nix und baut kaum dicker als das Ursprungskabel
_________________
Druff un D'widd!!!
|
BID = 379320
perl Ehrenmitglied
       
Beiträge: 11110,1 Wohnort: Rheinbach
|
Zitat :
| | Die Durchlassspannung ist so angegeben. Nimmt man dan immer den höchsten Wert oder kann ich mir irgendeinen zwischen 1,6 und 2,7 aussuchen? |
Dann ist die Angabe leider ziemlich sinnlos.
Die Durchlassspannung hängt aus physikalischen Gründen stark von der Farbe der LED, etwas vom Strom, und in geringem Maße von der Temperatur ab.
Für deine Zwecke mag es genügen, daß rote LEDs etwa 1,6..1,7V brauchen, gelbe knapp 2V, grüne vielleicht bis 2,2V und blaue 2,7..3,3V.
Ultraviolette brauchen noch mehr, bis etwa 3,7V.
_________________
Haftungsausschluß:
Bei obigem Beitrag handelt es sich um meine private Meinung.
Rechtsansprüche dürfen aus deren Anwendung nicht abgeleitet werden.
Besonders VDE0100; VDE0550/0551; VDE0700; VDE0711; VDE0860 beachten !
|
BID = 379454
Rufes Gerade angekommen
Beiträge: 14 Wohnort: Burgdorf
|
184390-99 die Bestellnummer der LED bei Conrad. Mehr ist leider nicht angegeben.
|
BID = 379467
bastler16 Schreibmaschine
     Beiträge: 2140 Wohnort: Frankreich
|
Zitat :
| | Mehr ist leider nicht angegeben. |
Achso?
Zitat :
|
Typ: L 53 SRC/E
Gehäuse: 5 mm
Farbe: Rot
Ausführung: klar
UF: 1.6 - 2.7 V
IF: max. 20 mA
Abstrahlwinkel: 35 °
Lichtstärke IV: 3000 mcd
|
Datenblatt: http://www2.produktinfo.conrad.com/.....m.pdf
Ist allerdings ein ziemlich großer Bereich, bin mir nicht sicher was das jetzt bedeutet (und bevor ich Mist schreibe sag ich lieber nix...).
|
BID = 379545
Rufes Gerade angekommen
Beiträge: 14 Wohnort: Burgdorf
|
ES ging jetzt auch nur um die Durchlassspannung.
|
BID = 379575
perl Ehrenmitglied
       
Beiträge: 11110,1 Wohnort: Rheinbach
|
Zitat : bastler16 hat am 20 Okt 2006 21:38 geschrieben :
|
....
Zitat :
|
Typ: L 53 SRC/E
Gehäuse: 5 mm
Farbe: Rot
Ausführung: klar
UF: 1.6 - 2.7 V
IF: max. 20 mA
Abstrahlwinkel: 35 °
Lichtstärke IV: 3000 mcd
|
Datenblatt: http://www2.produktinfo.conrad.com/.....m.pdf
Ist allerdings ein ziemlich großer Bereich, bin mir nicht sicher was das jetzt bedeutet ... |
Das ist leider typisch für die Kataloge mancher, insbesondere großer, "Fach"händler, die offenbar von der Putzfrau zusammengestellt werden.
Auch könnte ich mir vorstellen, daß du anderswo orangefarbige LEDs mit entsprechenden Daten erheblich günstiger bekommst. Das Datenblatt ist nämlich von 1997 und derartige LEDs waren vielleicht damals so teuer ...
Immerhin ist Modellbezeichnung und Hersteller angegeben.
Beim Hersteller Kingbright findest du
a) Das dieses Modell im aktuellen Katalog nicht mehr vorkommt.
b) Die typische Flussspannung für dieses Material 2V bei 20mA beträgt
Das beim C vorhandene Datenblatt spezifiziert die Helligkeit dieses Typs übrigens mit minimal 700 bis maximal 3000 mCd bei 20mA.
Du kannst also lediglich sicher sein, daß die Katalogangabe bei C nicht übertroffen wird. Rechne mal damit, daß der typ. Wert etwa beim dreifachen des Minimums liegt ...
_________________
Haftungsausschluß:
Bei obigem Beitrag handelt es sich um meine private Meinung.
Rechtsansprüche dürfen aus deren Anwendung nicht abgeleitet werden.
Besonders VDE0100; VDE0550/0551; VDE0700; VDE0711; VDE0860 beachten !
|
BID = 379606
Rufes Gerade angekommen
Beiträge: 14 Wohnort: Burgdorf
|
So, ich habe jetzt alle Bauteile zusammen. Jetzt müßte ich nur noch wissen, wo genau ich den Ein/Aus Schalter einlöten muß. Habe einen einpoligen gekauft und er ist unbeleuchtet.
Also einen ganz einfachen. Wo muß ich den denn anschließen?
Wäre das so richtig? Auf dem Schalter steht nur 1a und Masse1
|