Infrarot-Empfänger & co

Im Unterforum Bauteile - Beschreibung: Vergleichstypen, Leistungsdaten, Anschlußbelegungen .....

Elektronik Forum Nicht eingeloggt       Einloggen       Registrieren




[Registrieren]      --     [FAQ]      --     [ Einen Link auf Ihrer Homepage zum Forum]      --     [ Themen kostenlos per RSS in ihre Homepage einbauen]      --     [Einloggen]

Suchen


Serverzeit: 29 4 2026  16:41:03      TV   VCR Aufnahme   TFT   CRT-Monitor   Netzteile   LED-FAQ   Oszilloskop-Schirmbilder            


Elektronik- und Elektroforum Forum Index   >>   Bauteile        Bauteile : Vergleichstypen, Leistungsdaten, Anschlußbelegungen .....


Autor
Infrarot-Empfänger & co
Suche nach: infrarot (656) empfänger (4547)

    







BID = 27155

Ente

Gerade angekommen


Beiträge: 15
 

  


Grüße möchte mir eine Infrarot Lichtschranke basteln.
Allerdings habe ich eine Frage bezüglich der Infrarot-Empfänger.

Im Wesentlichen brauche ich ja nur eine Ir Diode die gibts wie sand am Meer aber bei dem Empfänger bin ich mir unschlüssig.
Beim grossen C gibt es einen der sich unterteilt ( F-Träger 33 khz,36khz,40 khz etc.. )
Was genau bedeutet dies?

Ist darunter zu verstehen das die diode 33 tausendmal die sek an springen muß das der empfänger erkennt das sie es ist?

Bei nem Fototransistor würde sonnenlicht doch zu stark stören ?

Ente

BID = 27178

Benedikt

Inventar

Beiträge: 6241

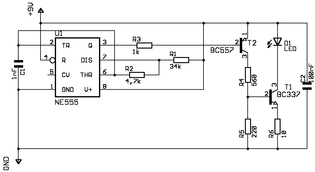
Um den Einfluß der (gleichmäßigen) Sonnenstrahlung zu vermeiden, verwendet man gepulste Infrarotimpulse. Ich habe mal eine Schaltung angehängt, die sehr intensive Lichtimpulse mit 33kHz erzeugt. Kann man auch für andere (sichtbare) LEDs verwenden. Diese müssten sehr hell damit leuchten.

Uploaded Image: IR_LED.gif

BID = 27189

Ente

Gerade angekommen


Beiträge: 15

Also blinkt die led mit dieser schaltung 33 tausendmal ? bezieht sich das auf die min oder sek ?

BID = 27467

perl

Ehrenmitglied



Beiträge: 11110,1
Wohnort: Rheinbach

33000 mal in der Sekunde.

Du mußt die Frequenz, für die der Empfänger spezifiziert ist, übrigens einigermaßen genau treffen, weil sonst die Empfindlichkeit stark absinkt.

Deshalb solltest Du in der Schaltung von Benedikt anstelle des Festwiderstandes R1 einen einstellbaren Widerstand einbauen und anhand des Datenblatts des NE555 die übrigen beiden anderen frequenzbestimmenden Teile nochmal nachrechnen. (Oder schlaue Leute aus dem Forum fragen, wenn Du Dich für einen Empfänger entschieden hast)

_________________
Haftungsausschluß:



Bei obigem Beitrag handelt es sich um meine private Meinung.



Rechtsansprüche dürfen aus deren Anwendung nicht abgeleitet werden.



Besonders VDE0100; VDE0550/0551; VDE0700; VDE0711; VDE0860 beachten !


Zurück zur Seite 1 im Unterforum          Vorheriges Thema Nächstes Thema 


Zum Ersatzteileshop


Bezeichnungen von Produkten, Abbildungen und Logos , die in diesem Forum oder im Shop verwendet werden, sind Eigentum des entsprechenden Herstellers oder Besitzers. Diese dienen lediglich zur Identifikation!
Impressum       Datenschutz       Copyright © Baldur Brock Fernsehtechnik und Versand Ersatzteile in Heilbronn Deutschland       

gerechnet auf die letzten 30 Tage haben wir 12 Beiträge im Durchschnitt pro Tag       heute wurden bisher 11 Beiträge verfasst
© x sparkkelsputz        Besucher : 191568126   Heute : 15045    Gestern : 12796    Online : 378        29.4.2026    16:41
11 Besucher in den letzten 60 Sekunden        alle 5.45 Sekunden ein neuer Besucher ---- logout ----viewtopic ---- logout ----
xcvb ycvb
0.352308034897