elek. Außenspiegel

Im Unterforum Projekte im Selbstbau - Beschreibung: Selbstbau von Elektronik und Elektro

Elektronik Forum Nicht eingeloggt       Einloggen       Registrieren




[Registrieren]      --     [FAQ]      --     [ Einen Link auf Ihrer Homepage zum Forum]      --     [ Themen kostenlos per RSS in ihre Homepage einbauen]      --     [Einloggen]

Suchen


Serverzeit: 30 12 2025  10:30:36      TV   VCR Aufnahme   TFT   CRT-Monitor   Netzteile   LED-FAQ   Oszilloskop-Schirmbilder            


Elektronik- und Elektroforum Forum Index   >>   Projekte im Selbstbau        Projekte im Selbstbau : Selbstbau von Elektronik und Elektro

Gehe zu Seite ( Vorherige Seite 1 | 2 | 3 | 4 Nächste Seite )      


Autor
elek. Außenspiegel

    







BID = 365896

rhophi

Stammposter



Beiträge: 288
Wohnort: Wetzlar
Zur Homepage von rhophi
 

  


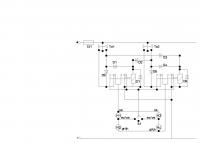
Hallo, ich habe mir ein wenig den Kopf zerbrochen, wie man es mit möglichst wenig Aufwand realisieren kann.

Ich benötige dazu einen Schalter (S1) für Anwahl des rechten oder linken Spiegel (in dem Schaltplan mit Mittelstellung gezeichnet, geht aber auch als "normaler" einpoliger Umschalter), zwei WippTASTER einpolig MIT MITTELSTELLUNG (TA1 für hoch/runter, Ta2 für rechts/links) sowie acht Dioden und zwei zweipolige Umschaltrelais - und natürlich eine Sicherung (si1) die für den zweifachen Motor+Relaisstrom auszulegen ist.

Zur Schaltung: Die Dioden D1-D4 dienen dazu, daß die gemeinsame Leitung die über S1 zu dem gemeinsamen schwarz/weissen Draht der jeweiligen Motorgruppe immer das gleiche Potential hat. Wenn einer der beiden Taster links betätigt (also nach rechts gedrückt wird) ziehen immer beide Relais an, es wird aber nur der Motor bestromt, zu dem der Taster gehört (es könnte aber auch der zweite Taster ebenso betätigt werden, dann laufen halt beide Motoren einer Gruppe). Da die Dioden nur die Relais schalten müssen, reichen evtl 1N4148, ich würde aber 1N4007 bevorzugen.
Die Dioden D5 und D6 sorgen dafür, daß bei Betätigung eines Tasters rechts (also nach links gedrückt) die Relais nicht anziehen, diese beiden Dioden sind für den Motorstrom auszulegen, bis zu 1A z.B. 1N4007, bis zu 3A z.B. 1N5404.
Wenn beide Taster rechts betätigt werden (nach links gedrückt) laufen ebenfalls beide Motoren des mit S1 ausgewählten Spiegels.
Jetzt kommt der kleine Schönheitsfehler: Wenn beide Taster gegensinnig gedrückt werden, läuft einer der beiden Motoren entgegen der eigentlichen Richtung. Wenn ich mich nicht geirrt habe, dürfte aber nichts kaputtgehen. Wer stellt aber schon den Spiegel gleichzeitig in der Höhen- und Seitenlage ein??
P.S. - ich garantiere nicht für die Fehlerfreiheit der Schaltung.
Die Dioden D7 und D8 sind normale Freilaufdioden für die Relais (z.B. 1N4007, evtl auch 1N4148).





[ Diese Nachricht wurde geändert von: rhophi am  2 Sep 2006 21:07 ]

BID = 365899

Lötfix

Schreibmaschine



Beiträge: 2328
Wohnort: Wien

 

  

Bei Ford gibt es einen Joystick, rechts/links/auf/ab und durch verdrehen des Knopfes wird rechte/linke Tür umgeschaltet. K.A. wie der genau beschaltet ist, muß mal sehen ob das im Stromlaufplan drinn ist.

mfg lötfix

_________________
Haftungsausschluß:
Bei obigem Beitrag handelt es sich um meine private Meinung. Rechtsansprüche dürfen daraus nicht abgeleitet werden. Sicherheitsvorschriften beachten!

BID = 365933

rhophi

Stammposter



Beiträge: 288
Wohnort: Wetzlar
Zur Homepage von rhophi

Ich habe soeben noch einmal über der Schaltung gebrütet, den Schönheitsfehler kann man durch Verwendung eines PNP-Transistors auch noch ausmerzen, dafür braucht man nur noch ein doppelpoliges und ein einpoliges Relais, aber ein paar Dioden mehr. Schaltplan folgt vsl. morgen (das ist dann um die Uhrzeit doch noch etwas afwändig).

@lötfix: Wenn ein "Joystick-Schalter" vorhanden ist, der immer nur eine Richtung anwählt, wird die Schaltung sicherlich ainfacher (aber woher den richtigen - passenden - kriegen) - Kenn ich aus unserm Firmen-LT.

Problematisch wird es allerdings mit der Schaltung, wenn die Motoren für linke und rechte Seite gegensinnig laufen - also rechtsrum auf der linken Sei te z.B. "rauf" und auf der linken Seite "runter" beduetet - bei den Schlitzaugen ist alles möglich :-))

BID = 365950

Primus von Quack

Unser Primus :)
nehmt ihn nicht so ernst




Beiträge: 7474

...erstmal Glückwunsch zu deinen gelungenen äusserst spektakulären Unfall

...die Taster und Schaltung gibts da wo du die Türen herhast
...oder aus einem anderen Schrott Auto oder bei eBay


...ach, aus reiner Neugier, was haben die Spiegel mit dem Motor (Diesel/Benzin) zu tun werden die Spiegel mit dem Benzinmotor angetrieben


_________________
...geguckt wird mit den Augen, nicht mit den Fingern!

[ Diese Nachricht wurde geändert von: Primus von Quack am  2 Sep 2006 23:46 ]

BID = 365986

Electronicfox

Schreibmaschine



Beiträge: 1634
Wohnort: hamburg
Zur Homepage von Electronicfox

Ich finde diese Schaltung am einfachsten.

_________________
Es ist nicht mein Ziel mit dem Kopf durch die Wand zu gehen, sondern mit den Augen eine Tür zu finden. Also warum kompliziert, wenn’s einfach geht.


PDF anzeigen



[ Diese Nachricht wurde geändert von: Electronicfox am  3 Sep 2006  9:52 ]

BID = 366011

Gilb

Urgestein



Beiträge: 16259
Wohnort: Gardine (Gardinenhof)
Zur Homepage von Gilb

Mal abgesehen von High-Tech-Elektronik-Lösungen brauchst du

2 Stk. 2-polige Umschalttaster mit Mittenstellung "Aus" und
1 Stk. 2-poligen Umschalter, rastend, evtl. auch mit Mitte "Aus"

Die Umschalttaster steuern die Drehrichtung der beiden Spiegelmotoren,
wie in der Skizze gezeigt.
Der rastende Umschalter schaltet zwischen linkem und rechtem Spiegel um.




BID = 366054

analog

Gerade angekommen


Beiträge: 11

Boah so viele Antworten HILFE
Ich fang von oben nach unten mal an.

@rhophi

Sehr beeindruckend, erstens das dich mein Problem so beschäftigt, danke, und zweitens die Schaltung.

Aber bei so viel Aufwand bei der Elektronik gehe ich lieber die Zahnräder vergewaltigen.


@ Lötfix

Ja, Joystick. Das dachte ich mir auch. Farnell Katalog aufgeschlagen und dann hat mich der Preis erschlagen.
70 Euro.

@ Primus von Quack

Ja so ein Unfall geht schnell, ich habe ja eigentlich vergessen zu erwähnen das ich dann GEGEN die Fahrtrichtung stehen geblieben bin.

Nein, die Taster und Schalter gibt es nicht dort wo ich die Türen her habe. Das restliche Auto ist schon
--[Kraft F] ->> Auto << -[Kraft F]--
Du verstehst ?

ebay ist bei Toyota Carina II T17 sehr schlecht. Schon einmal eine Suche gestartet ? Klar für einen VW oder BMW findet man bald etwas.


Und wegen Diesel/Benzinmotor.
Ich habe die Frage von nabruxas überhaupt nicht verstanden.
Erst nach der Antwort von Mr.Ed habe ich gepeilt was mit der Frage gemeint war.

@ Electronicfox

siehe nächste Antwort

@ Gilb

Die Welt kann doch so einfach sein
Ich werde mal schauen wo ich die Teile finde, bzw. morgen abwarten ob ich das Original noch bekommen kann.


Danke für die Antworten

BID = 366056

Lötfix

Schreibmaschine



Beiträge: 2328
Wohnort: Wien

Eben weil es keinen Toyota-Schrott gibt, Ford sollte es ausreichend am Schrottplatz geben, muß ja kein fabriksneuer Schalter sein.

mfg lötfix


_________________
Haftungsausschluß:
Bei obigem Beitrag handelt es sich um meine private Meinung. Rechtsansprüche dürfen daraus nicht abgeleitet werden. Sicherheitsvorschriften beachten!

BID = 366073

rhophi

Stammposter



Beiträge: 288
Wohnort: Wetzlar
Zur Homepage von rhophi

@gilb: So geht´s NICHT - Weil zwei Motoren einen gemeinsamen Anschluß haben und wenn dann für beide Motoren die Taster gegenläufig gedrückt werden knallt´s.

@electronicfox: So geht´s tatsächlich viel einfacher - ich werde heute Abend den Schalter für rechten und linken Spiegel noch mit reinsetzen und dann dürfte wohl die Lösung komplett sein.

@analog: zwei Wipptaster zweipolig mit MITTELSTELLUNG AUS(-> Schaltung von Elektronikfox) kann ich Dir schicken, sehen aber etwas anders aus als auf dem Bild von gilb (ohne Pfeile drauf), außerdem brauchst Du noch einen WippSCHALTER für rechten und linken Spiegel (wahlweise mit oder ohne Mittelstellung aus)

@lötfix: Ob so ein "Joystickschalter" von Ford (oder auch von VW - kenne ich aus dem LT28) hier geht weiß ich nicht, da immer zwei Motoren einen gemeinsamen Anschluß haben.

BID = 366083

Primus von Quack

Unser Primus :)
nehmt ihn nicht so ernst




Beiträge: 7474


Zitat :
analog hat am  3 Sep 2006 13:28 geschrieben :

Ja so ein Unfall geht schnell, ich habe ja eigentlich vergessen zu erwähnen das ich dann GEGEN die Fahrtrichtung stehen geblieben bin.
...das wird ja immer spektakulärer (gibts davon ein Video )


Zitat :
analog hat am  3 Sep 2006 13:28 geschrieben :
Nein, die Taster und Schalter gibt es nicht dort wo ich die Türen her habe. Das restliche Auto ist schon
--[Kraft F] ->> Auto << -[Kraft F]--
Du verstehst ?
...ach so, das ist jetzt ein "Kompakter Kleinwagen"


Zitat :
analog hat am  3 Sep 2006 13:28 geschrieben :
ebay ist bei Toyota Carina II T17 sehr schlecht. Schon einmal eine Suche gestartet ? Klar für einen VW oder BMW findet man bald etwas.
...Hauptsache es hat die gleiche Schaltung und es passt in deine Türverkleidung b.z.w. ins Armaturenbrett

_________________
...geguckt wird mit den Augen, nicht mit den Fingern!

BID = 366089

Gilb

Urgestein



Beiträge: 16259
Wohnort: Gardine (Gardinenhof)
Zur Homepage von Gilb

@ rhophi

das kann ich mir nun wirklich nicht vorstellen, dass beide Spiegelmotoren einen gemeinsamen Anschluß haben.
Ich habe selber auch einen Toyota, eine Previa, mit diesem Kreuztaster (Joystick).
Und da sind auch Stellungen möglich, in denen beide Motoren arbeiten.
Also nicht nur + (oben, unten, links, rechts)
sondern auch X (ist mir jetzt zu umständlich zu beschreiben),
also 8 verschiedene Kombinationen der beiden Umschalt-Taster.

MfG
der Gilb

BID = 366092

tsaphiel

Inventar



Beiträge: 3493
Wohnort: Unterfranken (frei statt Bayern!)
ICQ Status  

ich hätt noch nen alten Computer - Joystick.
über die Feuerknöpfe kannst du den Spiegel anwählen. Einstellen dann über den Stcik selbst.

Das is sooooo pimp, da kommt keine Unterbodenbeleuchtung mit.

_________________
Druff un D'widd!!!

BID = 366094

Gilb

Urgestein



Beiträge: 16259
Wohnort: Gardine (Gardinenhof)
Zur Homepage von Gilb

das muss aber wirklich ein "Alter" sein,
mit Mikroschaltern für 6 Ampere oder mehr,
oder so ein Profiteil aus einem Spielautomaten.
Ist aber dann etwas zu groß, für in die Türverkleidung.

BID = 366126

analog

Gerade angekommen


Beiträge: 11

Wohl !
Die beiden Motoren haben einen gemeinsamen Anschluss.

Heute noch nicht die Köpfe zerbersten lassen
ich frag ja morgen schon bein den Schrotthändlern und Toyotahändlern nach

BID = 366136

nabruxas

Monitorspezialist



Beiträge: 9533
Wohnort: Alpenrepublik

@analog:

Tut mir leid, wenn meine Frage so schlecht formuliert war.
Bin etwas zerstreut!

Tja ich dachte mir, wenn einer der Spiegelmotoren mechanisch ansteht, der Motor sich trotzdem weiterdreht dann gibt es einen Zahnradsalat und das Getriebe muß zum Zahnarzt sich neue Kronen verpassen lassen.

Das mit der Rutschkupplung wusste ich nicht. Ich dachte die Stromaufnahme wird überwacht und wenn diese zu hoch ist dann stoppt die Stromzufuhr um so die Mechanik zu schützen.

Wieder mal was dazugelernt. DANKE!

_________________
0815 - Mit der Lizenz zum Löten!


Vorherige Seite       Nächste Seite
Gehe zu Seite ( Vorherige Seite 1 | 2 | 3 | 4 Nächste Seite )
Zurück zur Seite 1 im Unterforum          Vorheriges Thema Nächstes Thema 


Zum Ersatzteileshop


Bezeichnungen von Produkten, Abbildungen und Logos , die in diesem Forum oder im Shop verwendet werden, sind Eigentum des entsprechenden Herstellers oder Besitzers. Diese dienen lediglich zur Identifikation!
Impressum       Datenschutz       Copyright © Baldur Brock Fernsehtechnik und Versand Ersatzteile in Heilbronn Deutschland       

gerechnet auf die letzten 30 Tage haben wir 17 Beiträge im Durchschnitt pro Tag       heute wurden bisher 4 Beiträge verfasst
© x sparkkelsputz        Besucher : 188006515   Heute : 2196    Gestern : 8349    Online : 234        30.12.2025    10:30
11 Besucher in den letzten 60 Sekunden        alle 5.45 Sekunden ein neuer Besucher ---- logout ----viewtopic ---- logout ----
xcvb ycvb
0.0877690315247