| Autor |
|
elek. Außenspiegel |
|
|
|
|
BID = 365896
rhophi Stammposter
   
Beiträge: 288 Wohnort: Wetzlar
|
|
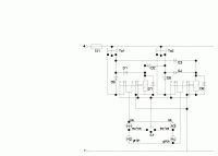
Hallo, ich habe mir ein wenig den Kopf zerbrochen, wie man es mit möglichst wenig Aufwand realisieren kann.
Ich benötige dazu einen Schalter (S1) für Anwahl des rechten oder linken Spiegel (in dem Schaltplan mit Mittelstellung gezeichnet, geht aber auch als "normaler" einpoliger Umschalter), zwei WippTASTER einpolig MIT MITTELSTELLUNG (TA1 für hoch/runter, Ta2 für rechts/links) sowie acht Dioden und zwei zweipolige Umschaltrelais - und natürlich eine Sicherung (si1) die für den zweifachen Motor+Relaisstrom auszulegen ist.
Zur Schaltung: Die Dioden D1-D4 dienen dazu, daß die gemeinsame Leitung die über S1 zu dem gemeinsamen schwarz/weissen Draht der jeweiligen Motorgruppe immer das gleiche Potential hat. Wenn einer der beiden Taster links betätigt (also nach rechts gedrückt wird) ziehen immer beide Relais an, es wird aber nur der Motor bestromt, zu dem der Taster gehört (es könnte aber auch der zweite Taster ebenso betätigt werden, dann laufen halt beide Motoren einer Gruppe). Da die Dioden nur die Relais schalten müssen, reichen evtl 1N4148, ich würde aber 1N4007 bevorzugen.
Die Dioden D5 und D6 sorgen dafür, daß bei Betätigung eines Tasters rechts (also nach links gedrückt) die Relais nicht anziehen, diese beiden Dioden sind für den Motorstrom auszulegen, bis zu 1A z.B. 1N4007, bis zu 3A z.B. 1N5404.
Wenn beide Taster rechts betätigt werden (nach links gedrückt) laufen ebenfalls beide Motoren des mit S1 ausgewählten Spiegels.
Jetzt kommt der kleine Schönheitsfehler: Wenn beide Taster gegensinnig gedrückt werden, läuft einer der beiden Motoren entgegen der eigentlichen Richtung. Wenn ich mich nicht geirrt habe, dürfte aber nichts kaputtgehen. Wer stellt aber schon den Spiegel gleichzeitig in der Höhen- und Seitenlage ein??
P.S. - ich garantiere nicht für die Fehlerfreiheit der Schaltung.
Die Dioden D7 und D8 sind normale Freilaufdioden für die Relais (z.B. 1N4007, evtl auch 1N4148).
[ Diese Nachricht wurde geändert von: rhophi am 2 Sep 2006 21:07 ] |
|
BID = 365899
Lötfix Schreibmaschine
    
Beiträge: 2328 Wohnort: Wien
|
|
Bei Ford gibt es einen Joystick, rechts/links/auf/ab und durch verdrehen des Knopfes wird rechte/linke Tür umgeschaltet. K.A. wie der genau beschaltet ist, muß mal sehen ob das im Stromlaufplan drinn ist.
mfg lötfix
_________________
Haftungsausschluß:
Bei obigem Beitrag handelt es sich um meine private Meinung. Rechtsansprüche dürfen daraus nicht abgeleitet werden. Sicherheitsvorschriften beachten! |
|
BID = 365933
rhophi Stammposter
   
Beiträge: 288 Wohnort: Wetzlar
|
Ich habe soeben noch einmal über der Schaltung gebrütet, den Schönheitsfehler kann man durch Verwendung eines PNP-Transistors auch noch ausmerzen, dafür braucht man nur noch ein doppelpoliges und ein einpoliges Relais, aber ein paar Dioden mehr. Schaltplan folgt vsl. morgen (das ist dann um die Uhrzeit doch noch etwas afwändig).
@lötfix: Wenn ein "Joystick-Schalter" vorhanden ist, der immer nur eine Richtung anwählt, wird die Schaltung sicherlich ainfacher (aber woher den richtigen - passenden - kriegen) - Kenn ich aus unserm Firmen-LT.
Problematisch wird es allerdings mit der Schaltung, wenn die Motoren für linke und rechte Seite gegensinnig laufen - also rechtsrum auf der linken Sei te z.B. "rauf" und auf der linken Seite "runter" beduetet - bei den Schlitzaugen ist alles möglich :-))
|
BID = 365950
Primus von Quack Unser Primus :) nehmt ihn nicht so ernst
  
Beiträge: 7474
|
...erstmal Glückwunsch zu deinen gelungenen äusserst spektakulären Unfall
...die Taster und Schaltung gibts da wo du die Türen herhast
...oder aus einem anderen Schrott Auto oder bei eBay
...ach, aus reiner Neugier, was haben die Spiegel mit dem Motor (Diesel/Benzin) zu tun  werden die Spiegel mit dem Benzinmotor angetrieben
_________________
...geguckt wird mit den Augen, nicht mit den Fingern!
[ Diese Nachricht wurde geändert von: Primus von Quack am 2 Sep 2006 23:46 ]
|
BID = 365986
Electronicfox Schreibmaschine
    
Beiträge: 1634 Wohnort: hamburg
|
Ich finde diese Schaltung am einfachsten.
_________________
Es ist nicht mein Ziel mit dem Kopf durch die Wand zu gehen, sondern mit den Augen eine Tür zu finden. Also warum kompliziert, wenn’s einfach geht.
[ Diese Nachricht wurde geändert von: Electronicfox am 3 Sep 2006 9:52 ]
|
BID = 366011
Gilb Urgestein
     
Beiträge: 16259 Wohnort: Gardine (Gardinenhof)
|
Mal abgesehen von High-Tech-Elektronik-Lösungen brauchst du
2 Stk. 2-polige Umschalttaster mit Mittenstellung "Aus" und
1 Stk. 2-poligen Umschalter, rastend, evtl. auch mit Mitte "Aus"
Die Umschalttaster steuern die Drehrichtung der beiden Spiegelmotoren,
wie in der Skizze gezeigt.
Der rastende Umschalter schaltet zwischen linkem und rechtem Spiegel um.
|
BID = 366054
analog Gerade angekommen
Beiträge: 11
|
Boah so viele Antworten HILFE
Ich fang von oben nach unten mal an.
@rhophi
Sehr beeindruckend, erstens das dich mein Problem so beschäftigt, danke, und zweitens die Schaltung.
Aber bei so viel Aufwand bei der Elektronik gehe ich lieber die Zahnräder vergewaltigen.
@ Lötfix
Ja, Joystick. Das dachte ich mir auch. Farnell Katalog aufgeschlagen und dann hat mich der Preis erschlagen.
70 Euro.
@ Primus von Quack
Ja so ein Unfall geht schnell, ich habe ja eigentlich vergessen zu erwähnen das ich dann GEGEN die Fahrtrichtung stehen geblieben bin.
Nein, die Taster und Schalter gibt es nicht dort wo ich die Türen her habe. Das restliche Auto ist schon
--[Kraft F] ->> Auto << -[Kraft F]--
Du verstehst ?
ebay ist bei Toyota Carina II T17 sehr schlecht. Schon einmal eine Suche gestartet ? Klar für einen VW oder BMW findet man bald etwas.
Und wegen Diesel/Benzinmotor.
Ich habe die Frage von nabruxas überhaupt nicht verstanden.
Erst nach der Antwort von Mr.Ed habe ich gepeilt was mit der Frage gemeint war.
@ Electronicfox
siehe nächste Antwort
@ Gilb
Die Welt kann doch so einfach sein
Ich werde mal schauen wo ich die Teile finde, bzw. morgen abwarten ob ich das Original noch bekommen kann.
Danke für die Antworten
|
BID = 366056
Lötfix Schreibmaschine
    
Beiträge: 2328 Wohnort: Wien
|
Eben weil es keinen Toyota-Schrott gibt, Ford sollte es ausreichend am Schrottplatz geben, muß ja kein fabriksneuer Schalter sein.
mfg lötfix
_________________
Haftungsausschluß:
Bei obigem Beitrag handelt es sich um meine private Meinung. Rechtsansprüche dürfen daraus nicht abgeleitet werden. Sicherheitsvorschriften beachten!
|
BID = 366073
rhophi Stammposter
   
Beiträge: 288 Wohnort: Wetzlar
|
@gilb: So geht´s NICHT - Weil zwei Motoren einen gemeinsamen Anschluß haben und wenn dann für beide Motoren die Taster gegenläufig gedrückt werden knallt´s.
@electronicfox:  So geht´s tatsächlich viel einfacher - ich werde heute Abend den Schalter für rechten und linken Spiegel noch mit reinsetzen und dann dürfte wohl die Lösung komplett sein.
@analog: zwei Wipptaster zweipolig mit MITTELSTELLUNG AUS(-> Schaltung von Elektronikfox) kann ich Dir schicken, sehen aber etwas anders aus als auf dem Bild von gilb (ohne Pfeile drauf), außerdem brauchst Du noch einen WippSCHALTER für rechten und linken Spiegel (wahlweise mit oder ohne Mittelstellung aus)
@lötfix: Ob so ein "Joystickschalter" von Ford (oder auch von VW - kenne ich aus dem LT28) hier geht weiß ich nicht, da immer zwei Motoren einen gemeinsamen Anschluß haben.
|
BID = 366083
Primus von Quack Unser Primus :) nehmt ihn nicht so ernst
  
Beiträge: 7474
|
Zitat :
analog hat am 3 Sep 2006 13:28 geschrieben :
|
Ja so ein Unfall geht schnell, ich habe ja eigentlich vergessen zu erwähnen das ich dann GEGEN die Fahrtrichtung stehen geblieben bin. |
...das wird ja immer spektakulärer  (gibts davon ein Video  )
Zitat :
analog hat am 3 Sep 2006 13:28 geschrieben :
| Nein, die Taster und Schalter gibt es nicht dort wo ich die Türen her habe. Das restliche Auto ist schon
--[Kraft F] ->> Auto << -[Kraft F]--
Du verstehst ? |
...ach so, das ist jetzt ein "Kompakter Kleinwagen"
Zitat :
analog hat am 3 Sep 2006 13:28 geschrieben :
| | ebay ist bei Toyota Carina II T17 sehr schlecht. Schon einmal eine Suche gestartet ? Klar für einen VW oder BMW findet man bald etwas. |
...Hauptsache es hat die gleiche Schaltung und es passt in deine Türverkleidung b.z.w. ins Armaturenbrett
_________________
...geguckt wird mit den Augen, nicht mit den Fingern!
|
BID = 366089
Gilb Urgestein
     
Beiträge: 16259 Wohnort: Gardine (Gardinenhof)
|
@ rhophi
das kann ich mir nun wirklich nicht vorstellen, dass beide Spiegelmotoren einen gemeinsamen Anschluß haben.
Ich habe selber auch einen Toyota, eine Previa, mit diesem Kreuztaster (Joystick).
Und da sind auch Stellungen möglich, in denen beide Motoren arbeiten.
Also nicht nur + (oben, unten, links, rechts)
sondern auch X (ist mir jetzt zu umständlich zu beschreiben),
also 8 verschiedene Kombinationen der beiden Umschalt-Taster.
MfG
der Gilb
|
BID = 366092
tsaphiel Inventar
     
Beiträge: 3493 Wohnort: Unterfranken (frei statt Bayern!)
|
ich hätt noch nen alten Computer - Joystick.
über die Feuerknöpfe kannst du den Spiegel anwählen. Einstellen dann über den Stcik selbst.
Das is sooooo pimp, da kommt keine Unterbodenbeleuchtung mit.
_________________
Druff un D'widd!!!
|
BID = 366094
Gilb Urgestein
     
Beiträge: 16259 Wohnort: Gardine (Gardinenhof)
|
das muss aber wirklich ein "Alter" sein,
mit Mikroschaltern für 6 Ampere oder mehr,
oder so ein Profiteil aus einem Spielautomaten.
Ist aber dann etwas zu groß, für in die Türverkleidung.
|
BID = 366126
analog Gerade angekommen
Beiträge: 11
|
Wohl !
Die beiden Motoren haben einen gemeinsamen Anschluss.
Heute noch nicht die Köpfe zerbersten lassen
ich frag ja morgen schon bein den Schrotthändlern und Toyotahändlern nach
|
BID = 366136
nabruxas Monitorspezialist
    
Beiträge: 9533 Wohnort: Alpenrepublik
|
@analog:
Tut mir leid, wenn meine Frage so schlecht formuliert war.
Bin etwas zerstreut!
Tja ich dachte mir, wenn einer der Spiegelmotoren mechanisch ansteht, der Motor sich trotzdem weiterdreht dann gibt es einen Zahnradsalat und das Getriebe muß zum Zahnarzt sich neue Kronen verpassen lassen.
Das mit der Rutschkupplung wusste ich nicht. Ich dachte die Stromaufnahme wird überwacht und wenn diese zu hoch ist dann stoppt die Stromzufuhr um so die Mechanik zu schützen.
Wieder mal was dazugelernt. DANKE!
_________________
0815 - Mit der Lizenz zum Löten!
|