| Autor |
Ein Laie will eine Schaltung erstellen Suche nach: schaltung (31736) |
|
|
|
|
BID = 358373
Adi90 Gerade angekommen
Beiträge: 14 Wohnort: Berlin
|
|
Hallo Forengemeinde!
Vorwort
Ich habe für ein kleines Modell eine Idee die mir schon seit 3 Tagen nicht aus dem Kopf gehen will.
Da dieses Forum hier das einzige im deutschen Web zu sein scheint, in dem nicht nur ein Beitrag pro Monat beantwortet wird sehe ich hier meine Chancen auf Hilfe am größen.
Erstmal schon jetzt 1000Dank an all die Jenen die mir hier helfen diese (für euch hoffentlich einfache) Schaltung zu entwerfen.
Es handelt sich um eine kleine MotorSchaltung die ich gerne bauen würde, jedoch habe ich mit Ausnahme der im Abi vermittelten Elektrotechnischen Kenntnisse (die minimal sind) keinen Plan wie ich das nun am besten (oder überhaupt erstmal) Bewerkstelligen würde.
Ich weis nur was sie können soll^^
Nun zur Schaltung
Ich habe im Moment eine ganz normale einfache Motorschaltung bestehend aus einem Taster, einem 9,6V (1700mAh) Akku und einem Elektromotor (dessen Merkmale ich nicht in Erfahrung bringen kann)
Siehe Bild1 im Anhang
So in etwa sieht das momentan aus. (Die Zeichnung ist wahrscheinlich nicht richtig korrekt gezeichnet, aber verstehn tut man’s hoffe ich
So das normale ZAD (Zeitablaufdiagramm) dieser Schaltung kann sich ja jeder denken…
Der Taster wird betätigt und folglich dreht der Motor an, so lange bis der Taster losgelassen wird.
Jetzt mein Ziel.
Ich möchte unter Verwendung aller mir Möglichen Bauelemente (Alles was man bei Conrad und Co. bekommen kann :wink:) eine Schaltung entwickeln die sich in einem ZAD folgendermaßen verhält.
Siehe Bild2 im Anhang
Sobald ich den Taster betätige soll der Motor anspringen und durch eine Schaltung(von der ich keine Ahnung habe ;-)) nach einer gewissen Zeit abgeschaltet werden und erst wieder erneut andrehen wenn ich den Taster einmal losgelassen habe.
Also noch mal…
Schalter S1 geht an, Motor geht an, nach „t“ in s (t soll variabel sein von 50-500ms) soll der Motor automatisch ausgehen und erst wieder strom bekommen wenn der Taster aus- und wieder eingeschaltet wurde.
Löst man den Schalter schon vor Ablauf der Zeit „t“ geht der Motor auch aus. Ein schnelles triggern hintereinander hat keinen Einfluss auf die Schaltung und der Motor geht jedes mal an und aus.
Wichtig ist mir dass ich die Variable "t" irgendwie im Nachhinein verändern kann, sodass der Motor wahlweise nach 50-500ms ausgeht.
So etwas möchte ich bauen und es soll alles von dem 9,6V Akkumulator gespeist werden.
Hier fehlt jetzt ein Smiley mit großen feuchten Kinderaugen!
Gruß, Adrian!
|
|
BID = 358380
Morgoth Schreibmaschine
    
Beiträge: 2930 Wohnort: Rockenhausen (Pfalz)
|
|
Erstmal Willkommen im Forum
Nicht retriggerbares Monoflop und Zweipoliger taster, über den zweiten pol läuft das signal zur Endstufe/Miniaturrelais, das wäre das, was mir dazu einfällt.
_________________
Es irrt der Mensch solang er strebt |
|
BID = 358387
sam2 Urgestein
     
Beiträge: 35321 Wohnort: Franken (bairisch besetzte Zone)
|
Auch geläufig unter der Bezeichnung: Einschaltwischer
|
BID = 358394
Adi90 Gerade angekommen
Beiträge: 14 Wohnort: Berlin
|
Klasse!
Dann mach ich mich erstmal daran die SuFu auszureizen nach diesem Einschaltwischer
Eine so schnelle Antwort hätte ich nicht erwartet!
|
BID = 358396
Morgoth Schreibmaschine
    
Beiträge: 2930 Wohnort: Rockenhausen (Pfalz)
|
was ich unter Anschaltwischer finde ist aber nicht die gesuchte Funktion...
Bei so kurzen Zeiten müsstest du dir übrigens sogar den Monoflop sparen können, und das ganze rein mit nem RC-Glied lösen.
_________________
Es irrt der Mensch solang er strebt
|
BID = 358399
Adi90 Gerade angekommen
Beiträge: 14 Wohnort: Berlin
|
Nachdem ich jetzt rumgesuch habe (ohne Erfolg)
scheint ja ein Einschaltwischer ein riesen Bauteil zu sein.
@Morgoth
Das wäre wahrscheinlich die günstigste und kleinste Lösung.
Ich trau mich kaum zu fragen aber, könntest du mir unter Umständen für mein kleines Problem mal eine solche Schaltung zeichen?
|
BID = 358419
Morgoth Schreibmaschine
    
Beiträge: 2930 Wohnort: Rockenhausen (Pfalz)
|
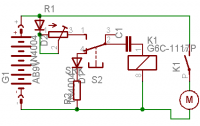
Da,iss vielleicht nicht ganz übersichtlich, aber ich bin in Eile
_________________
Es irrt der Mensch solang er strebt
|
BID = 358431
Adi90 Gerade angekommen
Beiträge: 14 Wohnort: Berlin
|
Sehr geil! Danke dir hat mir sehr gut geholfen.
Und ich nehme sogar an es verstanden zu haben
Aber ein paar kleine Fragen hätte ich noch.
Ich blicke nicht so ganz durch welche Aufgaben die beiden Dioden D1 und D2 in der Schaltung haben.
Und sehe ich es richtig dass ich, wenn ich R2 durch einen Poti austausche, ich damit die Entladegeschwindigkeit regeln kann?
Nur um sicher zu gehn!
|
BID = 358464
Morgoth Schreibmaschine
    
Beiträge: 2930 Wohnort: Rockenhausen (Pfalz)
|
Die Dioden verhindern, dass sich hier ein Lustiger Schwingkreis mit der induktivität des Relais und dem kondensator bilden.
Und die andere Frage: Ja
_________________
Es irrt der Mensch solang er strebt
|
BID = 358481
Peda Schriftsteller
    
Beiträge: 891
|
Die Dioden könnte man weglassen, bei diesen Zeiten 50-500ms, ist die Dämpfung schon über dem kritischem Wert.
Falls du längere Zeiten brauchst, schau dir mal den NE555 an, der macht sowas auch hervorragend.
Gruss Peter
_________________
Do you have Math Problems ?? Then call 0049-0800 sin(lg((10^45*tan(56))/(f(0)'->(45x^3/3x^2*3x^7)))
|
BID = 358485
Adi90 Gerade angekommen
Beiträge: 14 Wohnort: Berlin
|
Wo bekomme ich eigendlich all das Wissen her was sich hinter solchen Namen wie NE555 für Bauelemente verbergen, und woher weis ich was es alles auf dem markt gibt?
Oder evtl. gleich einen Schuh draus machen und fragen wo kann ein Anfänger in die Elektronik einsteigen?
Gibt es Seiten mit Schaltungen, Anleitungen?
Danke wieder mal^^
|
BID = 358488
Morgoth Schreibmaschine
    
Beiträge: 2930 Wohnort: Rockenhausen (Pfalz)
|
|
BID = 358505
Otiffany Urgestein
     
Beiträge: 13779 Wohnort: 37081 Göttingen
|
Hi,
die Elektronik ist ein sehr umfangreiches Gebiet und es ist unmöglich sich innerhalb von ein paar Wochen fundierte Kenntnisse anzueignen. Wenn das Interesse groß genug ist und ein Lernwille besteht, kannst Du dich mit Erfolg in ein hochinteressantes technisches Gebiet einarbeiten. Vorraussetzung ist, daß Du auch bereit bist dich in relativ trockene Materie zu vertiefen, um erst einmal gewisse Grundkenntnisse zu erwerben. Das sind Kenntnisse über Bauteile, deren Funktion und Möglichkeiten, sowie Dimensionierung und Berechnung.
Eine gewisse technische Grundausstattung ist auch unerläßlich (Lötkolben, Meßinstrument, Netzteil und diverse Bauteile für Versuchsschaltungen).
Wobei das Netzteil evtl. schon das erste Bauobjekt sein könnte.
Vieles wirst Du auch in "Wikipedia" finden. Geh in eine Fachbuchhandlung und blättere mal zur Auswahl in der angebotenen Lektüre.
Übrigens NE555 ist ein kleines achtbeiniges Timer-IC.
Gruß
Peter
[ Diese Nachricht wurde geändert von: Otiffany am 10 Aug 2006 20:41 ]
|
BID = 358528
Jornbyte Moderator
      
Beiträge: 7315
|
Hallo Adi90
Da du dein Problem als , wie du selbst sagst, Anfänger gut beschrieben hast, sowas kommt selten vor, wird man dir hier im Forum auch weiterhin helfen können.
_________________
mfg Jornbyte
Es handelt sich bei dem Tipp nicht um eine Rechtsverbindliche Auskunft und
wer Tippfehler findet, kann sie behalten.
|
BID = 358551
Adi90 Gerade angekommen
Beiträge: 14 Wohnort: Berlin
|
Danke euch allen.
Ja, mich in die Kenntnisse über Elektronik einzuarbeiten (soweit ich es zum Bau analoger und digitaler Schaltungen im Modellbau benötige) bin ich durchaus bereit und werde Teile meiner Freizeit fortan auch für die Weiterbildung in diesem Gebiet nutzen.
auf Elektronik-Kompendium bieten sie solche Lernpakete an. Sind diese zu Empfehlen für den Preis? Denn an Gerätschaften und Bauelementen fehlt es mir komplett.
|