Vergleichstabellen Spannungsregler Im Unterforum Alle anderen elektronischen Probleme - Beschreibung: Was sonst nirgendwo hinpasst
| Autor |
|
|
|
BID = 25805
perl Ehrenmitglied
       
Beiträge: 11110,1 Wohnort: Rheinbach
|
|
Du erklärst, Du wolltest eine Konstantstromquelle bauen, bekommts mehrere Schaltungsvorschläge, aber alle sind Dir nicht schön genug, weil Du außerdem noch um jedes Elektron feilscht, das irgendwo verloren gehen könnte.
Schließlich kommts Du mit dieser Schaltung bei der lediglich ein Widerstand "stabilisiert" und die überschüssige Energie großzügig auf einer Zenerdiode verheizt wird.
Deshalb : Schwachsinn.
_________________
Haftungsausschluß:
Bei obigem Beitrag handelt es sich um meine private Meinung.
Rechtsansprüche dürfen aus deren Anwendung nicht abgeleitet werden.
Besonders VDE0100; VDE0550/0551; VDE0700; VDE0711; VDE0860 beachten ! |
|
BID = 25807
Carsten_eutin Schriftsteller
    
Beiträge: 569
|
|
Hi perl,
danke für die schnelle Rückmeldung ! Ist es nicht so, dass ehhh bei den linearen Bauteilen (damit meine ich Widerstände, Spannungsregler, usw.) die überschüßige Engerie in Wärme umgewandelt wird. Ich dacht nur, wenn schon dann vielleicht mit so wenig Bauteilen wie möglich.
Aber anscheinend mache ich einen Denkfehler... ich würde gerne dazuleren.
Zitat :
| Schließlich kommts Du mit dieser Schaltung bei der lediglich ein Widerstand "stabilisiert" und die überschüssige Energie großzügig auf einer Zenerdiode verheizt wird.
|
Der Widerstand, vor den Leuchtdioden soll den Strom auf 20 mA begrenzen. Der Widerstand vor der Z-Diode hat die gleiche Aufgabe, da die Z-Diode sonst unzulässig belastet werden würde.
Meld dich bitte diesbezüglich nachmal... vielen Dank im vorraus!
Gruß
Carsten |
|
BID = 25820
Electronicfox Schreibmaschine
    
Beiträge: 1634 Wohnort: hamburg
|
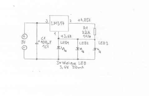
Eine weitere Schaltung wenig Teile braucht. Leider erst für eine Eingangsspannung für 8V geeignet.
Uploaded Image: Konstantstromquelle_3weisseLEDs_LM317.jpg
_________________
Es ist nicht mein Ziel mit dem Kopf durch die Wand zu gehen, sondern mit den Augen eine Tür zu finden. Also warum kompliziert, wenn’s einfach geht.
|
BID = 25830
Carsten_eutin Schriftsteller
    
Beiträge: 569
|
Hi Electronicfox,
die neue Schaltung basiert ja im Grunde wie http://www.bayer-soft.de/elektro/regler/stromreg.htm ganz unten konstantstromquelle. Folglich müßte der Widerstand so dimensioniert werden, dass 60 mA fließen, die sich dann auf die drei LEDs verteilen richtig?
Sag mal Electronicfox was hälst du von https://forum.electronicwerkstatt.d.....1.jpg???
Also meine Idee dabei war, dass ich eine Spannung stabilisiere und dann auch bei teils entladenen Batterien noch eine konstante Z-Diodenspannung habe, zu welcher ja die LEDs mit kleinem Vorwiderstand parallel geschaltet sind...
oder funktioniert das nicht, bzw. spricht etwas dagegen. Ich weiß, dass es keine direkte konstantstromquelle ist.
übrigends, wenn ich hier "um elektronen feilsche", dann zeigt das doch eigentlich nur mein interesse. das forum hier ist jedenfalls super  .
Schönes Wochenende...
Carsten
|
BID = 25835
Electronicfox Schreibmaschine
    
Beiträge: 1634 Wohnort: hamburg
|
Zitat :
Carsten_eutin hat am 18 Jul 2003 15:04 geschrieben :
|
die neue Schaltung basiert ja im Grunde wie http://www.bayer-soft.de/elektro/regler/stromreg.htm ganz unten konstantstromquelle. Folglich müßte der Widerstand so dimensioniert werden, dass 60 mA fließen, die sich dann auf die drei LEDs verteilen richtig?
|
Genau richtig. Aber ich habe die Schaltung mit weißen LEDs getestet, und funktioniert erst ab 8V, darunter leuchten LEDs fast garnicht.
Zitat :
|
Sag mal Electronicfox was hälst du von https://forum.electronicwerkstatt.d.....1.jpg???
Also meine Idee dabei war, dass ich eine Spannung stabilisiere und dann auch bei teils entladenen Batterien noch eine konstante Z-Diodenspannung habe, zu welcher ja die LEDs mit kleinem Vorwiderstand parallel geschaltet sind...
oder funktioniert das nicht, bzw. spricht etwas dagegen. Ich weiß, dass es keine direkte konstantstromquelle ist.
übrigends, wenn ich hier "um elektronen feilsche", dann zeigt das doch eigentlich nur mein interesse. das forum hier ist jedenfalls super .
|
Das mit der Zenerdiode geht auch, der Nachteil ist das diese etwas ungenau sind (Z.B.: 4,3V.....3 bis 4,5V)
Ich würde die LEDs parallel legen und einen Widerstand von 15 Ohm nehmen. Der Widerstand vor der Zenerdiode sollte 20 Ohm haben. Der ist ausreichend groß genug um den Strom der LEDs und der Zenerdiode bereit zu stellen.
_________________
Es ist nicht mein Ziel mit dem Kopf durch die Wand zu gehen, sondern mit den Augen eine Tür zu finden. Also warum kompliziert, wenn’s einfach geht.
|
BID = 25855
Carsten_eutin Schriftsteller
    
Beiträge: 569
|
Hi Electronicfox,
leider kann ich nicht mehr auf einen perfekt ausgestatteten Arbeitsplatz züruckgreifen und muß mir fast jedes Einzelteil bestellen... ich habe mir auf jeden Fall die Bauteile geordert und denke, dass diese am Monatg bei mir eintreffen...
Ich werde dann mal weitgehendst die Schaltungen nachbauen und testen...
Gruß
Carsten
|
|
Zum Ersatzteileshop
Bezeichnungen von Produkten, Abbildungen und Logos , die in diesem Forum oder im Shop verwendet werden, sind Eigentum des entsprechenden Herstellers oder Besitzers. Diese dienen lediglich zur Identifikation!
Impressum
Datenschutz
Copyright © Baldur Brock Fernsehtechnik und Versand Ersatzteile in Heilbronn Deutschland
gerechnet auf die letzten 30 Tage haben wir 18 Beiträge im Durchschnitt pro Tag heute wurden bisher 6 Beiträge verfasst © x sparkkelsputz Besucher : 187840429 Heute : 9836 Gestern : 15830 Online : 369 20.12.2025 12:37 26 Besucher in den letzten 60 Sekunden alle 2.31 Sekunden ein neuer Besucher ---- logout ----viewtopic ---- logout ----
|
xcvb
ycvb
0.0350108146667
|